Fórum témák
» Több friss téma |
Fórum » Ledes állítható feszültségszint kijelző 6-14VDC között
Témaindító: sniperx, idő: Márc 5, 2011
Témakörök:
Sziasztok!
Egy olyan egyszerű ledes kapcsolásra kellene valami ötlet, ami minél kevesebb alkatrészből kivitelezhető és egy dc limit elérésekor kezd világítani. Állíthatónak kellene lennie, mert nem mindig ugyanazt a jelet kellene jeleznie. A legkisebb 6VDC, a legnagyobb 14VDC körül van. (még nem tudom, mennyi lesz pontosan) Tehát az a lényeg, hogy előbb ne kezdjen el világítani a led, csak a beállított érték körül gyulladjon ki, de akkor stabilan. Előre is köszi!
Egy sima komparátorral meg tudod oldani a dolgot. A referencia fesz, amihez képest mér az áramkör, ennek állításával tudod beállítani hol kapcsoljon a komparátor. A komparátor kimenete meghajtja a LED-et.
Az az igazság, hogy a komparátorokat kihagynám, ha lehet. Ez nekem is eszembe jutott, de nem akarok aktív alkatrészeket a körbe. Arról nem is beszélve, hogy nincs külön táp ott, tehát a kapcsolásnak abból kell működnie, amit ki is jeleztetek.
Valami zeneres trükkre gondoltam, vagy valami hasonlóra.
Komparátor nélkül sosem kapsz határozott sötét/világos átmenetet. Ha még állíthatóvá is tennéd, azt a zenerek váltogatásával lehet csak megoldani.
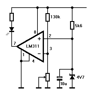
Egy LM311 simán elmegy arról a tápról, amit mér, csak csinálnod kell neki egy referenciát, ami kisebb, mint a legkisebb kimenőfesz.
Ha egy piros LED-del (kb.1,5V nyitófeszű) sorbakötsz egy 5,6V-os zenert és egy megfelelő értékű ellenállást (hogy a legnagyobb fesznél se lépje túl a LED és a zener határáramát), akkor az kb 7V-nál (hőmérsékletfüggő is) elkezd haloványan világítani, majd a fesz növelésével egyre erősödik a fénye.
-A mellékelt rajzon az R2(P1) /R3 osztóval 0,6V-ot kell beállítani T1 bázisára ahhoz, hogy adott küszöbfeszültség esetén kigyulladjon a led.
-T1 és T2 helyett 1 db tirisztort is lehet használni. -Itt fényesen fog világítani a led, nincs halvány világítás. -A hátrány az, hogy a mérendő feszültség tüskéire is érzékeny, mert ha 4V az átlag és ezen vannak 20V-os tüskék, akkor olyan jelzést lehet kapni, mintha 20V-os DC lenne mérve. 1db tüskétől is folyamatosan fog világítani, ilyenkor le kell csatlakoztatni a mérendő feszültségről, majd visszakötni.
A tüskék ellen egy kondival lehetne védekezni.
Tirisztort nem tennék bele az öntartása miatt, mivel az nem jó erre a feladatra. Amikor a bejövő jel leesik a limit alá, akkor el kell aludnia a lednek! Ez egy fix dobozban lesz, kívülről nem lehet kezelni. (nyomógomb, stb)
Szia!
Szerintem neked az LM3914 integrált áramkör kellene. A lomexben lehet venni, kb. 500 Ft Bővebben: adatlap
Sziasztok!
A zénernél az hogy 5,6V az mit jelent? Maximum akkora fesz mehet át rajza? Zoltán
Az a letörési feszültség. Teszem azt 5V-on még szakadásként viselkedik, 5,6V felett pedig rövidzárként.
Persze a Zéner, mint a félvezetők általában erősen nem lineáris. Tehát ez erős sarkítás amit mondtam. |
Bejelentkezés
Hirdetés |











