Fórum témák
» Több friss téma |
Harmadik lábnál én is erre gondoltam, hogy valami ilyesmi. Valami jobban beszerezhető/építhető töltő nincs hozzá?
Kovidivi: Gyári aksi, ha nem fontos, nem bontanám meg a házat. Főleg, hogy ilyen összeragasztott háza van.
Fontos-e vagy sem, megfelelően csak külön tudsz tölteni sorbakapcsolt cellákat, a károsodás valószínűsége nagy. Azt nem tudod szabályozni, hogy a kisebb kapacitású cella kapocsfeszültsége hogyan alakul, miután feltöltött, de a másik még nem. Ilyenkor túlfeszültséget kap, amitől melegedhet, ez nem üzemszerű állapot. Persze el fog menni így is fél-egy évet az akksi pakk, de ha többet szeretnél, akkor rendesen kell kezelni az akksit.
Normál gyári aksiban van elektronika, és a megfelelő töltőjével el megy tervezett élettartamig. Ez lehet kisebb mint az ideális, de nem okvetlen töredéke.
Ha van benne beépített balanszer (amit jó lenne tudni), akkor ténylegesen megoldható a töltés károsodás nélkül, csak a hőmérsékletre kell figyelni!
Akkor ma valahogyan óvatosan szétműtöm, és felteszem ide, miket leltem. Esetleg valami ötlet, hogy tudnám gányolás mentesen szétpattintani?
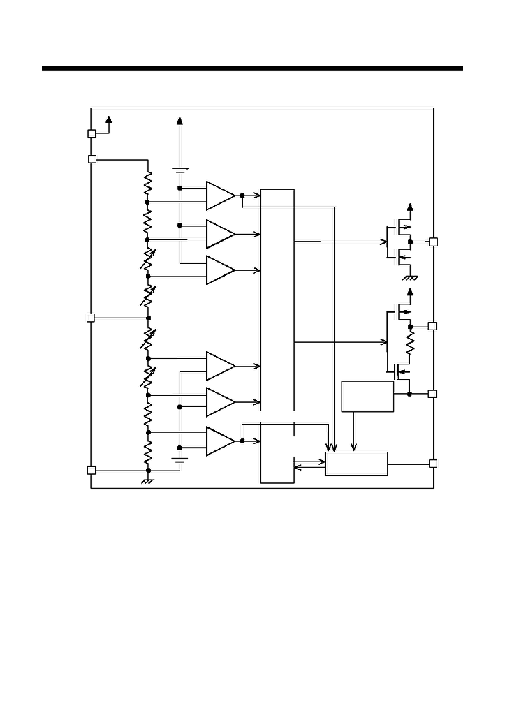
Szétbontottam, és van benne elektronika. Csatolom a képet.
Most kellene megmérni a cellák feszültségét. Ha nagyjából egyforma, akkor egy áramkorlátozott 8,4V-10V tápról kellő óvatossággal mér lehet tölteni. Az áram attól függ, mennyire vagy türelmes, C/10 - C/2 között, minél kisebb az áram, annál jobb.
Ha a két cella feszültsége nagyon eltér, akkor azonos állapotra kell hozni a kettőt, és utána már mehet az egyfeszültségű töltés. Én beszereztem egy marék egycellás töltőt (TP4056, AliExpress), ami kiválóan alkalmas egyszeri kiegyenlítésre. Egy ellenállás cseréjével tág határok között állítható a töltőáram. A hozzászólás módosítva: Szept 15, 2015
Rámérve, mind a két cellán 3,76Vot mérek. Terheletlen állapotba mértem. Azt a C/10 - C/2 közötti mérést kifejtenéd?
A hozzászólás módosítva: Szept 15, 2015
Jó lesz az. A beépített balanszer jónak tűnik. Ha nagyon óvatos vagy, akkor a névleges terhelésen is mérsz feszültséget a cellákon.
8,4V feszültségig tölts. A cellák kapacitását Te látod.
Ezek a cellák vannak benne: Bővebben: Link Pontosan ez NCR18650PF
Az aksi zsír új. Valami könnyebb töltő kellene, mert áramszünet esetén lenne beépítve egy szerkezetbe, ilyen szünetmentes tápnak. A hozzászólás módosítva: Szept 15, 2015
A C az akkumulátor(pakk) kapacitását jelenti. C/10 a körülbelül 12 órás töltést jelenti, az akkumulátorra ráírt kapacitás tizedének megfelelő áram. Például 2200mAh esetén 220 mA felel meg C/10 töltésnek.
Ja, így már értem. Akkor ez 270mA és 10óra lenne. És így, hogy van benne balancer, a töltés mennyibe változhat?
Két lehetőséget látok az olcsóbb kategóriában: Kamera akkumulátor töltő vagy MinWa
Ez nem teljes lista, de gyorsan hozzáférhető. A hozzászólás módosítva: Szept 15, 2015
A változás lényege, hogy egy tápfeszültségű töltés elég - legfeljebb 8,4V-10V korlátozva a gusztus szerinti töltőáramra. Az áram a készülék feltételezhető áramfelvételétől, és az esetleges áramszünet valószínűsíthető idejétől is függ.
Ha már szétbontottad, az IC.-k típusszámát leírva okosabbak leszünk. Az elektronika a túl nagy töltőáram, kisütőáram és a mély kisütés elleni védelmet szolgálja. Nem töltő elektronika.
Ha a sorba kapcsolt cellák közös pontjára is csatlakozik akkor nagy valószínűséggel a cellák töltöttségét is figyeli.
A nagyobbik ha minden igaz: apm9926 a másik s8232b.
Igen, a sorba kapcsolt közös pontja is be van vezetve. Azért azt kicsit dúrvának tartom, hogy szemüveg+nagyító kombóval nem tudtam a kicsit leolvasni, de a telefonnal készült képen meg tisztán látom A hozzászólás módosítva: Szept 15, 2015
Az első egy dual N-csatornás FET a töltő és kisütőáramok kapcsolására, a másik a vezérlő
IC, ez felelős a védelemért. Külön figyeli a két cellát. Töltheted egy 9-10 V 1 A leadására képes DC töltővel, a belső elektronika a többit elvégzi/ balanszer, töltési végfeszültség figyelése, kisütési alsó határ figyelése és a fogyasztás megszakítása/ Ugyanígy működnek a mobil akkuk, azok is USB 5 V-ot vagy DC töltő 5 V körüli feszültségét kapják. A hozzászólás módosítva: Szept 15, 2015
Üdv!
Részben egyetértek gerenk hozzászólásával, de szerintem a szétbontott akkuban lévő elektronika "csak" védelmi célokat szolgáló áramkör.(védelmi elektronika) A töltéssel kapcsolatos lekapcsolást ne bízd rá és balanszer funkciót sem tud. A hozzászólás módosítva: Szept 16, 2015
Valóban ez csak az akku védelmét szolgálja, szükség van egy két cellás töltő áramkörre is.
Ez csak védelmet lát el, túláram, túltöltés, túlmerítés, ilyenek.
Balanszerként nem használható, adatlapban nem találtam rá utalást. Ha töltöd, és az egyik cella feltöltődött, akkor rövid időn belül közbelép a túltöltés védelem, és lekapcsolja a cellát a töltőről, tehát szakadás lesz, áram nem fog folyni, még akkor sem, ha a másik cella még igényelné. Ha már ilyen szépen szét tudtad pattintani, akkor a középső szálat is vezesd ki, és készíts hozzá egy két cellás töltőt, vagy pedig egy balanszert és hozzá egy normáls 8.4V-os "töltőt".
Akkor ha jól értem, gyárilag is úgy volt megoldva, hogy lekapcsol, ha az egyik cella feltöltött, de a másik nem? Mert a gyári töltője a két szélén lévő lyukba csatlakozik, de a készülék is, amibe volt használva. Holnap megnézem a harmadik kivezetés van e a töltőn használva.
Ha rendelek ilyet, akkor ez használható hozzá? Bővebben: Link
Ami a celláknál van, az csak védelem, mint egy kb. biztosíték, csak sokkal okosabb. Normál töltés esetén nem a védelemnek kell a cellát lekapcsolnia. Igen, jó lesz amit kinéztél, de lehetne jobb is, ha balanszos lenne. Vedd meg amit linkeltél. Ha a cellák együtt öregszenek, nem lesz vele gondod. Viszont ha az egyik cella pl. nagyobb hőterhelést kap (gyorsabban megy tönkre), mint a másik, akkor kellene a balanszos töltés.
Gerenk kapcsolásai közül is válogathatsz! Azok is nagyon jók! TP4056-os nyákkal megoldhatod a tökéletes külön töltést, a középkivezetést is felhasználva. A hozzászólás módosítva: Szept 16, 2015
Szia ! a 18650 -es cellákat nyugodtan töltheted 1 C -vel !
A pakkban lévő áramkörről csak az IC.-k egy részét ismerjük, ha tudsz tegyél fel róla képet is mindkét oldaláról.
A nyák, annyi amennyi a fotón látható. Ill lejjebb van még 3 smd kondi/ellenállás. Ez a két IC van az egészbe.
Akkor valóban ez csak a két cella védelmére van beépítve, túlterhelés hatására a cellákat leválasztja és a C3 időzítő kondenzátor 0,22 mikroF beállítható késleltetés után visszakapcsolja.
Nekem konkrétan ez az akku arra kellene, hogy egy berendezésbe beépítem, és áramszünet esetén is tudjon menni a központi része. Egy arduino megát kell hogy ellásson. Ennek kellene egy olyan töltő elektronika, ami kíméletesen tölti az aksit (feltételezem csepptöltéssel), és ha áramszünet van, akkor se kezdje el eszementül tölteni. lényeg, hogy ne keljen fél- egy évente cserélgetnem az aksit.
Kovidivi: Gerenk kapcsolása közül néztem, és mikor linkeltem az ebayes panelt, akkor a lion2.gif módra gondoltam. Az első szimpatikusabb, de az ic kapható valami használhatóbb formába is? Mert én csak abba az smd-s verzióba láttam. A hozzászólás módosítva: Szept 17, 2015
Ha ritka az áramszünet, kicsi az áramfelvétel, akkor a legegyszerűbb, ha 4V cellánkénti fix feszültséget kötsz rá, mondjuk C/8 korlátozással.
Nem árt, ha félévente ellenőrzöd, hogy a két akku feszültsége megegyezik. Az MT3608 feszültségemelő fillérekért kapható (modulba építve is), és jó hatásfokkal dolgozik, üresjáratban legfeljebb 100uA alatti áramfelvétellel. Sokkal egyszerűbb lenne a dolog, ha a két cellát párhuzamosan kötve, egycellás töltést alkalmaznál. A hozzászólás módosítva: Szept 17, 2015
Ez az IC kapható, kb 300 HUF /min 3-at kell rendelni /egy cellát kezel biztonságosan, beállíthatod a töltőáramot, minden védelmet ellát. A második kép szerint kettő összekapcsolható.
A hozzászólás módosítva: Szept 17, 2015
Köszi, ez nagyon jónak tűnik. Ebayen ezt néztem: Bővebben: Link
Akkor jól értelmezem, hogy a gyári kis panelt ami az aksiba van töltésnél kerüljem meg, és ennek a kimenetét forrasszam direktbe az aksikra? Persze 2 ilyen modullal. Ma megnéztem a gyári töltőjét, azon csak a két csatlakozónak van kiépítve kontakt, a C lábat nem használja. A hozzászólás módosítva: Szept 18, 2015
|
Bejelentkezés
Hirdetés |










Mert én csak abba az smd-s verzióba láttam. 






