Fórum témák
» Több friss téma |
Fórum » Mechanikus szobatermosztát fűtésre-hűtésre; 4-vezetékes
Témaindító: fejesg, idő: Nov 1, 2010
Témakörök:
Sziasztok!
Jelenleg a munkahelyemen (mellékesen) hőszivattyű-vezérlést barkácsolok; ha bejön, a cégünknek új terméke lesz. A vezérlő maga már kész, de olyan szobatermosztátot keresek hozzá, amelyik 24VDC táppal is elmegy; egyszerű mechanikus darab legyen. Az a lényege, hogy a fűtési min hőmérséklet elérésekor (lehűl a szoba) zárjon egy kontaktot mondjuk A-B között; ha viszont a szoba hőmérséklete eléri a hűtési min hőmérsékletet, akkor zárjon egy C-D kontaktot! A Siemens RAB30.1 ilyesmi, de az 230V-os. Kérlek segítsetek !!! DIY szóba sem jöhet, mert minden "gyári"..... fg
Üdv.
A lehető legegyszerűbb megoldást szeretnénk nyújtani a VEVŐnek. Egy termosztát bőven elég a falra....
Lehet hogy butaságot kérdezek, de mér kell külön két kontakt?
szia ezt a termosztát tipust kötöttem már be és ugy emlékszem ez egy sima mechanikus termosztát tehát nincs bent elektronika aminek szüksége lenne a 230V-ra igy szerintem nyugodtan használhatod 24V-ra is
Adatlap
Ha mázlid van gyártanak hiszterézisállítós független kontaktos fali termosztátot, de gyanítom hogy drágább lesz mint két tradicionális.
Azért, mert a vezérlőm 2 24V-os bemenetet kezel, egyet a fűtésnek és egyet a hűtésnek.
Köszi a választ, ebben reménykedek én is !
Úgy vélem, megvan a válasz:
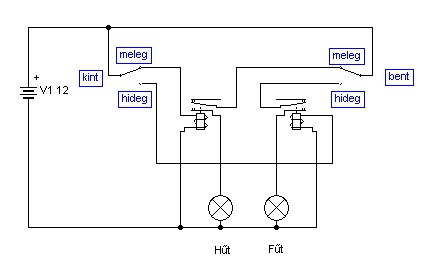
Siemens RAA30 http://www.warmfloor.co.nz/images/raa30.pdf L-re közöm a 24V-ot, Y1 megy az egyik bemenetre, Y2 meg a másikra.
Már rájöttem!
Megnéztem a Siemens adatlapját. Mi lenne ha két relét vezérelnél vele ami 230V-os és az kapcsolná a szelepeket?
Akkor ide bármelyik sima szobatermosztát jó lenne, csak a bibi az hogy a Siemensnek 1Kelvin a hiszterézise. Ha jól vettem ki, és az energiapazarlás lenne, hogy fűt aztán meg hűt.
A legolcsóbb, és legjobb a két különálló szobatermosztát.
Innen már csak drágább, és bonyolultabb megoldások jöhetnek szóba. Ami meg nem digitális, az mind hagyományos bimetál kontaktos érzékelésű aminek mindegy ez esetben hogy váltót, vagy egyent zár-szakít meg.
Mert itt a probléma az, hogy kell egy fűtési hőmérséklet, mondjuk 24Celsius. Ezt tartja télen. Van egy hűtési hőmérséklet , mondjuk 25C és ezt tartja nyáron....De ez sem jó. Mert mi van akkor ha a téli termosztátot úgy hagyom és nyáron 20 fokot akarok.... ?
Elvileg nem fűt hűt össze vissza Bővebben: Link mert az üzem mód kapcsoló dönti el hogy az y1 vagy y2 kimenet-e az engedélyezett. Így vagy csak fűt vagy csak hűt.
Aha! Most már értem! Akkor a felhasználó dönti el manuálisan hogy a fűtést vagy a hűtést engedélyezi.
Eszembe jutott valami... Mi lenne ha kint is lenne egy termosztát? Az érzékelné a kinti levegőt és ha melegebb van kint akkor hűt, ha hidegebb akkor meg fűt?
Valami ilyesmire gondoltam......
Sziasztok! Hasonló a problémám, ezért nem nyitottam új témát.
Kérek mindenkit, hogy ne elemezzük a "berendezésem" értelmét, maradjunk annyiban, hogy az építés öröme miatt készítettem egy olyan rendszert (most kb. 80%-os állapotban), ami helyiségenként képes minimum, maximum hőmérséklet értéket beállítani fél órás időintervallum gyakorisággal. Ehhez szükségem lenne egy olyan szerkezetre, amely képes nyitni/zárni a radiátor csapokat. Találtam is ilyet, de 5000Ft-tól kezdődnek a legolcsóbbak is. Az lenne a kérdésem, hogy tudtok-e valamilyen egyszerű, olcsóbb megoldást erre a problémára?
Szia!
Idézet: Ne haragudj, de nekem elég értelmetlen. A folyamatos szabályozás volna a cél, gazdaságossági szempontból és nem a két pont vezérlés. Amit a mai rendszerekhez lehet kapni szabályzószerveket, azok segédenergia nélküli folyamatos szabályzást valósítanak meg helységenként, helyileg (ahová felhelyezik a radiátorszelepre). Ez egy elég olcsó termosztátfej ahhoz, hogy ne kelljen barkácsolni a meglévő csaphoz, vagy szelephez, elzáró szerkezetet. A szépséghibája az a dolognak, hogy ha nem olyan csapok vannak beépítve a radiátorok elé, amikre ezt fel lehetne csak csavarozni. Még így is vigyázni kell arra, hogy a rendszer összes radiátora NE tudjon azonos időben lezárni, mert akkor sem a gravitációs, sem a cirkós fűtés nem tud beindulni. „ne elemezzük a "berendezésem" értelmét,”
Köszi, igazad van. Alapvetően az állandó előremenő hőfok melletti csap nyitás/zárás az értelmesebb, de nálunk elég speciális (szélsőséges) "felhasználásra" kerülne sor.
|
Bejelentkezés
Hirdetés |







