Fórum témák
» Több friss téma |
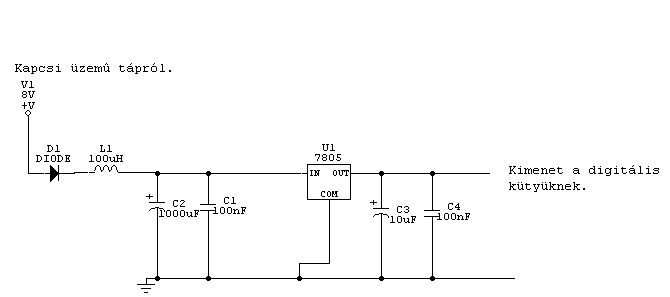
A 100nF-ok pontosan hol vannak? Jó lenne látni egy fényképet az áramkörről.
Megrajzoltam, így van megoldva a táp. (Ha én hozzáérek az Ák valamelyik pontjához, akkor olyan mintha lefagyna az egész. Mintha megállna a PIC-nél az oszcillátor, de a 40XX IC-k is bekattannak.)
Találtam egy ötletet, ez esetleg beválhat? Kiegészítettem a kapcsolást. Ill. van még egy olyan megoldás amikor az MCLR láb egy RC osztón be van kötve a táp és a GND közé. Az kell vajon? A programozást nem zavarja? Ő lenne az MCLR bekötése. Bővebben: Link
Aki tud segítsen már nagyon el vagyok keseredve!
Mikrokontrollerből épített riasztóval lenne egy kis problémám fals riasztások ad a készülék. A probléma a érzékelő áramkőrében lenne. Linkelem a képet: A pirossal jelzett hosszú kábel kígyózik a lakásban és ősszeszed minden zavart mivel sajnos antennaként is működik. A kábelben indukálódó áram időnként begyújtja optocsatolót (ez sajnos szemmel is látható a leden). Ha valaki találkozott már hasonló problémával és tud rá valami megoldást annak nagyon megköszönném. Levis8
Tegyél egy kondenzátort a drót két vége közé az optocsatoló felőli végénél.
Ha a kapcsoló az reed relé akkor ott lehet a probléma ! vagy használj erősebb mágnest vagy tedd közelebb a reed csőhöz ! Szerintem negy a valószínűsége hogy a red kapcsolgat .
Hello!
Lehet-e utólag ferritgyűrűs zavarszűrést eszkábálni egy DSUB 25-ös nyomtatókábelra. A két végén sajnos öntött ház van, amit nem szertnék levágni és újra forrasztgarni a vékonyka kanócokat. Ha ez nem lehetséges, milyen zavarszürés jöhet szóba egy ilyen kábelnél. Üdv PIC18F
Szia Mate78!
Nem vagyok biztos, hogy az előző üzenet célba ér, biztos, ami biztos : megismétlem. Szuper, amit írtál. Hol lehet ilyet beszerezni? Üdv PIC18F
szia!
pl az előző hozzászólásban megadott linken, tehát itt a Hobbielektronikán! üdv Máté
Köszi.
Hétfőn ott kezdek. A linken szereplő átmérők 5 - 6 - 10 - 13 mm. Az én kábeleimen meg 6,5 - 7 -8 mm-t mértem. Azt hiszem a 6 mm-eset kellene megvennem. A 10-es lötyögne a rajta. A meglévő kábelek külső köpenyét megvékonyítom, ahol rá teszem a gyűrűt. Gondolom az a lényeg, hogy minél szorosabban illeszkedjen. Egyébként BUÉK minden mennyiségben. Üdv PIC18F
sziasztok
Adott egy 12F683-as áramkör. Aminek a GP4 analóg bemenetére megy egy hőérzékelő szenzor. Ez a szenzor kb. 5 méterre van a PIC-től, sajnos sima 2 eres kábelt használtam (nincs árnyékolás) Utólag nem tudom módosítani. Ha nincs összekötve a pic-el akkor 17V ac-t lehet mérni a földhöz képest az 1. ill 2. pontokon. Ha bekötöm a pic-t természetesen megszűnik, de még mindig zavarja időnként valami, mert ha leterhelem az 1-2 pontot a pic közelében akkor zavarmentes, viszont a mérése torzul Van valakinek ötlete mi lehet a megoldás? A 100 nanos kondi a Vdd- Vss lábakon van. Üdv
Első körben mindenképp meg kell oldani, hogy a mikovezérlő feszültségein túlnyúló feszültségtüskék, impulzusok semmiképp se érkezzenek az ADC bemenetére. Mondjuk egy 5V1 zenerrel levágod ezeket, a mérést elvileg nem befolyásolja.
Másrészt, mivel a hőmérséklet jellemzően ugrásszerűen nem változik, egy erős integrálással(átlagolással) esetleg kiszűrhető a pillanatnyi zavarjel. Ezt megoldhatod hardveresen(aluláteresztő szűrő), vagy szoftveresen, sima átlag, súlyozott átlag, vagy az angol irodalomban running average-nek nevezett módon. Utóbbinak előnye hogy elég csak az aktuális átlagot, és a minták számát tárolni, nem kell összeadni a klasszikus módon többszáz(nagy) számot.
Szia,
két javaslatom van: - Vdd és Vdd közé nem csak 100 nF hanem valami nagyobb (pl. tantál) kondi is javasolt (nálam ott fityeg mindig párban a kettő). - Mivel hőérzékelőről van szó ezért szerintem rakhatsz a bemenetre direktbe is hidegitő kondit, akár durván is ![]() Mellesleg földelés jól van kialakitva a nyákon?
Köszönöm a hozzászólásokat, ha oda jutok kipróbálom mind.
Üdv
Helló. Már kérdeztem, de nem jutottam a végére. Szóval a motromban egy PIC mérő van, egy külön aksiról táplálva. A motornak is külön aksija van. Arról megy a duda. ha dudálok, a PIC mérő benulláz, és eddig sehogy se tudtam kiküszöbölni. Mit tehetnék ellene?
Mit és milyen módon/illesztéssel mér a PIC? Ugyanis általában a zavarok galvanikus úton terjednek. Mivel a tápon nem tud, valószínűleg a mérendő pontnál jut be a zavar a mikrovezérlőbe.
Erre én is gondoltam.... Egy hőmérő szenzor, aminek a GND a hengerfej, egy HALL aminek a GND a blokk, és stb...
És hogy jut be a jel a PIC-be? Milyen alkatrészek vannak még útközben, mire a PIC lábához ér a jel?
6 darab 12Vos jel. Tehát mondjuk ha indexelek, vagy nincs benzin, ilyenek egy feszültségosztón keresztül mennek a PIC-be. Egy Neutral jelző, ami testet kapcsol a PICnek. egy kinti hőmérő, aminek a testje kábelon keresztül a vázra van kötve, egy hőmérő aminek a testje a hengerfej, egy HALL aminek a testje a motorblokk, és mégegy HALL aminek a testje, egy kábelon felvezetve, a vázra van kötve. Mindezek által, az egész mérő, külön aksiról megy, aminek a testje, a vázra van kötve, de ha nem oda volt kötve, akkor is bezavart.
Üdv!
Így már jobb egy fokkal ![]() Valószínű hogy a 12v-os leosztott jelekkel kerül be a zavar, mivel ott közvetlenül a motor 12v-os tápfeszével találkozik a rendszer, és ha arra zavar kerül, az osztón keresztül a pic-re is eljut. Egyrészt érdemes egyenként lehuzkodni a bemeneteket, és megnézni hogy mik azok, ahol már nem jelenkezik a probléma. Illetve minden bemenetnél aluláteresztő szűrőt, és zener-diódás vágást javaslok. pl 5v1 zener dióda záróirányba(korlátozó ellenállással) már elégséges lehet hogy ne jusson 5v-nál nagyobb jel a PIC bemenetére. Ha van szkópod, esetleg rámérhetsz a 12v-os vonalra miközben megy a duda, hogy nem-e látod a zavarjelet. A másik megoldás hogy a hibaforrás felől közelíted a dolgot, tehát megpróbálod a dudát "zavarmentesíteni". Pl egy 10-100nF kondi és ellenállás(snubber) párhuzamosan a dudával sok nagyfrekis zavart el tud nyelni, tudtommal valami hasonlót alkalmaznak a kis DC motorok zavarszűrésében is.
A dudán egy 1000uF, és egy 100nF van, viszont ellenállás nincs. Milyen értékűt tegyek?. A feszültségosztón egy 100nF a földre húzva.
Sziasztok!
Készítettem egy kapunyitót elektromos (berregős) zárakhoz. Fel is szereltem, alapvetően jól is működik, teszi a dolgát de néha resetel a mikrokontroller ami az egészet működteti. Ez olyankor történik mikor a relé elenged és az elektromos zár tekercsének mágneses mezője összeomlik. A zár és a vezérlő is ugyanarról a körről van megtáplálva. Arra gondoltam, hogy még az elektrokia AC betápjánál a sorkapcsoknál párhuzamosan beraknék egy varisztort ami ezt a tüskét visszazárásnál söntölné. A betáp névlegesen 12Vac (de mérve inkább 14Vac). Milyen paraméterű varisztort javasoltok? Köszi! szerk.: Ez vajon megtenné? A hozzászólás módosítva: Szept 12, 2012
Hello!
A mágneszárra tegyél visszirány diódát, ahogy az induktív terhelésre (relékre) szoktak tenni. Elképzelhető hogy gyárilag nem tartalmazza. Mindemellett az uC bemeneteit diódákkal tudod a tápfesznél magasabb és gnd-nél alacsonyabb tüskék ellen védeni. Használhatsz még LC szűrőt a bemeneten, bár szerintem ez felesleges. Ehhez szükséges egy nagyobbacska puffer a bemeneten (10-100uF). Probléma lehet hogy nagyon beterheli a zár a tápot, ami bezuhan, és a mikrokontroller brownout áramköre reseteli, az alacsony tápfesz miatt.
Hello!
Köszi a tippeket, a "flyback" dióda jó megoldás lenne csak a zár AC táplálást kap ezért sajnos nem jöhet szóba. Az LC szűrő sem rossz ötlet de az inkább hangolva lenne jó szerintem olyan körökben ahol közel állandó és nagyjából ismert frekvenciájú felharmonikusok kiszűrésére van szükség. A feszültség nem esik le, elég nagy trafóról kapja a betápot, és elég bőségesen is van pufferelve. Az uC bemenetére lehet jók lennének a zener-ek de már kész a panel így ezen sajnos nem tudok változtatni. Marad a varisztor, annak meg kéne oldania a problémát.
Nekem az a tapasztalatom, hogy a PICek eléggé zavarérzékenyek.
Próbáltam én már akármivel mentesíteni őket: optokapu, fémtokozás, supresszordiódák... az MCLR lábak bekötése sokféleképpen, üres lábak félhúzása, lehúzása.. sok minden. De nekem nem jött össze az, hogy sose reseteljen be. De a progim ugy van megírva hogy nem okoz neki gondot a reset. Folytatja tovább ugyanonnan. Most áttértem az atmel-ra ez jobban birja a tapasztalatok alapján.
Én a varisztor helyett a szupresszort javaslom. Van belőle Bipoláris amivel AC-t is lehet szűrni.
Szia!
Idézet: „De a progim ugy van megírva hogy nem okoz neki gondot a reset.” Szerencsés a feladatod, mert ezt nem mindig lehet megvalósítani ! Steve
Még 1 tapasztalat: ha az áramkört leföldelem a ház földelőhálózatához sokkal zavar érzéketlenebb.
1 érdekesség: ha rajta van az ICD-n az áramkör, akkor sosem resetel, az valamiért elnyeli a zavart. A sima kapcsiüzemű dugasztápok amik nem földeltek is okoznak zavart.. a lakás földpotenciál és a kimenetük között simán vagy 100V difi multiméterrel nézve.. ez is tud érdekességeket csinálni. |
Bejelentkezés
Hirdetés |














