Fórum témák
» Több friss téma |
Fórum » Muzeális készülékek-alkatrészek restaurálása
Témaindító: Kutyuli, idő: Márc 29, 2008
Témakörök:
Erre van külön topic. Ha oda írsz, jobb eséllyel segítenek.
Oké, de ez egy 72 éves felújitásra szoruló csöves rádió. :whistle:
Oké, de az fizetős, ezért inkább adok én ingyen.
Aztaaa...! Kérünk ám részletes képsorozatot!
Nem tudom mikor állok neki, de itt van kép a "betegről".
Plusz egy újabb szerzemény. Orion 311
Szép a 331-esed is!!
A Rádió javítás topicban van róla információ csere.
Nem tettem rá!!! Felette van .
A látszat, néha csal.
Hát az első két képen elég egyértelműnek tűnik.
sziasztok,
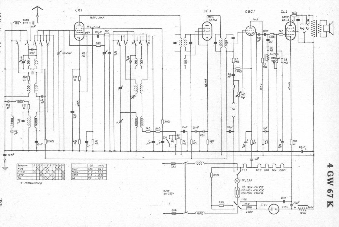
Lőttem a Vaterán egy ilyet: Philips B3A33A elektroncsöves asztali rádió 1962-es évjárat, első látásra viszonylag jó állapotú, de biztosan lesz vele mit dolgozni. Csőkészlete: ECC85, ha minden igaz, ez egy kettős trióda; ECH81, (talán ez is); EF89, (ez egy pentóda lehet) ECL86, elkülönített katódos dióda és pentóda EM84 hangolás-indikátor Jövő héten érkezik fel a csomag Pestre, majd töltök fel képeket róla.
Azért olvassál utána mielőtt nekiesel...
Vagy kérdezzél lépésről lépesre mert ahogy látom a csöveket annyira nem ismered. Segítünk
ECH 81 Trióda+ heptóda
ECL 86 Trióda+ pentóda ( nem dióda) a többi stimmel (google tudja!)Bővebben: Link
Köszönöm szépen, biztosan szükség lesz rá
Ez a rádió az alapja (legalábbis hasonlít) az én Musicmeisteremnek(WH345A). Sajnos a plexitető nincs meg és egy izzó világít csak benne, de tökéletesen működik!
Várjuk a képeket! :yes:
Hellósztok.
A mellékletben a t425 ösöm nagyon rossz állapotban lévő doboza. Őt hogy lehetne rendbehozni?
Furnírhiányos?
Egy nagy felületen egy, egy kisebben két réteg hiányzik róla.
Ez is gyönyörű darab! Gratulálok hozzá!
Nos, ma megérkezett a csomag Balatonfenyvesről. A Soirée átlagosnál jobb állapotban volt, de tele porral. A készülék 230 V hálózati kábele el volt olvadva, skálazsinórja kibolyhosodva és el is szakadt. Szétszereltem, és elkezdtem kiporolni ecsettel. Kiszedtem a skálaüveget, elmostam, kicseréltem a skálavilágító izzókat, letisztítottam az elektroncsöveket, kiszedtem a hangoló forgatótengelyt, megtisztítottam és megolajoztam, és a régi hálózati kábelét kiforrasztottam, majd beforrasztottam egy újat. A skálahúrt cserélni kell, és folytatni kell még a porolást. De már kipróbáltam a készüléket, minden cső rendben van, izzanak a katódok, világít a kékesszöldes fényű hangolóindikátor, mindenki örül |
Bejelentkezés
Hirdetés |










.
A látszat, néha csal.
Megérkezett a drágaszáágom 




















