Fórum témák
» Több friss téma |
Sziasztok!
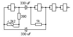
Egyszerű problémában szeretnék segítséget kérni. Készítettem a NAND kapukból egy oszcillátort, a mellékleten látható. Egy előző kapcsolásban használtam, CD4011 CMOS NAND kapukból tökéletesen működött, most 74LS00 TTL -ből készítettem, de nem akar oszcillálni. Mi lehet a baj? Túl nagy a kondenzátor??? Ha valaki tud megoldást, segítsen! A kapcsolási elrendezésen nem szeretnék változtatni, mert már benne van egy NYÁK-ban. Segítségeteket előre is köszönöm!
Túl nagyok az ellenállás értékek. LS tokoknál a "felhúzó" ellenállás max 36kohm lehet, CMOS-nál akár 1-2Mohm. Ebből kell kiindulni, a kondit pedig növelni kell.
És mekkora ellenálláskolat és kondikat tegyek be, hogy pl. 1-10Hz között legyen állítható a frekvencia a potenciométerrel?
Biztos, hogy jó ez a kapcsolás? Csak mert ha az U6A egyik bemenetét folyamatosan földeled, akkor a kimenete folyamatosan H lesz, vagyis az U6B kimenete folyamatosan L.
Ez pedig független attól, hogy TTL, vagy CMOS.
Így igaz! Ezt nem is néztem, mivel CMOS-sal már ment neki... Azt a bemenetet tápra kell felhúzni max 36k-val.
Megtaláltam a hibát!
Erről is az amerikaiak tehetnek. A kapu amerikai szabvány rajzjele miatt összetévesztette és az előző áramkörben CD4001 -es NOR kapukat használtam amely nem egyenlő a NAND-al! Hogy lehettem ilyen Szakmai ártalom! Valaki tudna küldeni egy kapcsolást NAND TTL oszcillátorral?
Ez a kapcsolás pl. egy régi orosz, 7400-nak megfelelő IC-vel megy, 1...x Hz. Be kell játszani.
Az ellenállások max értéke 2k körül van, típusfüggő. Ha nem rezeg már, akkor csökkenteni kell kicsit. A 74LS00 is hasonlóan megy, de azt csak 10 megán próbáltam, 820 ohmokkal. Elvileg betehetsz mindkét kapura potit ( dupla kivitel), akkor nagyobb az átfogás. A végére LED+ 330 ohm tesztelni elég.
Jo arra az eredeti kapcsolasod is... alapban mindegy milyen kapukat raksz bele, csak ne Schmitt triggeres legyen, es invertolo legyen.
A hibak elkerulese vegett az elso kapu mindket bemenetet kosd ossze, akkor nem kell talalgatni milyen szintre kell kotni. Termeszetesen a mar masok altal is megjegyzett ellenallas ertekeket csokkenteni kell, mig a kondit kb ugyanannyival novelni...
hello!szeretnék egy olyan áramkört készíteni,mely 2*2 ledet halványít,világosít egymás után.erre egy szinusz vagy háromszögjelet biztosító áramkörre lenne szükségem ic-kkel.a jel hossza mondjuk 1hz-lenne, de ha lehetne változtatni,akkor 1hz-től kb. 10hz-ig kellene.az egyik félperiódust egy tranzisztorral 2 ledre kötném,a másikat pedig úgyszintén.milyen ic-t használjak? elvi szinten tökéletesen értem,csak azt nem tudom,hogy miért ,mekkora ellenállás, melyik lábra, kondi miért ,mekkora, hova,meg ilyenek
ez lehet hogy túlzás,de kérhetnék kapcsolási rajzot,amit már csak meg kell építeni? ledek kék ledek és szeretnék 2db-ot hajtani egy félperiódussal. Egyébként itt van egy kapcsolás: metku mods , melyet meg is építettem, csak így semmit nem értek belőle, és az egyik félperiódus sokkal rövidebb,mint a másik.... Köszönöm!
Sziasztok!
Szeretnék építeni egy kb 5-10 Hz-en működő órejelgenerátort, ehhez lenne szükrségem valamilyen kapcsrajzra. Találtam egy 200 Hz-eset Bővebben: Link, de ez túl nagy nekem és frekvencia osztókkal nincs időm bíbelődni mert sürgős lenne. Tud nekem valaki segíteni?
A fenti nand kapus oszcillátor biztosan tudja ezt alkatrészcserével,vagy vannak egyszerű kapcsolások 555 ic-vel,esetleg a 4060 rc oszcillátorral 9 láb 10nf 10 láb 100k a másik végük összekötve a közös pontról 100k a 11 lábra.
Ha nem megfelelő a sebesség a 9,10 lábra csatlakozó alkatrészek cseréjével (poti) egyszerűen módosítható (esetleg más kimenet használandó) (tippem szerint igy a 14 láb jó neked.)
Köszi a választ, megépítem és kipróbálom, remélem jó lesz. Még egyszer köszi.
|
Bejelentkezés
Hirdetés |






ez lehet hogy túlzás,de kérhetnék kapcsolási rajzot,amit már csak meg kell építeni? ledek kék ledek és szeretnék 2db-ot hajtani egy félperiódussal. Egyébként itt van egy kapcsolás: 




