| Fórum témák 
 
 » Több friss téma | Fórum » [OFF]  Pihenő pákások témája - Elektronika, és politikamentes  topik 
			Témaindító: Topi, idő: Nov 18, 2007		 
 
				EZT lessétek meg! Nem is tudtam, hogy ilyen is létezik! Mit szóltok hozzá?    A radardetektorok birtoklása illetve használata a 175/2003 (X.31) Korm. rendelet értelmében 2003 december 1-től már nem tiltott Magyarországon! De ez egy blokkoló! Legális egyáltaán, ilyen formában szerintetek? 
 
				NEM akarok venni, mert nem vagyok száguldozó, csak érdekel!						 
 
				Sziasztok! Nem tud valaki, egy jó keresőt, ami nem a google? Kifejezetten utálom, ha magyarnyelvű találatokat kapok a nem magyarul keresett kifejezésekre, meg, hogy az első 100 link, mindig valami magyar cég aki reklámozza magát. Ez már nem arról szól mint régen!   
				Minap láttam meg egy fórumon, miközben épp a kompozit videó kimenetű kamerám kimenetére kerestem némi infót.  Idézet: „Jeff Zimmerman To the optimist, the glass is half full. To the pessimist, the glass is half empty. To the engineer, the glass is twice as big as it needs to be.” 
 
				En a yahoo-t hasznalom.						 
 
				Igen, azt hiszem én is visszatérek rá. Nem szeretem ha a kereső gondolkodik helyettem...						 
 
				Szia! Azért nem olyan rossz az! Nézd meg ezt! Első találat Idézet:, mikor én a „Windows Messenger 5.1” Idézet:szavakat keresem. „windows server”   
				Helló! Van egy spot lámpám, ez: (Praktiker) kép a lámpáról 230V 0,75 Watt (17 led, a dobozán 0,75W, a linkben felfelé kerekítettek). Már annyit gondolkoztam rajta, hogy hogyan csinálták, de nem akarom szétszedni mert drága volt, tönkre meg nem akar menni. Hogyan oldották meg a 0,75Wattot? Más ilyen ledes spotlámpák minimum 1,5 W-ot fogyasztanak. Ilyen világítja meg a bejárati ajtóm még most nappal is, mert az időkapcsoló is többet fogyasztana, mint maga a lámpa Ötlet? Üdv Xakk 
				Sziasztok! Lenne egy gyors és egyszerű kérdésem. Szóval van egy házidolgozat, ahol egy munkadarabrol kell müszaki rajzot, és mindenféle technológiai számításokat végezni. A munkadarab eléggé összetett, de én csak egy kis darabját lerajzoltam és leírtam hogy hogy számolnám ki a területét és kerületét. Ez eléggé alaptudás, de a számítások fele a terület/kerületre épül fel és mindenképp biztosra akarok menni. Szóval így helyes a terület/kerület? 
				Helló Valaki nem tud olyan programot, amely egy felvett zenéből megállapítja az előadót és a címet? Egyet már találtam, de az nem sok zenét ismer fel.   
				Szia! Szerintem jobban jársz, ha a felvett zenét felteszed egy fórumra és megkérdezed ki ismeri! 
				A billentyűzeten mikor lenyomod a PrintScreen nevezetű gombot, a vágólapra másolódik a monitor képe. innetől egy képkezelő programmal (pl.Irfanview, stb...) beilleszted egy új képbe a vágólapot, és kész (simán a beilleszt paranccsal). Ha videót akarsz lefényképezni, akkor hypersnap kell neked. játékot rögzíteni videóként pedig fraps-szel tudsz. 
				Most, 15:00-kor kezdődött a Discovery-n a Mythbusters. Ez egy új rész, de már a multkor is láttam egy új részt, ami nincs meg, és sehol nem találom neten, ahonna le tudnám tölteni... Esetleg valaki nem tudja rögzíteni az új részeket? (36GB Mythbustersem van és ez a rész ami most megy tuti nincs meg.) 
				Honnan töltötted le a a régieket?Magyar szinkronnal van?						 
				Ez nem új rész, ez már volt régebben is. Látom leszedték a warnodat.   
				Sziasztok Egy kis finommechanikai munkában kérnék segítséget. Csinálgatom a (beadandó) projektünket ami egy üvegház modell lesz. Ennek a tetejére terveztem egy automatikusan nyitodó-csukodó szellőztető ablakot, melyet egy áttételes picike villanymoci hajtana. Mi lenne a legegyszerűbb módja? Arra gondoltam, hogy megtoldom a moci tengelyét egy menetes szárral amin egy anya lenne és így ha a motor jobbra vagy balra forog, az anya fel-le szaladgálna, ami megtolhatna egy rudat és ez nyitná az ablakot... Van ennél egyszerűbb? Csatolok egy képet a mociról. Előre is köszönöm a hozzászólásokat!   
				Probálj rá Winamp -al de nem sok a siker ha felvett zene. Egy szó mint száz nekem egyszer sikerült    
				Igen. Ez jó megoldás. Javaslom ehhez, a csőkuplung használatát. Egy vékony rugalmas cső a motor tengelyére és az orsóra. Így nem gond, ha nem pontosan egyenes a két tengely. Ergo, a motor pontosan orsóval való egyvonalba helyezése nem létkérdés. Ezenfelül ha a cső egy kisebb mint a motor tengelye és az orsó, kifejezetten jól rászorul. Amennyire lehet, inkább minél nagyobb orsót célszerű használni. Nem feltétlen kell trapéz alakú orsómenet, jó a sima szabvány menetemelkedésű metrikus orsó. Ha anyákkal oldod meg a mozgó szánt, akkor az egyenesbe vezetést és azt, hogy az orsó ne tekerje - feszítse meg az egész szellőztető ajtót, azt meg kell oldanod. 
				Ha kefés a moci és viszonylag nagy fordulatú akkor az álltalad vázolt megoldás a nyerő. Ha stepper akkor szóbajöhetne mondjuk még egy tárcsa,ennek külső részén egy csap amihez csatlakoztatni lehet az ablakot működtető rudazatot. Mindenesetre az orsós-anyás megoldás nyomatékosabb. :yes:						 
				Köszönöm! Valami ilyesmire gondoltam. (csatolva) Flexibilis csőnek akár a zsugorcső is jó lenne nem? (Vagy nagyon elvetemült ötlet?) A motor sima kefés, de lassan jár és nagy nyomatékkal mert gyárilag áttételes. 
				Kérdés, mekkora az a modell. Tehát, hogy kell-e az a köztes bonyodalom, vagy a motorra tett tengelyen lévő anya végezné fizikailag a mozgást.						 
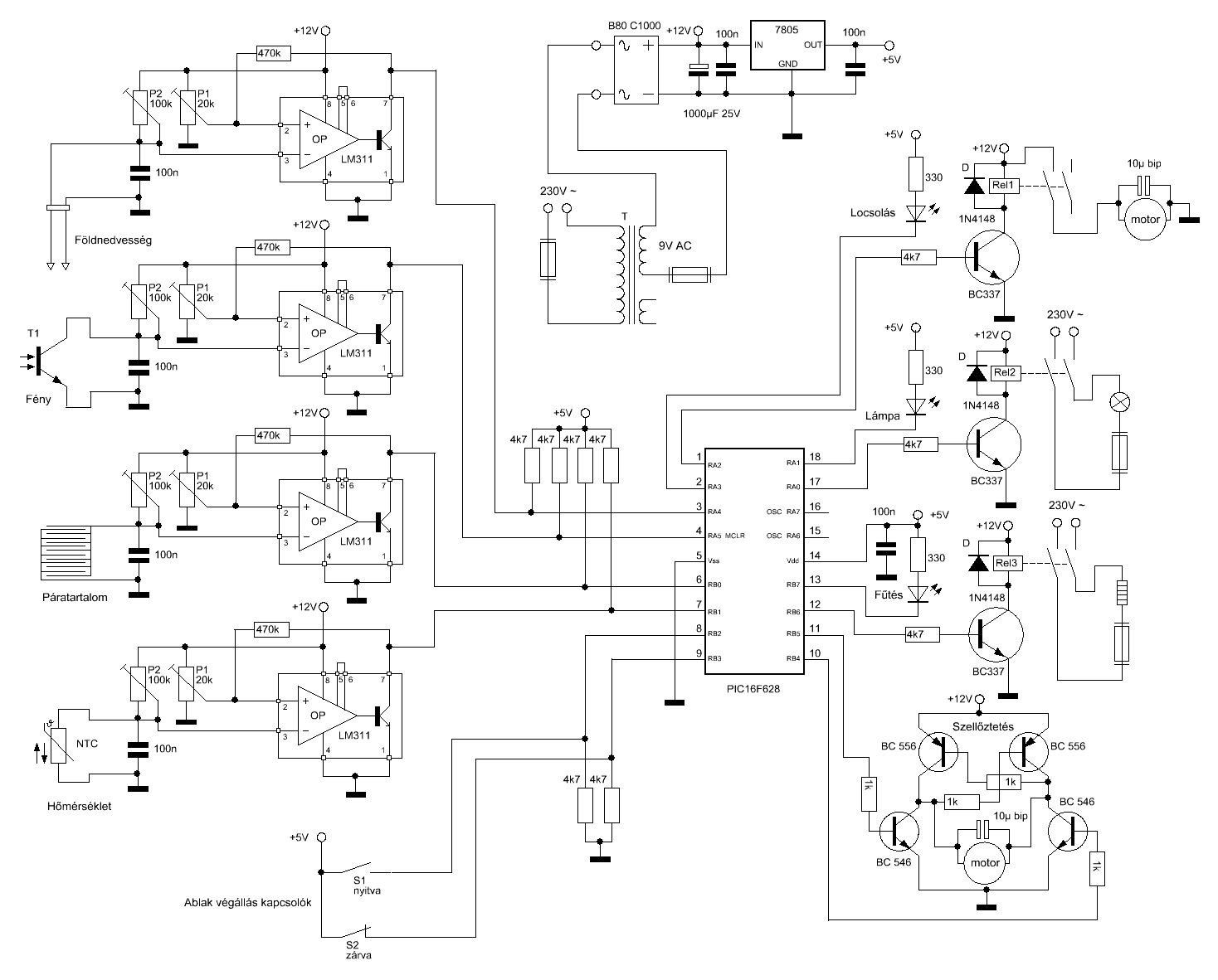
				A modellt a lehető legkisebbre szeretném. Úgy gondoltam, hogy egy pici akváriumban egy tuja magonc lenne az áldozat és az üveg tetőn lévő ablak kb. tenyérnyi lenne... Csatolom a kapcsolási rajzot, mikre gondoltam még. 
				Lényeg, hogy az áttételt is neked kell csinálni? Mert ha nem, veszel egy modellszervót és abba a jeladó is van. | Bejelentkezés Hirdetés | 





 
						
 Létezik ilyen?!?!
 Létezik ilyen?!?!						 
						


