Fórum témák
» Több friss téma |
Üdv mindenkinek!
Most kezdek ismerkedni a hobbielektronokával,vettem is egy könyvet amiből tanulok.1-2 erősítőt szeretnék majd összehozni de csak akkor kezdek hozzá,ha már nagyjából tudom mi miért van benne.A könyvben van egy ic-s erősítő kapcsolási rajza,ott a potenciométert a nem invertáló bemenet elé köti.A kérdés:minden ic-nél így van?honnan tudom mekkora ellenállású poti kell?miért nem látom az ic-k adatlapján a potik beültetési helyét,jelét.egyéb kapcsolási rajzokon sem tüntetik fel.Miért?Hogy,hova kell kötni?A nyáklapot át kell szerkeszteni hozzá?
hali!
Vannak gyári kapcsolási rajzok, amiken nincs rajta a potméter. Az erősítők elé kell kötni a hangerőszabályzó potmétert, de ha van előfok, akkor pedig az előfokban érdemes megoldani a szabályozást. Egyébként a végfokok előtt igen, a neminvertáló bemenetre kell a potméter Úgy kötöd, hogy a poti közepe megy az erősítő bemenetére, az egyik széle a testre, a másik széle pedig a hangbemenet. Így lehet legeszszerűbben hangerőt szabályozni. Az potméter általában 10-50 kiloohm körül vannak. Ha még nagyon kezdő vagy, ne válassz túl bonyolult kapcsolást. Egyszerűt válassz, amit könnyű beűállítani.
Poti bűvn elég egy 47kohmos.
Potit feszültségosztósan kell bekötni ezt mindig egyféleképpen kötik be vagyis: a középső kiv. rá kell kötni az erősítő bemenetére az egyik szélső lesz a föld a másikpedig a bemenet amire ráadod pl.: a DVD melegpontjáz vagyis az RCA dugónak a tűs részét...
nekem a tda2030-asnál 25Kohm-os, a tda8560-nál pedig 100Kohm-os potit kellett használnom. Semmi különbség sem volt a kettő között. Akkor most ez hogy van? :lama:
A potiknál az ellenállásos jelölés azt jelenti hogy 0 tól hány ohmig lehet változtatni az ellenállását.
A lényeg a feszültségosztáson van, amely egy 100 ohmos potival is megoldható lenne, de nem mindegy hány miliamper folyik át az osztón. Az előfok nem terhelhető le nagyon, de elég áramnak kell jutni a végfokra...
a 100 ohmos poti jobban leterhelné az előfokot mint egy fülhallgató, és valszín nem bírná sokáig az előfok sem így, ezért kell kiloohmokban gondolkodni, de gy bizonyos áramot viszont át kell vinni a végfokra. sztem 100k fölé nem érdemes menni. nálam pl egy tda2030-ashoz 100k van beállítva, és szépen ki todom halytani, de ugyanugy menne 10k ohmmal is ha valamit rosszul tudok/írtam, kérlek javítsatok ki
tehát a jel nagyságának megfelelően kell méretezni a potit?
Ne töröljétek a topikot! Ez egy olyan probléma, amire még nincs átfogó válasz, csak szétszórva topikokban...
A potit úgy kell megválasztani, hogy ne terheld túl az előfok kimenetét, és hogy elég áram (nem feszültség, mert azt a poti állása, és a jel nagysága határozza meg) jusson a végfokra. Nem a jel nagysága, hanem a terhelhetőség fogja megadni a poti méretét. Ez általánosítva esik 10-50 kohm közé, de még a 100 kohm is elmegy. (én még 100k-nál nagyobbat nem próbáltam)
Köszönöm a válaszokat!
A bemenetek előtt szoktam látni egy ellenállást,a potit az ellenállás és a bemenet közé teszitek?Gondolom a nyáklapon ezt a bekötési pontokat is ki kell alakítani.? onnan vezetékelve menjen a potihoz?
köszi a jótanácsot,én arra gondoltam,hogy nem egy erősítő lesz az első munkám hanem valami villogó vagy ilyenek.addig is gyüjtöm a tudást.most egy tda2009 es ic-t néztem ki.de lehet,hogy mire oda kerülök más lesz.A kislánynak szeretnék egy kis erősítőt a discman-hez aztán meg egyet a pchez is.
Ha a TDA2009-esből építessz, A jelzésűt vegyél(TDA2009A), mert ez kimeneti rövidzárvédett.
Sziasztok !
A kérdésem éléggé amatőr, de választ várnék rá. Van egy potméter amit változtatható ellenállásként kell a rajz szerint bekötni. Rajz A kérdésem, hogy az 1K potméter melyik lábát hova kössem.
Szia!
Az egyik szélső lábat összekötöd a középsővel, és a két lábat párhuzamosan kötöd a 4.7Kohm-mal. Az ellenállásokból egy feszültségosztót kapsz, amivel a fényerőt változtatod. Hogy melyik két lábat kötöd össze, az csak azt befolyásolja, hogy pl. jobbratekeréskor nőni vagy csökkeni fogy a fényerő.
Szia !
A potmétert úgy képzeld el, hogy a két szélső lába közt van egy állandó fix ellenállás, a középső lába pedig ennek az állandó ellenállásnak a "megcsapolása" . Üdv!
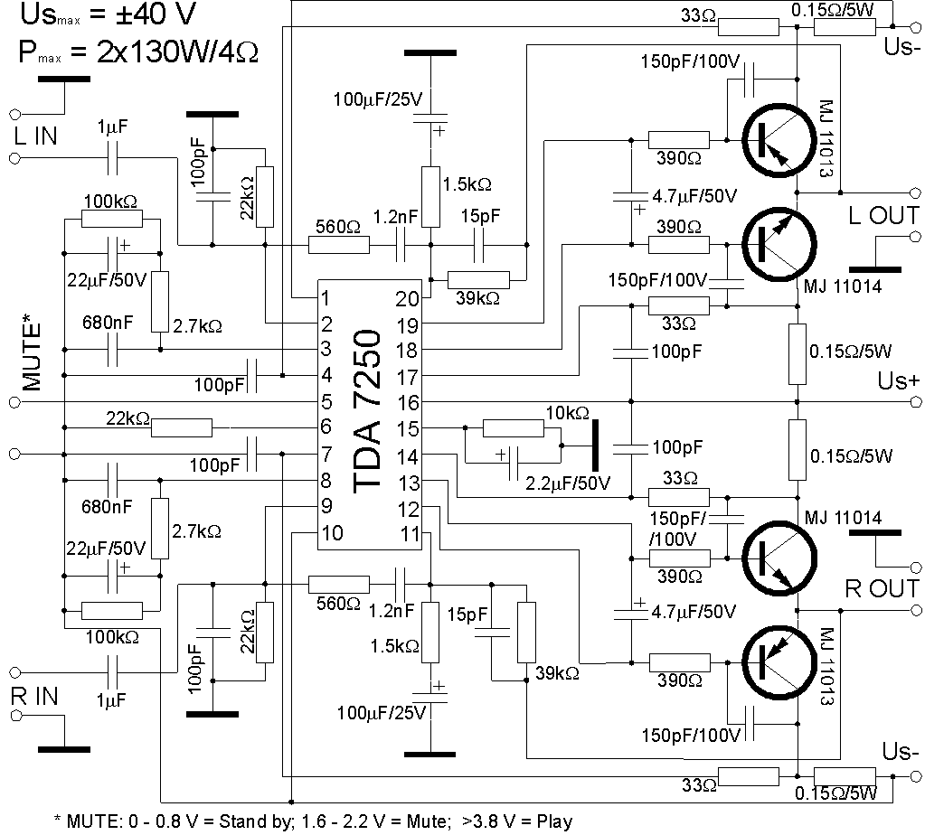
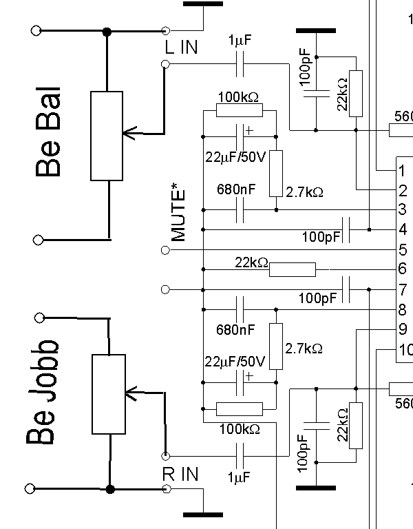
Hello! Ebbe az erősítőbe lehet-e vagy hogyan lehet potit és hova be tenni
Szerintem tedd simán a bemenetére.
Rajzoljak?
ha meg tennéd megköszönném lehet jobban vágnám a dolgot
ÉS mekkora potit tegyek oda h jó legyen
Szerintem 47kohm -os jó.
Ja, és szerintem sztereót.
Köszi szépen!
Sziasztok!
Valaki rakja rendbe a kis agyam, hogy a potiknál mit jelent az, hogy logaritmikus (már ha jól írom), meg hogy nem az... csak mert hangfrekfenciás jelek szabályzásánál látom az ilyen megjelöléseket... szóval mi a különbség a potik közt ilyen téren
A szabályzás. Konyhanyelven: a lináris hirtelen szabályoz, a logarimikus "finoman". Hangerőszabályzónak a logaritmikus ideális, mert alkalmazkodik a fülhöz.
Amúgy, nem akarok beleszólni meg semmi, de szvsz ezért nem kellett volna új topicot nyitni.. Arra ott van a kezdő kérdések topik, kiemelve..
a logaritmikus poti egységnyi szögelfordulásra nem lineárisan, hanem logaritmikusan növeli az ellenállását...
azért használják az audiós cuccoknál, mert az emberi fül érzékenysége a hangerőre is logaritmikusan változik. 10x akkora teljesítménnyel dübörgő dolgot érzel 2x hangosabbnak.
Köszi a választ!
Új topic? Hát lehet akkor nem értek valamit, nem szándékoztam újjat nyitni, ezért használtam a keresőt, és az "Amatőr kérdés potméterre" topic már régebb óta meg van.
Bocs, azt nem neked szántam, hanem a topic kreálójának, Pasonak.
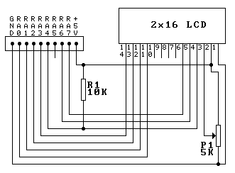
Sziasztok!
Valaki tudna abban segíteni, hogy a mellékelt rajzon milyen fix ellenállással cseréljem ki a potmétert, hogy nagyon kontrasztos legyen az LCD? Kicsi ellenállást tegyek , vagy éppen az 5kilósat? Hogyan módosul ahhoz rajz? Előre is nagyon köszi! googa
Bocsi, a kép lemaradt, de az előző kérdésem még érvényes!!!
Köszi!
szia.
szerintem egy 2kilos ellenállás jo lesz oda. lehet hülyeséget mondok akkor javitsatok ki,de ha nö a poti ellenállása akkor halványodik a kijelzö,ha csökken az ellenállás akkor kontrasztosabb lesz. ha nem akkor tévedtem |
Bejelentkezés
Hirdetés |












