Fórum témák
» Több friss téma |
Cseréltem a külső hangfal bemeneti aljzatot is.Más hangszóróról sem működik a belső helyett.
Kaptál linket kapcsolási rajzhoz.
Kikapcsolt helyzetben, rádió állásban mérj ellenállást az S5/2 és S5/8 pontokon a táp ngatívhoz képest és 5, ill. 1 ohmot kell kb. mérned, ha a belső hangszóró "alul" kapcsolódik a táp negatívhoz. Ha ez stimmel, akkor pedig a kimenő elkó negatívjához ugyanígy és ott is ugyanilyen ellenállásokat kell mérned. A hozzászólás módosítva: Jan 15, 2023
Huzd ki a külsö hangszorot. Vegyél egy darab drotot a belsö hangszoro azon végét S5/8), ami nem az aljzatra megy kösd össze a magno testével ( GND bármelyik fém rész). Ha most se szolal meg a hangszoro akkor kuka. Ha megszolal a 71 kontaktus rossz vagy nincs rajta test.
A hozzászólás módosítva: Jan 15, 2023
Sziasztok!
Segítségeteket szeretném kérni egy rádiómagnó javításához. Kaptam egy UNIVERSUM CTR 2771 rádiómagnót azzal a hibával hogy nem szól. Bekapcsolásnál nagyon halk búgás halható a hangszóróból, de egy funkciógombra se reagál és az indikátor LED-ek se működnek. Ha a hangerő szabályzót állítom akkor erős recsegés halható, ezt a rádió üzemmódba és a kazetta lejátszó módba is ezt produkálja. A tápegységet megnéztem és minden rendben találtam rajta, terhelés mentesen 16V-ot mérek rajta. 12V-on üzemel a rádió. Próbáltam labor tápegységről is (12V) és ott is ugyan ez a hibajelenség. A puffer kondenzátorok a megfelelő értéket mutatják így azzal se lehet baj. Gyanítom hogy a SANYO LA4505 6E3 erősítő IC-vel lehet baj. Szerintetek is az lehet? Ha nem akkor hol keressem a hibát? Sajnos erről a típusról sehol se találok kapcsolási rajzot, semmilyen dokumentumot. A segítségeket köszönöm! Idézet: „Gyanítom hogy a SANYO LA4505 6E3 erősítő IC-vel lehet baj.” Töltsd le az IC adatlapját, néhány méréssel meg tudod állapítani ha rossz.
Szerintem a hangerő potenciométer előtte van, és ha tekergetésre hangosan serceg, akkor erősít.
![]() Ha letöltöd az adatlapját, akkor meglátod hogy melyik (kettő) láb a bemenet, ott akár meg is küldeni kivülről ennek igazolására...
Rendben, hazaérek megnézem. De feltételezzük hogy jó az IC, akkor melyik részen keressem még a hibát? Mivel semmire de reagál megszakadhatott valahol a tápellátás? Tranzisztor hiba lehet?
Először zárd ki, hogy a végfok ic hibás, utána érdemes valamit is mondani, addig felesleges totózni.
Sziasztok!
Hétvégén sikerült megnéznem az universum CTR 2771 rádiómagnóban lévő végfok IC-t és erősít. Sikerült megszólaltatni a rádiót is, de ez úgy sikerült hogy a magnó szerkezetet lekötöttem így beindult. A magnó szerkezetben a gumi teljesen "szétfolyt" és valószínű ott egy végállás kapcsolóba be folyt és ott okozott problémát. Ezt a részét én is találgatom mert nem volt még időm szétszedni a szerkezetet és most a rádió egység a prior. Viszont nem működik továbbra sem helyesen, 12V-on tisztán szól (labor tápegységre kötve, de gyárilag is 12V van megadva a működtetésére) de halkan szól, azaz fel kell tolni max-ra a hangerőt hogy lehessen hallani. Viszont ha a rádió tápjára kötöm vissza akkor nagyon hangosan szól és rendkívül eltorzítja az adókat. Hiába veszem le a hangerőt akkor is torzít. A rádió tápja 15,9V ad le.
Sziasztok!
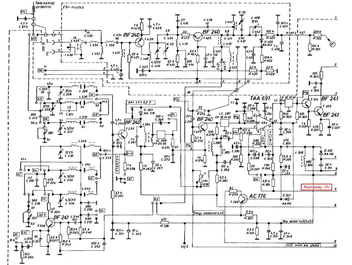
Van egy gyűjtői állapotú Videoton Star de Luxe (RM 4624/A verzió) rádiós magnóm - egész jól működik is (magnóját pár éve s.k. raktam rendbe). Az AM sávokat leszámítva: ott tök néma a rádió (nem "nem fog semmit", állomásközti zaj sincs). Nyilván amúgy is esetleges, hogy valaha használnám-e ezt a funkciót, de ha valami filléres alkatrész cseréjével javítható, akkor hobbiképp megcsinálnám. A rajza teljesen vállalható minőségű (ezt linkeltem a típusszámra), a rádió alapját adó TAA691 IC-ről viszont sehol se találtam adatlapot. A 2,1/7,3 V-ra jelölt lábnál 1,54 / 7,06 a mért érték (AM/FM állásban), az 5-ösnél pedig 4,5 / 0. T260 emitterén 5,1/4,17 V. (Utóbbi szerintem 45 éves készüléktől elég elfogadható pontosság.) De igazából adatlap nélkül ezekből csak annyit látok, hogy totális zárlatnak, hiányzó tápfesznek nincs jele - talán inkább annyit sem fogyaszt AM állásban a rádiórész, amennyit kellene neki -, de hogy az IC mi alapján kapcsol át, mit kéne várni a többi lábán.. Szkópom van - igaz régesrégi analóg, de ezekhez elégnek kell lennie -, csak RF technikában gyakorlatom kevesebb. Valaki ebben jártasabb tud esetleg pár tippet adni, miket ellenőrizzek, amik kifejezetten az AM vételkor vannak üzemben? A hozzászólás módosítva: Jún 7, 2024
Időközben egy ilyen zanzásított adatlapot találtam az IC-ről. Akkor ezek szerint az AM vételhez köze nincs az egésznek..?
Szia!
AM rész hibát általában a KF (kék) kerámia szűrő és a panelbe függőlegesen beforrasztott nyáklemezre gőzölt ellenállások szakadása szokott okozni. Ezek kiválthatóak normál ellenállásokkal.
Ezt ellenőrizd, szakadt lesz közöttük...
Köszönöm, jó volt a tipp. Kiforrasztottam azt a pici paneldarabot, az összes szénréteg ellenállás(nak tűnő képződmény) szakadt rajta..
![]() Azért valahol érthetetlen számomra, hogy ha a másik 30 db ellenállást tudták hagyományos lábas alkatrészként rátervezni, akkor ezt a hármat - mind teljesen szabványos érték - miért érte meg teljesen más technológiával "modularizálni"..
Nem tipp volt, biztos voltam benne más hibája nem lehet, mint amit említettem, ha nem csinált valaki műhibát javítgatása során. Ezt a hibát nem is olyan egyszerű megtalálni egyébként.
Modernizálni akartak, nem jött be, autórádiójukban több is volt. Még helyet sem spóroltak vele, állított ellenállások sem foglalnak nagyobb helyet.
Sikerült kiváltani mindegyiket itthoni bontott darabokkal (nem a 10 Ft/db a gond az újjal, hanem hogy hétvégén nem elérhető..
). Közben találtam még egy hibát, a tápelkó tartalma elkezdett kiszökni a tokból. ![]() Mindenesetre most szól minden sávon. Persze nem sok általam rendszeresen hallgatott KH állomás van, de ha már ilyen szépen megmaradt minden külső része (ha ismered, akkor valószínű tudod azt is, hogy a piros feliratok a legritkább esetben maradnak épek), akkor működjön is úgy, ahogy ehhez illik. ![]() Egyébként hasonló technológiát az Aiwa F220-as deckben is láttam. Csak ott még mindig úgy működik, mint új korában. Igaz, azért ettől jó 5 évvel fiatalabb, még "van ideje bedögleni" A hozzászólás módosítva: Jún 8, 2024
Valóban jó állapotban van, manapság ritka az ilyen és úgy egész ha minden működik rajta.
Magnó mechanikája még gyenge pont, lejátszó orsót hajtó kuplung. Régebbi változatokban még japán motor volt ami hosszútávon is megbízható.. Ha megnézed a rajzot, valójában azok az ellenállásoknál nem lényeg a pontos érték, akár 20% eltérés sem fog problémát okozni. Idézet: „Egyébként hasonló technológiát az Aiwa F220-as deckben is láttam. Csak ott még mindig úgy működik, mint új korában. Igaz, azért ettől jó 5 évvel fiatalabb, még "van ideje bedögleni" ” Sok japán panelen megtalálható "rágőzölt" ellenállás. Tapasztalataim szerint ezek csak akkor mentek tönkre, ha elemből kifolyó, vagy más egyéb savas anyag megtámadta. Ránézésre is jobb minőségű megoldás volt.
A mechanikát ismerem jól, majd' 15 éven át nem is volt más hazai gyártású magnóban
(Leszámítva az Orion decket a japán fődarabokkal.)A motor ebben is japán - csak nem gyárilag. Más pótdarab híján egy 12V-os deck motort raktam bele, amikor kb. 5 éve javítottam. Burkolaton belül átfordított polaritással, hogy jó irányba hajtson. A rend kedvéért kipróbáltam, amikor elemről csak 9V-ot kapna, még akkor sem esik a fordulata, a belső szabályzóban van tartalék bőven. A sokak által szidott MK25A-ban viszont megmaradt a gyári Matsushita motor, és az valóban még ma is teszi a dolgát.
Sziasztok!
Megint én, megint Star de Luxe magnóval. Csak ez egy második példány, ami azóta nálam kötött ki.. ![]() Ennek is megvan az AM-es típushibája amúgy, de azt most már megoldom, csak majd jussak el alkatrészért. Ami viszont egy másik hibajelenség, hogy ennek a magnórésze nagyon halk. Ha a rádióval 3-4 állás között van a közepes szobahangerő, akkor kazettáról valahol 7-es környékén. A másik gépen a két rész kb. azonos hangerőt produkál (értelmesen felvett szalagról). Végigmértem a magnópanelt tranzisztoronként, és az utolsó fokozatban van a jelentős eltérés - a régebb óta nálam levő, jónak elfogadott példányon a T913 kollektorán 520 mV-ot produkál a 300Hz-es mérőszalag lejátszása, míg a másodjára érkezett gépben csak 120-at. A bázisokon mindkettő esetében 40 mV körüli érték mérhető (még inkább a hibás példányon több egy picit). Munkapontban is van különbség, de nem 4x-es eltérés: a jól működő darabon C-B-E sorrendben 4,8-1,52-0,88 V, a másikon 4-1,68-1,04V. Van esetleg konkrét tapasztalatból származó gyanúsítottatok e viselkedésre, mielőtt nekiállok egyenként kiforrasztani és mérni/cserélni a környező dolgokat? A kapcs. rajz részleten jelöltem kékkel a szóban forgó fokozatot, ill. pirossal egy olyan helyet, ahol gyanús, hogy hibás a rajz. Szerintem a kapcsoló egyik, feltehetőleg középső lába össze kéne kötve legyen a diódával, másképp az egész visszacsatoló hálózat csak lóg a levegőben.. ui.: A mechanikai hibát, rossz pozícióban levő fejet kizárnám, mert a hangszínnel nincs nagy gond és a felvétele kb. ugyanúgy szól egy sztereo deckben visszahallgatva mindkettőnek, viszont ugyanúgy halkabb is a másodpéldányé.. A hozzászólás módosítva: Júl 21, 2024
Nézd meg azt a két elkót a visszacsatoló körben, ha azok megfonnyadtak, az simán csinálhat ilyet. Bőven elég, ha mellé pöttyintesz próbára valami hasonló, vagy nagyobb kapacitásút...
Üdv!
Ezúton is köszönöm utólag a tippet - eleve nem ignorálni akartam, csak a kiírás óta esélyem nem volt odajutni a műhelyasztalhoz -, gyorsan meglett ez alapján a bűnös. Ez a kondi - képen jelölve - nem is annyira elöregedett (bár valószínű az is), mint eltörött. A lábat odanyomkodva a fémházhoz megjön a hangerő és a mélyebb hangok is felerősödnek. Egész jól szól így már, van benne erő. Videoton Europa Star - oszcillátor beállításSziasztok!Cím szerinti magnó (VT Europa Star RM4630) törlőoszcillátorában van egy, a kapcsolási rajzon nem részletezett tekercs. Van nálam két példány, az egyikből hiányzik. Kivettem a másikból lemérésre: eredmények a képeken. (DCR: 19,5 ohm, L: 0,9 mH). A harmadik láb csak mechanikus rögzítés, nincs rá megcsapolás kivezetve. Össze lehet ezt rakni sorozatgyártott alkatrészekből egy soros R-L elemként, vagy mindenképp kéne még egy eredetit keresnem, mert be kell majd hangolni a vasmaggal a cserét követően? Ha valakinek van régről szerviztapasztalata vele, előre is köszönöm, ha tudja véleményezni ezt a helyettesítést. A hozzászólás módosítva: Szept 25, 2025
Szia!
Itt a hangolható 0.9 mH az érdekes - a 19.5 ohm csak a sok vékony menet ( huzal ) "következménye".. A hozzászólás módosítva: Szept 25, 2025
Szerzel egy hasonló méretű csévetestet, amibe bele tudsz tekerni egy passzoló ferritmagot és megtekered sacc 500 menet 0.1 mm-es huzallal. Aztán hangolás, mérés.
Több évig javítottam megbízásra gyűjtőknek ilyesmiket (bár ez ritka hiányosság, a mechanikákkal több foglalkoznivaló szokott lenni). Az ilyesmi beszerzését, pótlását akkor sem vállaltam: vagy gyári alkatrésszel gyári állapot, vagy nem éri meg annyit foglalkozni vele. Ha ezeknek az alkatrészeknek mind utána kéne mennem, és még fel is tekergetnem kézzel, bőven többet érő időm megy el rá, mint amennyiért valahol felhajtok egy bontott panelt.
Viszont ezek szerint lényeges a pontos behangolhatóság, tehát a fix tekercs nem jó megoldás. A hozzászólás módosítva: Szept 25, 2025
|
Bejelentkezés
Hirdetés |















). Közben találtam még egy hibát, a tápelkó tartalma elkezdett kiszökni a tokból. 









