Fórum témák
» Több friss téma |
Udv. mindenkinek!
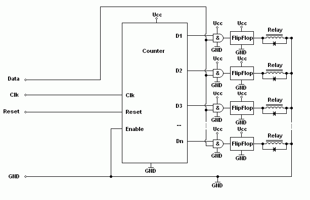
Lakas automatizalassal kapcsolatosan gondoltam az alabbi megoldasra, melyet egyenlore pc majd pic-el valo vezerlesre szeretnem fejleszteni.Mukodesi elve egyszeru a clock-al vezerelve minden kimenet allapotat sorban valtoztathatom illetve hagyhatom az eredeti allapotaban attol fuggoen hogy a data logikai szintje hogy valtozik.A rajz egyenlore kezdetleges ezert kernem segitsegeteket az optimalizalasaban, illetve minel ar-egyszeruseg-barat alkatreszek kivalasztasaban.
A kérdésed elég általános, elég általános választ adok, kettőt is:
Bővebben: Link és Bővebben: Link Elbinytalanodtam, hogy valójában mit szeretnél...
Ennyi IC helyett inkább olyasmit keresnék, mint mondjuk a 74HC595, egy latch-elt soros be / soros és párhuzamos kimenetű léptetőegiszter. Minden állapotváltás előtt kell neki egy reset (hogy a belső regiszterei biztosan 0-ban legyenek), majd órajellel (SHcp) és adatvonallal feltöltöd a belső regisztereket, amik azonban csak akkor jutnak a kimeneti tárolókba, ha az STcp bemenetre is adsz egy felfutó jelet (ez a latch-elés). Két latch között a kimenetek megtartják az előző állapotot, függetlenül attól, hogy reset van-e, vagy léptettél az SHcp bemenet útján. Egy ilyen léptetőregiszter után kellene még egy meghajtó (tranzisztoros, vagy valami ULN), aminek elég teljesítménye van a relékhez, és kész. Ráadásul sorba is fűzhetők a regiszterek, így ha nem 8, hanem mondjuk 32 relét vezérelnél, akkor négyet összekötsz (az első regiszter Q7' kimenete a második Ds bemenetére, stb.), sorban kiküldöd a megfelelő 32 bitet, majd egyetlen közös STcp órajellel ki / bekapcsolod a Q0 ... Q7 kimeneteket (ez a kaszkádosítás).
Csak egyszerűbb lenne így, mint számlálóval, kapukkal, meg még flip-flopokkal telerakni a fél asztalt
Szia.
Én CPLD-t javaslok. A 74xxx-eket szerintem el kell felejteni (kivétel a busdrivereket). 236 HUF+áfa a legolcsóbb CPLD, abba bőven belefér. Ha valami nem jó, vagy eszedbe jut valami új, pillanatok alatt átkonfigurálható. Imi.
Sikerult a shift regiszteres megoldas, jool mukszik,teszteltem(szimulatioban).40 fogyasztot kapcsol,egyenlore pcrol, mar egy C-ben irt vezerloprogit kitalaltam hozza, ezt fogom majd egy atmegara cserelni.koszonom a segitseget, hatha valakinek meg segit ez a topik.
8-Csatornás PC-Vezérelt jelfogó Kártyát szeretnék építeni csak azt szeretném megtudni hogy biztos müködik e valaki le tudná elenőrízni nekem feltöltöm a linket : link
Köszönöm a segítséget
Legközelebb:
- nézz szét a fórumban, hátha van már hasonló téma; - linket az URL gomb használatával szúrj be; - ne írd egybe az egész hozzászólást, azt hittem, megint a Csendes Don-t kezdtem el. Köszönöm.
oks Ere én nem is gondoltam de azért meg tudja valaki nézni hogy jó e + meg ha valaki tudna egy nyáktervet készíteni hozzá azt megköszöném mert én nem nagyon vágom ezeket a nyáktervező progikat ( eagle stb ...) leirást se nagyon találtam roluk köszi
Hasonló relékártyát szeretnék én is építeni.
Az egész úgy nézne ki, hogy mondjuk egy 4 csatornás relémodult amihez 5V kell hogy kapcsolgatni tudjam irányítom egy 3,3V-os vezérléssel. Konkrétan a Raspberry PI-hez kötném. Viszont a Raspberry ha jól tudom nem tud annyi áramot biztosítani hogy mondjuk mind a 4 relé egyszerre aktív legyen, ezért külső áramforrásból kéne előállítani a tápot, majd a Rapsberry 4 kivezetésével(a 4 relé) kapcsolgatnám a relét. Találtam neten ilyen relékártyát, de 4000 forint és én házilag szeretném megoldani. Hogyan tudnám ezt megoldani? A hozzászólás módosítva: Máj 13, 2013
|
Bejelentkezés
Hirdetés |











