Fórum témák
» Több friss téma |
Hello :wave:
Már majdnem kész a TDA 18V-os sztereo erősítőm, de nem találtam hozzá olyan tápot, ami lead 2000mA-t. Minden boltban néztem, de sehol sem találtam ilyet. A legnagyobb, amit találtam 500mA-t ad le , de olyan nekem is van. Gondoltam építek egyet házilag, de a Kapcsolások -> Tápellátás menü alatt semm találtam ilyet. Tudna valaki adni egy linket (ahol találok kapcsolási rajzot), de a legjobb lenne, ha tudnátok olyan helyet, ahol lehet kapni, vagy meg lehet rendelni. Amúgy raktam fel róla képet, de mondom, még csak félkész állapotban van. A panelt kézzel rajzoltam ki (alkoholaos filc), nem tom, szerintem jó lett, de szívesen fogadok kritikákat. Hangfalat is építek hozzá, azt is felraktam. (Minden hangsugárzó zsír új)
Egyszerű kis tápot lehet építeni stabkockával.
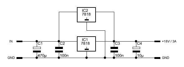
A 7818 max. 1,5A-t tud, de kettőt párhuzamosan kapcsolva kb. 3A-ig jó!
Igazság szerint nem kell stabi a végfok vidáman elmegy pufferról. nézzél valami 16, -18 volt körüli trafót tegyél rá graetz-et puffert azt annyi. Stab akkor kell ha az előfoknak is kell táplálás akkor viszont egy bőven elég.
Sziasztok.
Bemész maszek elektromos boltba, ahol árulnak bontott cuccokat, ott tuti találsz olyan trafót, ami jó. Olyat keress, ami primer 12-13VAC körüli, egyenirányítás és pufferelés után ezekből lesz 16-18 VDC :yes: . Erősebb trafót stabkockával nem :no: ajánlanék, mert csak úgy nem illik párhuzamosan kötni két 7812-est, mert ugye tuti nem egyformák, ergo máshogy fognak terhelődni, mindenféle kicit-kacat zavarokat okozva. TaTa
Ha jol látom a csatoló kondis változatot csinálod ha igen akkor meg nyugodtan adhatsz neki +30V-ot nagyobat szol és jobban ki tudod vezérelni.Nem feltétlenül muszáj stabilizált tápot csinálni neki.Csinálj hozzá egy egyszerű pufferes tápot.Szerintem 2DB 4700µF-os kondi elég neki de ez alá ne menj, aznem baj ha nagyobat raksz bele.Ha +30V-ot adsz neki akkor 24V AC akkor toroidból adhatsz neki egy 100VA-est.Ez bőven el fogja látni energiával a sztereo végfokodat és még tartalékod is marad ami nem baj.Ha készen akarsz trafot venni és toroidot akkor a www.giantsound.hu nál tekercseltethetsz.De lehet kapni nyáktrafokat egészen 50VA-ig (jobb helyeken) ebből veszel ketőt és megvan a trafod a sztereoerősítőhőz.De lehet hogy a két 50VA-es nyáktrafó többe kerülne mint a toroid.
Nem akartam új topicot nyitni. A TDA2010 hol lehet kapni vagy mivel lehet pótolni? Elméletben ilyen ic kell egy erősítőbe csak nem tda van ráírva hanem mda gondolom ez ugyan olyan mint a tda ha tévedek akko szóljatok.
Hali!
Ha jól tudom az mda régi, még a falbontás előtti német tipus. Egyébként igen igen, olyan mint a tda. Pl régi RFT lemezjátszós erősítőmben volt MDA 2030, mikor kiment TDA 2030 ment helyébe.
Üdv lenne egy kérdésem tda7294 erősítőhöz szeretnék egyenirányított gyártani http://www.hobbielektronika.hu/forum/files/8f/t_8f4632464d21fa30256...3e.jpg
48 voltos tápfeszültséget szeretnék kiszedni 200w teljesítmény mellet mekkora trafó kellene hozzá kösz előre is
Köszönöm szépen ! Én meg kicsit szerkesztettem a vonalvastagságokon, stb, hogy megfelelő legyen ! Remélem már nincs benne hiba, de reloop-ot még megvárjuk, nehogy ő is találjon valamit !
![]() Üdv, és köszi még egyszer ! |
Bejelentkezés
Hirdetés |




, de olyan nekem is van. 









