Fórum témák
» Több friss téma |
Sziasztok.
Van egy "dilis" kutyám (de imádom) aki nem hajlandó inni csak a kerti csapról. Odaáll és addig nem mozdul amíg ki nem nyitom neki a csapot. Ez hosszú távon elég unalmas és fárasztó ,úgyh meg szeretném neki csinálni szenzorosra.Ha odaáll akkor elkezd folyni,ha elmegy onnan akkor elzárja.Elemesre gondoltam,meg egy mágnesszelepre,de a szenzorral vannak gondjaim. Kicsi is legyen és még működjön is.Van mozgásérzékelős reflektorom, abból megoldható?? De az 230V-os és nem hiszem,h tudnám hol és hogyan kell leválasztani azt a részt róla ami már kisfeszültségű. Előre is köszi a segítségeket. Szóljatok,ha egyszerűbb megtanítani neki,h kinyissa és elzárja a csapot. Ja és megjegyzem 10 méterre a csaptól van egy 40köbméteres kertitavam,de neki akkor is a csap kell. De hát ő egy dobermann......
Megcsinálod ezt, ha bedugja a fejét az infra led meg fototranyó közé, akkor megnyit. Ha ez bonyolult, vaterán, riasztósboltban találsz kész infrakaput is. Fotocellára, infrasorompóra kereshetsz még. De a kutya okos állat, ha simán felraksz egy nagy piros gombot, meg tudja tanulni, hogy nyomja meg, ha szomjas.
Hu,nekem ez bonyolult. Piros gomb?? 5 perc alatt ugy lerágná és elásná,hogy soha nem találnám meg. Ha valakinek van egy használaton kívüli,ami elemes és képes behúzatni egy mágnesszelepet pár másodpercig,akkor azt megvenném.
A működés könnyű.Ha valami mellette elmegy akkor beindul egy motor a motor egy érzékenyebb csapot csavarna.Vagyis a víz folni kezdene.Még hozzá lenne kapcsova egy időzítő a csaphoz.Azt beállítanád annyi időre amíg gondolod,hogy a kutya befejezteaz ivást.Elmegy a kutya,leáll a senzor és addig pl eltelik 30 másodperc akkor az időzítő a másik oldalon lévő motort bekapcsolja és a víz leáll.Vagyis a csapot behúzza.
Ha akarod úgy is megcsinálhatod ,hogy ne keljen forgatni,hogy egy mágnes lenne a csak lyukában és a motor azt elhúzná.Mikor elmegy a motor leáll és a mágnes a helyére pattan.
Köszi,de az a baj,h a már meglévő cspot nem akarom bántani,arra szükségem van,hanem mellé elágaztatni egyet és én a mágnesszelepet látom a legjobb megoldásnak,pontosabban azt könnyen be tudom szerezni.Leginkább a szenzoros része érdekelne,vagy,h a már említett mozgásérzékelőből megvalósítható-e.
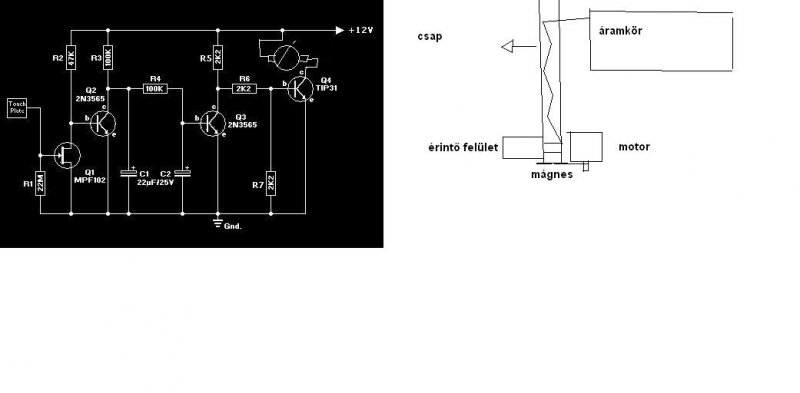
Hát akkor van egy másik dolog ami hez nem kell a csapot megváltoztatni.Érintés érzékelő.A kutya ahogy oda megy inni jön a víz .Vagyis ezis mágneses.A motor kihúzza a mágnest aztán ha a kutya már nincs ott akkor visszapattan.Lerajzoltam az áramkört és ahogy lenne rászerelve csapra.Én segíteni próbálok.Ha nem jó még gondolkozok.De azért nézd meg ezt is.
Üdv!
Én a Cavalier kolléga kapcsolását megnéztem az teljesen jónak tűnik. Ezzel építeném meg egy kicsi dobozba. Vannak igen jó viszont "drága" mágnesszelepek. Ezeket össze legózva a kutyád itatása meg is van olda. Persze ha kell valami segítség kérdezz nyugodtan.
Akkor mindenképpen valami kész megoldást használj, itt nem utolsó szempont a megbízgatóság, nem olcsó a víz, ha hiba miatt egy napig folyik. A gomb kivitelezhető vandálbiztosan is.
Esetleg valami szifonos szintentartós edény nem játszik? Vagy lehet kapni lovaknak önitatót, az is úgy megy, hogy az orrát beledugja, megnyomja, és akkor folyik. Ez olyan 6-10e körül van, bár elektronika nincs benne. Itt kaphatsz kész infrasorompót. Egyszerűbbet nem érdemes használni, ami nem szaggatott jellel megy, azt beindíthatja bármilyen lámpa, vagy a napsütés is..
Vannak különbözö nyomókapcsolók tehenek/sertések itatásához,amit az orrával megnyom és csak adott ideig folyik a víz.(vagy pl mosdókhoz is árulnak ilyeneket ). Esetleg mechanikus lábpedál is lehetne.
Ha elektromos kell, esetleg egy lábpedál, vagy az említett piros gomb besüllyesztve ,hogy csak az orrával tudja benyomni. Ha elemest akarsz ,akkor a kerti szolárlámpák napeleme meg egy akkut javasolnám tápellátásnak.(talán nem felejtenél el benne elemet cserélni.) A csapra szerelt villanypásztor esetleg átszoktatná a tavi ivásra. (bár lehet téged is) Ha meg gazdi "hiánya" van,úgyis kitalál valami mást.
Nem lenne célszerűbb az ilyesmit simán mechanikusan megoldani?
Egy rugó a csap karját zárt állapotban tartja, a kutya pedig ha inni akar, úgyis közel meg a csaphoz. Rááll egy lapra, ami megnyitja a csapot. Egy dobermann bármilyen rugó ellenében hatásos lesz... Próbáltam lerajzolni, mire gondolok. (bowden húzza a csapot, így akárhová lehet rakni a ráállós részt -piros pöttyök a forgáspontok) Nem túl elektromos megoldás, de szerintem jobban ellenáll a szakadó esőnek és a vicces kedvű kutyának (ha fémből készül)
Ez nagyon jóóó
Na ilyenre nem gondoltam ,megmondom őszintén.De lehet,h ez lenne a legésszerűbb,mielőtt lerágja és elszalad szenzorostól mágnesszelepestől. Az önitatós rendszerek azért nem jók,mert konkrétan nem szeret és nem is tud tálból,meg a tóból inni,(rendesen fullákol a tálba,mert beledugja az egész orrát,nem pedig a nyelvével iszik)csak úgy szereti,hogy ki van tekeredve a nyaka és a függőleges vízsugarat habzsolja.De szerintem csak engem szívat.
Inrasorompós megoldás a legpraktikusabb,időzítve mágnesszeleppel.
Kutyus odamegy a csaphoz, sugár megszakít, viz időzítve folyik, kutyus iszik majd elmegy. Ha véletlenül ott van kedve leheveredni a víz akkor sem folyik tovább a beállított időnél.
Helló.Volt egy jó nagy hibám az infra érzékelőnél.Este volt nem figyeltem.Na de most vettem észre,hogy a vevő az rosz.A Darlington rosz volt.Meg a minuszta a pluszra tettem stb.Na ez nagy hibva volt.De mivel észrevettem kijavítom magam.Ez a hiba a #458693 hozzászólásnál van.De most itt van a vvő kijavítva.
Már épp akartam szólni....
![]() Csak vicceltem,ebből csak a tápot meg a vezetéket ismertem fel.
Szia
Nem kell szétválasztanod a lámpát. Szereld egy 1,5m magas póznára a csap mellet, igy legalább be tudod ugy álítani hogy tényleg csak a kutyára reagál és a kutya nem fér hozzá. Ízó ki, helyére egy 230v-os relé, ez kapcsolja a 12v-ot a mágnesszelepnek ami a csapra van szerelve, és kész is a kutyaitató. HA kell lerajzolom. A lámpán kivül kell egy relé, 12v-táp, pár méter kábel és a mágnesszelep. Ja az én kutyáim legalább ennyire hülyék.
Na ez jó,de attól félek,h odajárna zuhanyozni
![]() Amúgy tényleg ez a legegyszerűbb. Lehet ,hogy kellene egy kinti rezsó is,mert rákapott a halakra is.Gondolom jobban szeretné sülve....
igazából végigolvasva az eszembe jutott egy ötlet. én csak a lap os megoldást fejleszteném tovább kicsikét..
mivel ez egy elektronikai oldal, elektronika mindenképp kell bele... lenne egy kicsi vaslap, amin egy zsanérpár csücsülne, és az alja, meg a földbe rögzítve. a lap alá esetleg egy kis rugó, ami feltolja, és a lapra egy zsinór kötve, ami egy húzó kapcsolót (mikrokapcsolót) húzna meg. ez egy kisebb 5V os relét meghúzhatna egy szolár telepből, ami meg egy mágnesszelepet nyit ki. (először a lap alá berakott kapcsolóra gondoltam, de eszembejutott, hogy ha rájön a kutya a működésre, könnyen el tudom képzelni, hogy befekszik alá, vagy épp a vízesés alatt támad kedve szunyókálni, de utóbbi megoldásom egy 555 ös kikpacsolás késleltetővel tökéletesen belőhető 20mp re.) lerajzolom mit is gondoltam el, szerintem teljesen megvalósítható, és biztonságos a vízfogyasztás szempontjából is.mindenesetre, ha komolyabban érdekel az én ötletem, megoldásom, akkor mehetek még a részletekbe is kicsit neked.. ![]() remélem tudtam segíteni, üdv: lewi |
Bejelentkezés
Hirdetés |









csak vicc volt 
