Fórum témák
» Több friss téma |
Sziasztok!
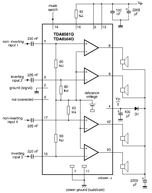
A problémám az hogy van ez a TDA 8561q tipusú IC ennek az adatlapján vannak kapcsolások, amiket meg szeretnék valósítani, csak elakadás van.A mellékelt pdf 11.oldalán a 4-es (supply voltage ripple rejection) lábkivezetés, és a 14-es hová megy mit kell rá kötni A 14-es lábhoz a 14-ik oldalon van egy kis kapcsolás, ez ha jol tudom mute on ill. of , de nincs tranyo adat Help-et kérek elöre is köszi Üdvözlettel Lalle
Szia!
Idézet: „pdf 11.oldalán a 4-es (supply voltage ripple rejection) lábkivezetés, és a 14-es hová megy mit kell rá kötni” 4es lábra nem kell semmi. 14-es láb: mód választó, feszültség függvényében: - 8.5V - tápfesz között bekapcsol - 3.3V - 6.4V között némít - 0 - 2V között készenléti állapot A 14es oldalon lévő kapcsolás "remote" kapcsolásként is lehet használni autóban fejegységhez például. Most azt építed meg ami a 14es oldalon van (tranyó pl: bc547) Vagy pedig a 14es lábat felhúzod tápfeszre 10kohmmal és raksz egy 47µF-s kondit a 14es láb és a föld közé, ez a koppanásgátlás miatt célszerű berakni. Üdv ![]()
Sziasztok! Az lenne a kérdésem hogy ezt az IC-tlehet-e pc tápról naphosszat használni(350w atx táp). Válaszokat előre is kösz.
4*24w 2 is van az IC-ből
sziasztok erősitőt szeretnék épiteni tda 8561q icből
tudna nekem valaki kapcsolási rajzot küldeni? segitségeteket erőre is megköszönöm ÜDV janos
Szia!
Ez tudom most adni ha kapok mast akkor ide berakom. Udv!
sziasztok medégpittem a kapcsolást , de nekem nem müködik.. csak búg a hangszoró , zárlat nincs mindent ugy csináltam ahogy irva volt mit rontottam el? vagy mi lehet a baj?
köszönöm moderátor erre voltam kiváncsi! ha a nickemet akarod fikázni , azért lett , mert semmit nem fogadott el....
ezt elfogadta , a helyesirásomnak szerintem nincs köze ehhez.. sszerintem nem azért vagyunk itt hogy itt papolj a helyesirásrol.... de tudod nem érdekelsz... törölj az oldalról légyszives.... minél hamarabb |
Bejelentkezés
Hirdetés |










