Fórum témák
» Több friss téma |
Köszi mindenkinek a választ! Magammal fogom vinni a boltba a rosszat, és úgy veszek újat. Az aktív érdekelne, mert valami miatt amikor működött is iszonyú halk és zajos volt...
Urmet gyártmányú a kültéri készülék, de nincs hozzáférésem a társasházban, így többet nem tudok.
Annyit sikerült kiderítenem, hogy többnyire a gyártók a csöngetést és a beszélgetést ellenkező polaritásra teszik, de van néhány cég, amely mindkettőt pozitív feszültségen viszi. A CODEfon ellenkező polaritású, de az Urmetről eddig nem sikerült kiderítenem, hogy milyen. Azt is javasolták, hogy a megfelelő diódát fordítsam meg a CODEfon-ban, de ezt max. végső ötletnek tartanám... ( Pl. ha kiderül, hogy tényleg nem kompatibilisek és nincs értelmes kompatibilis, amire cserélném. Vagy ha nem is hajlandóak cserélni... ) Urmet-ről tapasztalat?
Szia! Sajnos urmettel a tapasztalatom csak az, hogy sokat lecseréltem más típusra, nem mélyedtem bele. (Mármint nem egy egy készüléket, hanem teljes rendszert.) De valami olyasmi rémlik, hogy annál keverve van a diódás és a sima rendszer kapcsolása. Szóval igaz lehet, hogy a csengetős diódát meg kell forrasztani, és esetleg sorba vele egy kondi. De ha a codefonnál érdeklődsz, (nem viszonteladónál), szívesen segítenek. Én sajnos ennyit tudtam.
Köszönöm. Próbálok még utánajárni, de lehet, hogy a végén forrasztgatok
Sziasztok,
A házban használatos CODEfon (digitális) kaputelefon van amit most cseréltek, mert a régit (ugyan ilyen volt) valaki magasan iskolázott lakó ököllel próbálta a gombokat nyomni... A réginél minden rendben volt kint is és bent is jó volt a hangerő, de az újnál bent elég halk. Azt olvastam, hogy a panelon van 3 trimmer poti (mikrofon, hang és balansz) azzal lehet állítani a hangerőt, na de melyik melyik??? Tud valaki segíteni? Előre is köszi. Üdv, M
Csak tanulságként írom, hogy kiderült, az eladó cég nem ismeri a különbséget az Mkt és a diódás között. Én szétszedtem, volt benne 4 dióda, ezért elfogadtam, hogy az a diódás. Azután kiderült, hogy MKT készülékem volt. Cseréltem valódi diódásra és működik rendben.
Szóval, ha MKT-s készüléket köt az ember diódás helyére, akkor minden rendben működik, csak a csöngés akkor hangos, amikor halknak kellene lennie és fordítva...
Szia!
Na ez azon dolgok egyike amit nem bírtam megjegyezni soha, pedig jó pár darabot beüzemeltem .De nem követsz el hibát ha megpróbálod, fogod hallani, először beállítod a lejövő hangerőt, aztán a felmenőt, a maradék potival (talán az van külön?) pedig megkeresed azt a pontot ahol nem gerjed, mondjuk nem egy gerjedékeny típus.
Ha addig nem segít senki, akkor holnap megnézem.
András
Sziasztok,
a társasházamban Fermax kaputelefon van, és mellette egy számbillentyűzet. Át kellene alakítani más számra, mert a lakók szerint ezt már túl sokan ismerik. Tud erről valaki valamit? Üdv. Péter
Szia! Elég sokféle kódzár van. Esetleg ha egy típust is írsz, vagy egy képet mellékelsz nagyobb esély lenne a segítségre.
Sziasztok!
CODEfon kaputelefonom van. Leszereltem, mert felújítom az előszobát, majd visszaszereltem (mind a három vezetéket ugyanoda). Most a lenti kaputelefon és a kapunyitó nem működik (ha a lenti csengetéskor felveszem akkor a kagylóban nagyon-nagyon halkan cseng). Az ajtócsengő az tökéletesen működik. Először azt hittem elfúrtam a vezetéket, de csak a szigetelése sérült, nincs elszakadva. Mi lehet a probléma? Üdv. Kzotya
Szia! Valószínűleg el van mégiscsak cserélve két vezeték, látatlanban nehéz megmondani melyik kettő, próbálgasd. Az L-A vagy K-A vezetékcsere esélyes.
Próbálgattam, sajnos így sem megy. Lenn a kapunál zenél rendesen, fenn pedig nagyon halkan a kagylóban hallatszik a zene, ajtónyitó nem működik!
Konkrétan melyik codefon? Ha tudsz egy képet a lakáskészülék paneljéről, azt dobd fel légyszi.
Ha ebben az MKT kompatibilis cuccban nem találtál olyan vezeték variációt ami jól működik, akkor sajnos rossz a kütyüd. Pontosabban ennek a halkság nem hibája hanem tulajdonsága. Egy Aquincummal jobban jársz, vagy Fermax, és Tesla is van ami jó ehhez a rendszerhez, csak azok drágábbak és más a külsejük.
Azért még egyszer nézd át, mert a kaput így is nyitnia kell. (van benne egy kis átkötés a k kapocs fölött, azt ugye jól látom, hogy nincs elvágva? Ne is legyen, ha a z-nek nincs vezetéke.) Valahogy így kezdj neki: Letett kagyló mellett(benyomod a bontóvillát) megkeresed azt a két vezetéket amivel az a-k közt szól a csengő, a maradék megy az l-be. Kipróbálod, ha nem nyit, megcseréled a k-a vezetékeket, akkor van jól bekötve ha nyit. Ha sehogy nem nyit, azt okozhatja egy laza kötés is (ettől is behalkulhat), végig kell nézni a teljes nyomvonalat, legjobb a forrasztás, de a erős összesodrás, és rá egy sorkapocs a minimum.
Sziasztok!
Somogyi Elektronik DPV 02 kaputelefonom van, szeretnék két beltéri egységet használni (most egy van, de jó messze van a ház másik vége), viszont nem nagyon találok még leírást sem ehhez a ketyeréhez a neten. Bárki tud vmi okosat mondani ezzel kapcsolatban? Kösz előre is.
Sziasztok!
"Új" lakásunkban szeretnénk beüzemelni a meglevő AKT-4c AUDION Kft álltal gyártott kaputelefont, vagy lecserélni a meglevőt. 2 gondom van vele: 1. nem nyit ajtót, csak beszélgetni lehet vele 2. szerintem fizikailag képtelenség jelenleg úgy bekötni, hogy ajtót lehessen nyitni vele Mellékeltem a képeket (a másodikat muszáj voltam vaku nélkül csinálni, de viszonylag stabil volt a kezem). Az eredeti 2 db(!) vezeték a 3-as, és a 6-os kiállásra volt rákötve. Hab a tortán, hogy a kagyló vissza-tételekor a VP1 és a VP3 nem kattan, nem tudom, szaggatnak-e egyáltalán. Az is lehet, hogy maga a kapcsolási rajz sem korrekt, mert lehet át van alakítva az egész. Mit lehet vele tenni?
Szia! A kapunyitás rövid zárra indul. Keresek egy rajzot, de ez egy kis idő.
Nos, nem kerestem inkább lerajzoltam, így gyorsabb. Jó lenne tudni mi a meglévő, mert lehet nem olyan egyszerűen helyettesíthető.
Szia!
Köszönöm a válaszod! Gyanús volt nekem a bekötés, és közben visszakövettem az eredeti bekötést, amit mellékeltem. Most, hogy a mikrofon hogy van bekötve (nyitón, vagy zárón), nem tudom ellenőrizni.
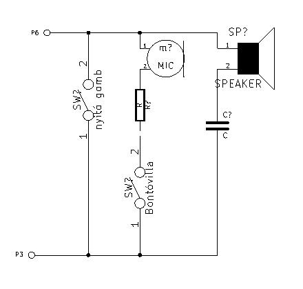
Hirtelen átfutva: ha mindent letörölsz a rajzról amit nem használsz, és a mikrofont felcseréled a vele sorba kötött ellenállással akkor megkapod amit rajzoltam
![]() Az egyes hatost azért kell össze kötni, hogy nyisson. Még nem világos mit akarsz mire cserélni. Kapni is lehet ilyen kaputelefont: aqvincum néven, de van ugyanezen belsővel, más kivitelben is: Tesla, Fermax. Vagy a Codefon is gyárt ilyet, csak az nagyon halk. A mikrofon kapcsolója akkor van zárva, ha felveszik a kagylót. Idézet: „Még nem világos mit akarsz mire cserélni.” Működő kaputelefont, amivel ki tudom nyitni az ajtót Úgy tűnik ez beadta a kulcsot, mert visszaszereltem, és nem lett jó, csak cseng, de nem nyit...
Ok. No akkor: a szomszédnál működik? Beszélni tudsz, vagy legalább ha felveszed megszűnik a csengés? Ha csengés közben simán rövidre zárod a két vezetéket nyit?
Elvileg működik a szomszédnál.
Holnap ellenőrzöm, most jöttem el a lakásból. Köszi a tippeket.
codefon mkt kaputelefonnal kapcsolatban szeretnek kerdezni ,panellakasba van felszerelve 3 eve mindeddig mukodott jol ,egy par napja viszont nem lehet beszelni rajta csenget a belteri egyseg ki lehet nyitni a bejarati ajtot a lakasbol de a kommunikacio nem mukodik se lentrol a koszponti egysegtol sem fentrol mi lehet a gond segitsegeteket kerem !
Szia! A lenti a codefon vagy a beltéri? Csönget tovább vagy süket? Szomszédoknál jó? Kicsit visszább raktam fel egy rajzot, azon elindulhatsz.
Mennyi vezeték megy a készülékbe? Az ajtócsengő is arról működik? A hozzászólás módosítva: Szept 6, 2012
szia! a kulteri koszponti egyseg hangja eggyaltalan nem mukodik ,sem a szamok formalasakor,sem a csengeteskor.A csongetes szerintem normalis mivel a szam formalasa utan a belteri egysegen addig lehet a csengetest hallani amig a belteri egyseg halgatojat fol nem vesszuk,de a kulteri egyseg hivas alatt nema ,szomszedoknal ugyanez a baj, ha a keszuleken a belteri egyseget erted abba ket szal megy,igen a az ajtocsengo is arrol mukodik!
|
Bejelentkezés
Hirdetés |










