Fórum témák
» Több friss téma |
Sok gondolkozás után jutottam arra a gondolatra, hogy a végfokokban ugyebár van hőfigyelés, mely általában piros, ha már igencsak meleg a szerkezet. És felmerül a kérdés, hogy mért ne lehetne tudni egy közelítő értéket
. Például: (ami szerintem reális, de máshogyan is megoldható) 20°C-on a LED zöld, 40°C-on citrom (piros+zöld), 60°C-on narancs (mindhárom szín keverése valahogy ) és végül 60°C felett lenne piros Csak 1 hőfigyelő kellene a hűtőbordára (vagy estleg 3, a 3 szín miatt egyszerűbbé tenné a kapcsolást), na meg egy áramkör Ha valaki tudna ebben segíteni, megköszönném, és szerintem a többieknek is jól jönne :yes:
Egy db LM3914, egy közös anódú RGB led, s néhány ellenállás. Az LM3914 kimeneteit ellenállásokkal súlyozva kötném az RGD LED megfelelő lábaira hogy a zöld összetevő fokozatosan csökkenjen, a vörös meg fokozatosan erősödjön. A hőmérés mikéntje és a kapcsolás alapötlete Vicsys fórumtársunk cikkében olvasható.
Bővebben: link Ezen szerintem csak annyit kellene változtatni, hogy: 1. Egy IC fogja át a mérni kívánt tartományt 2. A 10-es LED-sor helyett pedig egy RGB LED kapcsolódna, a súlyozó soros ellenállásokkal.
Üdv!
A címből azt hittem, hogy a max hőmérsékletnél már fehéren izzik , azért az RGB, de így szerintem jóval olcsóbb a megoldás, mert zöld - piros ármenethez elég egy RG LED is.Rascal
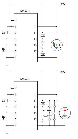
LM3915-ös LEDsor-meghajtóból építesz egy DOT módot, minden második kivezetését kötöd be, elég egy 3 kivezetéses Duo LED hozzá. Egy PTC némi feszültséggel a bemenetre és annyi. A zöldet bekötöd első LED-nek, aztán bekötöd a zöldet és egy ellenálláson át a pirosat (ez sárgás-zöld lesz), utána bekötöd a zöldet és a pirosat (sárga lesz), aztán bekötöd egy ellenálláson keresztül a zöldet, és a pirosat (narancs), és végül direktbe csak a pirosat. A DOT mode azért kell, hogy mindig csak az aktuális előtétekkel legyen a színkeverés.
Én már megcsináltam egy régi Videoton erősítőbe tuning gyanánt (mert természetesen már nem a gyári végfok volt benne, aztán nem akartam szétégetni a másikat azon a kis bordán )
Esetleg kapcs. rajzot, vagy NYÁK tervet nem tudnál feltenni?
Amúgy köszi
Folyamatban, először megcsinálom megint, mert az "eredeti" nincs már meg, és dokumentálva sem volt (ami nem jellemző rám…)
Na, meg is volnék vele
Tesztelve nem volt, de ennek így működnie kell! RGB és Duo LED-del is készítettem egyet, az RGB ahogy a rajzból gondolom kivehető: kék-türkiz-zöld-sárga-piros, persze ennek alapján más variáció is elképzelhető, pl fehérrel… A Duo LED-esnél pedig zöld-sárgászöld-sárga-narancs-piros átmenet lesz, az ellenállásokat ízlés szerint egy trimmerrel be lehet állítani. A "dot mode" miatt kell ezeket a kivezetéseket használni (a 11-est feltétlen bekötni). Inputra valami hőérzékelőt (vagy tranyót) tegyél, egy kis feszt vigyél rajta a bemenetre, és ennyi. (Egyébként ha a zöld-sárga-piros átmenet megfelel, akkor vehetsz olyan LED-et, ami a ráadott feszültség függvényében változtatja a színét, és akkor ez a kapcsolás se kell )
Köszöntem szépen
:yes: Nekem a lednél azthiszem a test a közös, az nemgond? A rajzból úgy olvastam ki, hogy a katódnak kell közösnek lennie (+). De mondjuk 1 darab kell, és az a 400Ft nemsok .Amint időm engedi összerakom, aztán ha OK, akkor téma lezár THX mégegyszer :yes:
Szívesen, remélem nem ütközöl már vele semmiféle akadályba!
(ha kérdésed lenne, itt megtalálsz) Ide mindenféleképp közös anódú kell.Ne is haragudj, de ha nem is Duo LED, hanem RGB, az akkor se több 200Ft-nál, mit tud a tiéd, amit egy "hagyományos" Duo vagy RGB nem? ![]() Ja, és egy kis segítség az anód/katód kérdésben…
Én már építettem ilyen áramkört.
Bővebben: Link Érdemes különböző előtétellenállásokkal összehangolni a LED 3 színcsatornáját, mert az egyes színek intenzitásában nagyságrendnyi eltérések lehetnek.
Kipróbálom majd
Megvettem múltkor a másik fajtába az LM3941-et, bár még nem volt rá időm nagyon , de ez szerintem olcsóbb megoldás, azért az IC-ért 960-at kértek
Szia!
Ezekkel az alkatrészekkel hány fokra lehet beállítani? Nekem szobahőmérséklet jelzésére kéne. Szóval pl. 22°C felett piros, 20°C-on narancs, 18°C-on zöld, 16°C-on cián, 14°C alatt kék. Ezt ezzel a kapcsolással be lehet állítani? Ha nem, akkor mit kell milyen értékűre cserélni?
Sziasztok!
Az oldalon lévő hőszabályzós/led kijelzős kapcsolást szeretném megcsinálni úgy, hogy a 10 led helyett egy RGB led lenne bekötve. "súlyozó soros ellenállás" ügyben tudnátok segíteni? Hogy kell bekötni a 10 led helyére? Előre is köszönöm! |
Bejelentkezés
Hirdetés |




. Például: (ami szerintem reális, de máshogyan is megoldható) 20°C-on a LED zöld, 40°C-on citrom (piros+zöld), 60°C-on narancs (mindhárom szín keverése valahogy
) és végül 60°C felett lenne piros
)






