Fórum témák

» Több friss téma
Fórum » Elektronikában kezdők kérdései
- Ez a felület kizárólag, az elektronikában kezdők kérdéseinek van fenntartva és nem elfelejtve, hogy hobbielektronika a fórumunk!
- Ami tehát azt jelenti, hogy a nagymama bevásárlását nem itt beszéljük meg, ill. ez nem üzenőfal!
- Kerülendő az olyan kérdés, amit egy másik meglévő (több mint 17000 van), témában kellene kitárgyalni!
- És végül büntetés terhe mellett kerülendő az MSN és egyéb szleng, a magyar helyesírás mellőzése, beleértve a mondateleji nagybetűket is!
Lapozás: OK   1474 / 4047
(#) Balaa16 válasza sanykaraj hozzászólására (») Okt 14, 2011 /
 
Üdv!
Szerintem nem, mivel nem PIC.
Üdv! Balázs
(#) Mybuster válasza sanykaraj hozzászólására (») Okt 14, 2011 /
 
Hello! Ezt az IC-t nem kell Programozni mivel nem PIC és AVR , ez egy mezei 3.5digites ledes kijelző meghajtó 4db 7segmentes kielzőt tudsz vele meghajtani! Attol füg mire akarod használni Hőmérő vagy Feszülség kijelzés?
(#) qvasz2 válasza Mybuster hozzászólására (») Okt 14, 2011 /
 
Idézet:
„3.5digites ledes kijelző meghajtó”

. . . plusz egy A/D konverter, így együtt egy panelmérő műszert alkotva. Már csak a kijelzőket, meg néhány kiegészítő elemet kell rátenni.
(#) karaszbandi válasza pcroland hozzászólására (») Okt 14, 2011 /
 
Gyerekek!
Én csak egy dolgot nem értek. Az, hogy nem olvastok vissza az egy dolog. De az, hogy az iskolában sem figyeltetek amikor a galvanizálást tanították, az már tényleg gáz!

Vagy tanították, csak akkor sem figyeltetek?
Logikusan gondolkozni meg luxuscikk.
(#) sanykaraj válasza Mybuster hozzászólására (») Okt 14, 2011 /
 
Hőmérőbe kell
(#) Mybuster válasza sanykaraj hozzászólására (») Okt 14, 2011 /
 
Értem hát böngészkedj LM35-ös Érzékelővel Jó lesz!
(#) Mybuster válasza qvasz2 hozzászólására (») Okt 14, 2011 /
 
Igen Igen!
(#) Zsoltipapa hozzászólása Okt 14, 2011 /
 
Üdv! Mindenkinek:Tudom nem a témához tartozik,azt a topikot nemnagyon használják mostanába.Van eggy BEAG ATP100 100v-os hangrendszerhez tartozó trafó.Esetleg érdekelne valakit,keressen privibe.Elnézést a moderátoroktól, hogy nem a megfelelő topikot használtam.Üdv:
(#) gabesz86 hozzászólása Okt 15, 2011 /
 
Sziasztok! Kinéztem egy apró kapcsolást s be is vásároltam hozzá mindent mikor tudatosult bennem, hogy 6v-os rendszerhez kellene az elektromos indexrelé. Hogy tudom átalakítani a kapcsolást?
Bővebben: Link
(#) Silious hozzászólása Okt 15, 2011 /
 
Sziasztok
Egy nagyon egyszerű kapcsolás megtervezésében kérnék segítséget, mert sajnos már jó ideje nem vagyok a témában jártas?
Az lenne a lényeg, hogy alapesetben egy ki-be kapcsolóval, beállítástól függően 6-8-10-12 V-ot kapcsolok, azaz mikor bekapcsolom, egyből mondjuk 10 V-ot kapcsolok.
Azt kellene nekem megoldani, egy kapcsolással, hogy mikor kapcsolok, mondjuk 10V-ot, (mellékelt kép) akkor a ?2?-es pontba ne egyből 10V legyen, hanem fokozatosan érje el ezt a feszültséget, mondjuk úgy 3 másodperc alatt. Gondolom ide valami kondis, esetleg Fet-es (???) lenne talán jó. Ami továbbá még fontos lenne, azaz, hogy ha lekapcsolom a kapcsolást, és újra fel, akkor, ha kondi van benne, fontos lenne az, hogy ki legyen sütve, tehát ismételten játszódjon le a feltöltődés, talán egy LED-el ki lehetne sütni, mondjuk.
Valaki tudna nekem egy ilyen kapcsolást tervezni?
Előre is köszönöm.

kapcs.jpg
    
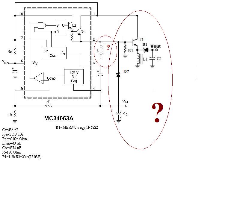
(#) qwertz0 hozzászólása Okt 15, 2011 /
 
Szeretném megkérdezni, hogy hogyan kössem össz?

Be: 12 VDC
Ki: max. 22,00 VDC

T1=BD139

MC34063.jpg
    
(#) gabesz86 válasza qwertz0 hozzászólására (») Okt 15, 2011 /
 
Szerintem pontosíts a kérdésen, mert így nem igazán fogsz érdemi választ kapni.
(#) proli007 válasza gabesz86 hozzászólására (») Okt 15, 2011 /
 
Hello!
Jó lesz ez 6V-ra is, legfeljebb a BUZ11-et egy LR024N-re kellene cserélni. Oka, hogy a BUZ11 Vgs feszültsége nem biztos, hogy megfelelő lesz a terhelőáramhoz.
üdv! proli007
(#) proli007 válasza Silious hozzászólására (») Okt 15, 2011 /
 
Hello!
Nem írtad a terhelőáramot, mai terhelni fogja a feszültséget. Nem tudni hogy szükséges-e, hogy lineárisan fusson fel a feszültség (egy kondi egy ellenállással nem úgy töltődik fel). Ha kikapcsolod, ugyan ebben a tempóban csökkenjen, vagy hirtelen essen össze. Ez egy áramköri része, valaminek?
De jobb lett volna, ha leírod, mihez szeretted volna használni, vagy mit szeretnél készíteni/elérni vele, mert szerintem itt valami nem tiszta.
De ahogy rajzon elvben rajzoltad, egy feszültségforrással sorban, csak az áramot lehetne változtatni, a feszültséget nem, mert nincs mihez képest..
üdv! proli007
(#) proli007 válasza qwertz0 hozzászólására (») Okt 15, 2011 /
 
Hello!
Nem véletlen, hogy nem válaszoltak..
Mert ennek a kapcsolásnak ebben a formában semmi értelme nincs, csak összeollóztad. Neked egy StepUp konverter kell, 12V-ról 22V-ra. És mivel a a BD139 1A végáramú és ha 22V-ot 1A-el terheled, akkor a 12V kapcsolásakor jóval nagyobb lesz a tranyó csúcsárama. Plusz ez a kapcsolás, alapból negatív feszültséget gyártana, és ha jól olvastam (máshol), neked plusz feszültség kellene.
(De abban a topikban is kellett volna maradnod, és nem a gombhoz a kabátot keresni, (" van egy BD139-em..") hanem a konkrét megoldást a kérdésedre.)
üdv! proli007
(#) Silious válasza proli007 hozzászólására (») Okt 15, 2011 /
 
Szia
Igazából, csak egy szimpla jel menne a vezetéken, pontos áram errőséget nem tudok, pár mA-től nem hiszem, hogy több (nem mértem meg).
Ha kikapcsolom, akkor a lényeg annyi legyen, hogy a kondi ki is süljön, vagy mondjuk egy led, húzza le a benne lévő töltést.
(#) pcroland hozzászólása Okt 15, 2011 /
 
Sziasztok! Keresgéltem és találtam egy programot, aminek lényege, hogy nyomtatáskor a virtuális nyomtatót kiválasztjuk és amikor rákattintunk a nyomtatásra, akkor előjön egy ablak, hogy hova menthetjük a generált PDF-et. Csatolom is, hátha segít valakinek! Csak hét RARban tudom feltenni. Először a Ghostscriptet, utána pedig a Bullzip PDF-et kell telepíteni.
(#) pcroland hozzászólása Okt 15, 2011 /
 
Másik két RAR! Ja és már volt szó arról, hogy Sprint Layoutból, hogyan konvertáljak PDF-be. Az OpenOficce-al is meg lehet csinálni, de ezzel a legegyszerűbb. Ezzel lesz a legjobb minőségű. Vektoros...
(#) Moderátor hozzászólása Okt 15, 2011
 
Kedves pcroland!

A mellékleteket töröltem, több okból is.
1. Nem kérünk egy rakat darabolt ZIP-et mellékletként.
2. A program nem az oldal fejlesztési ötleteibe tartozik
3. A Sprint Layout nyomtatás sem idevaló témakör.
(#) pcroland válasza (») Okt 15, 2011 /
 
Ja bocsi. Fáradt vagyok. Nem ebbe a topikba akartam. Törölnéd a hsz-eket is?
(#) gyulank hozzászólása Okt 16, 2011 /
 
Sziasztok!

Az ilyen, és ehhez hasonló dolgokról hogy lehet megállapítani, hogy mik, és mit tudnak (Feszültség, áram, teljesítmény)?
(#) jancsi8511 hozzászólása Okt 16, 2011 /
 
Sziasztok egy kis segítségre lenne szükségem,szóval elektroműszerésznek tanulok és az lenne a gond hogy normális tankönyvet nem kaptam csak egy átfogó technikusi könyvet de ez még nekem kicsit bonyolult és nem igazán értek belőle semmit.
Esetleg valaki nem tud valamilyen PDF vagy bármilyen szakanyagot ami kicsit azért alapszintűbb?

Ha valaki tudna segíteni nagyon megköszönném!
(#) qvasz2 válasza gyulank hozzászólására (») Okt 16, 2011 /
 
Minden elektronikai alkatrészről adatlapot kell keresni, és abból tudható, mi is az, és mire jó. Az SMD alkatrészeknél külön nehezítés, hogy mivel picik, ezért a nevük általában nem fér rá, csak 2-3 karakteres kódot írnak rá, amit előbb vissza kell fejteni.
Általános szabály: :google:
(#) golem hozzászólása Okt 16, 2011 /
 
Sziasztok!

Szerintetek ilyen tipusu ellenálás létezik 0,14ohm
0,080 ohm
(#) mindenes válasza jancsi8511 hozzászólására (») Okt 16, 2011 /
 
Üdv.Ide nézz be, rengeteg könyvet találsz alap elektronikáról is.
(#) mindenes válasza golem hozzászólására (») Okt 16, 2011 /
 
Üdv!
Hol találtad ezeket?. A szabványos értéksorban ilyenek nincsenek. Bővebben: Link
(#) Hp41C válasza golem hozzászólására (») Okt 16, 2011 /
 
Szia!
0.14 ohm - 0.13 illetve 0.15 kapható, avagy 0.33 ohm || 0.24 ohm
0.08 ohm - 0.11 ohm || 0.3 ohm
(#) Hp41C válasza mindenes hozzászólására (») Okt 16, 2011 /
 
A sorozat független a nagyságrendtől. 140 előfordul a belinkelt táblázatban, a 800 nem, de a 796 és a 806 igen... Az más kérdés, hogy gyártanak-e, 0.796 ill. 0.806 ohm -os ellenállást, vagy kapható-e valahol.

A sorozatok egyes elemei úgy vannak specifikálva, hogy a közöttük levő értékeket is ki lehessen válogatni.
Pl: 800 esetén az értékhez legközelebbi az E96 oszlopban 787 és 806. Az E96 tűrése 1%, azaz a 787 tűrése 7.87, a 806 -é 8.06. Ezek szerint a 806 -os ellenállások közül biztosan kiválogatható a kerek 800 is.
(#) karaszbandi válasza ktmpeter hozzászólására (») Okt 16, 2011 /
 
59. § Hátsó helyzetjelző ködlámpára vonatkozó további műszaki feltételek
(1) A járműre csak jóváhagyási jellel ellátott hátsó helyzetjelző ködlámpát szabad felszerelni.

(2) A hátsó helyzetjelző ködlámpa átvilágított felületének az alsó széle az úttest szintjéhez 0,25 méternél közelebb, az átvilágított felület felső széle az úttest szintjétől 1,00 méternél távolabb, és átvilágított felülete a féklámpa átvilágított felületéhez 0,10 méternél közelebb nem lehet. Ha a járművön csak egy hátsó helyzetjelző ködlámpát alkalmaznak, akkor azt - e bekezdés előírásainak a megtartásával - a bal oldalon kell elhelyezni. Mezőgazdasági vontató és lassú jármű esetében a hátsó helyzetjelző ködlámpa átvilágított felületének a felső széle az úttest szintjétől legfeljebb 1,90 méterre - ha a jármű szerkezeti kialakítása szükségessé teszi, legfeljebb 2,10 méterre - lehet.

(3) A hátsó helyzetjelző ködlámpa elektromos kapcsolásának olyannak kell lennie, hogy csak külön kapcsolóval, a helyzetjelző lámpák bekapcsolt állapotában legyen bekapcsolható.
(#) karaszbandi válasza ktmpeter hozzászólására (») Okt 16, 2011 /
 
46. § Ködfényszóróra vonatkozó további műszaki feltételek
(1) Járműre csak jóváhagyási jellel ellátott ködfényszórót szabad felszerelni.

(2) A ködfényszóró átvilágított felületének alsó széle az úttest szintjéhez, 0,25 méternél közelebb, az átvilágított felület felső, a tompított fényszóró átvilágított felületének a felső szélénél magasabban, az átvilágított felület külső széle pedig gépkocsin és motoros triciklin a jármű legkülső pontjától, 0,40 méternél távolabb nem lehet. A motorkerékpár ködfényszóróját úgy kell elhelyezni, hogy optikai tengelye a motorkerékpár hosszirányú függőleges felezősíkjába essen, vagy ha így nem helyezhető el, az átvilágított felületének ehhez a síkhoz legközelebbi pontja a motorkerékpár hosszirányú függőleges felezősíkjától legfeljebb 0,25 méterre legyen. Az olyan motoros triciklin, amelyre csak egy ködfényszórót szereltek, a ködfényszóró átvilágított felületének a bal széle a jármű bal oldali legszélső pontjától 0,40 méternél távolabb nem lehet.

(3) A ködfényszóró elektromos kapcsolásának olyannak kell lennie, hogy e fényszóró csak a helyzetjelző lámpákkal együtt, illetőleg akkor legyen bekapcsolható, ha a helyzetjelző lámpákat már bekapcsolták.

(4) A ködfényszóró - kivéve a motorkerékpár ködfényszóróját - a kormányzott kerékkel együtt nem fordulhat el.
Következő: »»   1474 / 4047
Bejelentkezés

Belépés

Hirdetés
XDT.hu
Az oldalon sütiket használunk a helyes működéshez. Bővebb információt az adatvédelmi szabályzatban olvashatsz. Megértettem