Fórum témák
» Több friss téma |
Fórum » Egyenirányítás
Van a fórumon több akkutöltős topic, talán érdemes lenne szétnézni és valamelyikben kérdezősködni, hátha csinált már más hasonlót.
Ha az egyenirányító (puffer) kondenzátorra dolgozik, csúcsegyenirányítás történik, ilyenkor érvényes színusz egyenirányítása esetén az 1,41 -es szorzó, üresjáratban. Kis terhelések esetén az egyutas, és kétutas egyenirányítás közti különbség csak a brumm feszültség nagysága.
Ha nincs kondenzátor, akkor átlagérték keletkezik, ez egyutasnál a csúcs érték felénél valamivel kevesebb, kétutasnál valamivel több lesz. (a félszínusz, illetve a két félszínusz alatti terület) Ha tudsz integrálni, pontosan kiszámíthatod. A linkeden csúcs egyenirányítók vannak.
Sziasztok, most nem értem ezt az áramnövekedést.
Gondolom, hogy a feszültség azért nő, mert a váltófesz.-nél nem az effektív értéket szokták megadni, hanem a legnagyobb "kiugrását" a szinuszgörbén. Egyenirányítás után a váltakozó feszültség effektív értékét szoktuk venni. Ugyan így van ez az áramerősséggel is? Ez is megnő?
Szia!
Váltakozó feszültségnél az effektív érték van megadva. Egyenirányítás után ( terheletlen pufferkondenzátoron ) már csúcsfeszültség lesz. A kimenő áramnál is a csúcsfeszültséggel kell számolni. Ezért lesz a látszólagos kimenő áram növekedés. De a valóságban egy brummfeszültség fog keletkezni ( a pufferkondenzátoron ) a terhelés nagyságától függően... ( Lásd példa: Brummfeszültség Kép link. )
Tehát akkor nő mind a kettő. Nem?
Ilyenkor már nekem este van.
Szerintem nem.
Mert terheletlen kimenetnél ugyan megemelkedik a kapocsfeszültség, de nincs kimenő áram. S terhelt kimenetnél lesz terhelő áram, de a kapocsfeszültség is csökkenni fog a brummfeszültség nagyságától függően.
SOS segítség kellene..
Kezem ügyébe került egy orosz keverő a Tápja úgy van megoldva hogy a szűrő kondiroll lejön a + gnd - nah most ugyebár ez egy középen csapolt kapcsolás ugymond.. és az orosz bácsik beiktadtak a - és a + közé 2 tranyót és belemegy a + - fesz a tranyóba és utána kapja meg a feszt a keverő ha nincs tranyó nem megy át a fesz nah most én ígykaptam ezt a keverőt hogy ezek a tranyók hiányoznak nemtudna nekem segiteni valaki hogy mit tegyek bele Én valami BC párosra tippelek.. mert anyit tudok hogy ilyen formájú tranyó volt bene gyárilag nem tudom most hirtelen a tokozását hogy milyen tipus... ha valaki tud valamit ajánlani kérem írjon a segítséget előre is köszönöm
T.Fórumozók segítségeteket kérném a diódám azonosításában.Lényegében egy orosz dióda ez van rá írva (? orosz D-betü232 VIII-72).Hány amper/volt lehet köszönöm.
Köszönöm válaszod!Van 16 db belőle kérdésem az lenne hogyan lehet összekötni graetz hídba hogy 40 amperes legyen?Ja és 12v-hoz gondolnám ha lehet...
Egy Graetz-hídon belül köthetsz párhuzamosan diódákat, de ne hagyd ki a feszültségeloszlás kiegyenlítő ellenállásait beépíteni. 1-2 tized ohmos ellenállásokat használj. Bővebben: Link
Üdv.
Van egy egyenirányított trafóm, és nekem nem kéne egyenirányítva. Valahogy szét tudom szedni hogy kiheréljem belőle vagy hagyjam az egészet? üdv brocz
Sziasztok. Ha valaki tudna nekem egy kicsit segíteni ebben az egyenirányításban az megköszönném.
1. Egyenirányítás után a kimeneten a maximális áram az ügye csökken? (feltételezem, bementeti teljesítmény = kimeneti teljesítmény) 2. Itt mindenki az 1,41es szorzót írja. Ez mennyire esik magas teljesítmény felvételnél?. Legyen egy példa. Bemenet 55V 2A, kondi 10000uf mondjuk, ez elvileg akkor a kimeneten 77V 1,43A. Ez ha esik körülbelül mennyire esne le. 3. Ha építek egy szimmetrikus tápot, és feszültséget mérek a + és – ágak között, akkor megkapom a 2nek a feszültség és áram összegét? De leírom miért kérdezem, hátha tudtok így segíteni. Kéne egy 64Voltos táp, ami olyan 1,8Ampert tud. És itt jönnek a gondok, mert nem találok ehhez toroid trafót. Ha egy 55Voltost használok kapok 77Voltot, az már sok. Ha egy 40 Voltost akkor meg csak 58Voltot. Ezért gondoltam a 2*24Voltos szimmetrikus tápra, de itt is jön a kérdés mennyit esik az elméleti 67Voltból.
Szia! Számoljunk visszafelé. A teljesítmény igény 64V*1,8A=115W ezt jegyezzük meg mert később szükség lesz rá. Számoljuk rá az egyenirányító híd diódáinak nyitóirányú feszültségesését, graetz híddal számolva ez két diódát jelent, amin durván 2V esik összesen.
A szekunder csúcsfeszültségének tehát 66V-nak kéne lenni. Ezt 1,41-el osztva (kicsit kerekítve) 48V-ot kapunk, ennyinek kell lenni a szekunder névleges feszültségének. A szekunder áram igényt a kiveendő teljesítményből tudjuk meghatározni, vehetjük 115W/48V=2,4A-nek. Legalább ilyen paraméterekkel rendelkező transzformátorra lesz szükséged. Azzal számolni kell, hogy terheletlen állapotban a trafó belső ellenállásán nem ejt feszültséget a 2,4A, tehát az üresjárati feszültség a 64V-tól magasabb lesz a pufferelt kimeneten. Ez a különbség a transzformátoronként eltérő lehet. Egy valószínű: minél nagyobb teljesítményűt választasz annál kisebb lesz ez a változás.
Ha csak a feszültség a gondod akkor tekerj le a toroid szekunderéből annyit amennyire szeretnéd. Ez általában egyszerűen megoldható. (sőt, rátekerni is lehet...)
Ha van más mód nem szeretnék tekergetni. Még arra gondoltam hogy egy 2*24Voltos tekercs 2 középső ágát összekötöm akkor megkapnám a 48at? Mert HQban van ilyen ás árban is annyi mint a többi, és akkor nem kéne tekergetnem.
Sziasztok!
Van egy régi magyar akkutöltőből származó trafóm. Úgy volt egyenirányítva, hogy a négy szekunder oldali kivezetésből kettő ment egy-egy diódára, ami egy alu lemezbe volt csavarva (innen ment a pozitív) a maradék kettő pedig egybe volt fogva és ment a negatív kimenetre. Ehhez hasonlóan. Max. 10A-es volt a töltő. Szeretném valami frissebb technológiájú diódákkal megoldani az egyenirányítást. Az lenne a kérdésem, hogy mivel két dióda végzi az egyenirányítást elég lenne, ha darabonként 6A-esek lennének? pl.: P600K típusúak? Köszi szépen!
Szia!
Ha 10A-es a legnagyobb áram, akkor nem tehetsz 6A-es diódákat oda. Nagyon jók azok a régi diódák, nem kell őket bántani.
1,3-1,8V rémlik.
Eló is vettem csepptöltésre a BY299-eket, azokon 0,3V esik.
Sziasztok!
Egy 12 Voltos trafó egyenirányítás és szűrés után kb. mekkora feszültséget ad ki? Terhelés közben mért feszültségre gondolok.
Sziasztok!
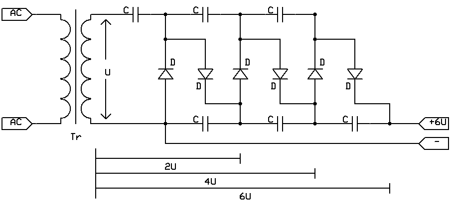
Lenne egy kérdésem a feszültség többszörözőkről. Az alábbi Bővebben: Link -en lévő többszörözőkkel hogyan kell számolni, a bemenő effektív érték * gyök2 * [többszörözés], vagy itt nem érvényes a gyök2-es szorzó?
Szevasz he6l6a !
Ha még érdekel a dolog; van erről egy érdekes cikk. "A kaszkád kétszerező kapcsolást minden további nélkül lehet többször egymás után alkalmazni. A kapcsolás előnye, hogy minden kondenzátoron a megjelenő feszültség csak 2Uo értékű. Az egyenirányítók legnagyobb záró irányú igénybevétele is csak 2Uo nagyságú. Az elérhető nagyfeszültségnek gyakorlati korlátot szab az egyenirányítók belső ellenállása, melyeken a külső terhelés által kivett áram, jelentős feszültségesését okoz." Bővebben: Link A hozzászólás módosítva: Feb 8, 2014
Sziasztok! Mielőt letólnátok hogy miféle kérdéseket teszek fel, szeretném elmondani hogy most kezdtem csak foglalkozni az elektrotechnikával. Minap készítettem egy 150 wattos erősítőt (kit-et), vettem hozzá egy 12V 16.7A -os transzformátort amit még mielőtt az erősítőre kötök egyenirányítani kell. Na most az lenne a kérdésem hogy az egyenirányító utáni kondenzátorok milyen értékűek legyenek? Nekem a 2x 22000 µF -os kondenzátort javasolták, az jó lenne?... miszerint kell kondenzátort választani ? Előre is nagyon szépen köszönöm...
Szia!A 12 Voltos transzformátorból egyenirányítás után 16.8 tized voltod lesz gyanítom ez 150 wattos erősítőhöz kevés lesz hogy kihajtsd,mindenképpen 2 szekunder kell hogy legyen mert a testhez képest kell egy + és egy - is.A testet úgy kapod meg hogy a 2Xmondjuk 24 voltos transzformátorod egyik tekercsét összekötöd ez lesz a tested.Ekkor az egyenirányításod után a 2 pont közt mért feszültséged egyenirányítás után 67.7 volt lesz,a testhez képest meg + és mínuszban ennek pontosan a fele 37.4 környéke, ezzel már lehet valamit kezdeni.
A 2X2200 mikrofarád kicsit kevés lesz,én 2X10.0000 ret javaslok min 63 volt környékit.
Sziasztok ! lenne egy hatalmas kérdésem. van egy 24 voltos trafóm,AC -ben lead 23,9 illetve 24 voltot .rákötöttem egy Greatz kapcsolást ,és 23,5 voltot ad le. Hogy van ez ? hány Ampertől esik és nem emelkedik a feszültség. ezt megmagyarázná valaki ? Oszkár
Hali! én arra gondoltam ,hogy ennek a diódának azt hiszem 3 v a nyitófeszültsége ,nem e ez veszi vissza a feszültséget
|
Bejelentkezés
Hirdetés |















