Fórum témák
» Több friss téma |
Nem túl nagy? Méretezd.
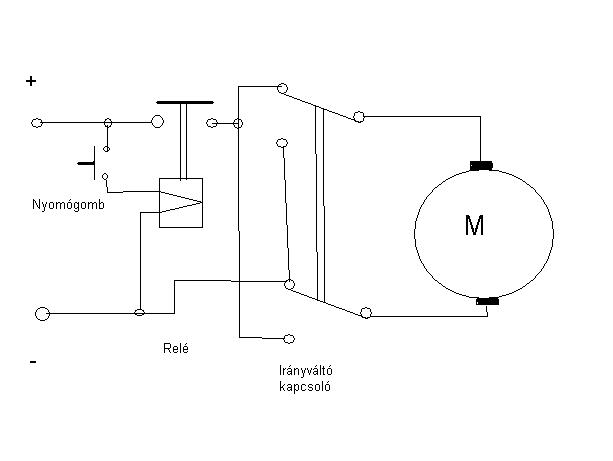
Ez 1 sima irányváltó kapcsolás !
A relé bekötése egyszerű záró érintkezőkre kell kötni (mikor behúz akkor kapcsol be) olyan reléket válassz amibe 2db záró érintkező van És persze bírja a motor áramát.. A kapcsoló az egy 3állású kapcsoló ami közép állásban van kikapcsolva és akármerre kapcsolsz valamerre megindul a motor
a Nagysága az átfolyó áramtól függ
ezt a kapcsolást már szereltem bele RC kisautóba de használtam erősáramon is ahol 3 fázisú irányváltásról van szó Nem tudom sajnos milyen reléket tudsz szerezni
A csörlő gyárilag egy sima autós relét használt, akkor annak el kell bírnia.
Ne haragudj, de még nem világos a rajzod, de ez az én amatőrségemből fakad.
Jóó lenne fel kerülne ide és ki tudnánk beszélni
Facebookod van?
Az nem világos, hogy a relés rész után hová kötöm a motort?
Mindkét relé egy-egy behúzott kimenetét kötöm a motor 1-1 kábelére?
Tessék egy link.Bővebben: Link
Nem !
Egyik relé a jobbra (előre) a másik a balra(hátra) forgás a relék a polaritásokat cserélgetik meg, a két relének egyszerre soha nem szabad menni mert abból nagyon csúnya rövidzárlat lesz
Készítek egy rajzot.
Oké reggel megnézem
jóó éjt sziasztok
Ebbe beletudod nekem rajzolni mit hová?
Ha jól emlékszem a 87/a lábnak itt most nincsen szerepe.
Találtam egyet talán kiindulásnak elég az áramfelvétel figyelembe vételéhez .Bővebben: Link
ÖN nyert egy hangszórót. :yes: 62-388A között van az áramfelvétel.
Ezek a kicsi relék nem fogják bírni
szerintem vegyél egy 3fázisú motorhoz készült irányváltó kapcsolót több száz A kapcsolására képes
Szia! Akár relét akár kapcsolót használsz irányváltóként,nem szabad spórolni a terhelhetőséggel.
Minél nagyobb a terhelés annál nagyobb áramot igényel a csörlő. Ha a relé érintkezői össze égnek hiába kapcsolod ki a tápfeszültséget nem tudnak bontani az érintkezők. Ha beégnek meg nem viszik át a motornak szükséges áramot. Ez még a szerencsésebb eset. Ha az előző következik be akkor úgy járhatsz mint valamelyik filmben amikor a fáról lógott le az autó.
Teljesen egyet értek az előttem szólóval
- még egy eset nem kapcsol ki a relé vagy a kapcsoló --> rövidzárlat---> aksi felrobbanása Tehát valami féle túláram védelemről is gondoskodni kell És megfelelő keresztmetszet
Elnézést kérek az off megjegyzésért! A csörlő, daru buherálása, fékrendszerének kiiktatása nem kevés veszélyt rejt. Kérlek erre is figyelj oda, mert valószínűleg nem arra a célra tervezték amire használni akarod.
Semmi gond, mondasz valamit, ebbe a rendszerben volt a mechanikán egy fogaskerék csapágyazása ami csak egy forgásirányt tesz lehetővé, nevezzük reteszeltnek.
Viszont fejben már erre is kitaláltam valamit, hogy mindkét irányban legyen reteszelés az esetleges kötél szakadás végett. Előbb meg kell oldanom az elektronikát. Igazából nem értem ezeket a nagy amperfelvételes aggályokat, mivel a GYÁRI TERVEZÉSBEN egy szimpla 12v os relé üzemel, most nem az amper erőssége a kérdés. A kérdésem nekem az lenne, hogy a relék lábaira mit és hová kell kötnöm? Szimpla 12v relét kötöttem már be rengeteget, de itt a két irány és a kuszaság miatt nem látom át. E- szerint reléztem mindig és hibátlanul működött eddig mindig. "Ma elmentem autósboltba és vettem 640 Ft-ért relét, 40 amperes volt, 5 lábbal. 2 87-es lába van. Figyelembe vettem a tanácsaitokat,így nem direkt az aksira kötöttem, nehogy úgy felejtsem és leszívja nekem. Így a szivargyújtóról vezettem a 86-os lábhoz a tápot egy kapcsolón keresztül. A 85-öt letettem földre, 30-ra ment a pozitív, 87-re a ködlámpa. Egyből működött. " ... de ez most kevés.
E szerint 86 láb kapja a vezérelt impulzust /jobbra irány kapcsolóját benyomva tartva/
85 láb föld 30 + 87 +,relé védett fogyasztóra/ motor/ Hogyan kell összepattintani a másik relét, azt tudom, hogy meglehet fordítani a polaritást attól ugyanúgy működik, de azt meg ezt hogyan hozom össze a motorral?
Készítettem egy rajzot.
Bővebben: Link Ami felvet bennem némi aggályt, hogyha üzemel a dolog az egyik reléről megkapja a oldalnak megfelelő jelet akkor a másik oldal reléje fogja adni az ellentétes jelet? Mert szerintem nem. Megoldás?
Irányváltáshoz legalább 4 db relé(érintkező) kellene. Emellett még azt is tudni kell, állandó mágneses a motorod, vagy tekercses gerjesztésű. Utóbbi esetben még a motort is meg kell bontani.
Annyival egészíteném ki ,hogy a relék által kapcsolt tápot is célszerű kapcsolni egy plusz relével (kikapcsoláskor ez szakít először azután polaritásváltás ,majd ismét zár) .A motor induktív jellege miatt igen könnyen kialakul az ív kikapcsoláskor.Ez viszont vezeti az áramot.Így a relék érintőtávolsága esetleg kicsi lehet ,egyenes út a tápzárlathoz.(igaz 24V rendszerben 230V 10A relé 0.5 A től (srak) rendszeresen összeolvadt az általad rajzolt rajz szerint.) Arra is figyelni kell hogy a jelfogók nyugvó érintője is megfelelő terhelhetőségű legyen.
Így viszont már tényleg jobb 4 jelfogó (kettő az egyik irányt kapcsolja kettő a másikat.
Úgylátom senki sem tudja, hogyan kellene ezt beköteni.Lehet a legegyszerűbb megoldás venni egy megfelelő kapcsolót.
Nagyon tévedsz. Mindenki tudja, hogyan kellene bekötni, csak még te nem válaszoltad meg eddig, milyen motorod van.
Itt van két lehetséges változat. A KGiranyv.jpg-n a soros gerjesztőtekercses változat. Ehhez meg kell bontani a motort és külön kihozni a kefe és a gerjesztés szálát. Ezekben a kapcsolásokban külön főrelét és külön irányváltót rajzoltam, ami lehet kézi vagy relé is. Ha nyomógombbal közvetlen akarsz irányt váltani, a korábban idézett reléidből 4 db kell. Ha kéred, azt is megrajzolom. Léteznek autósrelékből is váltóérintkezősek, abból kettő is elég.
|
Bejelentkezés
Hirdetés |






