Fórum témák
» Több friss téma |
Sziasztok!
Egy kis segítséget szeretnék kérni. Azon gondolkozok hogy lehetne e olyan készüléket építeni vonalas telefonhoz ami megnézi a hívó számát és ha a szám a rejtett akkor automatikusan foglaltat jelezne (vagy valami ilyesmi a lényeg h ne tudjanak hivogatni rejtett számról). Keresgéltem a témában ,de csak annyit találtam h a CLIP küldi digitálisan a hívószámot az első és a második csengés között, de hogy ezt hogyan lehetne megfejteni arról nem találtam semmit ![]() Előre is köszönöm a segítségeteket!
Mikrovezérlővel fogod tudni megoldani. Ha nem vagy nagyon jártas az elektronikában akkor ne fogj bele, de én nagyon szurkolok neked!
Ákos
Természetesen, hogy ez menjen, szükséges, hogy be legyen kapcsolva a hívószám küldés a központban plusz pénzért. Sok sikert!
Hát a mikro elektronikában csak alapszinten vagyok jártas, viszont programozó vagyok.
Ha tudnék szerezni valami leírást hogy hogyan lehet megfejteni a hívószámot akkor szerintem megtudnám oldani a dolgot ![]() vagy ha nem akkor is megpróbálnám
Be van kapcsolva a hívószám kijelzés, a telefon ki is jelzi ,de attól nem leszek boldogabb h ha tudom h telemarketingesek hivogatnak reggel este.
Semmilyen plusz költséggel nem jár a hívószám küldés, nem külön szolgáltatás.
Vezetékes telefon hívószámkijelzéssel
Az eredeti gondolatodnak az az egy hátránya, (a hívószám nélküliek letiltása,) hogy azt is le fogja tiltani, akit nem kellene.
Nagyon is jó a gondolat. Pont az történne amit én is csinálok. Ha valaki rejtett számról hív nem veszem fel. Hidd el elég gyorsan megtanulták azok akiket amúgy felvennék, hogy ha akar valamit akkor bekapcsolja.
Viszont van benne ne zavarj üzemmód titkos kóddal, ezzel megoldható, hogy csak annak a hívása csörög, aki ismeri a titkos kódot, és a hívás után bebillentyűzi a telefonján. Mindenki másnál nem csörög. És ki is kapcsolható.
Akkor azt is kiszűröd az ismerőseid közül, aki titkosította a számát. Inkább az előző verzió.
Úgy látom másokat is foglalkoztatott már hasonló gondolat videó.
De ebből sajnos csak annyi derül h ki milyen picel csinálta.
Így van! Pont ezt írtam. Hamar megtanulták, ha akarnak valamit akkor számelküldéssel hívnak.
Szia!
Ezt keresd meg " Dekoder CLIP - AVT-5004" PDF file ep.com.pl/files/4983.pdf google szerint. Nekem úgy tűnik normál soros adatátvitel hangfrekis csatornához igazítva.
Gyakorlatilag igen, csak annyi, hogy sok ága/boga van a szabványnak, tehát a neten található leírások közül mindenképpen ki kell válogatni a neked megfelelőt (magyar változat).
Valamint vannak még olyan részei az országnak, ahonnan vezetékes telefonról nem jön át a hívószám, ha megszakadsz sem. Ugyanakkor ahogyan egy "kommunikációs szakember" csaj is mondta: "Ha valaki nem kapcsolja be a hívószámát amikor engem hív, nem hagy üzenetet a hangpostámon, és nem ír SMS-t, akkor nem is akar velem komolyan kommunikálni"
[OFF]Magánvélemény, de talán elég sokan elkényelmesedtek a kor telekommunikációs vívmányai között... amikor még maga a telefon se volt általánosan elérhető dolog, nemhogy a mobil, akkoriban ilyenre talán csak elvétve gondoltak, hogy ki lehetne jeleztetni a hívószámot... a filmekben is ugye a rendőrség is percekig kerestette, hogy ki is a hívó... ilyenkor szerintem ti is úgy voltatok vele ha valaki hívott örültetek neki, hogy csörög és felvettétek, akkor is voltak telefonbetyárok telemarketingesek, szerintem mégis mindenki felvette mindig ha hívták és max letette... szóval nem értem az egyes ebmereket, akik ebből a dologból csinálják a világ legnagyobb problémáját, nem mindegy mi a száma, ha felhív valaki és akar veled beszélni?[OFF]
Hi!
Első körben érdemes a szolgáltatót megkérdezni, hogy létezik-e náluk rejtett szám elutasítása szolgáltatás, pl.: UPC Bitsystem Ha ez az út nem járható, akkor a telefonvonalra rá lehet kötni egy régi dial-up modemet, amiből szoftveresen lehet kezelni a hívásokat. Blokkolás modemmel és szoftverrel (angol) Hozzávaló szoftver (angol) Szerintem erre a feladatra felesleges kapcsolást építeni, amikor egy elavult, olcsó modem is használható.
Sziasztok...
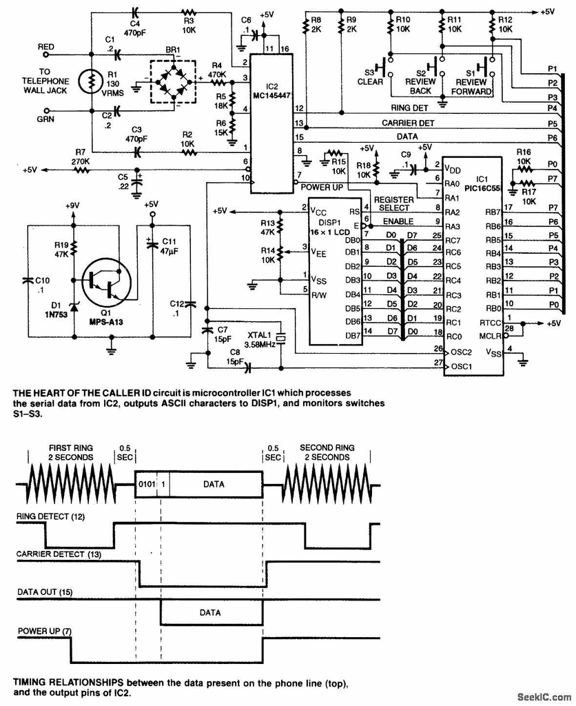
Manapság a telefonközpontok többsége, az első és második csengetés között küldi ki a hívó számát. Ez beazonosítható, találtam is rá kapcsolást... Ami gond, hogy csak olyan kapcsolást találtam, amihez beszerezhetetlen az IC. Maga a kapcsolás jó lenne. A mikrovezérlős rész kivételével, mert az másféle PIC-el, másféle kijelzővel lesz, de azt a részét meg tudjuk oldani, csak magát az azonosítást nem... Ami kérdés, tudtok-e valami olyan áramkört vagy rajzot, amihez be lehet szerezni az alkatrészt. Az mindegy, hogy mit ad ki a PIC felé... Az is jó, ha valaki a rajzon lévő MC 145447-es IC-re tud egy beszerzési forrást pár darabra... Bár ilyen szerencsém nem hiszem, hogy lenne... Fery
Ez egy Motorola IC, most Freescale néven. A hazai disztribútora a Farnell. Kérdezz rá, hogy elérhető-e. Ha nem, rendelhetsz az Alibaba.com -ról.
De végül is nem egy bonyolult szerkezet, a legfontosabb része egy 1200 baudos FSK modem, körítve a környezet érzékeléssel, a blokksémájából kiderül. Némi ügyeskedéssel szerintem ki lehet váltani.
Köszi...Még kutatok. A Farnell nem ismeri, az Alibaba.com-ról még nem rendeltem, de ahogy látom létezik....Nem is drága.
Még ki kell találnom, hogy lehet onnan rendelni. Meglátom... Jobb lenne itthon beszerezni, de ha nincs más... A kiváltásról modemmel nem gondolkodtam, mert több darab is kellhet. Ne kérdezd minek, én sem tudom pontosan, megrendelésre kérték, megadott paraméterekkel.... Fery
Szerintem (bár nem vagyok profi) bele lehet írni egy mikrovezérlőbe. Régebben is így csinálták, 8051 + ROM.
Köszi....Majki oldalán megtaláltam, de az csak DTMF-et azonosít, MT 8843-es tokkal. Az megvan, a RET-nél pár száz Ft. De az MT 8843 nem azonosítja a két csengetés között bejövő kódot, az nem DTMF hanem valami más, és a tokból BCD jön ki, azt már a PIC elintézi....
Viszont az MC145447-et is megtaláltam az E-bay-en, pár dolláros áron. Egyszóval lehet, hogy egyenesbe jövök vele... Mivel lesz benne egy 18F4550-es, mert USB kommunikáció is kell, és meg kell hajtanom 16 db 7 szegmenses LED kijelzőt, mert kimenő/bejövő azonosítást is ki kell jeleznem, esetlegesen tárcsázott mellékkel...Erre lesz egy 18F4520-as ami csak a kijelzést intézi, a sok digit miatt...Messzebbről is látható számokkal. Azzal már nem akarok foglalkozni hogy a PIC-be írjuk az azonosítást lévén még a protokollal is meg kellene küzdeni... Fery A hozzászólás módosítva: Feb 14, 2013
|
Bejelentkezés
Hirdetés |







