Fórum témák
» Több friss téma |
- Ez a felület kizárólag, az elektronikában kezdők kérdéseinek van fenntartva és nem elfelejtve, hogy hobbielektronika a fórumunk!
- Ami tehát azt jelenti, hogy a nagymama bevásárlását nem itt beszéljük meg, ill. ez nem üzenőfal! - Kerülendő az olyan kérdés, amit egy másik meglévő (több mint 17000 van), témában kellene kitárgyalni! - És végül büntetés terhe mellett kerülendő az MSN és egyéb szleng, a magyar helyesírás mellőzése, beleértve a mondateleji nagybetűket is!
Mérj rá mulival.
Igen, de akkor szét kellene szednem, vagy legalább levágnom a csatlakozóinak a végét. Sajnos még ha levágom sem tudom, melyik lesz az a 2 drót amire mérni kell, aztán nehogy megrázzon..
Sziasztok. Egy olyan kérdésem lenne hogy (van ez a 3 kép kenyérsütő panelja),kondenzátor belseje tud kifolyni?
Van 3 egyforma kondi ha lemérem ez teljesen mást mutat mint a másik kettő(az értékeik egyforma: 10 mf 25 V. A másik hogy bedugom konnektorba és most pl: megy de gondol egyet aztán semmi nem jelenik meg a panelon. Most 10 x bedugtam mind a 10 x bekapcsolt. Okozhat ez galibát? Nekem ez tűnik bűnösnek. Köszi előre is a válaszokat.
Sziasztok!
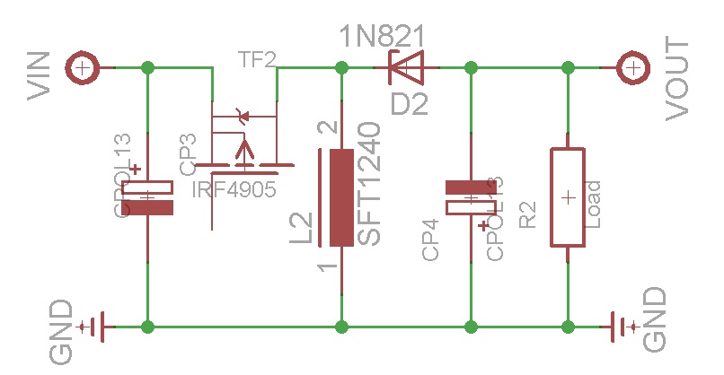
A következő kapcsolás-hoz szeretnék tanácsot kérni. Szeretném megépíteni az invertert,de 24V-ról akarom üzemeltetni. Kérdésem:mivel helyettesíthető CD4847, a 2N3055 -öt ha lecserélem FET-ekre,elég kicserélni,vagy kell még valamit beépíteni?Végül pedig,elég Q1..Q2 a FET-ek meghajtására, elhagyható-e Q3 és Q4. Köszi.
Jobbról a második oszlopban levő D tárolók nem élvezéreltek, hanem szintvezéreltek (latch). A kimeneten a beshiftelt adat akkor jelenik meg, ha a kimenet engedélyezve van és a strobe jel "1" értékű. Tehát, ha a strobe jelet fixen "1"-re kötöd, akkor az IC shift regiszterként fog működni. Ehhez a DATA bemenetre kell a léptetendő adatokat kötni, valamint a CLOCK bemenetet kell billegtetni. A felfutó él hatására shiftelődik be a DATA lábon levő adat. Ha a STROBE lábon levő jel "0", akkor megőrzi a korábbi kimeneti értékeket. Végül is ennek értelme például akkor van, ha soros párhuzamos átalakítást kell végezni. A kezdetben a STROBE jel "0", így megőrzi a korábbi kimeneti értékeket. A DATA és CLOCK bemenetek segítségével beléptetjük a 8 új adatot, majd a STROBE jelet "1"-be állítjuk, ekkor az új adat megjelenik a kimeneteken. A STROBE jelet újra "0"-ba állítva új adatokat lehet beléptetni, miközben az előző változatlanul megmarad a kimeneteken. Remélem sikerült érthetően leírnom!
Újra értelmezési gondok adódtak kérlek segítsetek.
Bővebben: Link Ami alkatrészek le vannak rakva GND-re oda a -250V megy?
Rápillantva a kapcsolásra, én annyit csinálnék csak, hogy a trafót cserélném ki 24-0-24/230V-osra.
Minden a 7812-n keresztül kap tápot, így az működni fog 24v-is.
Köszi, értem most már
! Csak az zavart be hogy D tár és szint vezérelt nem pedig él. A többit értettem hogyan működik.
Sziasztok!
Régebben csináltam BD243-al LED-es ütem villogót. Kérdésem, hogy ugyanez megoldható-e BD135-el ? Bővebben: Link
Sziasztok!
Ismét volna egy kérdésem. Van 3 db mély hangszóróm,különböző fajták/teljesítményűek. Ezeket,hogy volna célszerű összekötni? Ha simán sorba összekötöm az mennyire tetszik a AV erősítőnek? Vagy esetleg ehhez kell egy kiegészítő valami amivel szétosztom? Ha kell akkor micsoda?
Köszi,
Azt tudom én is.Ami pirossal van berajzolgatva, azt már én tettem hozzá.A tranyóhoz is odaírtam,hogy 24V.Ami fontos lenne,mivel helyettesíthető az IC mert sehol sem találom ezt a típust.Valamint,ha FET-tekkel helyettesítem a tranyókat mit kell átalakítani rajta?
Oda a 0V megy!
Szia!
Igen, az elöregedett elektrolit kondenzátorból ki tud folyni az elektolit, ekkor a kapacitása csökken, tönkre is megy. Cseréld ki. Azokat is cseréld ki, amiknek púpos a teteje.
Okés köszi.
Igen jól láttad.Adok egy másik linket,az előző nem az lett amit küldeni szerettem volna..Bővebben: Link
Szia!
Amelyekkel próbálkoztál azok nem váltak be?
Pufferelést és egyenirányítás után hogyan számolom a
feszt?
Egyenirányítás és pufferelés után a fesz a benő értéknek a gyök kettő szerese.
pl:
12V váltóbol 6,9V lesz?? Puffernél nem növekszik a fesz?
Hányas voltál matekból? Gyök kettő az megközelítőleg 1,4. Az inkább 16,9 lesz.
Valamit mellé olvastál,én ilyet nem írtam!
A gyök kettő=1,41,tehát a 12V egyenirányítva és pufferelve=12x 1,41=16,92V ,ebből még lejön a diódákon elő fesz kb. 1,2V,ennyi.Így már ok?
okés köszi , értem
Attól függ, milyen jelet egyenirányítasz:
- A fenti megoldás szinuszos esetre jó csak. - Általános esetben ld. Csúsztényező. - Legyen a jel egy négyszögjel, ekkor nem növekszik a feszültség, hiszen a csúsztényezője 1.
Köszi !
Már látom tényleg 0 nem 8-as. Sajna a ahogy szaporodnak az évek a látás úgy gyengül.
Az autógyárak, akik kitalálnak, vagyis a kutatóik kitalálják, anno pl. a hibrid hajtást, később a kanyarkövető fényszórót, vagy a tolatóradart, és sorolhatnám még azokat az extrákat, amiket egy idő után már minden új autóban meg lehet találni, mert semmilyen törvények nem védenek olyan másolás ellen, amiben egy kicsit módosítod az eredeti levédett ötletet. Ez nem járható út, kitalálok valamit, abból rögtön prototípust kell csinálnom, nem szabad befektetőket sem keresnem, minél kisebb dolgokkal kell kezdeni, kísérletezni 1-2 évig, próbálgatni magamnak, tökélyre fejleszteni, aztán pedig a munkafázisokat szétválasztva lehetőleg hazai bérmunkába kiadni nagy tételben, és szó szerint berobbanni a piacra, alapból egy minimumra szorított áron, éppen hogy csak legyen hasznod. Ezzel a taktikával még Bangladesből is el lehet indulni. Én 16 évesen megtanultam, anno a BMW-nek küldtem el egy bolygóműves teljesen mechanikus fokozatmentes sebességváltó leírását rajzát, 2 év múlva a Williams BMW-ben nagyon hasonló leírású szuper titkos váltóról számoltak be az egyik forma1-es közvetítésen (1996 körül)
Ne felejtsd ki a stabkocka ki és bemenetéről a hidegítő kindenzátorokat.
Sziasztok!
Az alábbi LED fényerőszabályzót szeretnám elkészíteni, de úgy, hogy fényellenállás vezérelje.Kb.50-100% között kellene szabályoznia. Tudna segíteni valaki, hogy milyen fényellenállás kellene bele, és hová? Előre is köszönöm Üdv: Csupasz |
Bejelentkezés
Hirdetés |








! Csak az zavart be hogy D tár és szint vezérelt nem pedig él. A többit értettem hogyan működik. 





