Fórum témák
» Több friss téma |
- Ez a felület kizárólag, az elektronikában kezdők kérdéseinek van fenntartva és nem elfelejtve, hogy hobbielektronika a fórumunk!
- Ami tehát azt jelenti, hogy a nagymama bevásárlását nem itt beszéljük meg, ill. ez nem üzenőfal! - Kerülendő az olyan kérdés, amit egy másik meglévő (több mint 17000 van), témában kellene kitárgyalni! - És végül büntetés terhe mellett kerülendő az MSN és egyéb szleng, a magyar helyesírás mellőzése, beleértve a mondateleji nagybetűket is!
Ó, szóval az sok ellenállás, ami a belsejébe van az nekem nem is kell rárajzolni? Király..
![]() Köszike! A többire is kérek egy megnyugtató választ, ha lehet..
Sziasztok!
Volna egy amatőr kérdésem. Van egy tesla hangváltom,egy tesla mély-közép és egy sal közép. Ezt szeretném valahogy összekötni. Mellékeltem egy képet, Nem tudok kiigazodni rajta,semmi jelölés + vagy - .
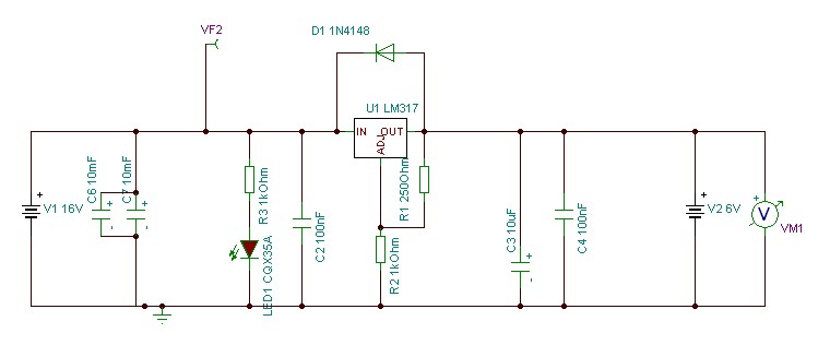
Sziasztok! Van egy 6 voltos akkumlátorom és ezt fel szeretném tölteni. 12 Volt bol LM317 tel csináltam 6,5 Voltot simán rá akaszthatom az akkura vagy kel még valami hozzá.
Szia.Ez a tranzisztor 40v 1 wattot tud,elképzelhető hogy melegedne 6db 1w-os led-nél már..Tehetsz ha van egy nagyobb teljesítményű 5-10wattos tranzisztort ide..(egy bd139 nem túl drága) Azt már nyugodtan terhelheted..
Szia.Ennek a kondenzátornak nincs polaritása,a sal hangszóró mélyét szeretnéd levágni gondolom,ide a hangszóróra menő vezeték egyik szála közé kell tenned sorosan..Kiegészítettem a képet..
Szia.Az lm317 1,5Ampert tud,hűtést mindenképp tegyél rá,
Én mindenképp sorba kötnék vele az egyik ágban egy 6voltos motorkerékpár izzót,hiszen áramkorlát nincs más.és nem automata..
Köszi!
Már kapizsgálom egy kicsit, egy pontosabb rajzot kérhetnék?mindkét hangszóróval. S a jelet hová kössem,egyből a mély-középre és azt vezessem a kondira? na jó kicsit még magas,még bonyolult számomra
Szóval, nagyjából mindent értek. Közben nem az alapkapcsolást, hanem az enyhén szűrtebbet ( Figure 5- 9. oldal) rajzolom. Az a 2 kérdésem maradt már csak, hogy az Rs mekkora legyen akkor? Datasheet azt mondja, hogy bármi lehet, pl 2k. Valami Hz-ekkel dobálózik, nem értem mi a lényege neki...
Mit ajánlotok?A második kérdés pedig az, hogy akkor hogyan kössem majd a trafót? Ugye lesz +10V, 0, -10V. Melyik hányas lábra fog majd menni? ![]() üdv!
Köszönöm szépen az infót, akkor cserélni fogok. Az ügyben esetleg kell figyelnem valamire, hogy kétféle fényerővel gyújtja ki a ledeket? Tehát van egy olyan üzemmódja, mikor halványan világít, s nagy fényerővel belevillan.
Na közben megterveztem
![]() Így gondoltad?
Az 5-ös ábrán aszimmetrikus táplálás van és nem szimmetrikus (+/GND/-)!
Köszönöm ! Szóval, akkor Rs 2k, 5. lábra a +10V, 7. -10V, illetve a közös földre a 0?!
Köszike !
Akkor így lesz. Köszi még egyszer!
A kiváncsiságod dicséretes, de ezekre a kérdésekre a jó válaszokat megtalálod a tématopicokban(itt nagyon nagy terjedelem kellene),de mindenekelőtt javasolom,hogy tanulmányozd át az alapokat(pl. Ohm-törvény). A pufferkondik ált. elektrolitkondenzátorok,mert ezek lehetnek elegendően nagy kapacitásúak-kis méretekkel,és alacsony költségüek. A tápfesz(és áram)igény az adott konstrukció kérdése.
Segítség!Szerelőnél van a kerámia kemencém,melynek elektronikája elromlott.Állítólag túlfeszültséget kapott,de amit kölcsön kaptam belevaló(cserélhető)elektronikát,azt is tönkre tette.A szerelőnél van 3 ilyen egység,de van még 1 működőm.Na ennek a még jó EPROM-ját akarja a szerelő leolvasni(most vásárolt leolvasójával).Félek,hogy valami baja lesz a készülékemnek,ha helytelenül csinál vele valamit.Elképzelhető ez a félelmem????
Idézet: „Csöves erősítőt minimális elektornikai ismeretekkel bárki tud csinálni.” Háhhháá!! Én kérek elnézést!! A kezdőzést meg légyszíves hagyd abba mert egyrészt nem ismersz, másrészt meg segítséget kértem, nem le ócsárolást, de ha nehezetekre (vagyis nehezedre) esik, köszönöm a közreműködést! Azt hiszem lesz ember akinek a szavára adok is, illetve tényleg megmondaná, hogy talán mégse kéne tudod mit maradok a saját ágamban azt hiszem és a minimális elektronikai ismeretemmel (hát még mindig röhögök rajt, ez jó volt ) csinálok talán egy 200W-os PP-t.. Lehet hogy drága a KT8, de a két kezemmel épített gitárjaim behozzák az árát. Lehet nincs cikkem, de engem legalább nem bombáznak ...bizonyára a magam fajta full kezdők.. a kérdéseikkel.. (Nem is nézek le senkit..)Kösz!!
4094-nél ha a strobe-t rákötöm az órajelre, akkor egy 8 bites érték beléptetése után a legutolsó órajel lefutó élére fog a 7. bit is megjelenni (0-6 bitek értelemszerűen már hamarabb megjelennek)? Vagyis ha nem akarom túl bonyolítani az áramkört akkor elég a strobe-t rákötni az órajelre?
Ha valamit is konyít a dolgokhoz, akkor nem lesz baj. EEPROM-t csak akkor lehet törölni ha ténylegesen akarja.
Félre értettem, mert negative edge és positive edge-ről van szó, de akkor kérdem én, hogyan működhet így hiszen a D tár CLK bemenetére van kötve a strobe? Vagyis valami fel-le futó éleknek kellene lennie, nem?
Ez a srác eléggé titkolózós fajta, nagyon magában, és a szabadalmi jogvédelem alatt tartja a dolgokat, rosszul áll hozzá, ennek hatására az amcsik szinte mindent másolnak, lopnak el tőle, amit kivisz a harwardra megmutatni, vagy nem is tudom, milyen műszaki egyetemeken volt a cuccaival, nem akarok hülyeséget mutatni, de inkább arra vannak az amcsik ráállva, gondolva tanulva Ford esetéből, hogy jobb, ha az ötletet maguk dolgozzák ki, és akkor elmondhatják, hogy vannak saját feltalálóik is
)
Igen,jó lesz így.Az a hangfal amiben ez a tesla hangszóró, és ez a kondenzátor volt nem is volt más..
Igazán nincs mit. (hasonlatképp,a puding próbája az evés) Üzem közben elválik,de nem kellene hogy gondja legyen,
Dehogynem...
Számomra nagy segítség ez is, mert én kb annyit értek az elektronikához, hogy a páka melyik vége való forrasztásra. Viszont tetszenek a "fényes játékok", s szinte csak saját összerakás által lehet jó dolgokhoz jutni.
Probaltam mar , vagy 9 szamitogepen , midegyiken ezt irta ki .... De szerintetek megeri megcsinaltatni ? ... tobbe kerul mindha egy ujat vennek ....???
Minél több a sikerélmény,annál több az ösztönzés is..
Előbb utóbb a szükséges tudást is elsajátíthatod.. Ha van időm szívesen segítek..
Sziasztok!
Van egy Em 84-es varázsszemem. Bővebben: Link De nem tudom ,hogy mit jelentenek a fekete téglalapban a számok. Valaki megmondaná?
Szia.Egész pontosan gondolom ezt keresed..
A fekete kockába írt számok a szükséges áramot jelentik,pl a 6,3v-os fűtéshez 0,27A szükséges minimum.. Bővebben: Link
Okés köszi akkor ha jól értelmezem a 4-5-ös láb között
6,3V van 0,3A-al. 6-os lábnál pedig 1,8A
Sziasztok ! Kicsit régen kaptam ezt a választ, de lenne most még egy kérdésem hozzá:
Egyen, vagy váltó fesz jön ki 10V-ba belőle? Sajnos nem tudom szétszedni a tápegység dobozt, mert nem csavarozva van. ![]() Üdv ! |
Bejelentkezés
Hirdetés |









) csinálok talán egy 200W-os PP-t.. Lehet hogy drága a KT8, de a két kezemmel épített gitárjaim behozzák az árát. 





