Fórum témák
» Több friss téma |
Mielőtt kérdezel, a következő két dolgot ellenőrizd!
I. A helyes tápfeszültségek megléte.
II. A kimeneten van-e egyenfeszültség.
Élesztés.
Mielött komolyabb büvészmutatványokat tennél, vegyél egy darab hasonlo értékü potit -elég mono is, és az egyik helyébe kösd azt be,
Ha az is serceg akkor a kondikat kell cserélned, ha nem nem, akkor jöhetnek a büvészmutatványok az olajjal a meg a sprayekkel. (Sok reményt azért ne füzz ezekhez... )
Üdv.
Adott egy Denon DRA-350 tip. erősítő aminek a kapcsolási rajz alapján be akartam állítani a nyugalmi áramát de véletlenül összeért a két mérőcsúcsom (kb. fél centi van a két pont közt ahol mérni kell a fesz.-t). Egyik oldal végtranzisztorai elszálltak (komplementer pár 2SC2577 és 2SA1102), a tranzisztorokat kiforrasztva az erősítő nem pukkantja el a biztosítékot és a másik oldal tökéletesen üzemel. A kérdésem a következő: mivel az eredeti tranzisztorok már kifutott tételek, helyettesítővel pótoljam őket vagy egy paraméterben egyező vagy nagyobb (80V-8A-80W) tranzisztorpár is megteszi? A fenti kérdéshez még azt hogy kicseréljem-e a másik oldalt (befolyásolja-e a hangzást?) is és állítsak-e utána a nyugalmi áramnak az eredeti rajz szerint?
Rendben, köszi neked is, akkor veszek majd egy másik potit és kipróbálom, amit mondtál.
Remélem csak az elkók miatt serceg.
Üdv.
Látom sokan vannak itt akik értenek ezekhez, de nekem is vannak tapasztalataim és véleményem. Nekem is volt dolgom alps potikkal és szerintem nincs örök életű (szerintem nagy tévedés, kivéve ha évente 2x tekered csak oda és vissza, mert akkor nem fog tényleg elkopni a poti pályája) én is találkoztam nem egy alps potival aminek "eltűnt" a szén sáv, ezeken tényleg nem lehet segíteni. Nem egy potit szedtem darabokra és javítottam, mivel eleinte és is csak megfújam "varázsszerrel" így most ezeket a füleket én is óvatosan kihajtom és a szén pályát pamut ronggyal és WD40-el tisztítom (nekem nem fordult elő de ha ezzel a módszerrel óvatosan letisztítod nem szabadna eltűnni a vezetősávnak, kivéve ha már "szétvágta" a sávot a csúszka), persze a csúszkákat is letisztítom. Igaz amit neked mondtak " beleragad a kosz a WD40-től, viszont ha ezzel a módszerrel csinálod jó lesz+ egy kis kenés lesz a pályán, így még szerintem védi is a sávot, mert siklik rajta.) Volt pár alps poti amit csak az idő "evett" alig használt még is sercegett és nem kondi miatt volt, de nem kizáró ok lehet ez sem. (Persze mindenki úgy csinálja ahogy neki tetszik.) De a pontos hiba is segít, ha végig serceg akkor kondira is lehet gyanakodni, ha nem akkor elég kopott a pálya, de szétszedésnél ez látszódik.
Az ALPSnál is vannak hatalmas különbségek (árban is meg minöségben is).
A tolopitikon, az olcson szénréteg van, a drágán nagyon jo minöségü müanyag ellenállásréteg amibe computerrel karcolják be az ellenállást. A potikon is vannak szén/grafit csuszkájuak és az olcsobbakon fém csuszik az ellenállásrétegen. Nyilvánvaló, hogy semmi sem örökéletü, de azért a minöség, minöség marad sok évtized során.
Hali! Milyen tokozásúak a vég tranzisztorok?
2sd 1047,2sb817http://www.hqelektronik.hu/pr?srch=2sd1047&ls=20&sm=2
Hello!
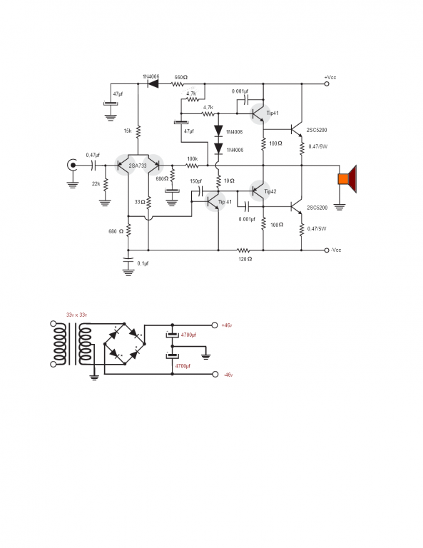
Beringer 600 forumtarsunk kozze tett egy rajzot,errol egy pici leirast kaphatnank? Koszonom!
Szia,
A tranzisztorok tokozása egyezik azzal amit linkeltél, köszi szépen a gyors választ. Szerintetek meglehet kérni őket arra hogy válogassák párba őket (személyesen nem tudok elmenni) vagy ez nem annyira fontos?
Hali! Sajnos erről leírásom nincs,de ennek a kapcsolásnak van egy nagy testvére, íme azt már megcsináltam,és most a kicsi következik.
Különben a kisebbik kapcsolás 2x100w-ot tud,hídba 1x200,a nagy pedig,2x200,és 1x400w természetesen 4óhmon.,ha tudok valamibe segíteni szólj bátran,üdv.
Koszi.
Kissebik kapcsolas 2x100w-ot 8ohmon tudja? Es mekkora feszrol melyen?
Parancsolj a kapcsi rajza.
2x50v-ról nyugodtan küldheted.Nekem a nagy erősítőm a kép amit küldtem 2x56v-ról küldöm,és brutál.
Mi az alapvető különbség erősítő és gitár erősítő közt? Az én elméletem szerint az, hogy a gitárerősítő ki van egészítve egy előfokkal.
Kissebik kapcsolas 2x100w-ot 8ohmon tudja?
Koszonom!
Azt pontosan nem tudom sajnos.
A gitár erösitönek sokkal nagyobb tartalékkal kell rendelkeznie, és természetesen teljesen más elöfokozat. A gitárból igen gyakran jönnek kevéssé kultivált, és szintben aligha kordában tartható jelek, amit ki kell birnia.
Üdvözlök minden erősítővel foglalkozó emberkét!
Az én problémám az, hogy nem találok Sony TA-F 570ES tipusú erölködőmbe hangerő szabályozó potit,és egy komplett előfok panel is jó lenne bele,mert iszonyatosan melegszik.Először is nem tudom,hogy miért pont az előfok melegszik éppen,másodiknak pedig itt vannak a hangerő szabályzó poti adatai: ALPS 120I 241-516-11 60K x2 Válaszotokat előre is köszönöm,Üdv: M.Gee.
Ja,és utóiratként még azt elmondanám, hogy a poti lábai 2x4 lábúak(legalábbis az eredeti gyári potinak ilyen a lábkiosztása,és a panelen is be van forrasztva),és manapság vagy nem gyártanak ilyet,vagy nem találtam még rá.Pedig jó lenne
Hali! mérd meg hány óhmos légyszives,hátha tudok segíteni.
2x60k.
Holnap megnézem milyen értékű,és ha megfelelő,akkor fel ajánlom jótékony célra.
Nahyon szépen köszönöm előre is
Hali! Sajnos nem nyert,mert 2x50k,és 2x5 lábas.
Üdv mindenkinek.lenne egy kérdésem az erősítőkkel kapcsolatba.
Van nekem egy Orion Orister 1015-ös erősítőm és valószínű hogy a végfokok zárlatosak,szegények nem bírták a terhelést. Szerintetek a BD245C végfokok helyett rakhatok én bele BD249C seket? Feltöltöttem mindkettő adatlapját.Kukkantsatok rá légyszives. Előre is köszönöm.
Szia!
Rakhatsz, és datasheet, nem sheat.
Ó tényleg,ezt benéztem
Köszi a gyors választ.Azért kérdeztem amúgy mert az egyiknél 10A-es áramerősség van írva a másiknál meg 25A.De már rájöttem a dolgokra.
A nagyobb áram csak jól jöhet, áramerősítésben meg nincs nagy különbség.
Én is erre gondoltam,van egy csomó fajta ebben a típusban,de hogyha már veszek akkor valami erősebbet,ami jobban is bírja.Még kicserélek pár kondit aztán remélhetőleg jó lesz.
Amúgy a hibája hogy néha elkezdte kicsapni a biztit,de néha tettem bele újat és jó volt egy darabig.Aztán egyik nap kiolvadt megint,de hiába tettem bele újat ugyanúgy az is.De előtte nagyon meleg volt az erősítő,nem volt elég ez a hűtés tuti ami bent van. |
Bejelentkezés
Hirdetés |




) 


