Fórum témák
» Több friss téma |
Mielőtt kérdezel, a következő két dolgot ellenőrizd!
I. A helyes tápfeszültségek megléte.
II. A kimeneten van-e egyenfeszültség.
Élesztés.
Na most akkor jól megkavarodtam,maradok az arany középútnál lesz DAP 1600 kész
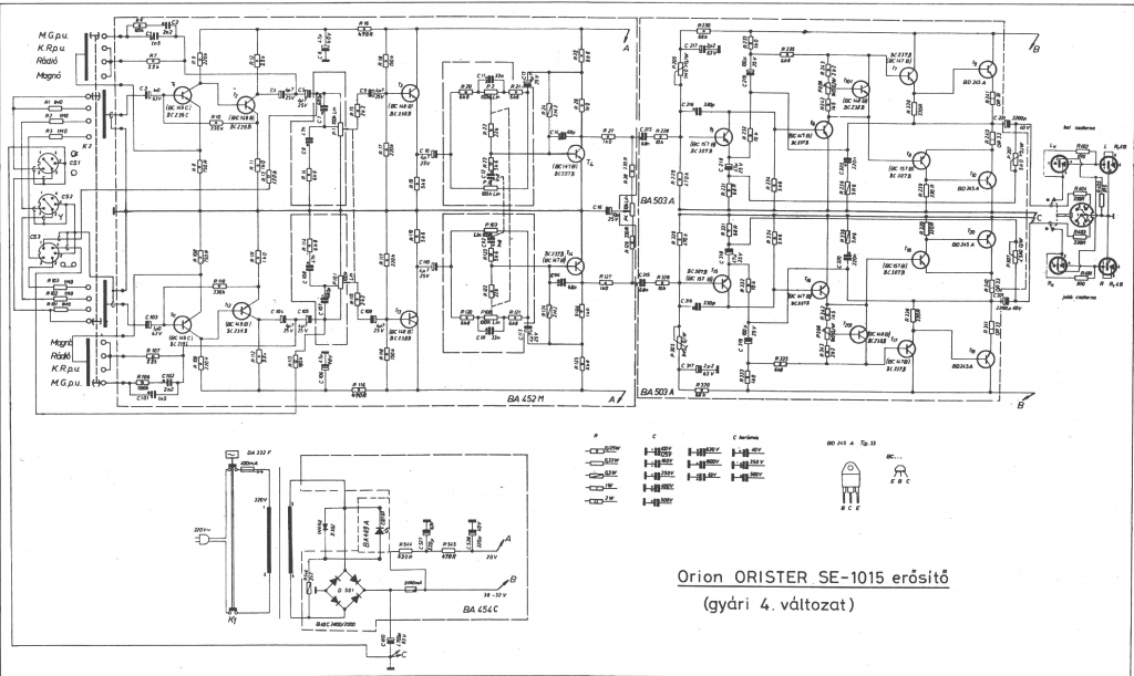
Üdv mindenkinek.A segítségeteket szeretném kérni.Van egy Orion Orister 1015-ös erősítőm,és úgy nézki hogy nem csak a végfokok hanem a trafó is elment benne.A trafó bemenetén bemegy a fesz. de a kimenetén már nemtudok mérni semmit.próbáltam kimérni az ellenállását de csak az egyik felén van egy kicsi.Valószínűleg szakadás van benne.Mit ajánlotok?Szerezzek egy másik trafót,vagy dobjak össze neki valami féle tápegységet?Elvileg 20V és 32-38V kellene.Mellékeltem egy kapcsolási rajzot.Előre is köszi.
Az is lényegesen erősebb lehet mint az EP2500.
Hali! Minden bizonnyal a primér oldal szakadt meg,mert a szekunder oldalt kicsit nehezebb hazavágni.Boncsd meg a trafó burkolatát,és minden bizonnyal a hővédelem szakadt meg,és ez olyan hibát eredményez mintha a primér oldal lenne meg szakadva egy kis ellenálást keress,rögtön ott van a burkolat alatt,a 220-as bemenetelnél.Tapasztalatból mondom,és már javítottam trafót ezzel a hibával.Ha kérdésed van,szólj.Üdv,Zsolt.
Soundman köszi,egy kicsit ígyis a DAP AUdio felé húz a szívem,akkor az marad
Köszi szépen a segítséget.Megbontom aztán majd írok hogy mire jutottam.Üdv.Balázs
Amúgy lehet hogy igazad lesz mert kicsit túl melegedett szegényke annyira járattuk,meleg is volt.De most majd veszek bele bd249c-t az majd bírja a terhelést.
Szia az ep 2500 nem tud meg 2x 350w 8 ohm on se... nekem volt 1napig lemertem a tejesitmenyet es mar az nap tul is adtam azon a vackon. Hazilag jobbat lehet csinalni. azt irja rajta hogy 2x 1200 2ohm... 2ohm ot sehogy se birja. amugy meg 800 Va trafo van benne...
Thank you djcrash,akkor szerinted a DAP jó ?
Köszönöm! Ez kell nekem!
Jobb mindt a behringer. En Yamaha vegfokot hasznalok,eleg sok bulit kibirt es nincs vele semmi gond.
Mondjuk a yamaha az csúcs,de én annyira nem vagyok eleresztve pénzügyileg hogy megvehessem.60-70 K t szánok rá maximum.
Sziasztok!
A közeljövőben szeretnék építeni egy erősítőt, TDA szériás IC-vel. Amit szeretnék; távirányíthatóságot, LCD-kijelzőt a hangszín és hangerő kijelzésére, hangszínszabályzót, balansz állíthatóságot, hangszóróvédelmet, némítás funkciót, legalább 2x30W teljesítményt. Hogyan kezdjek neki?
Sziasztok,
Szeretnék építeni egy 2.1-es erősítőt amit egy akkuról szeretnék üzemeltetni. Egyenlőre csak tervekben szerepel, így jöhet bármilyen erősítő nem kell hangszórókhoz egyeztetni, viszont a súly miatt a kisebb teljesítményűekre gondoltam. -Valaki próbálkozott már ilyennel? -Illetve egy árbecslést tudnátok mondani ? Köszönöm
hali. Javítgatom az erősítőm...amíg meg nem jönnek meg a cuccok hozzá...addig kialakítottam egy izmosabb hűtő rendszert az előlapra..kicsit nem törődve az optikával...a hátsó nagy venti mellé még előre kialakítottam még 2 a végfokokat hűtő hűtést...hogy soha ne legyen forró az eleje,ha fullon megy...gondolom rengeteg probléma kialakulása megelőzhető egy jó végfok tranyók jobb hűtésével...jól gondolom?
Egy kapcsolási rajzot és nyáktervet nem tudnak valaki?
Köszönöm
Ezek nem dragak es meg 10ev mulwa is mukodni fognak...Bővebben: Link
Az a baj, hogy nincs mit hűteni. Borda kéne oda, mert így megy be a levegő de.. Tranyók tetejét max azt hűti meg azt az alulapot amin van.
Ha hűtőbordás lenne az eleje, akkor többet érne...
A ventilátorok mögött a rácsot pedig bővítsd fel a forgórésszel megegyező átmérőjűre és lehetőleg kör alakúra, úgy lesz a legjobb. A jelenlegi nyílás miatt hangosabbak lesznek a ventik és levegő sem áramlik annyi.
A nyílásokat valóban bővíteni kéne, illetve ha már a probléma megelőzésnél járunk egy-egy ventirácsot mindegyik venti megérdemelne.
Ebben igazad van,lehet lecsapok a 3500 re ha megvan még..
hejj!
ebben van hátul egy nagy 230V os venti! ami hűti azerrel az egész erősítőt...én csak szerelek még az elejére is 2 kicsit persze nagyobbra vágva még a ventik mögötti részt...
Amúgy mi a tapasztalatod velük?Oldalanként 1-1 400-as subra kellene,és 2 szélessávot kellene hajtani,elbírja?
Hangminőség?Damping?
Az komoly retró végfok amit szerelsz,mik azok a hajdú centrifuga indítókondenzátorok benne?
Nem spróroltak rajta az tuti
Az már biztos h nem mai!
régi orosz erősítő!
Sziasztok,
Remélem valaki tud segíteni, hogy elinduljak az elektornika hosszú tanulási folyamatán ![]() Szeretnék építeni egy 2.1-es aktív hangfalat amit aksiról üzemeltetnék és egy telefonról vagy valami hasonlóról kapná a jeleket . Keresgéltem a témában és több helyen is írták , hogy 12 voltos tápfeszről csak nagyon kis teljesítményt lehet elővarázsolni az erősítőből. Én 2*8w és 1*25w-ot szeretnék meghajtani. Még csak tervezési státuszú a dolog így semmi alkatrész nincsen. Lényeget majd kihagytam.. Kezdő vagyok, így ha lehet azt is írjátok le hogyha valamit nem lehet, akkor miért nem stb... Ismerősöm mondta hogy 2*8 wattosnak megfelelő lenne két darab tda2003-as IC, a 25wattos subnak pedig egy tda 2030-40-50 közül az egyik. Mivel aksiról menne így a fogyasztás sem utolsó és 12V lenne a tápfesz.
Szia! Kaptál már erre választ. Használj négy csatornás autós végfok IC-t.
Igen valóban kaptam rá válasz Bővebben: Link ( Köszönöm Bencikusz ) Azért hátráltam meg, mert láttam egy sub bemenetet rajta, de mivel telefonról kap majd jelet így nem lesz külön jel a subnak.
Leehet most hülyeséget írtam., és mégis megfelelő nekem , akkor javítsatok ki és már keresek is valahonnan nyáktervet. Köszönöm |
Bejelentkezés
Hirdetés |













