Fórum témák
» Több friss téma |
Fórum » Ki mit épített?
Ez a téma ha úgy tetszik a mi "kiállítótermünk", nem pedig a ki mit csinált volna másképpen, mások helyett, és legfőképpen nem javítós téma.
Minden készüléknek van saját témája, ott kell kitárgyalni a részleteket!
FONTOS! A kapcsolási rajzok keresésére is van saját téma, ott keressetek rajzokat!
Sziasztok! Ma fejeztem be a tda7377-el felépített erősítőt, képék mellékelve, kábelezést szégyenlem, de nem volt itthon több eres kábelem, valamiért van 50 hz bugas, szures 2200 µF lehet hogy csak az a baj, de lehet hogy a trafó szórja meg az pedig igen nagy baj lenne.
A hozzászólás módosítva: Jan 4, 2013
Gratulálok az erősítőhöz, én csak most láttam olvastam. Nagyon szép lett a plexi tető nagyon jó ötlet. Szép esztétikus.
Köszönöm szépen. A plexi igazából üveg lap,
a bemenő 220-at szokták szűrni egy-egy kerámiakondival a fázis-föld és a nulla-föld közt, de a trafó és a panel közé beállíthatsz egy nyers nyáklapot a dobozhoz földelve, az is jól megfogja a mágneses hullámokat (réz).
Sziasztok, sok válogatás után végre találtam egy szimpatikus gitár erősítőt. Ez egy Soldano Atomic. 5W-os és az egyenirányítás is csöves. Félvezető csak is a LED. A kimenőt én tekertem, a hálózati rádióból bontott, de jó állapotú. 2 db 20 centis és 93 dB-es hangszóró van a ládikámban. Piszkosul nagyot szól!
Remélem, nektek is tetszik legalább fele annyira, mint nekem A hozzászólás módosítva: Jan 4, 2013
Magában is zúg, ha nincs összedugva semmivel? Ha igen, nézd át a földelést, hogy sugárirányú legyen.
Én 25 éve építettem utoljára erősítőt akkor a quad volt az ERŐSÍTŐ , Ez viszont még 30 év múlva is az lesz ! Gyári erősítőben sem látni ilyen kivitelezést .Hol van a kalap emelős smyli ?
Igen magában is búg, beiktatom majd azokat a kondikat, hátha megszűnik a bugás. Köszönöm!
Köszönöm neked is. Sok munkaóra és mégtöbb szeretet van benne.
A hangja szerintem kiváló. Olyan quados.
Sziasztok!
Ugyan ez nem a "Ki mit épített", hanem inkább a "Ki mit programozott" topikba illene...
Ez a szénszálas kivitelezés nagyon tetszik!
Gyönyörű lett, a következő erősítőmet én is ilyennel fogom burkolni, de az csöves lesz és gitárhoz készül. Hol lehet ilyen fóliát szerezni?
Szép lett!
Ez olyan eszement gainnal rendelkező metal erősítő, vagy inkább az overdrive-ra hajaz, mint pl a régi csöves fenderek? (az elsőre szavazok a két kisjelű cső miatt)
Igazi highgain cucc. Középtől felfele csavarva jó bármilyen mátálhoz, alatta jó kis rockos hangja van, de lehet teljesen tisztán is használni. Fél hangerőn hallgatva meg már brutális
Akkor nem kérem el a rajzát, én valami bluesos dolgot építenék.. Ma délután raktam össze 6n2p és ECL86-ból egy kis egyszerűt (amúgy derailment a neve), de valamiért izomból, üvöltve, tombolva gerjed..
Köszönöm. Én a helyi papir irószerben vettem. 1500/m2 áron.
Azt ismere, én is megépítettem a nyáron, de annyi bosszantott, hogy gerjed és csak torzan szól, hogy majdnem összetörtem a csöveket. Van itthon 3 PCL86 meg 2 ECL86, elszerettem volna őket használni, de azt hiszem maradnak a dobozban, nem egy híresen jó cső.
Kösz a tippet, körbe nézek én is, hátha kapni nálunk is.
Üdv, mindenkinek.
Hosszú munka után a mai napon lett kész teljesen az akkutöltőm. Nem a legszebb a dobozolás, de a célnak megfelel A hozzászólás módosítva: Jan 4, 2013
Ahogy elnézem,ő . Nekem is egy évembe került mire kész lett
( sose volt rá időm )
Szia!
Egyenirányítás után amperenként kb. 100.000µF kapacitás kéne a simításhoz. Ennek azonban vannak hátrányai is, meg be sem férne ennyi kondi a dobozba. Ezeknél a kis erősítőknél tökéletes, ha feszültség stabilizátort használsz. Gondolom 7818 egy diódával jó lenne, az úgy 17,4 volt körül stabil. Csak arra figyelj, hogy általában ezek 1 ampert bírnak, szóval lehet, hogy kettő kell párhuzamosan. Így tuti nem lesz benne a brumi maci. Idézet: Na, ne már...! „Egyenirányítás után amperenként kb. 100.000µF kapacitás kéne a simításhoz.”
Forrás én innen vettem, ha hazudnak, akkor én is. Sokszor sokan elfelejtik, hogy a búgó feszültség nem a földelés hibája és mindenki egyből azt javasolja. Pedig csak a tápból érkező deltaU "hullámzása" hallható brummként. Én TDA 7375-be raktam 100.000µF-et és tökéletes lett.
Nem vitatkozás képpen, de nem csak 10.000µF-et? Az 10mF, igaz az is soknak tűnik amperenként. A 100 ezer mikrofarád az 100milifarád, ha nem tévedek. Ekkora kondenzátort ritkán látok bevallom! Zs.
A hozzászólás módosítva: Jan 5, 2013
Nem akarom szétoffolni a topicot de oda 4700µF elég, a 10.000µF már sok is. Mérget mernék venni rá, hogy árnyékolás és/vagy földhurok van, azért búg!
A hozzászólás módosítva: Jan 5, 2013
Az enyém nem búg! Én a kollégának akartam segíteni, de akkor keresgélje a földhurkot. Ezzel én befejeztem!
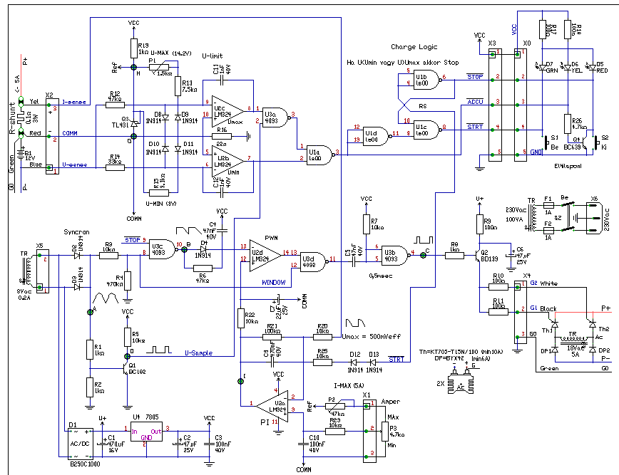
Ez a kapcsolás a proli007 által tervezett kapcsolás, annyi módositátssal hogy a töltőáram kicsit megnöveltem. Bővebben: Link
A hozzászólás módosítva: Jan 5, 2013
Sziasztok!
Elkészül a propeller clockom! Kicsit sárgább, kicsit savanyúbb, de az enyém! |
Bejelentkezés
Hirdetés |




















( sose volt rá időm )











