Fórum témák
» Több friss téma |
Fórum » Fotoelektronikus szenzor illesztése avr-hez
Témaindító: Paso, idő: Szept 10, 2012
Témakörök:
Sziasztok !
A problémám az lenne, hogy egy ilyen jeladó jelét kellene feldolgoznom AVR mikrovezérlővel. A problémám ott van, hogy az AVR 5V DC feszültségen megy, ez a jeladó pedig 12V DC-n, tehát valamilyen tranzisztoros kapcsoló áramkört kellene az AVR lábára kötnöm, csak milyet ??? Esetleg kell e valamilyen jelszűrő áramkör ??? A jeladó: http://wiki.wall-y.fr/lib/exe/fetch.php?media=datasheet:keyencepz-m31p.pdf
Mondjuk a kezdo kerdeseknel elfert volna. Az erzekelok 2 fele kimenettel rendelkeznek, ugymint NPN es PNP. Nem tudjuk Te melyik peldannyal kerultel kapcsolatba, de ha NPN kimenetu, akkor semmi gond az illesztessel, mert a kimenet nyitott kollektoros, es egy felhuzo ellenallassal mar mehet a uC labara direktbe. Viszont ha PNP kimenetu, akkor egy NPN tranyo, valamint 3 ellenallas segitsegevel tudsz csinalni egy illesztot.
Köszönöm a gyors választ,igen tudom, hogy kezdő kérdés, de sajna a tudásom, még csak idáig terjed
![]() Esetleg egy sematikus rajzot a megfelelő értékekkel kérhetnék, mind a két esetre ?
Nem lenne egyszerubb, ha megadnad a konkret tipust, es ahhoz csinalnek valamit. Majd kesobb, mert meg nagyon koran van.
Még egy kis kiegészítés a jeladóhoz.
Négy vezetéke van : - barna (12V DC) - kék (0V) - pink (működési mód vezérlés, DARK-ON módban használom, tehát 12V DC-t kap) - fekete (kimenet) A jeladó fekete marker jel érzékelése esetén a "fekete" vezetéken a tápfeszt (12V DC) adja ki, de világos rész érzékelése esetén a "fekete" vezetéken -4 -5 V DC feszültség mérhető !!!
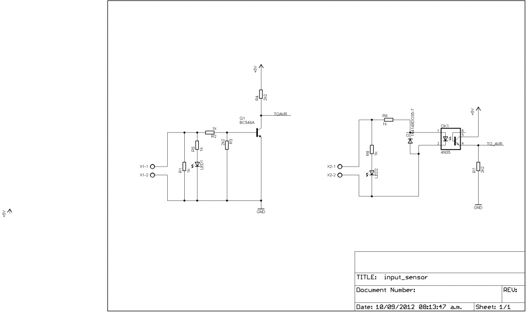
Itt van ket megoldas. Az elso egy sima tranzisztoros inverter, a masodik optos. En a masodikat alkalmaznam, mert a zavarjeleket levalasztja. A bemenet allapotat mindket esetben LED jelzi.
Amit utoljára írtam, hogy negatív feszültség mérhető a "fekete" vezetéken olyankor amikor
nincs jeladás, mind a két általad adott kapcsolás lekezeli ???
Gondolom osszeszed valami zavart a hosszu kabel, es a multimeter nagy bemenoellenallasan megjelenik. Az optos kapcsolas erzeketlen az ilyen koboraramokra, es termeszetesen galvanikus levalasztast biztosit.
|
Bejelentkezés
Hirdetés |










