Fórum témák
» Több friss téma |
Ne már Laci. Hogy nyitnának egymásra a 494 óriási holtidejével? Még az UCC-vel sem nyitnak egymásra, pedig annak a holtideje töredéke a 494-ének. A trafós meghajtás meg mitől lenne light-os? A tapasztalatok alapján sokkal többre tartom mint az IR-t, hiába írnak bármit az adatlapjára (lásd UcD-ben ellen ütembe kötve kiakad, hegesztőben hidat hajtva szintén, aztán lehet a drága IGBT-kből vagy FET-ekből venni újat). A trafó még sosem hagyott cserben a hegesztőben sem, ez meg egy egyszerű primitív táp. Mindkettő évek óta kifogástalanul működik, azzal a "light-os" trafóval.
IRF460-at használ, aminek a gate töltése 230nC. keménykapcsoló üzem van, így nincs effektív gate-töltés csökkenés (mint a ZVS rezonánsnál)
A trafónál a legnagyobb probléma a szórt induktivitás, valamint a meghajtó tranyók sem a leggyorsabbak. Lásd mellékelt szimuláció. (itt 1mH mágnesező, 4uH szórt induktivitás volt, ami azért nagyon kevés, ilyet házilag biztos nem produkál). Ezeket a FETeket az IR2110 sem hajtaná meg normálisan, kiegészítő tranzisztor nélkül, az igaz. Bár valószínűbb az, hogy vodoo símán csak rossz fázisban kötötte be a FETeket, és az egyik híd egymásra nyittot. Én is kísérleteztem trafós hajtással, de valahogy a 300kHz-et nem nagyon bírta.
Azért ennyire nem rossz a helyzet. Vidd fel a szimulációhoz a tranyók emmitterén levő feszt is. ( kicsik a BD-k erre a helyre )
A másik, hogy egy hardswitch-ben a főtrafó elég induktív ahhoz, hogy a tranyó a mellette levő nulldiódától ( saját, belső diódájától ) vegye át az áramot. Vagyis, ha jól meggondoljuk, nem kell annyira gyorsnak lennie a gatejel emelkedésének. Nyilván, 300 kHz-en nem igen járható út, bár akkor már kis menetszámok adódnak, tehát a méretek is kicsik, ezzel a szórt induktivitás is. A gatemeghajtó trafót is meg lehet csinálni kicsi szórt induktivitásúra, csak az a baj, hogy akkor meg a primer-szekunder közötti kapacitás lesz esetleg túl nagy. Ez egy nagy Qgt tranyónál nem annyira gond, de egy kicsinél már igen. Esetleg megnyit akkor is, amikor nem kellene...
Valóban nem olyan rossz a helyzet. Annak idején megnéztem a hegesztőm gate trafóját és elszörnyedtem, mert a Laci által szimulált T1-T2 pontok között (746ns) a valóságban jóval nagyobb idő van, ha jól emlékszem 1,8us körül. Ehhez képest az IGBT-k teljes átkapcsolása mégis megtörténik kb. 90ns alatt.
Nem a feszültségváltozások időtartama csak a lényeg. Ha csak annyi a kapcsolás, mint amit a Laci szimulált, azzal az a baj, hogy a kikapcsolás nagyon lassú lesz. Ezen belül, túl hosszú lesz a kikapcsolási késleltetés, vagyis túl nagy lesz a holtideje az elrendezésnek. Persze ezen lehet javítani egy emmitterkövetővel a szekunder oldalon. Tehát, a kikapcsolást meg lehet gyorsítani, hiszen, hiába nagy a szórási induktivitás, az emmitterkövető miatt sokkal kisebb lesz a szekunder áram, vagyis nem lesz annyira lassú, kisebb lesz a kikapcsolási holtidő, vagyis hamarabb eltűnik a tárolt töltés a tranyóból. Ha valamiért szükséges, hogy a bekapcsolás is gyors legyen, akkor tehetsz dupla emmitterkövetőt is, akkor a szekunder terhelés bekapcsolásra is kisebb lesz, vagyis gyors lesz az áramkör. Ha esetleg a dead time-ot is ott csinálod meg, mondjuk beteszel még egy C14-es schmitt triggert, akkor még a zavarok ellen is tettél, nem is keveset. Szóval, mindenfélét ki lehet találni, de a vége az, hogy még ha filléres alkatrészekről van is szó, egyre bonyolultabb lesz... ( A komolyabb ipari berendezéseknél én azt látom, hogy inkább a vezérlés oldalba tesznek bele sok apró alkatrészt, minthogy a főköri alkatrészek lennének komolyabbak, drágábbak. )
Nagyon sokat szimulálgattam a meghajtó trafós dolgokat, ugyanis én is megpróbáltam az alkalmazását a rezonáns táp továbbfejlesztésén. Sajnos megbukott. Pedig egy gyári Coilcraft gate meghajtó trafót alkalmaztam, ráadásul ugyanazt, amit a TI is az egyik mintakapcsolásában. Tekertem egy sajátot is, kicsi toroidra. Nekem 120-330kHz között kelett volna működnie, és 2x4A-es IC hajtotta (TI cucc) Üresjáratban a deadtime ideje szép hullámos volt, így csinált pluszbekapcsolásokat 300 kHz felett. Ha kevés menetet raktam rá, hogy a szort induktivitás kicsi legyen, akkor pedig a mágnesező lett túl alacsony.
100 kHz alatt lehet jó gate meghajtó trafókat csinálni, és valamikor tényleg jó, pl 600V felett (amikor nagyon drága lenne a szinteltoló meghajtó). De például kaphatók már baromi jó optós izoláló meghajtók is, egyik kandós barátom a szakdogájában, ami egy frekvenciaváltó ilyet használ. Mindenesetre akit a meghajtások további részletei érdekelnek, akkor...jókat. Ami mondjuk itt látszik, hogy a bikázó tranyókat érdemesebb a szekunder oldalon elhelyezni. Idézet: „120-330kHz” Nem csoda, hogy nem a várt eredményt kaptad, mert ez már rádiófrekvencia a maga sok buktatójával.
Valamikor ezen rádióadás ment, de vannak már olyan modern kapcsolóüzemű tápok, amik ennél nagyobb frekvencián mennek.
Sőt ajánlom keressetek rá az 1 MHz-es d-osztályú erősítőre... A témánál maradva a szimulációim alapján az IR2110 ezt tudja, persze csak bebikázva, mert a szinteloltólájban 300kHz már durva a veszteség.
Örültem volna egy Magyar nyelvű linknek. Ez nekem így nem sokat ér.
Az Angolok milyen könnyen fejlődhetnek az anyanyelvük miatt.
Tanulj meg angolul - bocsi. Egyszerűen muszály. Nincs korrekt magyar szakirodalom, még ha a cikket író ember magyar. Nem tudom ismeri -e valaki az illetőt, de talán vannak hasonló publikációi magyarul.
Amúgy nekem az a tapasztalatom (nem csak az elektronika, hanem a vegyészet terén is), hogy az angol szakirodalom sokszor szájbarágósabb, de sokkal jobban értelmezhető, mint a szegényes magyar.
A holland meg holland és a svéd meg svéd és szinte mindegyik beszél angolul. De ez már tényleg offos
" ... a mágnesező lett túl alacsony. "
Pici amorf vasat nem próbáltál? ( csak úgy eszembe jutott ) Azért van más megoldás is. Feltöltjük a gate-et egy rövid kis impulzussal, majd leválasztjuk ezt a meghajtótrafóról egy pici FET-tel. Amikor kikapcsolni kell, akkor egy másik FET-en keresztül negatív feszt kötünk a gate-re. Így megvalósítható, hogy nagyon kicsi lehet a gate trafó fesz-idő területe, kicsi a szórás, kapacitások, nem kell segédenergia a szekunder oldalra, lehet akkor is negatív feszt kapcsolni a FET-re, amikor az kikapcsolva van, így jobban bírja a du/dt-t, stb. Ez viszont a primer oldalt bonyolítja el egy kissé. Idézet: „Nagyon sokat szimulálgattam a meghajtó trafós dolgokat, ugyanis én is megpróbáltam az alkalmazását a rezonáns táp továbbfejlesztésén. Sajnos megbukott.” Inkább csak nem sikerült. Láttam működni 800kHz felett működő, rezonáns megoldást , trafós meghajtással, 1kW-os modulokból, 20kW-ra... Szóval azért valószínűleg meg lehet oldani...
Ez egy LLC rezonáns volt? Vagy egy fix frekvenciás? Fix frekvencián könnyű a dolog, ugyanis azt én is be tudtam lőni, hogy egy frekvencián jó legyen. De hogy 120 kHz-en és 320kHz is jó legyne azt nem. Persze vannak nálam profibbak is, akiknek sikerülhet, mert jobb tervet csinálnak, vagy olyan speciális meghajtó trafót tervezenk bele ami megoldja.
Nekem ebből az következett, hgoy inkább választok más megoldást. Azt a szimuláció megmutatta, hogy egy jobb trafóval gate trafóval sem lehet kapcsolási bonyolítás nélkül megcsinálni a dolgot.
Ha megmondod katt, hogy hol lehet ilyen pici amorf vasakat kapni, akkor kipróbálom.
Tudnál erről a leírt módszerről egy nagyjábóli kapcsolást mutatni?
Hogy nálunk hol lehet kapni, azt nem tudom. Külföldről biztos lehet rendelni, pl: a Vaccumschmelze gyárt ilyet, érdemes megnézni a honlapjukat. Van amorf vas, meg nanocristall, mindenféle méretben. Jó drágák, de talán egy kis méretű még megfizethető.
Valamilyen nekem is van, de az nagyobb méret volt, toroid, le kell tekerni és kisebbeket tekerni belőle. Holnap megpróbálom megkeresni, ha érdekel, elküldöm postán. Többféle kapcsolást is láttam, de nem nagyoin emlékszem, hogy néztek ki. A legelső valami nagyon régi IR applikáció volt, szóval egy cikk, talán az első FET katalógus könyvükből. Megnézem azt is, legalább a számát megkeresem, remélem az alapján meg lehet találni. Ilyen megoldással láttam egy 4 kW-os tápot ( akkutöltő ), 600V-ról ment, 1700 V-os IGBT-kel. Igaz, csak 18 kHz-en. Ennek ellenére egy dupla méretű alu tokban volt. ( talán a VIV csinál ilyen dobozokat, kültérre, villanyszerelésre ) A doboz belül félig üres volt.
Első körben azt mondanám, hogy fix frekis volt, azonban a freki megváltoztatásakor (párszáz kHz-en belül) csak a kimenő kört kellett utánaállítani. Volt benne egy védelem is ami pl. kapacitív terhelés esetén letilotta az egészet.
Sziasztok, kis segítség kellene.
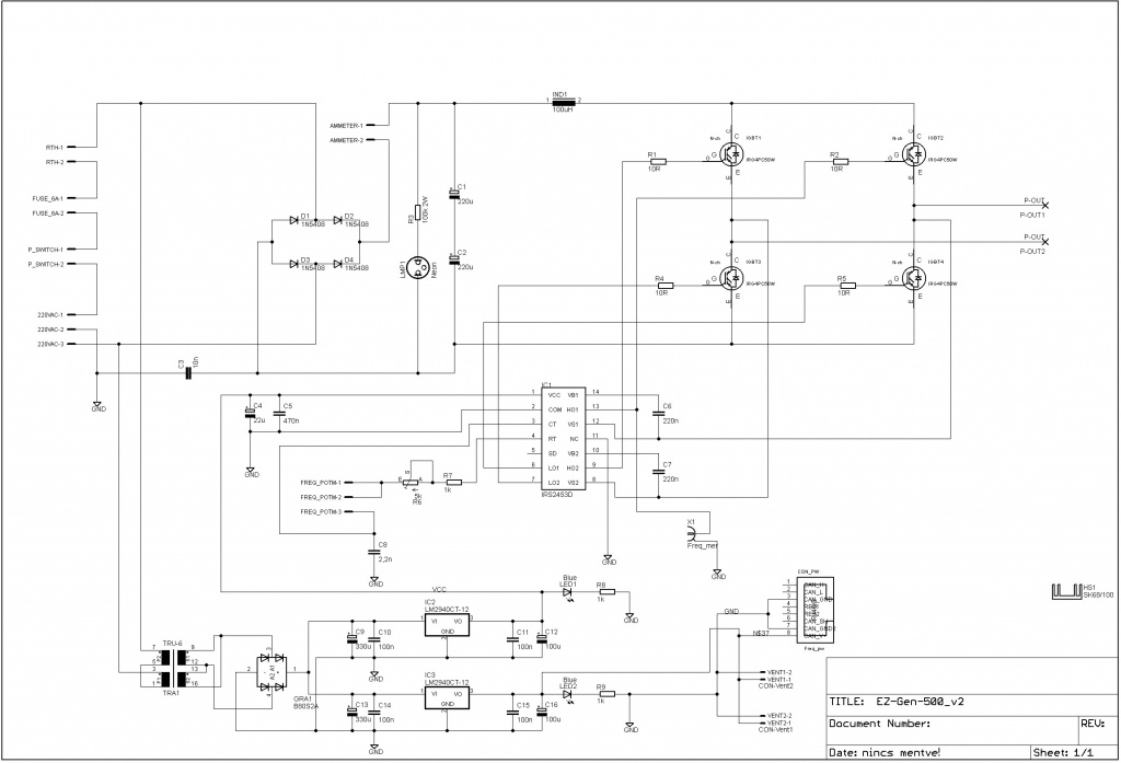
Építettem egy változtatható frekvenciás tápot (kapcsolási rajz mellékelve). A gondom az vele, hogy bekapcsoláskor állandóan zárlatra megy, teljesen úgy néz ki, hogy a hídban levő IGBT-k pl. IGBT2 és IGBT4, azaz vezérlési oldalról nézve HO1 és LO1 egyoldalon egyidőben nyitna ki és zárlatra viszi az egészet. Kérlek nézzétek meg a rajzot, én már 2 napja nézegetem, de nem találok benne hibát, pedig biztosan van benne, csak én nem veszem észre. Az Rth 10ohm 5A az ammeter 10A VDC Deprez műszer a trafó 2x115V /2x15V paneltrafó. Előre is köszönöm a segítséget! A hozzászólás módosítva: Nov 2, 2012
Jajj, most vettem észre, hogy a paneltrafó szekunder 2x15V-os oldalát én párhuzamosra akartam kötni, ehelyett sorba és utána pedig zárlatra kötöttem... jól látom?
Bírják azok az IGBT-k ezt a frekit az adatlapjuk szerint?
A híd betáp kapcsaira tegyél egy jó nagy elkót.Meg valami MKT kondit, mert így a bemeneti fojtó nagyon gyorsan hazavágja az IGBT-ket. ( ha csak nem egy áraminverter lesz ez, de azt nem hiszem.
Az adatlap 150 kHz-ig javasolja, ez egy kifejezetten ultragyors IGBT
A 2 db 220µF sorba kapcsolva ezek szerint nem elég? Milyen (mekkora) kondikat javasolsz?
De puffert a folytótekercs előtt kötötted! Ha pufferelni akarsz, akkor utána rakjad!
Így első ránézésre is rossz a rajz. Az IC adatlapját nem néztem meg, de feltételezem hogy HO1 és LO1 egy időben nyit ki, vagyis ha a rajz szerint kötötted be, akkor éppen egymásra nyitod a két IGBT-t.
Nem tudom mekkora tápot akarsz ebből, de 180mA-el hajtani egy ekkora IGBT-t szerintem nem lesz túl egészséges. Amazok adatlapján pedig a hyper-superfast szavaknak nem kell bedőlni, annyira nem gyorsak, sőt. Fetekkel jobban járnál.
Egy-két oala lecsesztem a trafós hajtást. Ma hosszasan szimulálgatva végül sikerült egy olyan hajtást összedobnom az UCC25600-hoz amely számomra is elfogadható lehet, és még nem túl bonyolult.
A mellékelt rajzon belevettem az UCC25600 hajtási korlátait (belsőellenállása), a trafó szórt és mágnesező induktivitását, valamint parazita kapacitását. valamint a FET belső gate ellenállását. Egy további modell során még ráraktam a félhíd feszültségét, itt már látszik, hgoy a trafó parazita kapacitásának mi a hatása! Lényegében az UCC25600-on kívül kell egy DC leválasztó kondi (Balog Laszlo cikkében azt írja, ez nem lényeges, de az UC25600 adatlapja ajánlja), maga a trafó (Coilcraft HA3858 adatai), két ellenállás, két pár tranyó, és persze a szokásos szinteloló táplálás. A két ellenállás értéke ha túl kicsi, akkor a tranyók BE-n átvezetnek és leesik a fesz, ha túl nagy akkor meg lassúk a tranyók. Szerencsére még multkor kísérleteztem a tranyók típusával, és NPN-ben a kvöetkező sorrendet állítottam fel: 2N3904, 2N2222A, BC182BP, PNP-ben pedig a következőt: 2N3906, 2N2907A, BC327-40, BC212BP. Ez mind Multisim szimuláció alapnán! Ez fontos, ugyanis gyártótól és altípustól erősen függ a nagyáram tarotmánbyeli erősítés, és így a gyorsaság. |
Bejelentkezés
Hirdetés |











