Fórum témák
» Több friss téma |
Sziasztok !
Először is elnézést, de nem tudom melyik kategóriába tegyem fel a kérdést.. AD is, PIC is... A segítségeteket kérném, mi lehet a probléma. Fenti AD VIN+, VIN- lábain 10-100mV változás van, stabil bemeneti jelnél "kedve szerint". Egy feszgenerátorral 2db 10K-s ellenálláson adok neki pl 500mV-ot, ott műszerrel mérve stabil, ugyanez a két ellenállás után (AD lábain) már fel-le fut. Olyan, mintha az AD a két bemeneti lábán feszültséget adna ki ! Rövidrezárva a két bemenetet, testre húzva is "fut" az AD 50-500 egységet (!). Sima ellenállás-osztóval is próbáltam generátor helyett feszt adni a bemenetre. Ha nem vezérlem az AD-t, akkor nem csinálja (kiveszem a PIC-et). Jó kérdés, hogy a PIC-től van e.. de ez szerintem nem lehetséges, mert akármiyen rosszul is írtam meg esetleg a szoftvert, ilyet akkor sem csinálhat az AD (szerintem). Vagy? Az AD zsír új. Próbáltam elemről üzemeltetni, hátha esetleg valami zaj.. PIC-et cseréltem. Feszstabilt cseréltem. Próbáltam a bemenetet "rommá" kondizni.. REF-je stabil. Kicserélném AD-is, de mire hozzámér postaköltséggel majd 2400 Ft.. Döglött lehet az új AD? Bármilyen ötletet szívesen fogadok.. Adatlap
Üdv !
Mérjél rá a Vref lábra, ott nem ugrál-e, annak nagyon stabilnak kell lennie. Esetleg a tápellátást is ellenőrizd, lehet, hogy a táp kavar be. Ahhoz, hogy pontosabb segítséget tudjak adni, jó lenne látni a azt, hogy a frontend-et hogy oldottad meg.
Szia !
A táp zavarainak kizárása érdekében 4,5V-os "laposelemről" is próbáltam a kütyüt. Hogy REF-el ne legyen gond, felkötöttem +-ra 100ohm-on keresztül, 10µF-s kondival hidegítve. (így ajánlja a rajz). Próbálam direkt +-ra kötéssel is... Amikor adapterrről ment 7805-el, cseréltem azt is, hátha.. Mértem mindkettőt, meg sem mozdult. (470uF, 100n) CS, SDO, SCK 1K-on keresztül megy a PIC-re. Itt most már jóőreg 16f84-et használok, biztos, hogy analógok a ki/bemenetei . Csak Portb-t használom.Az AD bemenetéről leszedtem már mindent (kondikat, felhuzóellenállásokat), csak 2db 10K 1% ellenállás maradt. Erre adok 100-500mV-ot a már említett módon, illetve ellenállásokkal is osztottam le ~700mV-ot, hátha a feszgenerátor.. Fogyasztás 11mA, megy még egy max232 is, tehát zárlat nem nagyon lehet.. Itt is úgy jártam, hogy a 10K-s ellenállások előtt nem, de már AD bemenetein mérve "mászkált" a fesz. Szoftver részét szerintem el sem lehet rontani, iletve az AD bemeneteire tuti nem tudok még véletlenül sem feszt "kiparancsolni". Basic-ben írodott, 10 sor a lényeg. Ráadásul működik is, csak hát le-fel futnak a kapott értékek. Ha összejön lenyelem az egészet... Ha van öteleted, nyugodtan, kipróbálok én mindent...
Hello, Nem valószínű, hogy ez a gond, de nem sokáig tart kipróbálni. Válaszd külön a digitális és az analóg rész földelését (ha még nincs). Vagyis teljesen külön tápról tápláld inkább őket, és csak egy ponton közösítsd, az AD hez olyan közel, amennyire csak lehet.
Megpróbáltad már árnyékolni az egészet???, vagy az AD bemenetre párhuzamosan pl 1 MOhmot tenni? Az talán még jó. Azt kellene megtudni, hogy honnan jön a zavar, írásod alapján a PIC ből, vagy távolítsd el tőle a PIC-es egységet, vagy árnyékold külön. Ha más nem válaszd le galvanikusan. Próbáld ki PC vel is! (bár az több zavart kelt, mint egy PIC, de kitudja!
Vannak ötleteim,: leírni könnyű. De megcsinálni?
Hmm..
Megpróbálom az AD-t és a PIC-et is külön elemről. 1Mohm-ot is tehetek, bár már próbáltam 100k-val a bemenetet "terhelni". Igazából még 2200 µF-is tettem 3. PIC van bent, nem hinném, hogy mindháromnak ugyanaz a "valami" lenne a baja, és amúgy sem értem, hogy hogyan befolyásolná az AD bemeneteit. De kipróbálom, mert én már kifogytam ötletekből. ..ja és az egészet beteszem egy fém tokozatba.. Köszönöm, még, még mondjátok, ne kíméljetek. :yes:
a max232-t és mind a 4 kondit is "kidobtam".
Lassan csak az üres panel lesz..
Pedig igy kell, lecsupaszítani az egészet, függetleníteni mindentől, lebutítani és úgy ráakasztani mindent, szép lassan, s figyelni, mi rontja el.
-Szerintem a PIC. Próbáld meg más órajelről járatni! pl egésszen lassan. -Amúgy milyen ez a zavar? Nem lehet köze a hálózati brummhoz? 20mS-os hullámzás? Próbálj meg, ha lehet, 20mS-onként mintavételezni...(Van a közelben nagyfesz vezeték?) -Úgy vélem a nagy impedanciás bemenet miatt keletkezik, azért gondoltam az 1M-s söntöt közvetlenül az IC lábára. Bár ha jó is lenne, nem ez a megoldás. -a MAX 232 jó ötlet, az is sereg... -Küldhetnél kapcs rajzot, vagy nyákrajzot...csak fotózd le. Nyák: célszerű ilyenkor a csillagföldelés, a nagyfrekis stílus. -22 bites AD? Egy nagy tapasztalatú barátom is foglalkozott ilyennel, de biza neki is zizgett az alsó néhány bit rendesen...
Panel elég csúnya, mivel 1000 forrasztást/átkötést csináltam. Küldöm a rajzot, ez alapján lett megépítve.
Mindent leszedtem, csak R33, 34, 16, 17, 27 maradt. REF VDD-re van kötve direkt (1-es 8as láb) A leírásában szerepel, hogy 5MHZ felett nem megy. A pic 4MHZ-el megy. Ezen kívül csak a pic, a kvarc és a két 22p kondi maradt meg. Az egész 7805-ről (illetve elemről)megy, 470µF és 100n. Ezeket is cseréltem, illetve elemnél ki is szedtem őket. Szoftveresen próbáltam azt is, hogy minden művelet után vártam 100us-t de az sem segített. Kipróbáltam egészen 500s-ig. A rajzon látható IC a 3551-es, semmi különbség, csak zavarelnyomásban ez 60hz-ig megy, a sima 50-es meg 50ig. Tehát elvileg a hálózat sem zavarná... ..nekem az alsó 8-10 bit "zizeg" Köszönöm, hogy ennyit foglalkozol vele(m) Holnap kipróbálom a 2 elemes verziót, lefotózom.. Talán van vhol 2MHZ-es kvarc, azt is kipróbálom.. Nincs nagyfesz a környéken. Be "fémdobozolom".
Azok a kondik a bemenet körül azért kellenének! Csaknem valami alkatrészhiba? Nagy szivárgású kondi, vagy ilyesmi...
A Vref a tápról meg? Ebben az esetben ugye a mérendő fesz.nek is a tápról kell jönnie. Próbáltad már valami igazán stabil referenciával? Legalább egy TL431-gyel? A PIC-et próbáld ki egy órakvarcról, vagy egy külső hangfrekis oszcillátorról, bár itt is vannak felharmonikusok jócskán. Ha jobban belegondolok, a helyzet még rosszabb, mert a felharmonikusok közelebb vannak egymáshoz a kisebb alapfreki esetén. Ha ez lenne a baj, csak az árnyékolás, ill. a galvanikus leválasztás segít. De ez sem valószínű, az IC tervezése során gondolniuk kel erre, hogy onnan zavar ne jusson be, a kimenetek felől. A PC-s próbát emlitettem, úgy valahogy , ahogy a mellékletben van. Ott 8 bites az IC, de ISP. Nem jelenthet problémát. -Az ilyen esetekre vagy egy szoftveres megoldás is, sebességtől függően 4, 10, 100 mintát átlagolnak és az lesz az eredmény. Én próbáltam, valamit segített, hogy mennyit, az függ a zavar jelegétől. A nyákról itt egy összegzés, amit egy DDS kapcsán szemelgettem az adatlapból: -A két föld el legyen határolva egymástól, egy jól behatárolható területen (Analóg és digitális föld) -A minimális marás technikája ad jó árnyékolást -A 2 Gnd-t egy helyen kell összekötni -A lábaknál kell összekötni, ha nincs a rendszerben más eszköz, ami 2 Gnd-t igényel -Ha van, akkor csillagföldelés kell az IC-hez közel -Digitális jel ne menjen az IC alatt -Az IC alatt az analóg gnd-t kell vezetni -A tápsávok vastagok legyenek, a drótokat összesodorni! -A gyors kapcsolójeleket, pl az órajelet, a DGnd-vel árnékolni kell -A két oldalon a sávok ne fussanak egymáson -A táp csatolásmentesítése 100nF ker. és 10µF Ta kondival, közel az IC-hez -A VIN és az SBO lábak között árnyékoló GND sáv legyen (Ezek digit. kimenetek) - Kezdek kifogyni az ötletekből... Mihez lenne amúgy???
Szia !
Sajnos ma hosszúra sikerült a napom, hétfőn lesz érdemi cselekvés.. Nem próbáltam külön ref-et előállítani valamivel. A MAX 232 azért volt rajt, mert 2400 bauddal küldtem a 24 bitet. A pc-n csináltam 30 átlagolást, de sajna nem nagyon segített, és marhára lassítja a folyamatot. Egyenlőre nem csinálok új panelt, de minden mást kipróbálok. Listád alapján csináltam pár hibát.. Egy 3,2 kg-os palackot töltenek 5 fajta gázzal szakaszosan. kb 10mp(szabályozható)-enként megáll a töltés, meg kell mérnem mekkora bent a nyomás. A nyomásérzékelő/AD 1 bar-t ~40.000 értékre osztja fel. A végső 12 bar nyomásnál 2,2V-ot ad be, 0,1 V-ról indul. Jelenlegi olasz elektronika darabja 210.000 Ft. Sajnos okosan egy "fekete pötty" az elekronika lelke, lehetetlen megtudni mi az.. Semmi mást nem csinál még, mint sorosan adja a PC felé a mért eredményt. Kb 20 bites lehet amennyire néztem. 530.000 körüli értéket ad be max(12 bar). Ja kb fél-1 évenként megdöglik az olasz monyák...Nagyjából ennyi.
Üdv !
Hát mindenesetre én is értetlenül állok előtte, hogy hogy adhat ki az AD feszt. Nem ide tartozik, de szerintem azok az 1k-s ellenállások gyanúsak az SPI-n. Én valószínüleg direktbe kütném a pic-re és a /CS lábat egy 4k7-el tápra húznám, hogy véletlenül se aktiválódjon az AD, ha nincs rá szükség.
Mégvalami !
Single-ended módban vagy földfüggetlen módban használod az ad-t ? Ha single ended, akkor a Vin- t le kell kötni gnd-re. Ha nem így használod, hanem dual-ban akkor ne gnd-hez képest mérj, hanem Vin+ és Vin- közt ellenőrizd a feszt, mert ebben a módban az AD is így dolgozik. Az adatlapon sajnos nincs kifejtve a belső kapcsolása részletesebben, csak blokkokra osztva ezért nem derül ki, hogy mitől adhat ki feszt a kimenetre. Az is lehet, hogy elszállt az AD, vagy már szállítás közben kapott valami sztatikus lükést.
Hello! Ill sziasztok, mert hárman vagyunk!
Mi van akkor, ha rövidrezárjuk a két analóg bemenetet vagy testre kötjük? Akkor azért tuti a 22 nulla! Egy potival téve ezt és az ellenállást növelve, meg lehetne figyelni, hogy hol kezdenek zizegni az alsó bitek...Még nem tudom mire lesz jó ez az infó, de előbbre lennénk...Hacsak nem hibás az AD, ennek a "kiadott" feszültségnek igen nagy impedanciásnak kell lennie.-Az SPI-n levő 1k-kat én sem értem, miért raktad oda azokat?
Nekem rögtön az volt a gyanús, hogy a Vin- és Vin+ sincs sehová "odakötve", lebeg mind a kettő.
Igaz, hogy csak hirtelen futottam át az adatlapot, de ez szerintem így nem teljesen korrekt, vagy legalábbis a bemenet a kettő közé kell, hogy kerüljön, de azt biztosítani kellene, hogy a common mode feszültség a specifikációban szereplők között legyen.
Sziasztok !
Örülök, hogy ennyien akartok segíteni Vegyük sorba: Azért vannak ellenálások SPI-n, mert a microchipes demo board rajza így adja meg. Egyébként áthidaltam a végén mindhármat. demo board Az érzékelő, ami rá lesz kötve 2 vezetéken tápot kap, 2 vezetéken nyomástól függően ~0-2V fog adni (kb). Tehát szükségem van -VIN-re, nem köthetem testre. Próbaképp összekötöttem -IN +IN-t testre. Az AD úgy is 40-500 értéket mászkál, kedve szerint. AD bemenetei eredetileg nem "lebegnek" kondikkal le van kötözgetve, mint a rajzon, illetve én próbáltam 100K-val is "terhelni" +IN, -IN-t is. Mindkettőt le is kötöttem szintén 100K-val testre. Most tényleg semmi sincs rajt.. VREF-el egyenlőre nem foglalkozok, +táp-ra van kötve. Ma külön elemről tápláltam az AD is, és a PIC-et is. mínusz az AD előtt 5mm-re összekötve. Alufólia a panel alá, testre kötve (felületszerelt a panelom) Sajnos ugyanaz... VISZONT ! fogtam, és elkezdtem mérni AD fogyasztását. 3-9 mA között lebeg! Mi jön ebből? szerintem döglött. Rendeltem egy új AD-t, csinálok egy új panelt. Csak azt nem tudom milyet.. Ha még van ötletetek, jöhet.. Bár lehet egy kapcsolást kéne összehozni, hárman (?) megvitatnánk jó e...
Ismét..
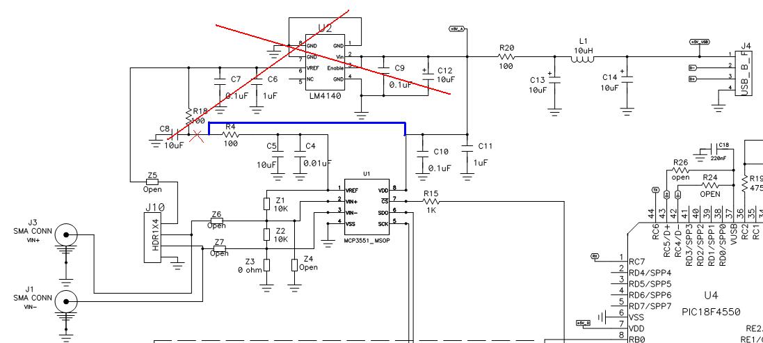
Szintén a microchip-es rajzból kiindulva mit szóltok ennek megépítéséhez? Minden ellenállás (Z vel jelöltek is) 10K 1%-os lenne, a kondik kerámia? tantál? Esetleg CS-re egy felhúzó, mint azt ciw ajánlotta.. Z1-et ki kellene hagyni? SPI-re rakjak 1K-t vagy ne? LM4140 ref szintén ki lenne hagyva.. 7805-ről menne az egész: tehát rajt lenne még egy PIC, és egy MAX232.
"Próbaképp összekötöttem -IN +IN-t testre.
Az AD úgy is 40-500 értéket mászkál, kedve szerint." Jól értem, a bemeneten garantált a nulla fesz és zizgett az alja??? Akkor itt az IC hibás, nincs jobb ötletem. -Jó ötlet a fejlesztőpanel, sokat lehet tanulni belőle...
Bocs, lehet, hogy figyelmetlen voltam, nem emlékszem rá, hogy ez a "lebegés" valami szerint periodikus? Szkóppal nem nézted az A/D tápáramát?
Számomra ez elég hihetetlen hiba, de persze nem kizárt. Szvsz az SPI oldali kommunikáció és az ott lévő alkatrészek nemigen okozhatnak ilyesmit. Csak a tápfeszültségre, annak szűrésére és a bemenetek kellően kis impedanciás meghajtására (illetve ezek közül valamelyik elégtelenségére) gondolnék, mint hibaforrásra.
A SPI, illetve a szoftver én sem hiszem, hogy okozhat ilyen problémát. A táp, amiben én is bizonytalan vagyok. Konkrétan milyen tápszűrésre, és mekkora impedanciára gondolsz? A jeladó belső ellenállása (majd) 600R körül lesz.
Mivel próbáltam az áramkört elemről is, a táp "zavarát" szerintem kihagyhatjuk. Bíztam benne, hogy elemmel maximum szépen-lassan csökkenő értékváltozásokat kapok ahogy merül, de nem így történt.. Elvileg az AD is 50Hz-ig elnyom minden hálózati zavart.. (Sőt egy másik típusa 60Hz-ig) Adapteros, labortápos táplálásnál raktam ~100uH (ferritházas)induktivitást is. A "lebegés"-ben nem találtam semmi periódikust, vagy rendezettséget. Van mikor viszonylag "nyugodt" az AD, van amikor ~6-700 értéket "ugrál" a "semmitől" Medve! Ötletednek megfelelően kipróbáltam 2MHZ-en is PIC-et, kevés sikerrel.. Türelmes vagyok, de lassan feladom. Ha van ötleted(tek) inkább készítenék egy újat új AD-vel, ehhez várnám a segítségeteket. (fenti rajz)
Adatlap szerint:
MCP3550-50, MCP3551 Supply Current (IDD): typ 120; max 170 μA; VDD = 5V Azaz ha Neked mA nagyságrendű a tápáram, ott valami nagyon nincs rendben. Meg kellene próbálni az A/D-ről minden ki- és bemenetet lekötni, és úgy megmérni a tápáramát. Ha úgy is magas, akkor valszeg nem jó az áramkör. Lehet még esetleg elkötés (pl. elszámolt lábak miatt), de szerintem elégszer átnézted, hogy ilyen ne legyen benne.
Még egy hülye kérdés:
Ahogy nézem, egy ilyennek kb 80ms a konverziós ideje. Ezt megvárod a processzor-oldalon rendesen, ellenőrzöd a ready állapotot? Nekem hirtelen nem derül ki az adatlapból, hogy bele lehet-e mérés közben kontárkodni a dolgaiba, vagy hogy a legutolsó mért érték külön pufferelt-e az SPI interface felé. Single vagy continuous módban próbálsz-e A/D-zni? Gondolom, ezeket ezerszer körbejártad már, de az ördög nem alszik...
miután CS-t testre teszem (indítom az átalakítást), SDO magas mindaddig, amíg nem végzett) Természetesen megvárom, amíg alacsony lesz.
Ja bekapcsolás után 300ms-ig süket, természetesen ezt is megvárom. folyamatos az "adatlekérés" Minden "bitolvasás" után várok 10ms-t, de próbáltam fél mpercet(!) is. Amúgy a leírásában szerepel, hogy 5MHZ-ig mehet a beolvasás. Legutóbb 2MHZ volt a PIC-re akasztva, tehát elméletileg várnom sem kellene semennyit. Elvileg ha a 24 bit olvasása közben rángatnám a CS-t, bele lehetne piszkítani... Idegesít a fogyasztása engem is. Holnap mégegyszer (ezredszer) átnézem, de ha nem találok semmit, kuka. nem baj, kérdezz csak, hátha valami pofonegyszerű a hiba (csak mondaná valaki )
Üdv !
Szerintem döglött az AD ! Ennyire nem lehet érzékeny, mert akkor használhatatlan lenne. Ki kellene cserélni az ad-t. Az spi-n lévő 1k-t én elhagynám, csak a /cs-nek kell egy 4k7 felhúzó. A demo boardon csak azért van 1k, mivel demo board, tehát az ember nyugodtan kísérletezhet rajta, ez csak amolyan védelem lehet, hogy a pic-et ne nyírja ki a delikvens, ha az ad-re tul nagy feszt kapcsol. Egyébként szerintem nagyobb sebességen az 1k megöli a kommunikációt, mert az ad számára nem lesz egyértelmű az alacson jelszint. (mindíg vagy H vagy lebeg). A nyomásérzékelő az milyen egyébként, nekem ugy tűnik, hogy ratiometrikus a cucc. Szóval szerintem NE ADD FEL ! várd meg míg megjön az új AD és újult erővel tuti menni fog.
Sziasztok! Medve ,szilva tanácsait érdemes megfogadni,kép azért dukált volna én is szenvedtem ilyenektől de ez nem is annyira különös hogy nem működik korrektul,csoda hogy csak a fele regiszter szemetes,digitális dolgoknál érdemes elgondolkodni honnét kaphat zavart,csucsos forrasztás,pórias nyák is elkaphat jelet laza illesztésnél,te éppen az analóg digitális kapun próbálsz belepni kis igényességgel sikerülni fog...SOK Türelmet Oscilloszkópot mindenképp érdemes szerezni ha mást nem kölcsön....
Ez érdekes téma várom a fejleményeket
No! Nézzük a mai termést..
Megnéztem, mivel a fülembe raktátok a bogarat- a bekötéseket. "Sajnos" jó.. Lekötöttem CS-t a PIC-ről, majd testre kötöttem, azaz folyamatosan konvertál. Ahogy a leírásban is szerepel, megvártam amíg végzett, beolvastam 24 bitet, megint vártam amíg végez.. bla..bla. Frankón működik így a "kétvezetékes" SPI is, de mondanom sem kell, ugyanúgy mászkál.. Csak mondom hátha CS vezérlésével van vmi.. Valóban SPI-re az 1K-k nem kellenek, most találtam 2 microchipes panelt is, egyiken viszon "L1", "L2", "L3"-on azaz valamilyen induktivitással van PIC -re akasztva SPI, plusz 10pF-al a testre mindegyik. Érdekes, hogy a panelon semmilyen különleges fóliázás nics, az AD alatt viszi be a + tápot, és onnan hoz ki 2 SPI-t. Ha ezt ők megmerték így csinálni, nem hiszem, hogy olyan marha nagy érzékenységű lenne a dolog. Csinálnék egy új (árnyékolt) panelt az új AD-hez. Ehhez kérném most a segítséget, szerintetek jó így? AD eleje: 2db 10K, -IN,+IN közé 100n, és mindegyiket testre 100n-val."lehúzó"ellenállásokat tegyek? Táp: 7805, 470uF, 100N (persze először majd elemről..) esetleg beleteszek egy induktivitást. Ref: 100R -el +-ra, 10µF testre. Egyenlőre a "spéci" ref-et kihagynám.. SPI: semmi, megy a pic-re (felhúzó CS-re?, bár sehol nem láttam) Ha ez így menne, lehetne továbblépni.. (pl ref) Várom véleményeteket..
Én is igy csinálnám...és ügyelj, hogy a szerelés közben antisztatikus legyen a környezet. (vagy hogy mondjam)
Üdv !
Nem tudom milyen sűrűn kérdezed le az ad-t, de én jártam úgy, hogy ha túl sűrűn kérdezed le akkor hibás értékeket ad. |
Bejelentkezés
Hirdetés |




. Csak Portb-t használom.

Mi van akkor, ha rövidrezárjuk a két analóg bemenetet vagy testre kötjük? Akkor azért tuti a 22 nulla! Egy potival téve ezt és az ellenállást növelve, meg lehetne figyelni, hogy hol kezdenek zizegni az alsó bitek...Még nem tudom mire lesz jó ez az infó, de előbbre lennénk...Hacsak nem hibás az AD, ennek a "kiadott" feszültségnek igen nagy impedanciásnak kell lennie.
) 



