Fórum témák
» Több friss téma |
Szerintem Vagy az IC kimenetét választod le,és oda kötöd az AUX-ot (bár végig gondolva így nem lesz hangerő szabályzód sem ) ,vagy felejtsd el ez egészet .Több idő ,munka,költség ,mintha vennél egy aux-osat ,
Igen, többek közt pont a hangerőszabályzás miatt nem írtam, hogy a proci után kösse. Gondolom már elvetette az ötletet, akkor nem kérdezné itt.
Ennek nincs AM része már? Arra volt okos ötlet itt a fórumon.
URH gondolom van benne, azt a bemenetet is ketté lehetne venni egy kis 2 morzés relével és váltani... Esetleg MP3 transzmitter? Üdv Inhouse
Transmitterről sok rosszat hallottam, azt nem szeretnék, viszont ez az AM sáv nem rossz ötlet. Ha a mellékelt rajz szerint csatkakozok rá, akkor az működni fog?
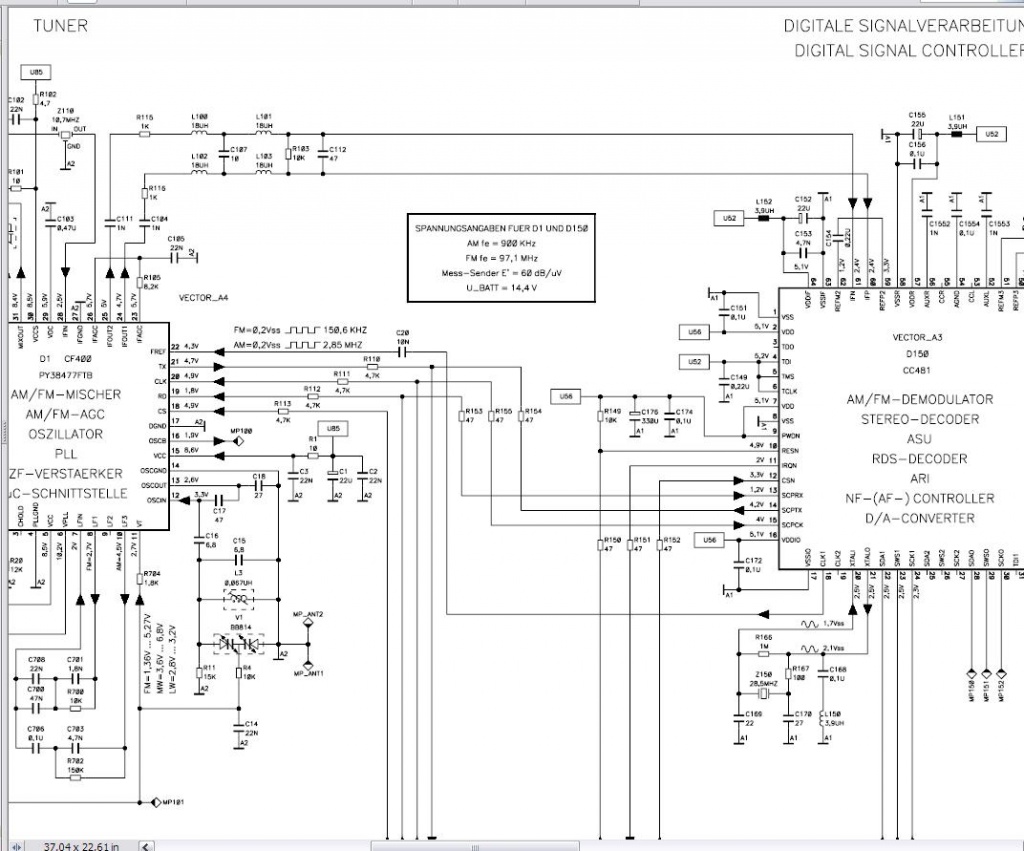
Ez egy mono bemenet lesz, de mi volna, ha ha a tuner kimenetére csatlakoznék? Onnan rajz szerint 2 szál megy a hangprocesszor felé, viszont a nevük a lébkiosztás szerint 60 IFP ZF Eingang (plus) Positif IF input 61 IFN ZF Eingang (minus) IF input (neg.) Itt a +/- alatt mi értendő? Ide relézve a hang sztereo lesz?
Elsőre én is úgy láttam, de szerintem sajnos nem. Az a középfreki kivezetés, csak 2 szálon. IF-középfrekvencia (intermediate frequency).
Sanszos, hogy sehogy a transzmitteren kívül... Azokban a rádiókban jó az AM-es trükk, ahol külön audio bemenet van a procin ehhez, ami ugyanúgy sztereó, csak monósítják.
Akkor sajnos hangbemenet az nem megy
. Igazából azért szerettem volna ezt a rádiót megtartani, mert akkor is megtartja a beállított frekvenciákat, paramétereket, ha teljesen elveszem az áramát, és ez meg azért nagyon jó nekem, mert az autó csak random időközönként van használva, tápjait gyújtásra kötve nem szívja le az akkut, és nem is kell indulás előtt állítgatni (óra is rds-ről áll be). Ennek a beállításmegtartó funkciónak mi a neve, mit keressek az új egység beszerzésekor?
Sajnos nem divat manapság...legutóbb egy VW gyári ráduónál találkoztam vele, talán egy 1000 éves betánál
Értem. FM transmitternél lehet minőségjavulást elérni úgy, ha megkeresem az adó ic hangbemenetét, és azt kötöm össze árnyékolt kábelen a rádió végerősítőjével?
Biztosan ,de minek.Ennyi erővel a forrásod kimenetét egy potin keresztül is kötheted ugyanoda.Minek a transmittert közé iktatni.
És ha a transmitter "antennáját" a rádió "antennabemenetére" kötné? Akkor a rádió összes funkcióját tudná használni és talán a hangminőség is jobb lenne, mint csak transmiterrel.. Ezen már én is gondolkodtam, szerinted?
Sajnos ezek a kommersz transzmitterek elég vackok, a minőség sem az igazi, mono is a többség, és a line in része eléggé használhatatlan, amikkel eddig találkoztam. De hiszem, hogy lennie kell olyannak, ami használható. Csak olyat vegyél, amit ki tudsz próbálni előtte!
Ezt az átalakítást nem igazán értem, minek akkor a transzmitter? Elég ehhez egy MP3 lejátszó és azt összekötni. Neked itt pont az összekötés a gond. Még sztereó belenyúlási lehetőséged sincs, csak a 4 csatorna a végfok előtt, se a hangerő nem marad meg, se nem fog mind a 4 hangszóró szólni, ha csak a 2 elsőt szakítod meg... Egy jófajta transzmitterrel minden gondod megoldódna barkácsolás nélkül.
Minek összekötni az antennákat, amikor kb 1m-re vannak egymástól és a vétellel nincs gond? Mitől lenne jobb? Az a lényeg, hogy nem kell összekötni semmit...
A minőségi probléma az MP3 dekóder, és az adó minőségéből adódik.
Én pont arra gondoltam, amikor nem olyan jó a vétel. Akkor segíthet ez?
Csak elméletben érdekelne a dolog, nekem hál'istennek nincs ilyen gondom.
Ha azt az 1m-t nem tudja átvinni, akkor vagy a transzmitter, vagy a rádió rossz. Sajnos nem ezen bukik el a minőség.
Jobban belegondolva pont, hogy akkor jó a rádió, ha rossz a vétel a transzmittertől, nem?
Jól szigetelt rádió + szigetelt antennakábelen hogy megy át a transzmitter jele? Pl. egy kombi F Astra, ahol az antenna a kocsi tetején van leghátul, min. 2 méterre. (Nem kötekedés, kíváncsiság )
Ha egy autónyi távolságból rossz a transzmitter vétele, akkor hibás a transzmitter, vagy a rádió. Ezeket erre tervezték, elég gáz lenne, ha nem működnének.
Idézet: „Jól szigetelt rádió + szigetelt antennakábelen hogy megy át a transzmitter jele? ” Sehogy, nem ott kell átmenjen, kimegy a szélvédőn és megtalálja az antennát...de most tényleg, a mobilod hogyan működik, amikor autóban ülsz?
Akkor más megoldás híján ebből transmitter lesz.. Kispolskiba lesz, így a távolság nem lehet gond. Mindenkinek köszönöm a segítséget, további jó ampervadászatot!
Mindenképpen ki kell próbálni, mert sajnos sok a vacak!
Szasztok! Megint én vagyok
![]() Szerintem meglett az aux vezérlőjele a rádión. Az Unit Processzor 35-ös (e2) lábát gondolom annak. Lehet helyes az elgondolásom? Ha igen, honnan és mekkora feszültséget vezessek oda, hogy engedélyezze a hangprocesszor aux bemenetét? Egyszerűen e0 és e2 összezárása, vagy ennél azért trükkösebb a dolog? A rádió kapcsolási rajza továbbra is itt érhető el.
Sziasztok! Adott egy Blaupunkt Modena rd 148 autórádió, amire vonalbemenetet (aux) szeretnék építeni. Hangprocesszoron van aux-in, de oda hangot kötve nem szól. Kérdésem, hogy Unit processor 37-es (e0) és 35-ös (e2) lábát összezárva át fog-e kapcsolni, vagy ennél azért trükkösebb? http://www40.zippyshare.com/v/67246802/file.html a rajza.
Sziasztok.
Bmw e46 business tape magnos fejegysegre akarok RCA csatlakozos kimenetet az erositok szamara. A jelszintatalakitot inkabb melloznem.TDA 7385 vegfokkal van szerelve.A radiorol sehol nem talalok service manualt viszont az IC adaplapjat nezegetve a bemenetei a 11-12/14-15 -os labak. Eleg ket kimenet,nincs szukseg mind a negyre. A test leveheto a 13-as labrol?Az IC kimeneteire hangszoro igy nem lesz kotve. Csatoltam ket fenykepet a nyakrol... https://kepkuldes.com/image/HXT8FY https://kepkuldes.com/image/HXT5D2 Azt elfelejtettem,hogy az egyik erositon van a masikon nincs magasjelszintu bemenet. Viszont most olvasom az erosito manualjat amelyiken van ,hogy azon van line out (Blaupunkt gta1350). Az a kimenet jo lehet a masik erositonek?Vagy az egy masik monobloknak van kialakitva? A hozzászólás módosítva: Jún 13, 2019
|
Bejelentkezés
Hirdetés |






. Igazából azért szerettem volna ezt a rádiót megtartani, mert akkor is megtartja a beállított frekvenciákat, paramétereket, ha teljesen elveszem az áramát, és ez meg azért nagyon jó nekem, mert az autó csak random időközönként van használva, tápjait gyújtásra kötve nem szívja le az akkut, és nem is kell indulás előtt állítgatni (óra is rds-ről áll be).
)


