Fórum témák

» Több friss téma
Fórum » RS232-ből USB
Lapozás: OK   1 / 1
(#) novarobot hozzászólása Márc 8, 2008 /
 
sziasztok
nagy problémába vagyok, mert egy laptopra kéne usb és régi pcmca van bene még a 16 bites ezért nem lehet a ma használt átalakítókat alkalmazni, és régi 16bites átalakítót már nem lehet kapni, ezért kéne egy sorosportról(rs232)-ről usb re való átalakító, elöször azthitem hogy nincs de van! Link
ilyen kéne nekemis ha magyarországon lehet kapni megveném de inkáb építenék egyet, jó lpt re is de ha lehet mindenképen rs232-re kéne mert az lpt foglaja egy másik hardwer, jó azis ha valaki tud egy 16-bites pcmca usb átalakítót, vagy bármely más megoldást (dokolóport stb) usb egyébként pendrive, kamera wlan ijesmire akarom használni igy a sima nem aktiv ps/2 usb átalakítók nem jó.
a laptop tipusa egyébként (ibm thinkpad 760xl, p1 es de xp is fut róla ezért nem akarom kidobni csak az usb miatt )
(#) Lucifer válasza novarobot hozzászólására (») Márc 8, 2008 /
 
Ez USB-ről fordít RS-232-re.
Ad1: ha fordítva lenne mama USB lenne rajta
Ad2: nézd meg az FT232 adatlapját.
(#) novarobot válasza Lucifer hozzászólására (») Márc 8, 2008 /
 
közben már énis rájötem hogy ez sem az ami nekem kel
akor az megoltható szerintetek hogy csak kihúzok 4 vezetéket valamelyik portról és irni kel hozá valamilyen drivert hogy usb nek ismerje fel mert a sebeség nem fontos csak menyen már végre?
(#) potyo válasza novarobot hozzászólására (») Márc 8, 2008 /
 
Idézet:
„akor az megoltható szerintetek hogy csak kihúzok 4 vezetéket valamelyik portról és irni kel hozá valamilyen drivert hogy usb nek ismerje fel mert a sebeség nem fontos csak menyen már végre?”


Nem megoldható. Az USB nagyon sok mindent hardverből intéz el, pontos időzítést kíván, stb. Eszközoldalon nagyon ráérős emberkék még megpróbálkozhatnak valami nagyteljesítményű mikrovezérlővel, de vezérlőolralról esélytelen a dolog.
(#) kobold válasza novarobot hozzászólására (») Márc 8, 2008 /
 
A driver írását, különösen 16 bites alrendszerre, nem igazán javaslom...
Valami ilyen kell neked, azt hiszem. Nézek még magyar oldalakat is, de eddig inkább e-bay találatok voltak guglival.

Szerk.: itt van is egy
(#) aflmor válasza novarobot hozzászólására (») Márc 8, 2008 /
 
Nem. Szerinted a boltban kapható COM-USB konvertert azért adják több ezresért, mert 4 drót bújik meg benne?
(#) novarobot válasza kobold hozzászólására (») Márc 8, 2008 /
 
ezek pcmca-sak és az egyik gépigéna p3, okor menyi a valószinüsége hogy az én p1-es 165mhz-s type 1-es 16 bites pcmca-s laptopomon fuson?
(#) novarobot válasza aflmor hozzászólására (») Márc 8, 2008 /
 
ha lene com-usb átalakító örülnék neki, azaz biztos van de én még csak usb-com átalakítót látam.
(#) tibi0531 hozzászólása Márc 8, 2008 /
 
Szerintem RS232-USB átalakító nem valószínű, hogy létezik. Ez kb. olyan mint ha trabantból akarnál mercédeszt csinálni . Nagyon szűk lenne a felhasználási köre. Bár elvileg meg lehet csinálni, csak kell egy olyan chip ami képes USB hub-ként üzemelni, ezenkívűl fel kell programoznod egy mikrokontrolert ami kezeli mint a soros mint pedig az USB- komunikációt.
(#) Lucifer válasza novarobot hozzászólására (») Márc 8, 2008 /
 
Hidd már el hogy nincs.
Gondolkozz már egy kicsit reálisan.
Sorosport max sebessége töredéke az USB-ének.
(#) novarobot válasza Lucifer hozzászólására (») Márc 8, 2008 /
 
mint mondtam a sebeség nem fontos.

tetszik tibi0531 ötlete de akor hogy is kéne nekiálni, vagy dokolóportra érdemeseb lene e csinálni?

meg a biosa kezeli az usb tehát valahogy valamikor lehetet hozá kapcsolni.
(#) kobold válasza novarobot hozzászólására (») Márc 8, 2008 /
 
Közben én is rájöttem, hogy ezek neked nem jók.
Viszont bárhogy is neki lehet állni, mert halott ügy. Találtam pár régi fórum-oldalt a neten, ahol gyári kártyákkal való szívásról meséltek, de a legtöbb oldalon csak a kérdés van, hogy "hogyan kellene", válaszok meg egy sem.
És hogy ki fog neked driver-t írni úgy, hogy automatikusan felismerjen valami ilyen eszközt a Win, meg működtesse is, arra halvány tippem sincs...
Nekem is ismerős ez a szegény ember vízzel főz érzés, de ha valami nem megy, akkor nem megy.
(#) novarobot hozzászólása Márc 8, 2008 /
 
kicsit változott a helyzet mert lehet hogy 32 bites pcmca van bene (type 2) Link
viszont már kipróbáltam a 32 bites átalakítókat és valamijen bios irq brobléma miatt nem megy.

igy esetleg valakinek valami ötlete?
(#) kobold válasza novarobot hozzászólására (») Márc 8, 2008 /
 
Erőforrás-kiosztási gond lehet. Erre találtam ehhez hasonló fórumos dolgokat korábban: Bővebben: Link
Azért nem árt tudni, mit is kell megoldani...
(#) novarobot válasza kobold hozzászólására (») Márc 8, 2008 /
 
ez tetszik és ahogy látam pont az én laptop tipusomhoz való de egy szótsem tudok angolul, van egy ismerősöm aki leforditja nekem és megnézük misűl ki belöle.
és köszi szépen viszatad a reményt :rinya:
(#) karesz01 hozzászólása Márc 1, 2009 /
 
Hali!
Van MEtex 4650CR műszerem,PC-re lehet csatalakoztatni soros porttal.
Erre vettem RS232 átalakítót!
De batár nagy állat alig fé el a müszi dobozában.
Na erre kéne nekem átalakitani vagy usb re vagy RS 232-re simán.
A mellékelt pdf-ben ott na a rajz.
RS 232-re van.
Ha csak simán levágom a soros portot, kimérem hogy melyik melyik szál vezeték odaforrasztom ahogy irva van akkor jónak kell lennie nem?
Segítsetek!
Köszi előre is!!!!
(#) icserny válasza karesz01 hozzászólására (») Márc 5, 2009 /
 
Idézet:
„A mellékelt pdf-ben ott na a rajz.”

Sorry, de nem kelt mellé a PDF!!!
(#) icserny válasza novarobot hozzászólására (») Márc 5, 2009 /
 
Idézet:
„mint mondtam a sebeség nem fontos.”

USB szabványt láttál már? A csatlakoztatott eszközt hogy fogod lebeszélni a szabvány betartásáról?
(#) kasas hozzászólása Jan 26, 2013 /
 
Valaki segítsem könyörgöm.

Hogy olvasom ki az rs232 ből jövő adatot pc n amibe usbé átalakítóval megy bele. RS232 to usb kábellel kötöttem össze de most mit csináljak ?? mi a program neve ami lássa azt a nyanvadék rs232 jelet?
(#) bbatka válasza kasas hozzászólására (») Jan 26, 2013 /
 
pl. a PORTMON
(#) kasas válasza bbatka hozzászólására (») Jan 26, 2013 /
 
köszi de kicsit bővebben kifejtenéd ? nekem win7 re kéne és hogy kell használni?
(#) bbatka válasza kasas hozzászólására (») Jan 26, 2013 /
 
Elindítod és a háttérben monitoroz. Ha nincs bejövő érték, akkor üresen marad a program képernyője.
(#) Mzolee hozzászólása Okt 23, 2016 /
 
Sziasztok. Uni-t UT-61e műszeremből 232-őn jön kifelé az adat amely asztali pc-n szépen mulyikál gyári programjával. Nekem viszont mobilizált megoldás kéne laptophoz amire ugye nem találni átalakítót usb-hez. Mit lehet tenni?
(#) uniman válasza Mzolee hozzászólására (») Okt 23, 2016 / 1
 
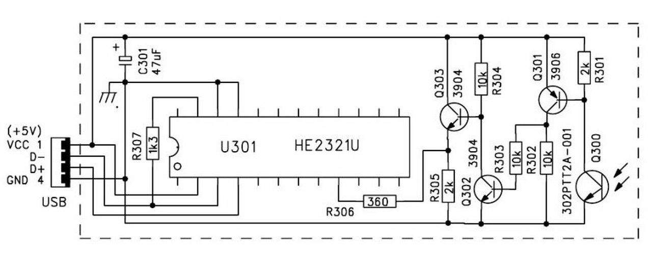
Hello! Tévedsz! A műszeredből infravörös sugarakon "jön kifelé" az adat...Létezik hozzá USB kábel is... Bővebben: Link
Az "SM"-jében le is van rajzolva mindkettő kábel belső kapcsolási rajza.
A hozzászólás módosítva: Okt 23, 2016

USB_data.jpg
    
(#) Mzolee válasza uniman hozzászólására (») Okt 25, 2016 /
 
Nagyonszépen köszönöm! Teljeskörű megoldási lehetőségeket kaptam.
Következő: »»   1 / 1
Bejelentkezés

Belépés

Hirdetés
XDT.hu
Az oldalon sütiket használunk a helyes működéshez. Bővebb információt az adatvédelmi szabályzatban olvashatsz. Megértettem