Fórum témák

» Több friss téma
Fórum » Muzeális készülékek-alkatrészek restaurálása
Lapozás: OK   277 / 588
(#) gkari válasza wadember hozzászólására (») Feb 24, 2013 /
 
Tanusítom, hogy jól működik, már több OIRT-os csöves rádióba beépítettem, a tápot a fűtőfeszből kreáltam.
(#) Silverspeed válasza wadember hozzászólására (») Feb 24, 2013 /
 
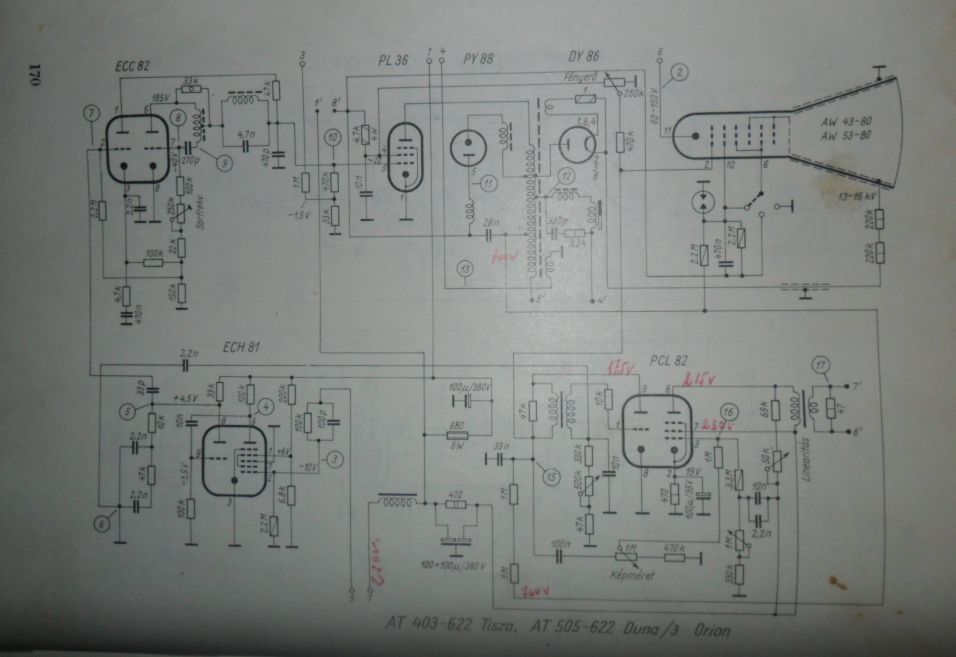
Köszönöm, bár egy kapcsolási rajznak örülnék ha lenne valakinek!
(#) kisgeri válasza Silverspeed hozzászólására (») Feb 24, 2013 /
 
Itt a kapcsolás: Bővebben: Link
(#) kadarist válasza Silverspeed hozzászólására (») Feb 24, 2013 /
 
(#) Silverspeed válasza kisgeri hozzászólására (») Feb 25, 2013 /
 
Köszönöm a segítséget mindenkinek!
(#) gkari válasza Silverspeed hozzászólására (») Feb 25, 2013 /
 
A "Piramidon" féle "kvarcos" stabilabb, de legalább 2 db. kell-vagy 1, de kvarccsere(103Mhz felett alig van adó), ezek átkapcsolása kicsit macerásabb. A másikat könnyebb kezelni,de némi hőm.függése van, 1-2x utána kell hangolni.
(#) Laci73 hozzászólása Feb 26, 2013 /
 
Sziasztok!Ha tudtok légyszíves segítsetek abban,hogy van egy Duna tip.tv-m,és problémám adódott vele.Amikor megvettem csak zúgott,és a kép sehol.Szétkaptam,kicseréltem a DY 86-os elektroncsövet,erre 3-4 alkalommal felfűtődött a képcső és egy kis zavaros világos kép lett(antenna nélküli üzem).Büszkén mutatni akartam barátomnak,hogy egy ilyen öreg tv is tud müködni.Ekkor persze nem indult,mivel a tv hátulja le volt véve,láttam hogy a magasfeszültségű kutyaól mögött kissé balra izott a teteje egy ellenállásnak,vagy nem tudom minek.A lámpák nem indultak,mem izzottak.Az a cucc aminek a teteje izzott,az alaplapra van csavarozva átmenő csavarral.Kb.5-6cm magas,másfél-két centi átmérőjű középen üreges(átmegy rajta a csavar).Két kivezetése van,felül egy-alul egy.Első dolog amit szeretnék tudni,az hogy ez egyáltalán ellenállás vagy mi.A másik hogy valaki tud-e ilyen alkatrészt eladót.Harmadik:ez a valami cseréjével esetleg müködni fog a tv-m.Előre is köszönöm.
(#) fecameca válasza Laci73 hozzászólására (») Feb 26, 2013 /
 
Szia! Szerintem szépen elmesélted, hogyan néz ki egy nagy teljesítményű ellenállás. Sajnos rossz hírem van. Az nem önmagától izzott be, hanem, amivel sorba van kötve, az a zárlatos. Sőt az is lehet, hogy az ellenállás még túlélte. Kapcsolási rajzod van?
(#) fecameca válasza Laci73 hozzászólására (») Feb 26, 2013 /
 
Az a 4,7 kiloohm a PL36 segédrácsán van. A cső nem izzik? Esetleg kondizárlat? Valószínűleg ez a zárlat söntöli a csövek fűtését is. Mindenesetre közlöm a rajzokat, ha nem lennének meg.
A negyedik képen a "kutyaól" kissé kinagyítva, hogy jobban látsszon.
A hozzászólás módosítva: Feb 26, 2013
(#) Laci73 válasza fecameca hozzászólására (») Feb 26, 2013 /
 
Szia.Köszönöm válaszodat.Nagyon amatőr vagyok még.Tehát egy nagy teljesítményű ellenállás ami izzott.Az ellenálláson lévő bevonatréteg össze van repedezve egy kicsit,azért gondoltam hogy már nem jó.Sajnos kapcsolási rajzom nincs.Viszont az alaplap alján 3db rózsaszín kb 4cm hosszú és 1cm átmérőjű ellenállások közül az egyik kicsit elfeketedett(helyileg kb.a kutyaól alatt),ezek sorba vannak kötve.Nem tudom,hogy ez esetleg közelebb visz-e a megoldáshoz.
(#) Laci73 válasza fecameca hozzászólására (») Feb 26, 2013 /
 
Keresztbe válaszoltunk.Köszönöm a rajzot.Egyik cső sem izzott,nem néztem alaposabban a kondikat.Az ellenállást kiforrasztottam,azt hittem ha cserélem talán újra müködik a tv.
(#) fater0827 válasza Laci73 hozzászólására (») Feb 26, 2013 /
 
Üdv Laci73
Az ellenállás 22 Ohm 10Watt és három lába van egyik bilincses (csavar tágít , állít , meghúz ) röviden . A tápegységhez tartozik szelénsor (10- 15 lemez kb 5*5 cm ) , ha nincs akkor talán BY238 dióda van benne, "lehet zárlatos" , utána 100 µF 380Voltos kondi "lehet zárlatos".
Fűtő részben 300mA termisztor van megszakadhat , 50 éves ! A csövek helyükön való óvatos mozgatása "kontakt hiba" . A tunerban ill. a PCL82 nem fűtene a (3 cső ) átvezető kondi zárlat.
Üdv : János
(#) Laci73 válasza fater0827 hozzászólására (») Feb 27, 2013 /
 
Szia fater0827
Köszönöm a hibalehetőségek tömkelegét.Nekem sajnos ezek a dolgok kicsit kínaiul hangzanak.Az ellenállás ami 22 Ohm 10W és 3 lába van,az melyik?A fűtő részben a termisztor,az mi?A józan paraszti nyelven "kutyaólnak"nevezett részben van?A csöveket megmozgattam helyen vannak.Mielőtt elkezdett izzani a nagyteljesítményű ellenállás teteje,addig minden cső világított.A tuner gondolom a csatornaváltója.Ott nem néztem a csöveket.
(#) fater0827 válasza Laci73 hozzászólására (») Feb 27, 2013 /
 
Üdv Laci73
Holnap 28.-án lefotózok valami hasonló panelt , sasszit ! Az a 22 Ohm 10 Watt elég nagy ellenállás barnás cementált , azon megy át a bizonyos csavar . A termisztort is fotózok majd csak ne feledjem , hengeres 3-4 cm fekete saját anyagában (nem festett ) . Hibalehetőség még a fő biztosíték kontakt hibája , kivenni ha liszt szerű anyag van rajt az aljzattal együtt megpucolni óvatosan és kissé összenyomni az aljzatot , bíztit megmérni visszarakni .
A hozzászólás módosítva: Feb 27, 2013
(#) 187BodyGuard hozzászólása Feb 28, 2013 /
 
Nekem van szétbontott Duna esetleg ha valakit érdekelnek restaurálás céljára megvannak belőle az alkatrészek...
(#) fecameca válasza Laci73 hozzászólására (») Feb 28, 2013 /
 
Az lenne a legjobb, ha ott a közeledben meg tudnál kérni valakit, hogy segítsen, akinek legalább egy multimétere, és némi TV javítási tapasztalata van. Ajánlatos lenne először kihúzott állapotban csak egy ellenállásmérővel végigbogarászni a dolgot. Ha először a kemény zárlat, vagy esetleg szakadás is megvan a táprészben, csak azután lehetne megkísérelni a készüléket újból feszültség alá helyezni. Vigyázat! a 220 volt fázis rajta lehet a házon! Bármihez nyúlsz, előtte a készüléket ki kell húzni a hálózatból! Elmúltak azok az idők, amikor a szerelő egy táska elektroncsővel indult el javítani. Ennyi év távlatából a korrózió és erózió, nem a vákuumcsövek belsejét, hanem fater által is említett alkatrészek fém részeit, és a nem időálló anyagból készült szigetelőket eszi meg. Ha netán még sikerül rá fényt varázsolni, arról sem árt megfeledkezni, hogy ezeknek a hangrésze még 6,5 MHz.
(#) gkari válasza Laci73 hozzászólására (») Feb 28, 2013 /
 
A fűtéskőrben olyan termisztor van, ami kifejezetten NTK(negativ hőm.függő ellenállás)ez hivatott korlátozni a hideg fűtőszálak bekapcsolási túláramát.
(#) fater0827 válasza Laci73 hozzászólására (») Feb 28, 2013 /
 
Üdv Laci73
Ismét vagyok , pár kép az én alaplapomról ! A kép színe nemigazán hűséges .
Ezen a készüléken volt varázsszem saszi típusa 601 " mint a Trabant" és korábbi kiadás , de a TV szerelő mondta (nyugdíjas) nem sok eltérés van a kettő közt . A Mukit ha másként nem megy kényszer vallatással leinformálom . A 731-es kép antenna közel-távol és az alsó 8 láb csati TÁVIRÁNYÍTÓ , 733 kép balról > 5 Ohm , NTK (termisztor ) , itt 130 Ohm 10% 20 Watt , 2db 430 Ohm , utolsó 2 passz lekopott . A 737-es kép a szelénről itt 17 lap van darabonként 25 Volt és 800 mA (425 Volt 0.8 Amper ) .
Üdv : Fater
(#) kisgeri válasza fater0827 hozzászólására (») Márc 1, 2013 /
 
Üdv! Ez egy AT603-as sasszi. Szép készülék, ha egyben van.
(#) Laci73 hozzászólása Márc 1, 2013 /
 
Nagyon szépen köszönöm a sok segítséget.Elnézést a kis kihagyásért,de összetorlódtak a munkáim.Nem nagyon jutottam gép közelbe.Megfogadom mindenki tanácsát és körültekintőbben nézem át a nagyfesszel kapcsolatos dolgokat.Nagyon örülök,hogy ezen a fórumon ennyi segítőkész emberrel találkozhatok.Meghallgatok,és megfogadok minden hasznos információt.A hétvégén talán neki tudok ugrani a tv-nek újra.Időközben visszaraktam,azt a bizonyos nagyfesz.ellenállást és kicseréltem az alatta lévő nagy kondenzátort.Megnéztem,és kicseréltem a "kutyaólban"a lámpákat.Annyit elértem,hogy a képcső csöve világít,a visszarakott nagyfesz.ellenállás nem izzik.Sajnos úgy érzem messze még a cél.
(#) csinidani hozzászólása Márc 4, 2013 /
 
Sziasztok!
Most lett időm a szekrényben porosodó erősítő "beazonosítására". Egy TEC SYSTEM 2003 nevű erősítőről lenne szó. Német feliratok vannak rajta, szóval valószínűleg német, vagy onnan hozták. Valaki tud valamit erről az erőlködőről? Semmi értelmes infót nem találtam róla.
Köszönöm.
(#) zolika60 válasza csinidani hozzászólására (») Márc 4, 2013 /
 
Ez tán nem igazán muzeális.
(#) csinidani válasza zolika60 hozzászólására (») Márc 4, 2013 /
 
Valószínűleg a 80-as évek közepén-végén gyártották, szóval nem is egy mai darab.
(#) zolika60 válasza csinidani hozzászólására (») Márc 4, 2013 /
 
1800 ? Ha ez lenne az akkor ez sokkal újabb. 2008
A hozzászólás módosítva: Márc 4, 2013
(#) csinidani válasza zolika60 hozzászólására (») Márc 4, 2013 /
 
100 évet azért számolj rá.
(#) csinidani válasza zolika60 hozzászólására (») Márc 4, 2013 /
 
Elnézést, későn vettem észre, hogy írtál! Igen, ő az! A kinézetéből és a rárakódott por mennyiségéből (belül) én az 1980-as évek közepére-végére tippeltem. Valamint volt benne egy 1992-es bizti is. Tudom, ez még nem jelent semmit..
(#) zolika60 válasza csinidani hozzászólására (») Márc 4, 2013 /
 
Nem voltam a kereséssel elég gyors, de ez alig néhány éves darab, csak elavult volt már amikor gyártották.
(#) csinidani válasza zolika60 hozzászólására (») Márc 4, 2013 /
 
Ok, köszönöm!
(#) Janó bácsi hozzászólása Márc 5, 2013 /
 
Üdv mindenkinek. Kb 2 hete írtam, hogy készítettem egy méhsejt tekercselőt, hát most itt a párja. Ha lúd legyen kövér alapon, meg ha már úgy is elöl voltak a szerszámok, alkatrészek, nekiálltam a régi trafó tekercselőm újjáépítésének is. A régi tekerő még 1953-ban készült, akkori lehetőségek szerint, azon tanultam gyerekként tekercselni. Szóval már az is muzeális, bőven kiszolgálta az idejét. Ez egy elég egyszerű szerkezet, csak a számlálót kellett kicsit komplikáltabban gyártani. A Az alap egy nullázható magnó számláló, a csigakerék egy villanyórából való 1/10-es áttétel, a többi a bontott videók maradék fogaskerekei. Az egész egy bútorlapra van csavarozva, a csapágyak kétszer zárt 6000-ek. Egy vásárba vett varrógép motor a meghajtó, lábpedáljával együtt.Azt hiszem a részletes képek mindent mutatnak nem kell többet magyaráznom.
(#) Janó bácsi válasza Janó bácsi hozzászólására (») Márc 5, 2013 /
 
Még képek
A hozzászólás módosítva: Márc 5, 2013
Következő: »»   277 / 588
Bejelentkezés

Belépés

Hirdetés
XDT.hu
Az oldalon sütiket használunk a helyes működéshez. Bővebb információt az adatvédelmi szabályzatban olvashatsz. Megértettem