Fórum témák
» Több friss téma |
Mielőtt kérdezel, a következő két dolgot ellenőrizd!
I. A helyes tápfeszültségek megléte.
II. A kimeneten van-e egyenfeszültség.
Élesztés.
Alkalmazhatok sima egyenirányitás/pufferelést vagy kellene stab IC-ket használni?
S azt szeretném kérdezni, hogy 1 mono Balanced hangerőszabályzó jólesz a melléklet alapján bekötve? S hogy közösitsem a balanced jeleket? Gondolom kell valami ellenállás de milyen értékű?
Szia, kedves kolléga, meg építettem a szint emelőt, aztán az R11 helyére betettem a 22K ellenállásokat mivel ezzel voltak legszebbek a mély hangok, majd rá kapcsoltam a 70Hz és be állítottam a kimenő feszültségeket mind a széles sávúrészen és a mély szűrő után is 1,42V-ra. Azután meg hallgattam zenével is el vagyok tőle ájulva olyan dinamikája és mélyei vannak, hogy hanyatt estem tőle. Mos már nyugodtan kölcsön merem adni a rendszeremet. Köszönöm a segítségedet.
Gyönyörű kivitelezés! Örülök, hogy segíthettem
Mindkét tápkialakítás megfelelő. Az sok IC és változó terhelés miatt kicsit a stabilizátor felé billen a mérleg.
A hangerőszabályzást és a keverést a jel aszimmetrikus állapotában végezd!
Sziasztok! Azt szeretném kérdezni, hogy hangerőszabályzónak a linkelt erősítőhöz jó e a 100kohm -os poti (mert az van itthon) vagy 47kohm kell? Hangerőnek a logaritmikus a jobb? Crescendo
Akkor lesz jó, ha az R2-es ellenállást kicseréled legalább 100k-ra. De jobb lenne az alacsony bemeneti impedancia, mert nem érzékeny annyira a zavarokra.
Igen logásat illik használni.
Nem lesz jó, mert 10kHz jön ki határfrekvenciának vele.
A hangerő poti ökölszabálya:
A hangerő poti mint forrásimpedancia, félállásban ( nem a tekerő, hanem az ohm érték alapján) a legnagyobb. Tehát egy 50k ohm-os érték van leosztva egy másik 50k ohm-al. Ez a kettő váltóáramúlag párhuzamosan kapcsolódik ( feltételezve, pl egy IC kimenet kisimpedanciás meghajtását). 50k ohm x50k ohm =25k ohm tehát az ökölszabály az, hogy a poti értékének egynegyede a legnagyobb forrásimpedancia. Ezzel a 25k ohm -val párhuzamos a 47k ohm és a 100k ohm. Azaz Re=25k ohm x100k ohm x47k ohm = kb 16k ohm. Határfrekvencia a bemeneti 1nF kondival= 1/2pi*Re*C=1/6,28*16*10EE3*10EE-9=10kHz A hozzászólás módosítva: Ápr 23, 2013
100kohm helyett 1Mohm. Bocs, a számítás azért jó, mert amikor számoltam 1Mohm-val számoltam.
Huha! Ez nekem magas!
Mekkorát ajánlasz ami nem okoz semmi galibát? A hozzászólás módosítva: Ápr 23, 2013
Ha lopja a magasat teszel be kisebb C2-t
Az nem baj, ha még pár száz forintba kerül, veszek bele potit, csak nem tudom mekkora kell. A 47kohm nem okozna frekvencia vágást, mint az r2 értéke?
Ha közvetlen potenciométerre kötöd az erősítő bemenetén lévő aluláteresztő szűrőt, annak vágási frekvenciája óhatatlanul függvénye lesz a poti állásának. Van azért megoldás, például Elliott előerősítője. A fórumtársak közül Alkotótól olvastam nagyon pozitív véleményt.
Választhatsz egyszerűbb megoldást is. Legyen a potenciométer értéke az a legkisebb impedancia melyet a jelforrásod még elvisel. Bizonyára utána tudsz nézni.
Igazából ennek a kimenetére lesz kötve, szerinted egyáltalán van értelme a potinak? Nem tudom mekkorát lehet min terhelésnek rákötni.
A könnyen elérhető doksi nem tesz említést a vonali kimenet terhelhetőségéről.
Próbáld ki a meglévő potenciométereddel, az 1nF bemeneti szűrőt cseréld 220pF-ra. Hallgasd meg!
Sajnos még nem tudom, mert még négy 0,22ohm nem érkezett meg. Nem sima huzalt szeretnék beletenni, már 2 hete meg kellett volna jönni az mpc71-nek. Nem akarlak zargatni, de még lenne kérdésem, az erősítő bemenetét rövidre zárjam mikor a nyugalmi áramot állítom? Mert csak annyit ír a doksia, hogy a tp1-tp3-on 0,044-0,055V között állítsam be. Belegondolva, ha máshoz hozzá szeretném kötni jo lenne az az illesztő áramkör, amit belinkeltél, ugy is lehet használni,hogy ne erősítsen csak szabályozza a hangerőt?
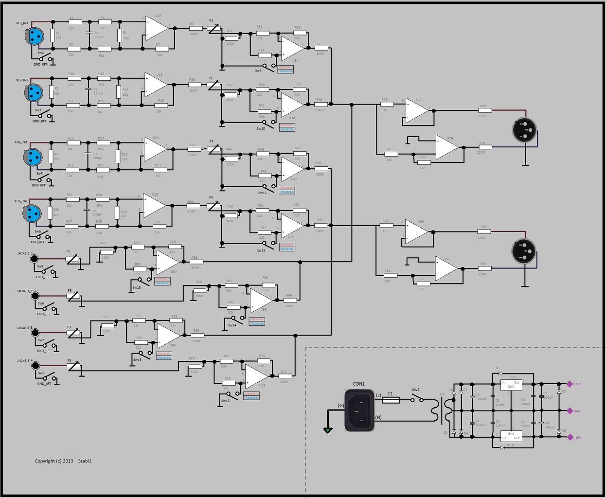
Itt a Di-BOX rajzom jó lesz így, és a táp rész?
Egesz delutan ezt rajzoltam
Sajnos még nem tudom, mert még négy 0,22ohm nem érkezett meg. Nem sima huzalt szeretnék beletenni, már 2 hete meg kellett volna jönni az mpc71-nek. Nem akarlak zargatni, de még lenne kérdésem, az erősítő bemenetét rövidre zárjam mikor a nyugalmi áramot állítom? Mert csak annyit ír a doksia, hogy a tp1-tp3-on 0,044-0,055V között állítsam be. Belegondolva, ha máshoz hozzá szeretném kötni jo lenne az az illesztő áramkör, amit belinkeltél, ugy is lehet használni,hogy ne erősítsen csak szabályozza a hangerőt?
Nyugalmi áram beállításnál ajánlott a bemenet lezárása.
Az illesztő áramkör erősítése tetszés szerint módosítható.
Szia! R6 és társainak nem a testre kéne menni?
A jel keverés 100 ohm helyett legyen legalább 2,2k, nehogy túlterhelődjön az IC. A kapcsolható fázisfordítóknak mi a céljuk?
Nos Bővebben: Link innen van bemásolva az átalakitó.
OK R36, R43,R48,R54,R59,R64,R69,R74 akkor 2k2 100R helyett A fázisforditás akkor kell hogy ha az egyik bemenő jel forditott fázisú akkor "kiolthatják" egymást és akkor elhalkul vagy teljesen elnémulnak bizonyos csatornák. Bővebben: Egy DI BOX
Sziasztok!
A napokban el szeretnék kezdeni egy TDA7376b típusú végfokkal ellátott erősítőt, csak éppen bele ütköztem egy kérdésbe. Mit jelent az IC 9-es lábán a THD SET? És hogyan kössem be? Mert azt a jelölést ahogyan fel van írva nem értem. Egy 1Mohm-os ellenállásra megy rá, de nem értem hogyan kössem be. Az ellenállás a test és a pozitív közé van berakva. Mit és hogyan kössek rá? Légyszíves valaki segítsen. Előre is köszönöm!
Mi a titka a kis impedancián stabil erősítőknek?
Látni akár 0.5 ohm stabil erősítőket is, ezt hogyan érik el?
Nem erősítő hanem DSP, azért ide írom mert ez javítós topik, egyébként a hangosítósba lenne a helye, a tisztelt modik majd áthelyezik.
A lényeg: a vonalszintű kimeneteken két morzés relé van, hasonló a funkciója mint az erősítőknél, koppanásgátlás, de inkább kikapcsolási tranziens védelem. Az egyik kontakt hibás, cserélni kell, néztem az adatlapokat, nagyon jó paraméterű reléket lehet venni, aranyozott érintkező, 100 mohm bekapcs. ellenállás és hasonlók. A fő probléma hogy nagyon kis áram folyik rajta és ezért lesz kontakt hibás. A készülék 3 éves, használt, a kérdésem : ugyan olyan relét tegyek bele, vagy inkább reed relét ? A fotón nem ez a készülék látható, de hasonló!
Egy kis Made IN Hungary csemege, a jó öreg magyar gyártmányú erősítőkből, linkelek egy két képet. Az első két kép egy ROBSON DX-1000B a többi kép pedig egy TWINLINE 1200-as végfoké.
Sziasztok!
Vettem egy régi tip. (narancs felirat) t.amp 2400 ast. A tetejét levéve megláttam, hogy az utolsó/első tranzisztor teljesítmény ellenállásai (0,22 ohm 5W) megvannak fejelve egy-egy 0,47 ohm 5W al. Mi ennek a lényege? Azért kérdezem, mert van ilyen erősítőm (szürke felirat) új tip. is. Érdemes ezzel foglalkozni? Ha sokat lendít rajta, meg csinálnám azon is. Valamint a ventilátor forgás iránya meg van fordítva. Nem elölről, hanem hátulról szívja a levegőt. (narancs) Köszönöm! A hozzászólás módosítva: Ápr 25, 2013
A tranzisztor színéből ítélve ami előtt a "tuningolt" ellenállás van, inkább arra tippelnék, hogy meghalt a tranzisztor és megnyúlott, vagy teljesen tönkrement az emitterellenállás is és így lett megoldva.
A hozzászólás módosítva: Ápr 25, 2013
|
Bejelentkezés
Hirdetés |







Mekkorát ajánlasz ami nem okoz semmi galibát?
Egesz delutan ezt rajzoltam










