Fórum témák
» Több friss téma |
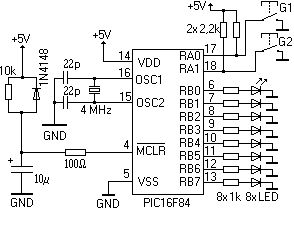
Hello! Szeretnék csinálni egy próbapanelt PIC 16F84-hez, ahol a B port összes lábára rákötött ledeket kéne vezérelnem. Nekem megvannak az ellenállás értékei a ledek előtt (védőell.), de nem tudom hogy mit kössek a reszet kivezetésre. Szóval gondolom hogy fog kelleni egy 4Mhz-es rezgőkvarc... az órajelbemenetekre, de a reszettel nem tok mit kezdeni. Ezt kéne megoldani. Előre is köszi.
Ezer és egy ilyen topic van itt a HE-n és a neten is.
Fogj egy R-C tagot! Kondi test felé az ellenállás meg +táp felé és a közepét meg a pic Mclr bementére. A kvarc lábaira még kell egy- egy 22pF kondi test felé. Keress rá a neten, hogy "pic" és ezer meg ezer linket fogsz találni!
Azt hiszem minden rajta van
Igen csak az ellenállás és a kondi pontos értéke kellene, mert ahány helyen láttam annyi féle volt..
Bármelyikkel megpróbálhatod, gyakorlatilag 10k-1M, 10p-10n között is lehet.
Szinte tők mindegy, hogy mit raksz oda. Amit találsz otthon, legfeljebb később fog a pic elindulni a tápfesz bekapcsolása után.
Tom Lord a feliratokat, hogy csináltad a panelra?
Szerintem felvasalta mint a vezetékeket, vagy tévedek ?
A panelt Poz. 20-al, a felirat vasalásos technika.
Csak bakelit lapra sikerült tökéletesre, az üvegszálasra nem tapad rendesen. Ez hogy tetszik?
Nem egészen, amit én írtam, az az RC tag a kvarc helyett.
A reset ák. (amiről te beszélsz) az 10kohm, és 10uF, persze ez is tág határok között lehet, de ettől nagysárenddel ne térj el!
Jó ez a feliratozás.
Csak ha magamnak építek áramkört akkor valósznü, hogy nem sok hasznát veszem. Esetleg addig mig beforrasztom és bedobozolom. De minden esetre jól néz ki.
Csak akkor csinálok ilyent, ha nem tervezem a bedobozolást.
Minden jól van, tuti, átnéztem 30-szor.
egyébként: (az a sok vezeték nem kell, csak egyetlen átkötés van a nyákon vezetékkel) (tükrözni kell a nyákot!)
Először talán az, hogy a PIC égetéséhez 13V- ra van szükség, és ezt nem mindegyik alplap soros port tudja.
A másik, ha a programozásnál úgy állítottad be az égető progit (nem csak az ICprog-nál!), hogy a prg védelmet beállítottad, akkor nem lehet kiolvasni, az-az ellenőrizni. Ha ilyent akarsz írni, akkor az írás ellenőrzést át kell állítani a lépésenkénti ellenőrzésre (minden írási ciklus után ellenőriz).:yes: Ok?
Én belemértem az égetéskor, és 3-5V-ig változott csak a fesz. Lehet az lenne a gond. De nincs régi gépem, se op. rendszerem. :eek2: Ja amúgy ezt irja ki:
werifi failed at adresse 0000h
Keress rá a neten, az égetődet ki kell egészíteni külső táppal.
El kell hogy szomorítsalak, kiolvasni sem tudod! Ez csak az ICprog tréfája.
A kapcsolás egyik nagy gyengéje, hogy a programozófeszültséget a soros portról veszi, ami a mai gépegben még a 10V-ot is ritkán éri el. A 470µF-os kondi pont ennek a problémának a részleges megoldása. Nem csinál mást csak megtolja a feszültséget (pufferel). Ezt pedíg azért lehet megtenni, mert a programozás nem folyamatos, hanem impulzus szerű. A zener pedig nem hagyja, hogy a progfesz 14V felé menjen. Szóval valószínűleg a PC-d párhuzamos portja, nem ad le elegendő feszültséget. Megpróbálkozhatsz egy nagyobb értékű kondenzátorral, vagy lemondassz róla, és másikat építesz. Én spec ezt a programozót használom, és működik hiba nélkül, de csak mázliból. Van ennek a kapcsolásnak egy kéttranyós változata is. Kipróbál6od azt is... Ha egyik sem megy, akkor vagy külső tápot használsz, vagy feszültség többszörözőt.
Erről beszéltem nyuszómuszó (prg. védelem)
Ne vezesd félre!
Az égetője soros portos!
Akkor tudna vki mellékelni egy rajzot, hogy hogyan egészitsem ki a jelenlegi kapcsolásom?!?
ez az előbb lemaradt egy kép,
egyébként az én égetőm nem kap külső tápot de minden gépen megy, leptopon is amikor már az akksiban alig van! (olimex féle égető)
De arra a kondenzátoros tippre gondoltam. Aztán ha nem megy akkor
masikat.
Igazad van bocs... csak előbb egy másik topikban a paralell volt téma, és már belezavarodtam... a lényegen ez mondjuk nem változtat. Azért köszi a korrekciót!
Kiegészítés: Hát a legjobb, ha külső tápot használsz. A PIC tápfeszültségét tedd állandóra (közvetlenül 5V), a prog feszültséget (13V) pedig egy tranyón keresztül add neki. A tranyót TxD vezérelje! Ezt a kapcsolást meg próbáld ki nagyobb kondival.
Erről lelesheted, hogyan kell a külső tápot aplikálni, ill. ha, soros égetőt akarsz,ezt építsd meg:
|
Bejelentkezés
Hirdetés |









És mit keressek







