Fórum témák
» Több friss téma |
Szia!
Egy próbát megér: Bővebben: Link Ha csak 1 gombot használsz akkor van esély hogy bele lehet faragni. Minden esetre 800Ft még mindig jobb mint 5000.
Ha a második kép az autó huzalozása, akkor ez nem egy sima cucc, 4 vezetékes...megmondom neked, hogy ettől a rajztól rosszul vagyok, nem értem...nyit, zár, nyilak, karikák, diódák, táblázat a rajzba illesztve...
A mai riasztók zömében 2 relé van erre, 6 kivezetéssel. A te riasztódnál ez úgy néz ki nincs, csak 2 testet kapcsoló kimenet, ami valószínű tranzisztoros. A riasztónál meg kellene nézni, hogy ez a 2 kimenet mennyivel terhelhető. Bár mindegy, mert ide ez nem is lesz jó sehogy... Bár, ha jól értelmezem a rajzot, akkor a nyitáskor testre kötött sárga/piros mellett még a diódákat is zárogatja rövidre...várjunk csak...lehet, hogy tényleg ennyi, de minek közben soros diódákat fordítgatni? Kell egy kimenet a riasztódon, ami a riasztó ki/bekapcsolásakor vált állapotot és fixen úgy marad. Erre jó lehet a gyújtástiltás, de nem biztos, hogy rögtön kapcsol. Erre kell kötni egy relét, ami testet kapcsol a piros/sárgára. De, hogy fogja-e szeretni? Jó sokat dumáltam mellé...nincs kedvem törölni...hámozd ki, hátha jó! A hozzászólás módosítva: Okt 6, 2013
Ma egész nap ezen dolgoztam, végül elvágtam a piros-sárgákat, és a központizár vezérlőbe, a piros-sárgák helyére kötöttem a riasztóból jövő két vezérlő szálat. Így elsőre jónak tűnt zárásra zárt stb, de egyszer csak (szerintem egy sikertelen nyitás után), megfordult a dolog, és zárásra nyitott. Ekkor kezdett sötétedni, úgyhogy abbahagytam. Arra én is gondoltam, hogy egy plussz relével talán működne. Úgy talán a sárga-pirosakat sem kéne elvágnom.
Köszönöm! Holnap megpróbálom folytatni. Csak az zavar kicsit, hogy az autóriasztós simán beköti az ilyen riasztókat, és azt mondta sima ügy, ha egy kicsit is értek hozzá nem gond bekötni, a leírás alapján viszont kizárt hogy működjön. Az indexek villogtatásával is 2 órát szívtam, pedig elvileg csak egy vezeték. Már bánom hogy nem rakattam be 10ezerért.. Idézet: „Már bánom hogy nem rakattam be 10ezerért..” Ez egy kulcsmondat. Ez is egy szakma, sok múlik az elméleti ismereteken (pl. elektroműszerész), de kell a gyakorlat is. Nem hinném, hogy pl.autóvillamossági szerelők tanulnak ilyesmit, mint ahogy a műszerészek meg gyújtást, meg hasonlókat. Arra kíváncsi lennék, hogy mennyire követi az oktatás a járművek modernizálódását... Na, most nézzük a többit: Idézet: „végül elvágtam a piros-sárgákat, és a központizár vezérlőbe, a piros-sárgák helyére kötöttem a riasztóból jövő két vezérlő szálat.” Ez így egy marhaság. Minek vágtad el? A 2 piros sárga függetlennek tűnik, de ugyanazt csinálja, csak az egyik a bal, a másik a jobb oldali autó. Szinkronban mennek, lehet, hogy belül közösítve is vannak. Erre te az egyik ajtónak adsz nyitó, a másiknak meg záró impulzust. Közben elvágtad, úgyhogy kulccsal/gombbal már nem is megy... Tettem fel kérdéseket, adtam ötleteket, de nem azt csináltad. Miért írjak neked ide ezentúl valamit is még? Erre válaszolhatsz, ha akarsz... A hozzászólás módosítva: Okt 7, 2013
Persze hogy nem azt csináltam, mert este olvastam a hozzászólásodat. Ma még próbálkozok. Ha nem vágom el a sárga-pirosat, akkor csak nyit, vagy vagy zár-nyit egyszerre.
Szia!
Köszi a tippet,egy próbát megér...Bár attól tartok,hogy nem elég vastag ahhoz,hogy az enyém beleférjen. Üdv: Attila
Idézet: „Ez egy kulcsmondat. Ez is egy szakma, sok múlik az elméleti ismereteken (pl. elektroműszerész), de kell a gyakorlat is. Nem hinném, hogy pl.autóvillamossági szerelők tanulnak ilyesmit, mint ahogy a műszerészek meg gyújtást, meg hasonlókat. Arra kíváncsi lennék, hogy mennyire követi az oktatás a járművek modernizálódását..."” Kimondottan nem tanítanak központi zár bekötést, de tanítanak ellenállásokat, tranzisztorokat, kondenzátorokat, sőt még számításokat és méretezéseket is. Autószerelő technikusoknak leginkább az elektronikai részével foglalkoznak (pl. CAN_BUS rendszer, PDTDI és egyéb nyalánkságok. ![]() ![]()
Akkor azok alapján amit leírtál rajzoltam valamit. Nekem ez teljesen új, nem találkoztam ilyen vezérléssel...bár már nem is dolgozom aktívan ebben.
A 2 relé valamilyen 12VDC 1 morzés, nem baj ha nem az autós típus (75ohm körüli behúzóval), hanem inkább egy kisebb elektronikai boltban kapható. A működés: Azt írtad, hogy testre zárva nyit, elengedve zár (vagy a rajz alapján, már magam sem tudom). Ez így alapból átengedi a zár állapotát (tehát mintha ott sem lenne, működnie kell), viszont ha jön a riasztótól az impulzus, átváltja a zár helyett. Gond lehet, ha kevés neki a riasztótól kapott impulzus hossza (elektronikus zárnál 0.75-1s). Meg kellene nézni a leírást, lehet-e állítani levegőshöz 3,5s-re, ha túl rövid.
Sziasztok!
Segítsséget szeretnék kérni! Thunder CA106 riasztónál, hogy lehetne a megerősítés funkciót(utolsó ajtócsukástól 10 mp-re a sziréna 3szor megszólal és a fények 3-at villannak) kikapcsolni, vagy kiiktatni?
Még egy kis segítség kellene, hogy a riasztó működjön, a megerősítés funkció pedig ne! Köszi!
Hétvégén egy nagyon jó ismerősöm anyukájának a régi Swiftjébe kellett beraknom egy távirányítós 4 ajtós kp zárat. Kisebb szívásokkal be is került. Vagy a zár kopott annyira már, vagy az 5 vezetékes (amiből már csak 1 van a szettben) kp zár motor, meg a vékony rudazat nyeklik annyira, hogy életemben először nem tudtam beállítani, hogy kulccsal is menjen a nyitás zárás minden ajtóra. Vagy az egyik, vagy a másik. Az ajtón levő gombbal megy, távirányítóval megy. Inkább arra állítottam, hogy véletlenül se nyisson vissza, inkább maradjon zárva a többi. Így jó is, hogy csak 1db 5 vezetékes van!
![]() Régebben egy másik fajtánál már eszembe volt, hogy csinálok képeket, hogyan spórolják ki az anyagot a kp zárakból... most megtettem. Ha nem lett volna itthon még maradékom, nem tudtam volna berakni ezekkel a lemezekkel...rövidek...és vékonyak is. A pálcák is, simán el lehet őket csípni fogóval, ez régebben nem volt egyszerű... A kábelköteg a Swifthez épp jó, de nagyobb autónál lehet toldani. Sajnos a motorokba nem látunk bele, de kézzel mozgatva is érződik, hogy ott is spóroltak. Legközelebb (ha még fogok szerelni) egy Spal-ra beszélem rá őket, legutóbb annál még rendes minőséget láttam...a képeken pl. az ahhoz tartozó szerelvény az első a sorban mindháromnál. Ja az összekötő elem...régebben kis tömb, kihegyezett, fekete, acél, imbuszfejű hernyócsavarokkal. Aztán sima csavar, nagy buci, aztán kisebb buci, lemezből hajlított (törtek), aztán már ilyen kis buci, sima csavarokkal. Bár meg kell mondjam fel lehetett szerelni, de félek, hogy le fog majd lazulni... Központi zár "evolúció"... A hozzászólás módosítva: Okt 20, 2013
További érdekesség, ez a Suzuki magyar honban készült! Valamint ha jól látom, Laci szereti Edinát?
Sziasztok!
A gondom a következő: A kollégám swiftjében (régi swift) van egy riasztó beépítve,szerintem nem gyári. A távirányítója a következőképpen néz ki.Szerintem az pusztulhatott el.Elemek jók,LED villog rajta. Mi lehet ennek a gyártmánya? A riasztó csatlakozóján az MNC-1066... valami felirat látszik,gugli komám nem dobott rá semmi értelmeset. Egy fekete doboz,fekete vezetékekkel. István
Köszönöm a segítséget, elnézést hogy csak így utólag.
A vége az lett, hogy egy kedves ismerősöm bekötötte, nem tudom mit hogyan de működik rendesen.
Örülök, hogy jó lett, de légyszíves kérd meg az ismerősöd, hogy nézzen rá a rajzomra, hogy így csinálta-e, vagy rajzolja már le, hogy legyen itt egy megoldás a kérdésedre. Ez a fórum erre való, kérdések és megoldások.
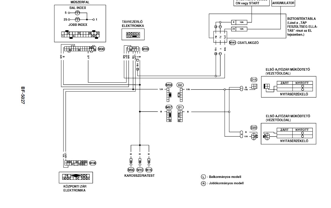
Szóval: A kapcsolási rajzot elemezve kiderült, hogy az újabb típusban (mely már gyárilag távirányítós) a távirányító vevő egység, és a központi zár vezérlő egység két vezetékkel csatlakozik egymáshoz, melyből az egyik az ominózus piros-sárga, amelyikkel már korábban is sikerült úgy emlékszem a nyitás. A másik egy az én központi zár vezérlőmön üres lábra csatlakozik. Ezt az üres lábat felhasználva tökéletesen működik a távirányítás.
Mellékelem a rajzot. Még egyszer köszönöm a segítséget! A hozzászólás módosítva: Okt 24, 2013
Ezt így továbbra sem értem. Maga az ajtózárban levő mikrokapcsoló egy vezetéken is tudja vezérelni, de mégis kellett egy plusz szál, ami nem is volt bekötve sehova? És melyik volt az a szál?
A képen, amit tegnap raktam fel az egyel újabb évjáratú, már távirányítós központizár rajza van (illetve csak a távvezérlő elektronika része). Ezen látható, hogy két szálon "kommunikál" a táv és a központi. Az egyik szál (sárga-piros) az ajtótól a központivezérlőbe, és a távvezérlő elektronikába is megy. Ez a sárga-piros az én autómban is megvan, csak ugye értelem szerűen nincs gyári távvezérlő elektronika. Erre kellett bekötni a riasztóból jövő egyik vezetéket. A rajzon a távtól a másik szál csak a központi vezérlőbe megy, esetemben ugye ez a szál nincs, de a helye a központizár vezérlő csatlakozóján megvan, csak üres. Ide kellett bekötni a riasztótól jövő másik szálat. Így tulajdonképp úgy van bekötve, mint a gyári. Egyik szál nyit, másik csuk. Szerintem az bonyolítja a dolgokat, hogy a központizár vezérlőm elég bonyolult szerkezet, tulajdonképpen komfort elektronikának kéne nevezni, ez vezérli a belső világítást, figyeli az ajtókat, zárakat stb. Teljesen nekem sem egyértelmű minden, bár azért kezd világossá válni, de a lényeg hogy hibátlanul működik.
Illetve most világosodtam meg: Ha kulcsal nyitom, a piros sárgát testre teszem, a vezérlő a többi zárat is nyitja, és tudja hogy nyitva van, mert testen marad a piros sárga. Ha ez az állapot megváltozik, a vezérlő zár. Csak akkor változik ez az állapot, ha manuálisan zárom valamelyik ajtót, VAGY ha a vezérlőt az ominózus (nálam eredetileg nem létező) szálon "utasítom".
Így lehetséges, hogy távirányító nélkül működik a kozpontizár vezérlése egy szálon is. A hozzászólás módosítva: Okt 25, 2013
Kezdem érteni, köszi. Már csak az a fura, hogy a zárhoz miért is nem vitték mindkét szálat, miért csak egyet...mérnökök, eh...
Örülök, hogy jó lett, kár, hogy nem lehetett kipróbálni az én rajzom...
Mesterek! Van olyan program ami különböző kapcsolási rajzokat tartalmaz. Ami olyan mint mondjuk az autofitt csak kapcsolási rajzokkal felvértezve?
Sziasztok!
Van valakinek esetleg Ariane 696C típusú riasztóhoz bekötési rajza vagy egyéb doksija? Egy távom van hozzá, de már az sem vezérli. Jel átmegy, de nem reagál rá. Köszi
Sziasztok! Én egy olyat szeretnék kérdezni, hogy központi zárnak a kulcsából, meg lehet e állapítani, bevizsgálással, hogy utoljára zárásra, vagy nyitásra használták az autón. Köszönöm B
Sziasztok! Van egy Wv polom1.4 16v 2004- es kiadású. Vettem egy MISTRAL MAX2T tipusú risztót,a centerzár bekötéssel megakadtam,ha van aki ismeri hogy kell bekötni ezt a tipust, a vezeték szinezését leírom.A riasztobol kijövö szinek zárásra fehér sárga narancs, nyitásra fehér/fekete sárga/fekete narancs/fekete. Mivel szétbontottam az ajto kárpitot egyértelmü szinek mennek a zárba. barna kék/fehér lila/zöld barna/sárga zöld/sárga lila/sárga.Aki tud segiteni melyik színt melyikkel kössem megköszönném
A hozzászólás módosítva: Nov 13, 2013
Szia
Én is gondolkoztam ilyenen de végül nem volt idöm vele foglalkozni de a fabia forumon van elég sok leirás az utolagos bicskakulcs topicban. Mindezt azért írom le mert ugyan az az elektronika mint a fabia.
Nem tudom a gyári színeket a VW-ben, sem a Mistral kimenetét nem ismerem (de nagyon úgy néz ki, hogy variálható, 2 váltóérintkező van kivezetve NC, COM, NO), de többször le lett itt már írva, hogyan kell megkeresni a vezérlő szálakat méréssel.
|
Bejelentkezés
Hirdetés |


















