Fórum témák

» Több friss téma
Fórum » Relé helyettesítése tranzisztorral
Lapozás: OK   2 / 3
(#) Soul válasza Stewe hozzászólására (») Aug 6, 2010 /
 
Nagyon köszi!!
(#) Stewe válasza Soul hozzászólására (») Aug 7, 2010 / 1
 
Kérek még egy kis időt, még nem tudtam stabil cuccot összehozni
(#) Soul válasza Stewe hozzászólására (») Aug 7, 2010 /
 
okok, csak nyugodtan...már annak is örülök, hogy foglalkozol vele, az idő meg nem lényeg...
(#) Soul válasza Soul hozzászólására (») Aug 31, 2010 /
 
Próbáltam kikísérletezni valami működö megoldást, de nem boldogulok...
Tudna valaki esetleg ajánlani valami szimulációs programot?? Gondoltam megpróbálom úgy összehozni...
(#) mhatalyak hozzászólása Szept 16, 2010 /
 
Üdv, azt szeretném megoldani tranzisztorral, hogy a motorom gyujtását testre húzza, hogy ha áramtalanítom a motort. Eddig úgy volt megoldva, hogy egy relét kapcsoltam sima 2állású kapcsolóval, de az sajnos tönkrement és most nincs másik, ezért szeretném tranzisztorral kivitelezni. Én úgy gondoltam, hogy a Bázisra 68Ohm ellenállás és erre a +12V Emitter testre, Collector pedig a gyujtás kill switch re, amit testre kell zárni, hogy nelegyen szikra. Ez így működőképes, vagy esetleg kell még valami dióda? Sima NPN tranzisztort használnék.
(#) weasels hozzászólása Okt 20, 2010 /
 
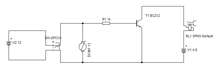
Üdv. Az alábbi kapcsoláshoz kérném a segítségeteket.

Elég kezdő vagyok az elektronika témában, úgyhogy előre elnézést. Szóval a mellékelt áramkörrel azt szeretném megoldani, hogy amint a motor forgásírányt vált, akkor a tranzisztoron keresztül egy behúzótekercs (tulajdonképpen egy kioldószerkezethez kapcsolódik mechanikusan) meghúzzon. A képen egy relével helyettesítettem. A lényeg, hogy a motor áramfelvétele miatt nem tudom egy egyszerű diódával megoldani a dolgot, mert nem jut elég áram a behúzótekercsre. A lényeg, hogy így külön tápról szeretném üzemeltetni a tekercset, és lehetőleg minimális árammal tudjam vezérelni a tranzisztort. A tekercs ellenállása 20 Ohm, amit 4,8 V-al számolva 240 mA-t kéne áthajtanom a tranyón. A mellékelt ábrán nem számoltam az ellenállást, hanem a TINA nevű programmal modelleztem a dolgot, és addig kísérleztem még nem tetszett az eredmény. Viszont valamiért nincs meg a 240mA a relén, ha az ellenállását 20 ohm-ra állítom. Tulajdonképpen abban kérném a segítséget, hogy egyáltalán működhet-e ez így, vagy valamit nagyon elpacsáltam. A rajzon az irányváltó kapcsoló csak szimulálja a polaritásváltást, a valóságban ezt egy elektronika végzi. Tulajdonképpen egy távirányítós hajó motorjairól van szó. Segítségeteket ekőre is köszönöm.

kioldó.JPG
    
(#) weasels válasza (Felhasználó 13571) hozzászólására (») Okt 21, 2010 /
 
Szia!

Köszönöm szépen a segítséget!
(#) weasels válasza (Felhasználó 13571) hozzászólására (») Okt 21, 2010 /
 
Szia mégegyszer

A 10k-s ellenállásnak mi a szerepe az áramkörben?
(#) weasels válasza (Felhasználó 13571) hozzászólására (») Okt 21, 2010 /
 
Ok. köszönöm
(#) rockersrac hozzászólása Jan 17, 2011 /
 
Sziasztok! Olyan helyzet állt elő, hogy haverommal elektro mechanikus, 7szegmenses kijelzőt szeretnénk építeni, és a reléket szeretnénk kiváltani tranzisztorral. Az még menne, hogy megnyomok egy gombot, és kinyílik a hozzá tartozó szegmens. Eddig még meg tudnám oldani, csak valahogyan be is kellene csukni másik gomb megnyomásával(tekercs polaritás váltással), és itt jön az a rész ami nekem már magas, és segítséget kérnék tőletek! Ilyen kijelzőt szeretnénk építeni haverommal, annyi különbséggel hogy nem kézzel lennének a szegmensek mozgatva, hanem elektromágnesesen!
(#) lefituta hozzászólása Ápr 29, 2011 /
 
Kérek egy kis segítséget a nálam tudósabbaktól. Van egy időzítő kapcsolásom 555-el ami egy tranzisztort kapcsolgat úgy, hogy a kollektorkörben van egy relé.Ez a relé kb 12V 1 amperes fogyasztót kapcsolgat. Mivel nagyon kattog szeretném a tranyót egy nagyobb teljesítményűre cserélni, hogy az kapcsolgassa az áramkört relé helyett. Mit használjak, hozzá mert jelenleg egy BC 182 van benne de gondolom nem tehetek helyette egy az egyben mondjuk egy 3055-öt
(#) Zerolee hozzászólása Jún 5, 2011 /
 
Sziasztok.Láma vagyok ebben a kategóriában és egy frappáns megoldás kellene.Tehát egy nyomógomb és három művelet.
1. kapcsolás motor forgás előre és vissza.
2. amikor ezt a műveletet befejezi akkor nyomógomb újra és mágnes tekercs behúz és elenged.
3.nyomógomb újra és második mágnes tekercs behúz és elenged.
6 voltról működik az egész a motor kis áramú és a tekercseknek is egy kisebb vasmagot kell behúzniok.
És még egyszer ez 1db nyomógomb nyomkodásával szeretném elérni. Köszönöm előre is a segítséget.
(#) Peter65 válasza Zerolee hozzászólására (») Jún 5, 2011 /
 
Szia!
Jó lenne egy kissé részletesebb leírás.
Az 1. nyomógomb megnyomás után meddig kell a motornak előre illetve hátra forognia? Adott ideig kell, vagy a motor által létrehozott mozgásnak kell egy pozícióba eljutnia?
Hasonló pontosítás lenne szükség az elektromágnesekkel kapcsolatban is.
Ha nagyfokú rugalmasságra és egyszerű hardverre van szükséged, akkor valamilyen mikrokontrollerrel kellene megoldanod, persze ehhez ismerni kell az eszközöket.
Felépítheted CMOS kapukból is, pl: prelmentesíted a nyomógombot, egy siftregisztert léptetsz vele, amik egyes kimenetei indítják a kívánt funkciókat.
Ezek nem túl frappáns megoldások, de járhatóak.
(#) Mokka6 hozzászólása Júl 20, 2011 /
 
Hello

Abban szeretném a segítségeteket kérni, hogy kibeleztem egy USB-s billentyűzetet (csak a panel maradt a 3 leddel). Azt szeretném megoldani, hogy a 3 lednek a csatlakozását külön-külön jelforrásnak használjam (a gépbe ha 2 bill. van bekötve akkor ha az egyiken bekapcsolom mondjuk a num lock-ot akkor a másikon is világít). A ledeket programmal szeretném vezérelni és valószínű, hogy néha elég sűrűn kell majd "villognia" és nemtartom valószínűnek h relé az bírná. Ehhez szeretnék egy tranzisztoros kapcsolást készíteni. Maximum 12V/1A lenne rá kapcsolva.
Válaszokat előre is köszönöm.
(#) tama8203 hozzászólása Ápr 24, 2012 /
 
Sziasztok!
Kettő külön áramkörön lévő fogyasztót szeretnék kapcsolni egy kapcsolóval. motoron lévő indexnek vészvillogót kapcsolni egyszerre mind a négyet. Két áramkörös kapcsolóval meglehetne oldani, de nem találtam belőle kis méretűt, és ezért gondoltam, hogy tranzisztorral meg lehetne oldani. Tudnátok erre egy jó megoldást, kapcsolási rajzot. Elég láma vagyok ehhez a tervezéshez, de ha a terv meglenne már megtudnám építeni.
Köszi
(#) pont hozzászólása Máj 22, 2013 /
 
Esetleg létezik olyan IC ami ezt tudja?
A hozzászólás módosítva: Máj 22, 2013
(#) kezdo2 hozzászólása Aug 24, 2013 /
 
Sziasztok!

A mellékelt kapcsolásban a relét helyettesíthetem tranzisztorral? (pl. BC517-el)
(#) kadarist válasza kezdo2 hozzászólására (») Aug 24, 2013 /
 
Szia!
Mit szeretnél kapcsolni a relé helyett tranzisztorral?
(#) kezdo2 válasza kadarist hozzászólására (») Aug 24, 2013 /
 
12V-os egyenáramú motort.
(#) kadarist válasza kezdo2 hozzászólására (») Aug 24, 2013 /
 
Mekkora teljesítményű az a motor? Mert ugye a tranzisztornak el kell bírnia a motor áramát is.
(#) kezdo2 válasza kadarist hozzászólására (») Aug 24, 2013 /
 
Kicsi, olyan 5W körül lehet...
Az adatlap alapján a BC517 1A kollektor áramot bír. Annak elégnek kell lennie ezek szerint.
Valami ilyesmi kapcsolásban:
A hozzászólás módosítva: Aug 24, 2013
(#) kadarist válasza kezdo2 hozzászólására (») Aug 24, 2013 /
 
Ezt a rajzot inkább töröltesd... Az eredeti rajzon a relé behúzótekercsének helyére kösd be a motort és a diódát pedig hagyd meg.
(#) eyess válasza kezdo2 hozzászólására (») Aug 24, 2013 /
 
Szerintem , ha motort akarsz vele vezérelni , akkor oda izmosabb tranzisztort válassz .A BD sorozat , vagy a 2N sorozatból , és nem árt majd hűtőbordára szerelni a tranzisztort..
(#) kezdo2 hozzászólása Aug 24, 2013 /
 
Igaz, tényleg fölösleges a második tranzisztor.
Kösz!
(#) Sebi válasza kezdo2 hozzászólására (») Aug 24, 2013 /
 
Az itt nem lesz elég, azonnal megsül. Ez ugyebár egy késleltetett meghúzású relé - megjegyzem elég célszerűtlen kapcsolással. Amikor a potin és a soros ellenálláson keresztül feltöltődik a kondi annyira, hogy a tranzisztor bázisán eléri a nyitófeszültséget, akkor a relé meghúz. Erre jó a BC, de gondolj bele: ez egy analóg jel a bázison, tehát ahogy közelíti a nyitófeszt, a tranyó már elkezd vezetni és áram folyik a kollektorköri relé tekercsen - lassan emelkedve, míg el nem éri a meghúzáshoz szükséges értéket. Eközben a tranyó melegszik, hiszen az a feszültség, ami nem a relé tekercsen van,az őrajta alakul hővé.Tehát még attól is függ, hogy ebben a kapcsolásban kibírja-e egy BC, hogy mennyi ideig tart a köztes állapot - mennyi idő múlva szaturálódik (nyit ki teljesen) a tranzisztor.
Ha Te motort szeretnél késleltetve kapcsolni tranzisztorral, akkor elektronikusan kell megoldani a komparálást (egy feszültségszint feletti határozott kapcsolást) - amit itt a relé mechanikai jellemzői döntenek el.
Szükséged lesz egy IC-re (vagy két tranzisztorrra) ehhez a funkcióhoz. A végére pedig egy combosabb tranyóra, pl.: BD139(NPN), vagy - ha a motort feltétlenül a GND-re kell kötni - akkor a BD140(PNP) típust is választhatod.
(#) helo hozzászólása Dec 16, 2013 /
 
Kedves fórumozók! Szeretnék építeni egy olyan áramkört amelyiknek két plusz vezetéke van.Egy állandó és egy másik amit ha a pluszra teszünk megszakítja az áramkört. Autóba kellene,hogy a gyujtás ráadásakor szakítsa meg a villogó led áramkörét.Ha van valakinek a relén kívül valami más
megoldása azt megköszönném A kezdők között is amatőr vagyok ezt vegyétek figyelembe .
Üdv. Mindenkinek: helo
(#) potyo válasza helo hozzászólására (») Dec 16, 2013 /
 
Erre szerintem simán jó az, ha a ledet az állandó akku plusz és a gyújtáskapcsoló által kapcsolt plusz közé kötöd be, nem kell hozzá semmi további kapcsolás.
(#) pont hozzászólása Dec 16, 2013 / 1
 
Vagy így:

led.JPG
    
(#) vicsys válasza pont hozzászólására (») Dec 16, 2013 /
 
Azért azt a BC tranyót soros bázisellenállás nélkül így használni, elég veszélyes.
(#) pont válasza vicsys hozzászólására (») Dec 16, 2013 /
 
Szerinted mekkora kellene elé?
Következő: »»   2 / 3
Bejelentkezés

Belépés

Hirdetés
XDT.hu
Az oldalon sütiket használunk a helyes működéshez. Bővebb információt az adatvédelmi szabályzatban olvashatsz. Megértettem