Fórum témák
» Több friss téma |
Fórum » LED-es kivezérlésjelzők
Témaindító: KeserűCukor, idő: Márc 27, 2006
Témakörök:
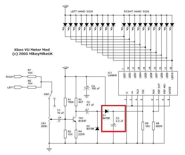
Egy 2,2µF-os megteszi, nekem csak az van itthon...
Szia
Ok, igy márt kezdem érteni. Mint az előtem szolók írták a C3, C4, kondenzátorral sokat tudsz segíteni a villogás gyorsaságán ( minnél kisseb a kondenzátor annál gyorsabban villog. ) Hogy a teljes kijelzőn átfusson a fény azt a kijelző IC 4lába . ami jelen pillanatba testen van, és a kijelző IC 6 lábán beállítot feszültségektől függ. Így a R3 és a R9 ellenállást kell változtatni. ( ha kissebre veszed akkor még kevesebb LED fog ugrálni. Én 3 Kohm vagy 5 Kohm között nézném meg. Ha lineális most 3LED mozog 1,5Kohm al ha 3Kohm ot teszel akkor 6LED nek kell mozogni. üdv. A hozzászólás módosítva: Dec 13, 2013
A 2,2µF-tól már elevenebb lesz. Ha azt szeretnéd például, hogy egy dobpergést is villogva jelenítsen meg 470-680nF-ig is le kell menni. A 2,2µF kondenzátorból köss sorba 2-3-4 db-ot, kísérletezz bátran!
Jó lett ez...
![]() https://www.dropbox.com/sc/dqfb2a631y30u96/vF2zRODbei A 2,2µF kondenzátorral sokkal fürgébb lett, meg van itthon 220nF-os is, lehet megnézem azzal is...
Nem jó az egyik LED (talán a 3.). Valójában egyik se jó, mert ezek a nagy fényerejű LED-ek nem erre valók, hanem világításra. Ide sokkal látványosabb lenne egy hagyományos LED-sor, ami még nem süti ki a szemed, de már jól jelzi szintet.
A 6-os láb a komparátorok ellenállás sorának a vége. A VR1 itt érzékenységet szabályoz.
D1 nyitófeszültsége miatt 500mV-os jel alatt nincs kijelzés. Nem sok örömedet lelnéd benne.
Igen tudom a 3. led az nem világit, nincs odaforrasztva az egyik lába, nem maradnak benne a ebben nyákban, csak tesztelés kedvéért raktam be a ledeket, ilyen erős fényűeket akartam.
reloop Ok akkor hanyagolom, viszont szerintem a D1 diódat mással is helyettesíthetném... Amúgy ebben is 1N4148-as dióda van, mivel nekem nem volt itthon 1N4151-et hasznaltam, az ugye nem okoz gondot?
Sziasztok
A reloop kolléga által belinkelt kivezérlésjelzőt szeretném megépíteni, de több leddel.A 3915 kimenetére tehetek-e sorosan több ledet, természetesen a tápfeszt figyelembevéve. Azt hiszem, az 25V lehet max, tehát a 3,2V nyitófeszültségű ledből tehetek(nék) kb.7 db-ot.Megodható? Illetve a kapcsoláson kell-e valamit változtatnom. Köszönöm a segítséget
Hello! Lehetséges. Nem kell változtatni, mer a kimenetek áramgenerátorosak. De a 25V már kissé "durva" hiszen az a maximum felső határa. Valamint számolni mindig úgy kell, hogy a Led-ek nyitófeszültségnek összegén felül, még 3..4V jusson az áramgenerátor működésére is. üdv!
Az 1N4151 is megfelel a kapcsoláshoz.
Itt egy egyszerű csúcsegyenirányító, mely az 500mV alatti jeleket is képes kezelni.
Sziasztok!
AN6884-gyel szeretnék kapcsolást tervezni. Hogyan tudom a dB értékeket feszültségértékre visszavezetni? Adatlapban csak annyi áll, hogy kb. hány dB-től melyik LED világít. Adatlap Esetleg van valami hasonló olcsó IC, ami lineáris? Most ebay-en KA2284-et néztem ki, 3$ 10db, és ugyanaz mint az AN6884. Köszönöm a választ!
Szia! A komparátorok referenciafeszültségei valahogy így alakulnak: C5 1,1V; C4 0,78V; C3 0,55V; C2 0,31V; C1 0,175V. Az Amp. névleges erősítése 20-szoros.
Szia!
Köszönöm a segítséget! Ezek az értékek milyen képlettel jöttek ki? 0db-hez 0,775mV tartozik, ezt sejtem. Nem tudom kitalálni. Ez alapján próbálkozok.
De ott van az is, hogy a *GD3 világításához (0 dB kijelzése) hány mV kell a 7-5, és 8-5 lábak közé.
Ha ezt beállítottad, akkor 6 dB=2 szeres, 3 dB=1,41 szeres, 20 dB=10 szeres, 10 dB=3,162 szeres feszültség viszonyt jelent. Ebből kiszámíthatod a dB értékhez tartozó feszültség szinteket.
A decibel értékből a feszültségarány úgy jön ki, hogy tízet a decibel érték huszadrészére emelünk. Például 3dB az 103/20 ami √2 értékével (1,41) is azonos. Az 5dB megfelel 1,778-as aránynak. (a Windows számológépe tud hatányozni)
Említed a 0dB 0,775mV-ot. Itt most félreértésre adhat okot miként is kerül kijelzésre a 0dB. A 8-as lábra a belső erősítő miatt ennek csak a huszadrészét kell juttatni. A 0dB-t jelző komparátornak azért 0,55V a referencia feszültsége, mert a 0,775mV effektív feszültségű szinusz jelnek 0,55V az amplitúdója. (Itt is √2 a szorzó, de semmi köze a 3dB-hez!)
Kezdem érteni.
Összegzem: 26dB-t erősít a belső erősítő, ami ~=20X.0dB-nél 1,1V-ot kap a belső komparátor. Ehhez kintről nekünk 1,1/20V-ot kell adnunk: 55mV. +6dB-nél: 55mV* =110mV, 3db-nél 55mV* =77,7mV. 0dB-nél: 55mV, -5dB: 31mV, -10dB-nél: 17,4mV.Lemértem közben: +6dB: 114mV, +3dB: 82mV, 0dB: 58mV, -5dB: 31mV, -10dB: 18mV. Tanulságos volt, köszönöm Reloop és Pucuka a tippeket! szerk: Valami nem stimmel ezzel a képletszerkesztővel. Ezt írtam be: [m ]10^(26/20)[ /m] Jó éjt! A hozzászólás módosítva: Dec 13, 2013
A hatványozást a válaszablak felső index (nyíl felfelé) gombjával egyszerűbb beírni.
Szép estét!
Lenne egy olyan kérdésem, hogy csináltam egy szereo kivezérlőjelzőt ezzel a kapcsolással és nem oda-vissza villognak a ledek egymás után ütemre hanme egyszerre villog az összes led ütemre. Mi lehet a probléma? A választ előre is köszönöm.
Szia! Erre a kérdésre már párszor leírták a megoldást. A megoldás pedig, hogy a bemenetre köss egy diodát ami pozitiv része vezet az ic fele, és a dioda utan egy kondenzatort, masik labat a testre. Mellékelem, hogy hogyan is. A bemenetére pedig tegyel oda is egy kondit. Ha igy meg nem üt fel maximumra, amiatt van mert kicsi a jel. Amit mellékeltem annak van egy előfoka is, de van Alkoto kollégának egy elkészített komoly kivezérlés jelzője. Nagyon ajánlom.
A hozzászólás módosítva: Dec 15, 2013
Sziasztok!
Nem tudom tudna-e valaki tanácsot adni LM3915 teljesítmény-kijelzésével kapcsolatban. Egy 4-csatornás erősítőt építettem (ez egy autóserősítő volt, de az inverteres részét levágtam) és mindegyik csatornájára raktam egy-egy Lm3915-öt. Mivel 4 és 8 ohmos hangszórókat is meghajtok vele, ezért kapcsolható a bemeneti érzékenysége (10 és 18k bemeneti ellenállás). Az erősítő csatornái 50W-osak, ezért gondoltam, hogy az utolsó led (100W) már csak erősen túlvezérelt állapotában kellene hogy felvillanjon, amit persze nem szeretnék elérni. A problémám az, hogy az utolsó led is világít már még akkor is amikor az erősítő nincs teljesen kihajtva. Elkezdtem méregetni és azt tapasztaltam, hogy a 6. ledtől felfelé már kisebb feszültségnél kezdenek a ledek felvillanni. Pl. a 100W-hoz tartozó utolsó Led nem 10V-nál, hanem 7V-nál lép működésbe. (A mérést 50, 100 és 1k Hz szinuszos meghajtásnál is elvégeztem, digitális multiméterrel váltófeszültséget mérve az erősítő hangszórócsatlakozóján. Itt 4 ohmos terhelésnél dupla feszültségeket mértem, de az ellenállásosztó az LM3915 bemenetén ezt pont felezi). Van valakinek ötlete hogy miért van ez? Azt szeretném ha akkurátusan tudnám a kimeneti teljesítményt kijelezni, de ez így nagyon csal. Segítségeteket előre is köszönöm! Üdv:Zsolt
Szia! Hát erre az ábrára az adatlap nem lehet túl büszke. Az RHI, RLO lábak között van egy logaritmikus ellenállás-sor (lásd adatlap) a tíz komparátor ezekkel hasonlítja össze az 5-ös lábra érkező egyenfeszültséget. A váltakozó feszültségnek csak a pozitív félperiódusában jöhet létre valamely LED bekapcsolása.
Ez inkább csak a vibrálás szempontjából kényes. Nálad ott a gond, hogy effektív feszültséget mérsz, az áramkör pedig a csúcsfeszültségnél is tud kapcsolni. Nézd meg a téma képeit, számtalan jó megoldást találsz csúcsegyenirányításra,mely minden problémádat meg fogja oldani.
sziasztok(!)
lehet pont nem ide illő a_kérdésem,_de elég kezdő vagyok még az elektroinkában(.) megépitettem egy spektrum analizátórt,_ami fent van itt al oldalon müködik is meg minden faxa. van valami oylan áramkör ami mindig akkora jelet visz be a kivezérlésjelzőbe ami épp megfelelő? jelenleg számitógépre van kötve a cucc,_és ugy gépen hangerőnél beállitom hogy épp a megfelelő erősségű jel menjen a kivezérlés jelzőbe,_de igy meg ugye nem szol olyan hangosan a zene(.) az erősitőm az fix nincs melette equalizer meg iylenek,_a számitógépen álitom a hangot mindig. remélem azért érthető hogy mit szeretnék,_porbáltam leirni azért. ![]() köszi előre is aki tud segiteni(.) ![]() Telepítsd fel, ha máshogy nem megy. Bővebben: Link A hozzászólás módosítva: Jan 6, 2014
Szia!
Köszi az infot! Tényleg, erre nem is gondoltam. Az túl egyszerű lenne, ha csak egy ellenállásosztót tennék a bemenetére? (ami gyök2-vel osztja a csúcsjelből az effektívet). Az az érdekes, hogy 1-5 ledig stimmel, 6-10-ig van egyre növekvő eltérés a mért effektív és a bekapcsolási feszültség között. Ha más megoldás nem jöhet szóba akkor tényleg megépítem valamelyik csúcsegyenirányítós kapcsolást ebből a topikból, viszont nem akarom bonyolítani, mert 4 csatornáról van szó. Üdv: Zsolt
Ezt az adatlapból ollóztam ki. A négyszeresének sem megterhelő az elkészítése.
Hello! Ha ezt a kapcsolást építetted meg, akkor a bemenetnél található R45 47kohm-os ellenállást cseréld ki kisebbre. (Mondjuk a felére, ha nemelég, még kisebbre.) üdv!
Sziasztok, valakinek van 3 Ledes kivezérlőnek kapcsolási rajza?
|
Bejelentkezés
Hirdetés |





~=20X.
=110mV, 3db-nél 55mV*
=77,7mV. 0dB-nél: 55mV, -5dB: 31mV, -10dB-nél: 17,4mV.





