Fórum témák
» Több friss téma |
Fórum » ICL7106/ICL7107
De igen össze van kötve csak a műszert 20V-os méréshatárban hagytam és a 001 kijelzéssel nem foglalkoztam. Az előbbi mérések viszont pontosak.
Ref Lo-hoz képest az IN HI most is nulla és ez pontos mérés 200mV méréshatárban van a műszer. A hozzászólás módosítva: Jan 24, 2014
Ekkor viszont helyek lennének a feszültség értékek. De azt változatlanul nem értem, hogy ha a +9V és a COMMON/In-Lo/Ref-Lo pontok között mérsz, miért jelez túlcsordulást. Nem az In-Hi-re tetted a műszer negatív pontját? Mert akkor érthető lenne..
Igazad van In HI és +9V között mérve túlcsordulást jelez, In Lo és +9V között nem.
Viszont a mérőbemeneteket rövidre zárva 090et jelez továbbra is, és nem mér a műszer. A hozzászólás módosítva: Jan 24, 2014
Elég érdekes, mert tulajdonképpen mér is meg nem is. Azért ellenőrizd le az integrátor és auto-zero áramkörök (kondi-ellenállás) beforrasztását, nincs-e ott valami szakadás. Ha nincs, akkor kuka az IC. üdv!
A kisérlet előtt minden jó volt, tehát forrasztási hiba nem lehet. Azóta bolondult meg mióta a 30. lábat leválasztottam a 32-35ről és igy kötöttem be mérésre.
Ezért mondtam az elején h egy tápos táplálásnál és gyári alapkapcsolás szerinti bekötésekkel ezt senki meg ne próbálja mert elszáll az IC. Mint mondtam... a kapcsolás délelőtt még működött ha feszültségmérőként volt bekötve a párjával együtt vagy önállóan. Miután a 30. lábat leválasztottam azóta őrült meg. tehát az IC pusztult el. Gyanitom h funkcionálisan működik még az IC csak a mérőbemenete ment tönkre. A hozzászólás módosítva: Jan 24, 2014
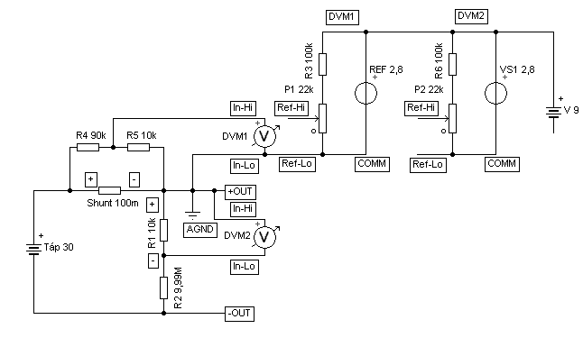
Hello! Lerajzoltam mert az első gond az, hogy "csak a levegőbe beszélünk", így nem látni mit-mikor-hova kötöttél.
Az Orig az eredeti kapcsolás egy DVM-el. A Modi ahogyan kellett volna kötni. De ha így van/volt bekötve, nem lehetett volna gond. Az IC bemenete csak akkor hibásodhat meg, ha az a tápfeszültséghez jelentős túlfeszültséget kap. (Akár statikusan is, mer Gohm-ok a bemeneti ellenállásai.) Az Orig rajzon a műszernek feszültségmérésnél negatívat kellene mutatnia. A Modin a két COMMON akár össze is köthető, mert a magasabb referenciájú "győz". Vagy is az IC-ben egy Fet hajtja meg a belső referenciát, ami csak a -9V felől tud áramot adni. Avagy csak a +9V fel é terhelhető. (Akkor is ez van, mikor a 7107-nél valaki a COMMON-t a táp GND-jére köti.) üdv! A hozzászólás módosítva: Jan 25, 2014
Szia!
Elfelejtetted becsatolni a rajzokat.... A mérőbemenetek tönkremenetele nekem sem világos mivel két antiparalel dióda védi őket, amik 0,7 voltnál megfogják a feszültségeket. Leellenőriztem, a diódák jók. Hogy ha minden jó de mégsem jó ez számomra furcsa.... Átforrasztottam az IC foglalatot de semmi változás. Mindjárt kiszedem az IC-t és az lcd-t átnézem a lábaikat is....
Az orig rajzon a poti értéke nekem 1K , R3 pedig 22K. A gyári adatokat vettem alapul.
A bekötés pedig pontosan ez amit az orig rajzon készitettél, megjegyzem gyönyörű munka.... Igen a módositott rajz szerint kötöttem át... a különbség h a fesz mérő van alapban bekötve és az árammérő lenne az ami elemről menne. Valamint a +9V nem közös. Az árammérő test (26 láb) és + pontja független mindentől, csak az elemhez csatlakozik a másik dvm-hez és a mérendő áramkörhöz nem. A hozzászólás módosítva: Jan 25, 2014
Hello! Az antiparallel diódák, csak a két bement egymáshoz képesti feszültségétől véd. A COMMON-hoz (táphoz) képest még létrejöhet túlfeszültség. Főképpen, hogy ha valamit trafókól táplálunk, mert ugye a két trafó között ott a hálózat és az azzal létrejött kapacitív csatolás. Annak a kapacitív áramnak, mindenféleképpen a tápfelé kell "lemenni".
Az IC bemenetén analóg kapcsolók vannak. Azoknak bemenetének-kimenetének feszültségének valahol a két tápfeszpont között kell lenni. Ha azt túllépi, akkor a belső parazita diódák nyitnak és levezetik az áramot a táp felé. Aztán ezt vagy kibírja, vagy nem. Attól függően, hogy mekkora teljesítményű volt ami meghajtotta. üdv!
A DVM táplálása külön 12V-os trafóról történik. A felépítése: Graetz kocka, egyik bemenetével sorban egy öngyógyuló biztositék. Graetz után 470uF25V vele párhuzamosan 100nF Ker. kondi.
Ez egy 7809-et táplál aminek a kimenetén 100µF 25V és 100nF ker. kondi van. Szerintem ez nem igazán zavarhatja rongálhatja a műszert.... Arra egyébként van tipped , hogy miért nem nullákat mutat a műszer ha a mérőbemenetet rövidre zárom, valamint h miért nem tudom a potival kalibrálni? Mert a potira ugyan reagál, de csaka számok változnak kb tólcsordulás és pl 100 között. Ha mérnék akkor is ezek a változó számok maradnak... A hozzászólás módosítva: Jan 25, 2014
Ez a táplálás, már jobb is mint amire szükség van. De a gond nem magával az egyenfeszültséggel lehetne, hanem a táp pontok, és a hálózat közötti kapacitásból. Egy Graetz még ezt kapcsolgatja is. Vagy is a ilyen szempontból, a középmegcsapolásos trafó kétutas egyenirányítással a legjobb. (De ezt csak mint tájékoztatást mondom.) Ha nincs összekötve a labortáp a műszertáppal, biztos tudsz a kettő között váltófeszültséget mérni. Ha ekkor a bemenetet rákötöd a labortápra, miközben a bement nincs galvanikus kapcsolatban a COMMON-al, akkor esetleg megsértődik.
Elvileg nullát kellene mutatni, mert bármely hiba van, az autózéro áramkör azt kivonja a mérésnél az integrátoral karöltve. De a bemeneteket-referenciát-autozéró áramkört is a bementi analóg kapcsolóból kialakított hídáramkör kapcsolja. Ha ott bármelyik megsérül-átvezet akkor gond van, ami bármely értékben láthatóvá válhat. De hogy konkrét mi a hiba, arról fogalmam sincs. Minden esetre bármi hiba, de még az alkatrészek minősége is "el tudja rontani a mérést". üdv!
Szia.
Most volt megint időm foglalkozni a műszerrel. 9V-os elemről táplálva és egy 0-34V-os szabályozható tápra rákötve, amit orig jelzéssel le is rajzoltál , a következőképpen "mér". A táp 0V-os állásában 090-et mutat majd ahogy tekerem felfelé a táp feszültségét, a mutatott érték lemegy 000-ra kb 10V környékén, majd elindul felfelé és a táp 34V-os maximális feszültségénél kb 0330-0360- közötti kijelzés ugrál.
Helló !! ic próbáltál márt cserélni ? lehet hogy előre jutnál a hiba kereséssel, de ha ic csere után se javul akkor más hiba van.
Ha kicserélem az IC-t akkor tökéletesen mér... de abban mi a buli? én már azt szeretném kideriteni h mi ment tönkre az IC-ben, és azt pontosan mi okozta....D
A hozzászólás módosítva: Jan 26, 2014
Egyébként egy időközben tapasztalt jelenség megoldása.... mérés közben az utolsó számjegy néha kismértékben változik.. pl 9,9V-10,0V.... ha a Ref HI és Ref Lo közé egy 100nF kerámiakondit forrasztok, a kijelzés atomstabilan tartja 10,0V-t, vagy bármely beállított értéket.
Szia ha 888-ír ki az egy hiba jód !! jellegzetes hiba ha nincs meg neki a -5v-t . elellenőrizd.
Meg van a -5V, van más ötleted ?
21-es és az 1-es lábhoz képest mit mérsz ?
21-es és a 26-os láb kötött ? Milyen mérés határba állítottad a műszert ? a gyári beállítás szerint 200 mv. menyi a referencia fesz ? az adatlap szerint 100mv kell a pontos méréshez. a 27-28-29 es lábon milyen alkatrészek vannak? 220n/47k/470n ? 200 mv mérés határ esetén! a belső órajel generátor külső értékei ? 38-39-40-es lábon ? 100pf/100k/40láb.
a lábakra eljutnak a megfelelő feszültségek, ez a kapcsolási rajz
link A hozzászólás módosítva: Jan 26, 2014
a hőmérőt a forrasztóállomáshoz használod majd ? vagy csak külön megépíted ?
A hozzászólás módosítva: Jan 26, 2014
forrasztóállomáshoz
A hozzászólás módosítva: Jan 26, 2014
Képet tudsz csatolni ?
A hőmérő részről ?
mind a kettőről jöhet ..
A hozzászólás módosítva: Jan 26, 2014
Mégse tudok képet feltölteni..., 500mV a refV és 20mV inV így 40-et kellene kiírnia nem ?
A hozzászólás módosítva: Jan 26, 2014
Arra jutottam, hogy ha 37-es lábra V+-t kapcsolunk akkor világítania kell az összes szegmensnek. Megmértem a 37-es lábra eső feszültséget és az pont V+, átnéztem a nyákot és arra jutottam, hogy az a tokon belül jut oda, szóval rossz az IC.
Sziasztok!
Ti hogyan oldanátok meg azt a problémát hogy egy icl7106-nak 0,5v-5voltig kellene bemenő feszültséget mérnie,de úgy hogy 0,5 voltnál a kijelző 0 legyen,5 voltnál pedig 1999.Elméletben nagyon egyszerű,de én már 3 órát kínlódtam vele,és nem igazán akar jó lenni...A referencia feszültségbe is bele kellene szólnia egy ellenálláson keresztül a bekapott jelfeszültségnek,hogy ez által a bemenő jel feszültség növekedésével a referencia feszültség csökkenjen olyan mértékeben hogy 5 voltnál már 1999ig jusson a kijelzés? Ez lenne a képlet = (U-0,5)x450=kijelzett érték. tehát pl 1,5voltnál 450et kell kijeleznie,és 5 voltnál kellene 2025nél lennie.(tudom hogy maximum 1999-et tud kijelezni).Ez lineárisan változik,lehet látni a képletből,de megvalósítani nagyon nehéz. Van valami ötletetek? |
Bejelentkezés
Hirdetés |






sok sikert !! 



