Fórum témák
» Több friss téma |
Fórum » Subwoofer szűrő
A szubszűrőd első fokozata tízszeresen erősít. Túlvezérlődhet ha nem előtte szabályzod a hangerőt.
Próbáltam előtte is szabályozni, de akkor sem volt valami tiszta..
50KOhmos potit kötöttem elé. Mit lehetne még tenni? Esetleg az erősítést megváltoztatni az ellenállásokkal? A hozzászólás módosítva: Júl 31, 2014
Mivel hallgatod? Írtad, hogy tervbe van véve egy mélyláda építése. Most mivel hallgatod, amíg teszteled?
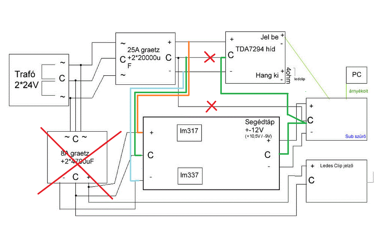
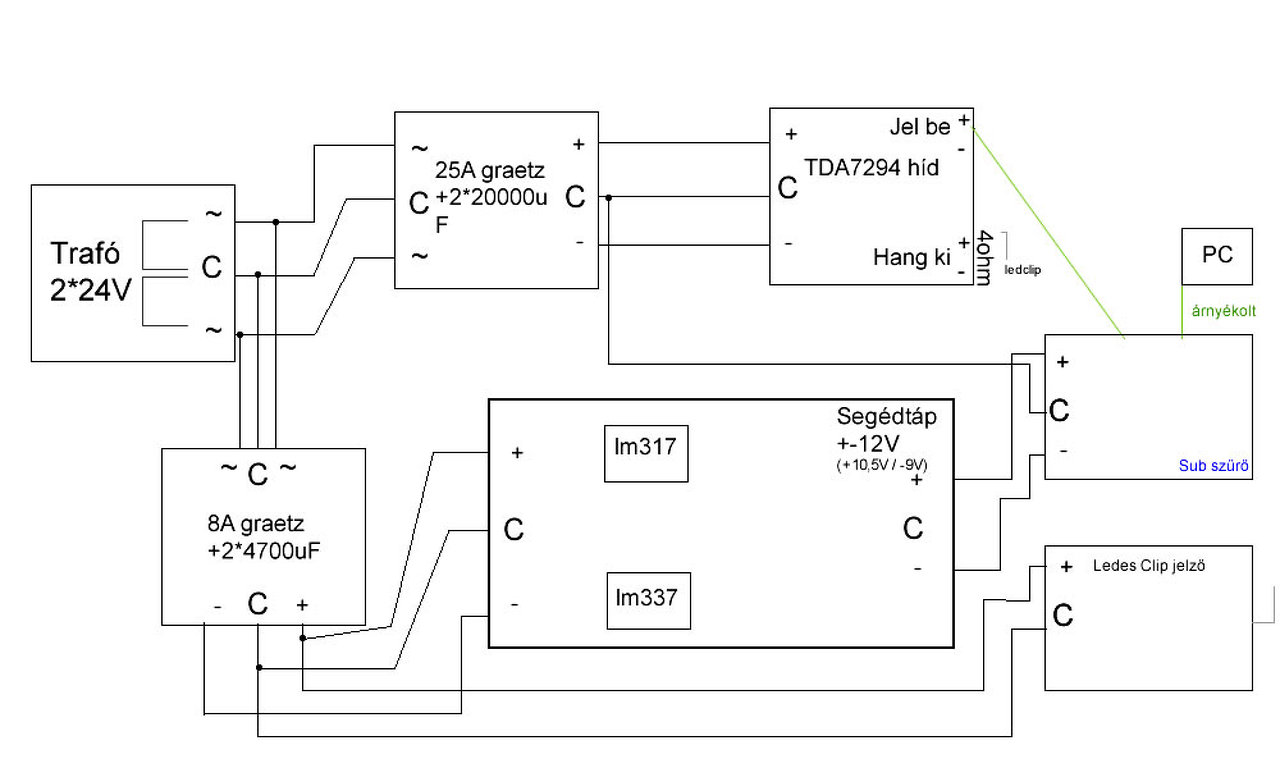
Két probléma: 1.) A végfok ic 2-13 lábaira kötött 220nF -os becsatoló kondenzátornak kicsi az értéke egy sub erősítőhöz, vágja a sub tartományt. A bemenő impedancia kb. 36 kOhm, ahhoz kevés a 220nF. 2.) Az IC hidalva kb. 24W -ot ad le 4 Ohmra. Ez nagyon kevés. Még egy kis mélyládához is.
Üdv!
Változik valami ha a cikkben szereplő sub szűrőhöz csak +-10,5V áll rendelkezésre 12V helyett? 1 amper elég neki? TDA7294 hídhoz használnám.
Még egy kérdés: A cikkben található nyákrajzot milyenre kell átalakítani nyomtatáshoz? Tükrözöm az rendben van. De a felbontás vagy a dpi nálam nem stimmel, arányaiban nagyobb nyomtatott kép.
Ha kinyomtattad, az IC lábsor távolságból és a potenciométer lábakból meg tudod határozni a méretváltoztatás százalékát.
Figyelmetlenségemből kifolyólag 4,7 µF helyett 0,47 et vettem... A 4,- es kondik helyett jó lehet 2,2-es vagy 10-es esetleg? Illetve a led lehet magasfényű fehér vagy az elhagyható?
Szia! Mit nézek rosszul, hogy nem találok benne 4u7 kondenzátort? A LED nyugodtan elhagyható.
Szerk.: látom már a beültetési rajzon, 10µF tökéletes bele. A hozzászólás módosítva: Szept 24, 2014
Köszönöm a segítséget, Összeraktam. Viszont a csomagomban nem volt 100 ohmos ellenállás (se), helyette 220-at tudtam rakni. Nagyon jól vág, működik, viszont kicsit búgós/zajos. Lehet az miatt az ellenállás miatt? Illetve - ágon csak 9V tápot kap. A kettő közül okozhatja valami a viszonylag halk búgást? Hogyan tudnám kijavítani? (kicserélem a vezetékeket árnyékoltra hátha...).
Szerk.: Illetve monó jackről jön a jel, szóval csak egy oldal van bekötve a bemenetre. A hozzászólás módosítva: Szept 24, 2014
A búgást főleg árnyékolatlanságra tudom visszavezetni. Hallgasd meg rövidre-zárt bemenettel! Ha akkor is búg: táphullámosság, vagy földhurok lehet a háttérben.
Úgy nézem van egy szép földhurkod. A főtáp puffereinél létesíts egy csillagpontot és minden test-vezetőt oda köss be!
Kicsit szerintem maradhatunk még ebben a témában, mert a szűrő bekötése során mások is kerülhetnek ilyen helyzetbe.
Felrakok hamarosan egy huzalozási rajzot a projektemről, biztos lesz rajta mit javítani, és remélem kiderülnek majd a hiányosságaim amiből esetleg más is rájöhet a sajátjára.
Nem vagyok valami nagy rajzoló nagyjából így néz ki a huzalozás. A szűrő testét az erősítő testéhez kötöttem így még jobban mérséklődött a búgás (ventilátorok nélkül persze) de még mindig hallani. (A szűrőben lecseréltem a 220 ohmos ellenállást 100-asra ahogy a cikkben is szerepel de az erre nem volt hatással.) Az lehet probléma, hogy vékony ónozott vezetéken kapja a tápot a szűrő? A tápomnál nincs 100nF-es hidegítő egyik graetz előtt se, se 1µF-es pár a puffer résznél.
Kész csoda, hogy nem búg jobban. A segédtáp a bűnös.
A hozzászólás módosítva: Szept 25, 2014
Megoldódott, nagyon frankó! Még van egy pici zaj de az már talán csak árnyékolatlanság. Köszi a segítséget!
Üdvözletem!
Már igen sok kapcsolást kipróbáltam, hogy az aktív subwooferem erősítője elé készítsek egy aluláteresztő szűrőt. A konstrukció a következő: PC + külső 5.1 hangkártya + általam épített 5 csatornás erősítő + aktív sub. A gond ott kezdődik, hogy valamiért a külső hangkártyának problémája akadt a keresztváltással szoftveresen. Így inkább gondolkoztam el azon, hogy ismét építenem kéne egy szűrőt. Viszont ez idáig semelyik nem vált be, legfőképpen a párhuzamos tápegység -igénye miatt. Nem tudom, hogy létezne -e olyan szűrő, ami már kipróbált, sima tápról működő kapcsolás? Nem létfontosságú, hogy állítható legyen potival a vágási freki pontja, sem a hangerő szabályozása. Akár fixen megtudom mondani, hogy 90 Hz -en szeretném a vágáspontot. De ha állítható, az még jobb természetesen. A válaszokat és segítségeket előre is nagyon köszönöm!
Talán egy egyszerű RC szűrő segíthetne. Ellenállás sorosan, kapacitás párhuzamosan az ellenállás végére. (ahogy a tápegységeknél is szokás az 50 -Hz -es, brumm szűrésére) Csak ki kell számolni az időállandóját, a törésponti frekvenciából.
A hozzászólás módosítva: Dec 6, 2014
Köszi szépen a választ!
![]() Pont most játszottam egy RC szűrővel, csak a gond ott van, hogy sajnos a sub teljesítménye megegyezik az általam épített erőlködővel. :/ Így az RC szűrő még jobban visszavesz a bemeneti jelből. Vagy valamit rosszul csináltam, nemtudom. Sajnos nem áll rendelkezésemre alkatrész pontosságilag, hogy be tudjak hangolni egy RC szűrőt. Csak a sablonos ellenállásokból és kondikból van itthon. Viszont úgyfest rá leszek kényszerülve, hogy az 5 csatorna jeleinek összegzéséből nyerjem ki az alsó frekvenciákat.
Bocsánat, nem válaszként írtam a hozzászólásom, most vettem csak észre! Kissé fáradt vagyok már!
Lehet (szokásos) aktív szűrőt készíteni, akkor nem lesz ilyen gondod. Gondoltam van a SUB erősítőn valamilyen erősítés szabályzási lehetőség, azzal a beiktatási csillapítás korrigálható. Csak összegzéssel nem fogsz tudni sávhatárolást elérni.
Ez egy Pioneer sub, olcsóbbik fajta, szétkaptam, kapcsolóüzemű tápja van és egy eléggé integrált erősítője. Gyanítom lehet valamiféle előerősítése, bár a hangerőpoti közvetlen a bemenet-RCA mellett van beforrasztva.
Aktív szűrőben is benne vagyok, csak amint ugye írtam, ha lehet, ne párhuzamos tápos megoldással, amennyiben kivitelezhető ilyen. Furcsa zajra lettem figyelmes, nem tudtam eldönteni, hogy most softveresen vágja rosszul a frekit, vagy a sub erősítője reagál furcsán a hangerő változásra. De már hallom, hogy sajna a sub erőlködőjével van valami furcsaság. Olyan, mintha halkabb hangerőnél leszabályozgatná a hangerőt, vagy még el is némítaná. És kicsivel erősebb hangerőnél pedig néha bekopogtatja a hangszórót. Nem tetszik a kapcsolóüzemű táp audio témánál valahogy.
Ahogy nézem, javítás lesz a vége.
lehetséges...vagy az erősítő teljes kiiktatása. Lényegében csak egy 25W -os eőrsítő minimál területet foglal el, olyan 10x10 centis panelon, de tartalmaz egy koppanásgátló ák. -t persze teljesen digitálisan és egy auto-kapcsoló részt is. De az auto ki-be kapcsolót úgyse használnám, koppanásgátlót meg egyszerű építeni. Csak tudnám, hogy hogy tudnék olyan aktív szűrőt építeni, amit soros tápról megy. Párhuzamos táposokkal idáig sikertelenül jártam.
Mit nevezel soros tápnak? És miért gondolod hogy jó lesz?
Tuti rosszul tudom az elnevezését, sima táp, nincs negatív fesz. Az idáig általam talált szűrők alapját TL074 képezte és csak párhuzmos táppal ment. Viszont valahogy jobban szeretem, ha van egy sima táp, és ahhoz tudnám illeszteni a nem párhuzamos tápos szűrőt és az erősítőt is egyúttal. Azért gondolom, hogy úgy jó lesz, mert idáig semelyik nem volt jó, ami párhuzamos tápos volt.
Amit párhuzamosnak nevezel, az kettőstáp, amit sorosnak, az egy egyszerű táp. Mivel neked csak váltófeszültséget kell erősítened, nem feltétlen szükséges kettős tápot alkalmaznod. Ha megnézed a TL074 adatlapját, némelyiken (érdemes több gyártóét megnézni) találhatsz példakapcsolást, sőt aktív szűrő kapcsolást is. Az egyszeres táp használatával csökken a tápfeszültség a felére, ezért a kivezérelhetősége is lecsökken. Az egyszeres tápnál a lehető legnagyobb tápfeszültséget amit az adatlap megenged, kellene használni.
A hozzászólás módosítva: Dec 6, 2014
Üdv! Ez ugyan szimmetrikus tápot igényel, azaz a testhez képest pozitívot és negatívot is, de sokszorosan kipróbált kapcsolás, nem fog csalódást okozni: Bővebben: Link
|
Bejelentkezés
Hirdetés |




50KOhmos potit kötöttem elé. Mit lehetne még tenni? Esetleg az erősítést megváltoztatni az ellenállásokkal?
Köszi.








