Fórum témák

» Több friss téma
Fórum » Autóriasztó és központi zár
 
Témaindító: hzsolt77, idő: Jan 15, 2006
Témakörök:
Lapozás: OK   99 / 168
(#) zosza18 válasza hariboo hozzászólására (») Máj 3, 2014 /
 
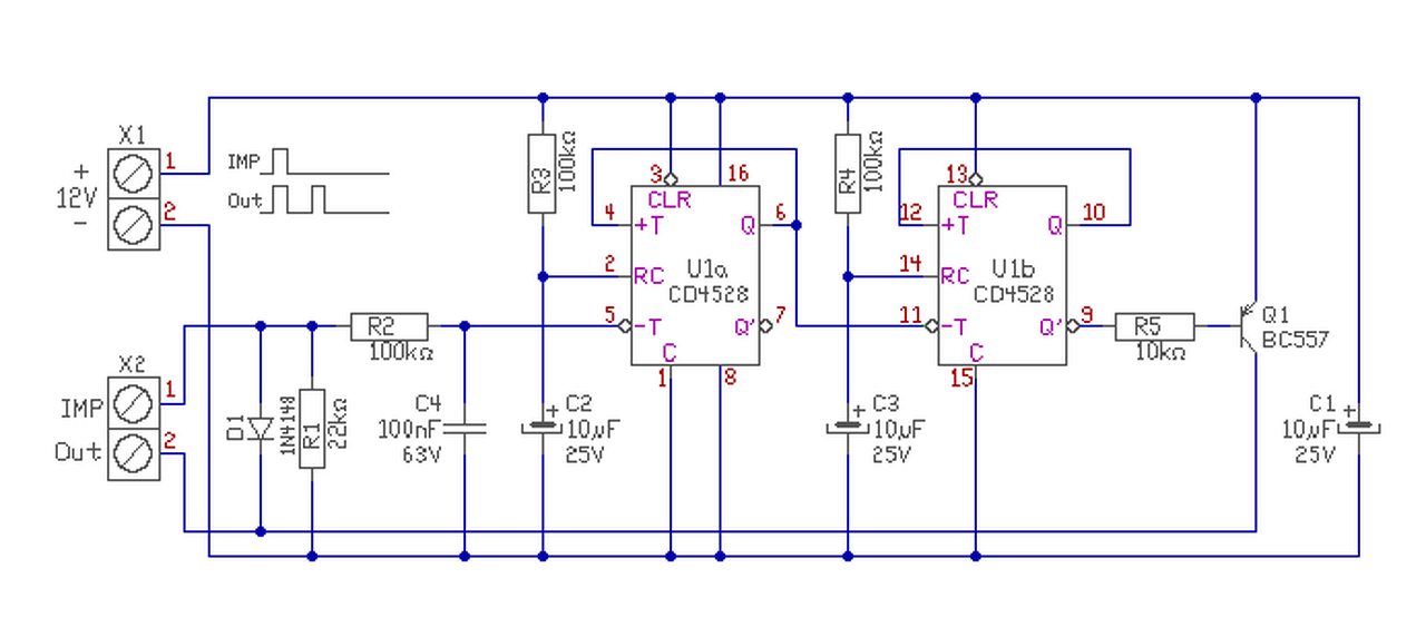
Bocs a kézzel tákolásért, de nincs időm megrajzolni gépen. Az értékek rajta vannak, ezeket kiszámoltam az oldalon található progikkal. A kettőt egyesíteni kell, úgy méghozzá, hogy a monostabil kimenete adja a tápot az astabilnak egy tranzisztoron keresztül. A bemenetet földre kell húzni egy pillanatra hogy elinduljon az időzítés. Amennyiben az indítójel +, akkor egy tranzisztorral kell lehúzni a földre. Remélem érthető a rajz.
(#) hariboo válasza zosza18 hozzászólására (») Máj 3, 2014 /
 
Érthető persze,ki is próbálom a jövőhét elején.Nagyon köszönöm a segítséged!
(#) zosza18 válasza hariboo hozzászólására (») Máj 3, 2014 /
 
Nincs mit! Szívesen.
(#) vovozs hozzászólása Máj 3, 2014 /
 
Gyakorlatba igaz kísérletezni kell, de egy villogó led ( ebből is van több fajta, másik üzletből pl.) . Sorba kötni a nyitó szállal, esetleg ellenállás kell sorba vagy lehúzó (felhúzó) ezt kísérletezni kell.
Nekem régebben bejött egy két kocsinál ha dupla impulzus kellett.
(#) norbinumber3 hozzászólása Máj 4, 2014 /
 
Sziasztok
Új vagyok itt a fórumon, nagyon sokat olvasgattam már és nagyon tetszik.
A problémám:
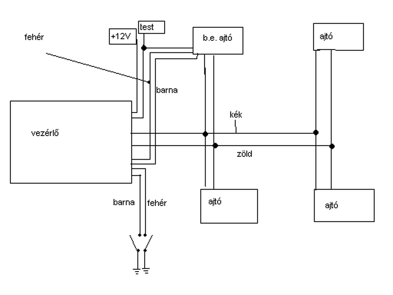
Az autó egy 93-as nissan primera, gyári, kulcsos központizárral. Még valamikor régen az első gazdája beköttetett egy Delta PES2-es autóriasztót, ami távírányítóval vezérli a központizárat is. Ehhez a vezető felöli ajtóba beraktak egy 2 vezetékes központizár motort, mivel gyárilag nincs benne (állítólag csak a mikrokapcsoló). A távírányítóim tönkrementek, ezért vettem egy sima távírányítós vezérlőt. A berakás és a régi kiszerelése közben vettem észre, hogy a régi csak 2 vezetékkel vezérelte a központizárat, amik 1-1 reléhez voltak bekötve. A relék kapcsolása után zárt illetve nyitott a központizár.
A berakott központizár típusa: központizár
Mint a képen is látszik van 2 barna és 2 fehér vezeték, ezeket nem használtam. A lilát és a zöldet rákötöttem a benthagyott 1-1 relére, így működött, amíg ki nem vettem a biztosítékot ( a biztonság kedvéért). a régi vezérlőn nem tudtam megnézni, hogy állandó 12v-ot kapcsol a relére vagy csak egy pillanatra küld jelet neki. Az új vezérlő 12v-ot kapcsol a lila vagy a zöld vezetékre,attól füg nyit vagy zár.
Inkább rákérdezek, ez a bekötés életképes megoldás lehet?
Örülnék ha valaki tudna segíteni, megpróbálok rajzot készíteni a relé bekötésröl is.
Előre is köszönöm a segítséget
(#) Inhouse válasza norbinumber3 hozzászólására (») Máj 4, 2014 /
 
Idézet:
„a régi csak 2 vezetékkel vezérelte a központizárat, amik 1-1 reléhez voltak bekötve.”

Még nem nagyon láttam olyat, ahol nem 2 vezetékkel vezérelték volna a (motoros, nem pneumatikus) központi zárat. A külön relézés esetleg a fordításhoz lehetett, +12V kontra test...
A színekkel meg vagytok áldva, honnan tudnánk fejből, hogy annak a gyártónak épp milyen heppje volt a színekkel? A lényeg a bekötési rajz. Egyébként utólagos kp záraknál a barna és a fehér szokott lenni a vezérlőszál és testet kíván. A kék (lila nem megszokott) és a zöld a motorok kivezetései, erre nem kapcsolunk kívülről semmit! A fekete a test. A vezérlő kap még általában piroson +12V-ot. Ha ettől eltérőek a színek, akkor mindenképpen kell a rajz.
(#) norbinumber3 válasza Inhouse hozzászólására (») Máj 4, 2014 /
 
Hali
Köszönöm a hozzászólás.
elnézést, rosszul írtam. Valóban kék az a lila
Inkább felteszem a rajzokat. A központi rajzán látható kék és zöld vezetéket kötöttem a relék központizár részéhez (85,86)
A 2 vezetékes vezérlést arra értettem, hogy csak 2 vezeték jött ki a régi riasztó vezérlőböl, ami a relékre ment.
Köszönöm a további észrevételt.
(#) Inhouse válasza norbinumber3 hozzászólására (») Máj 6, 2014 /
 
Tudni kellene, hogy mit kíván a gyári kp zár vezérlő, testet, vagy +12V-ot.
A relé azért kellett max, mert pont fordítottat adott a régi riaszt, mint ami kellett neki.
De a relés rajz nekem nem tűnik jónak. Az 5 lábú reléknek nincs 86a, csak 87a lábuk. A 85 és a 86 a tekercs kivezetései, a 30 a COM, a 87 a NO és a 87a a NC kivezetései. A motoroknak az őt kapcsoló relék 30-as lábai között kellene lenniük, a 87-en +12V-nak, a 87a-n pedig testnek. De ha van vezérlő, akkor minek a relé, hiszen abban van már...nagy a kavar.
(#) proli007 válasza hariboo hozzászólására (») Máj 7, 2014 / 1
 
Hello! Egy megoldást rajzoltam számosra. CMOS alkalmazása a célszerű, mert ez állandó tápfeszültség alatt van, nem fogyaszthat.
(#) norbinumber3 válasza Inhouse hozzászólására (») Máj 7, 2014 /
 
igen, elírtam 87a van,nem 86a. A többi részlet megfelel a jelenlegi helyzetnek. A relék vezetékeihez nem nyúltam, csak a központizár vezérlőt dugtam rá, a többi "eredeti".
A gyári nem tudom, hogy testet vagy +12v-ot kér. Az autó műszaki dokumentációjában ezeket találtam. Remélem segít, ezekben írja mi-milyen jelet kap-kűld.
(#) norbinumber3 válasza norbinumber3 hozzászólására (») Máj 7, 2014 /
 
Inhouse, igazad van
A motort és a testet felcseréltem a rajzon.
A vezérlőben tényleg van 2 relé, megnéztem.
Milyen megoldást tudnál javasolni? a gyári rendszert nem szeretném bolygatni, ha nem muszály.
Más kábel nincsen csak a vezető felöli ajtóban levő 2 vezetékes motor vezetéke.
Esetleg még a mikrokapcsoló 2 vezetékét tudnám felhasználni ami a vezető ajtóban van. Ez talán hozzáférhető. ha ezt megkeresem van rá lehetőség, hogy csak simán az új vezérlőmet rá tudjam kötni?
(#) Inhouse válasza norbinumber3 hozzászólására (») Máj 7, 2014 /
 
Na, akkor már kezd összeállni a kép.
Gyakorlatilag volt egy olyan gyári kp záras autód, ahol a spórolás jegyében a bal első ajtóba nem raktak motort, csak a vezérlő mikrokapcsoló van benne. Gyári állapotban a kulccsal, vagy belül a zár gombjával mozgattad a zár mechanikáját, így az a benne levő mikrokapcsolóval vezérelte a gyári vezérlőt, ami működtette a többi 3 ajtóban levő motort.
Raktak egy 2 vezetékes motort a bal első ajtóba, amit 2 relével vezéreltek, a 2 relét meg a riasztó. a riasztó testet kapcsolt vagy az egyik, vagy a másik relének így az kapcsolta a motort, ami mozgatta a mechanikát, amitől kapcsolt a gyári mikrokapcsoló és vezérelte a többit.
A gyári mikrokapcsoló valószínűleg testet kapcsol, azt is lehetne működtetni.
Ha így hagyod, akkor sem kell a 2 relé, az új vezérlő kék és zöld szálát kell kötni a bal első ajtóban levő motorra, persze a megfelelőt lábakat összekötve, különben fordítva lesz a nyitás/zárás. A többi kivezetést leszigeteled, nehogy összeérjenek. Itt az a kérdés, hogy ez az új vezérlő szereti-e, hogy nem kap jelet a pozíciót jelző mikrokapcsolótól, csak a távirányítót nyomogatva nem hülyül-e be?
Másik megoldás lehet, ha megkeresed a bal első ajtóban levő mikrokapcsolót, megnézed, hogy testet kapcsol-e. Ha igen, akkor kell a záró és nyitó szál, összekötöd az új vezérlőd kék és zöld szálával egy-egy diódával leválasztva, hogy csak, nem....ez így nem jó, ide kell közé még valami, ami test impulzust ad, pl. 2 relé (itt is fontos a nyitó-nyitó, záró-záró ne legyen felcserélve). Valamint a jobb elsőből a motor 2 szálát átviszed a bal első ajtóba és rákötöd a motorra. Így a gyári vezérlő viszi a bal első motort is, és a gyári mikrokapcsoló helyett/mellett a rádiós új is fogja vezérelni.
További variáció, ha a gyári vezérlőt kiiktatod, átadod a vezérlést az újnak, tehát minden motor megkapja az új vezérlőtől a kéket és zöldet. Valamint a fehér/barnát, ahogy az előbb írtam a megkeresett gyári mikrokapcsolóra. Így teljes mértékben az új vezérlő csinál mindent, fog menni kulccsal/gombbal és távirányítóval is, mint a többinél.
A hozzászólás módosítva: Máj 7, 2014
(#) Inhouse válasza Inhouse hozzászólására (») Máj 7, 2014 /
 
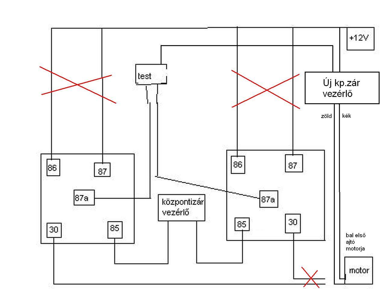
Ha a relékre a régi riasztó szála helyett kötötted az új vezérlőd kék és zöld szálát az nem jó, mert ott test impulzust vár, ez pedig állandó testen van és +12V impulzusok jönnek rajta.
Itt egy rajz az első, kicsit faramuci, de legegyszerűbb megoldásra, amit te is szerettél volna.

riaszto.jpg
    
(#) norbinumber3 válasza Inhouse hozzászólására (») Máj 7, 2014 /
 
köszönöm szépen, kezdem kapizsgálni a dolgot.Nem vagyok elektromos szakember, gépészeti suliban érintettük egy kicsit a villamoságot is.
Az utolsó megoldás elég szimpatikus, szerintem tudnám használni a gyári vezetékelést hozzá. Amúgy csak egy felvetés: az összes motor átkötése helyett nem lenne elég ha csak az utólag berakottra kötni kék/zöldet és a barna/fehérre rákötni a mikrokapcsolót?
köszönöm előre is.
(#) Inhouse válasza norbinumber3 hozzászólására (») Máj 8, 2014 /
 
Az utólag berakott motor most független a gyári rendszertől, csak a kezed helyettesíti.
Elvileg a gyárinál is úgy van, mint az univerzális utólagos kp záraknál, hogy a 4 ajtó motorja közös szálon van, csak együtt vezérelhetőek. Magyarán elegendő megtalálni a gyári vezérlőt és ott átkötni a motorok vezetékeit az újra, plusz ugye a jelenleg külön levő negyediket (bal első ajtó).
A barna/fehér rákötéséhez szükség van arra az infóra, hogy a gyári mikrokapcsoló testet kapcsol-e.
(#) norbinumber3 válasza Inhouse hozzászólására (») Máj 8, 2014 /
 
A gyári vezérlő megvan és a vezeték színeket is megnéztem amik mennek a motorhoz. Elég jó helyen van a vezérlő, nem nagy munka áthúzni a kábeleket az új vezérlőhöz.
Azt hogyan tudom kideríteni, hogy testet kapcsolt-e a mikrokapcsoló? Ezt részletesen le tudnád irni?
Ha ez megvan, akkor a másik barna/fehér párost nem kell valahova bekötni? azokra gondolok amik az új vezérlő gyári rajzán nincsenek rákötve a motorra. ezeknek mi a szerepe?
Mégegyszer bocsi a rengeteg kérdésért.
(#) Inhouse válasza norbinumber3 hozzászólására (») Máj 8, 2014 /
 
Idézet:
„Ha ez megvan, akkor a másik barna/fehér párost nem kell valahova bekötni? azokra gondolok amik az új vezérlő gyári rajzán nincsenek rákötve a motorra. ezeknek mi a szerepe?”

Be vannak kötve, egyezik a bal első motorra menő barna/fehérrel. Mérd ki, vagy pattintsd le a tetejét a doboznak és nézd meg, hogy a csatlakozónál a panelon össze vannak kötve.
Idézet:
„Azt hogyan tudom kideríteni, hogy testet kapcsolt-e a mikrokapcsoló?”

Vagy megkeresed az ajtóban a kapcsolót és megnézed a rá menő vezetékeket, vagy a vezérlőnél nézed meg. Lehúzod a csatlakozót, a motor szálakat tudod, ezt nem nézed. Lesz egy +12V, és elvileg lesz 2 test és egy semmi. Aztán bezárod kézzel a bal első ajtót és az egyik test marad, a másik eltűnik és az előző semmi lesz testen. Ez a 2 játszó szál.
(#) norbinumber3 válasza Inhouse hozzászólására (») Máj 9, 2014 /
 
Végre volt időm egy kicsit foglalkozni az autóval.
A test/+12V és a két ajtómotor vetetéken kívül még 3 vezeték van a gyári csatlakozón.
Mérés: nyitott ajtónál a +12V és az N között 12voltot mértem, ami bezárás után megszünt. Ha jól sejtem akkor nem testet kapcsol a mikro.
Az N-F és az N-K a panelon található relékhez mennek, egyik az egyikhez, másik a másikhoz.
Rádugtam a gyári vezérlőt:
-nyitott ajtónál: a 12V és N között 12V
-zárt ajtónál: a 12V megszünt

Megnéztem a 12V helyett a testet használva:
-nyitott ajtónál: test és N-F, valamint test és N-K között +12V
-zárt ajtónál: test és N;N-F, valamint N-K között mindhárom esetben +12V

Próba képpen rákötöttem a barna/fehér párost az N/N-F-re, de csak a távírányító működött, kulcs és belső zárás nem, folyton visszanyitott. Gondolom nem jól kötöttem.
Lenne valami ötleted?
köszönettel

csati.JPG
    
(#) Inhouse válasza norbinumber3 hozzászólására (») Máj 11, 2014 /
 
Nekem most nem egyértelmű, amit írsz. N-F? N-K? Színek lennének?
Próbáld meg azt a 3 vezetéket megnézni, egy fix testnek kellene lennie, a másik kettőnek meg váltva testnek (vagy +12V-nak, ha olyan).
Vagy fogsz egy izzós próbalámpát, rácsipteted testre, és odaszúrod a 3-ból valamelyikre, hogy mi történik.
Arra vigyázz, hogy az autók zöme akkor szeret zárni, ha be van csukva az ajtó. Ezt szimulálhatod úgy, ha egy csavarhúzóval bekattintod a zárat oldalt. Csak ne felejtsd el, kinyitni, mi előtt becsukod, mert koppanni fog.
(#) Baxi hozzászólása Máj 11, 2014 /
 
Hi Mesterek!
Lenne egy olyan kérdésem, hogy van rá valamilyen "szabvány" a vezeték színekre?
Engem a központi vezérlő szál érdekelne , azaz amikor megkapja a riasztóról/tól hogy zárja le az összes ajtót, na annak a vezetéknek a színe érdekelne. Gondolom ez változó Egyépként egy 2001-es ford focus-ról van szó.
Segítséget válaszokat előre is köszönöm.
(#) Inhouse válasza Baxi hozzászólására (») Máj 12, 2014 /
 
A gyáriakét csak a service maual-ból tudhatod meg, vagy ha megkeresed. Az utólagos, univerzális kp zár vezérlő színei:
kék/zöld - motor(ok) szálai
piros - +12V
fekete - test
fehér/barna - nyitó/záró szál, testet kap/kapcsol
(#) balazs88 hozzászólása Máj 12, 2014 /
 
Sziasztok!Segítséget szeretnék kérni!Vw Golf3 autómba vettem egy univerzális központi zár vezérlőegységet!Be is szereltem ahogyan kell.Minden működik nyit-zár indexek villognak nyitásnál zárásnál ahogyan kell!!!DE!!!Ha kulccsal nyitom az ajtót és úgy hagyom a kulcsot akkor az ablakot leengedi, zárásnál pedig felemeli!Ez egy tök alap funkció, DE nem értem most ha a távirányítón hosszan nyomom a nyit-zár gombot akkor miért nem működik ez a funkció
Köszönöm a segítséget nektek!
(#) Geza59 hozzászólása Máj 12, 2014 /
 
Sziasztok!
A 98-as Corollámban egy Laserline 989 riasztó van beépítve és pár hónapja, amióta meghalt a kocsi aksija és egy újat tettem bele, a riasztó semmi hangot nem ad ki. Ki-be kapcsolásnál a villogók villognak, a központizár is rendben működik, de semmi csipogást nem ad ki és ha pl. nyitott ablaknál a kocsit bezárom, élesítem a riasztót és az ajtót kinyitom, csak az irányjelzők villognak de semmi hang.

Valahol a neten olvastam, hogy ezeknél a riasztóknál az egy tipikus hiba, hogyha lemerült aksival próbálod beindítani a kocsi motorját, ez lesz az eredménye.

Valaki megtudná mondani, hogy mivel lehetne a hangot visszavarázsolni?
(#) zosza18 válasza balazs88 hozzászólására (») Máj 12, 2014 / 1
 
Szia!
Amit Te leírtál, az a "komfort elektronika". Ez csak a kulccsal működik, mivel hosszan tartod az adott állásba. A távirányítón ha megnyomod a gombot, az ad egy jelet amit feldolgoz a vevő és ad egy x idejű jelet. Ha te tovább tartod a gombot a távirányítón, attól még az 1 jelet kap és dolgoz fel, így nem kap hosszabb jelet, hogy a komfort elektronika aktív legyen. Van olyan kp. zár aminek a kimeneti jel ideje pont annyi, mint az adott autó komfort elektronika bemeneti jele és így működik, de ez ritka. Remélem tudtam segíteni.
Üdv.: Zoli
(#) zosza18 válasza Geza59 hozzászólására (») Máj 12, 2014 / 1
 
Szia!
Szerintem szét kellene szedned a riasztót és megnézni, hogy mi kapcsolja a szirénát. Ha tudsz mérni, akkor a relét, annak a meghajtó tranzisztorát, ha nem relés, akkor a meghajtó tranzisztort, ezek körüli diódát kellene először kimérni. Rajz nélkül nem egyszerű bármit is tanácsolni, nem ismerem ezt a riasztót, de ha minden működik, csak a sziréna nem, akkor én ezeket nézném át először.
Üdv.: Zoli
(#) Baxi válasza Inhouse hozzászólására (») Máj 13, 2014 /
 
köszi, megnézem.
(#) vovozs válasza zosza18 hozzászólására (») Máj 13, 2014 / 1
 
Ha kompakt kivitel akkor tranzisztor és a trafó cseréje mert piezo kristályos a sziréna. El szokott szállni. Vidd szakszervizbe mert te nem fogod tudni beszerezni de nagyságrendileg 8-10eft javítás lesz postával. Ez a típus ki-be kapcsoláskor sípol és nem csipan.
A hozzászólás módosítva: Máj 13, 2014
(#) zosza18 válasza vovozs hozzászólására (») Máj 13, 2014 / 1
 
Ha a riasztó kimenete aktív, de nem szól, akkor felesleges szétszedni, mert a sziréna a rossz. Szirénát viszont lehet kapni 2-3eFT-ért. Nem hiszem, hogy ragaszkodni kellene a szervizes vagy gyári megoldásokhoz.
(#) Geza59 válasza zosza18 hozzászólására (») Máj 13, 2014 /
 
Zosza18 és vovozs, köszi a válaszaitokat, közben írtam a gyárnak ami Olaszban van (www. laserline.it), ma reggel kaptam is választ, elküldték nekem a hivatalos beszerelési instrukciót ami nagyon jó és részletes csak éppen a problémával nem foglalkozik. Viszont azt mondták, hogy lépjek kapcsolatba a magyarországi képviselőjükkel, illetve importtőrrel: www.laserline.hu további információért.

A magyar websiteon megtaláltam ezt az oldalt ahol megtudtam, hogy mi okozza a problémát (pontos tünet leírás), a piezzó sziréna transformátorát kell kicserélni, 5500 Ft.:

http://www.laserline.hu/index.php?option=com_content&view=artic...emid=4

Hát ez van. Végül is szétszedhetném a riasztót és megnézhetném, hogy milyen trafó való bele, de szerintem nem sok értelme van, mivel nem tudom a trafó méreteit.

Viszont lehet, hogy a "trafó" szó használata csak a kóbor apácák félrevezetésére van és esetleg egy másik alkatrészt kell kicserélni, mivel mitől menne tönkre egy trafó előbb mielőtt más érzékenyebb félvezető menne tönkre ugyanabban az áramkörben? Persze, lehet, hogy vak vágányon vagyok.

Minden esetre bosszantó, hogy ha az aksid le van merülve, és ilyen helyzetben te ráindítózól az garantálja a riasztód halálát. Miért nem tettek valami védő áramkört ebbe a riasztóba ilyen esetre? Most ezt a riasztót kb. 15000 Ft ért lehet kapni, akárhányszor meghal a trafód, plusz 6000 Ft. Szép.
(#) vovozs hozzászólása Máj 13, 2014 / 1
 
Trafó és tranyó csere. Ezt írtam, Helyileg merre található a beteg? Szeged környékén is megoldható a javítás. Nem akárhányszor lemerül az aksid hanem főleg akkor, de ha kikapcsolod a kulccsal akkor nem...
Összeég a trafó huzala mert a meghajtó tranzisztor (darlington) zárlatos. 15000 ért nem biztos megkapod ezt mert márkás nem gagyi kínai, de igaz nekünk konkurencia, de javítani javítjuk csak, és nem szereljük be.
A hozzászólás módosítva: Máj 13, 2014
Következő: »»   99 / 168
Bejelentkezés

Belépés

Hirdetés
XDT.hu
Az oldalon sütiket használunk a helyes működéshez. Bővebb információt az adatvédelmi szabályzatban olvashatsz. Megértettem