Fórum témák
» Több friss téma |
- Ez a felület kizárólag, az elektronikában kezdők kérdéseinek van fenntartva és nem elfelejtve, hogy hobbielektronika a fórumunk!
- Ami tehát azt jelenti, hogy a nagymama bevásárlását nem itt beszéljük meg, ill. ez nem üzenőfal! - Kerülendő az olyan kérdés, amit egy másik meglévő (több mint 17000 van), témában kellene kitárgyalni! - És végül büntetés terhe mellett kerülendő az MSN és egyéb szleng, a magyar helyesírás mellőzése, beleértve a mondateleji nagybetűket is!
Hu köszi! Akkor jól gondoltam csak nem voltam benne biztos.
A hozzászólás módosítva: Jún 1, 2014
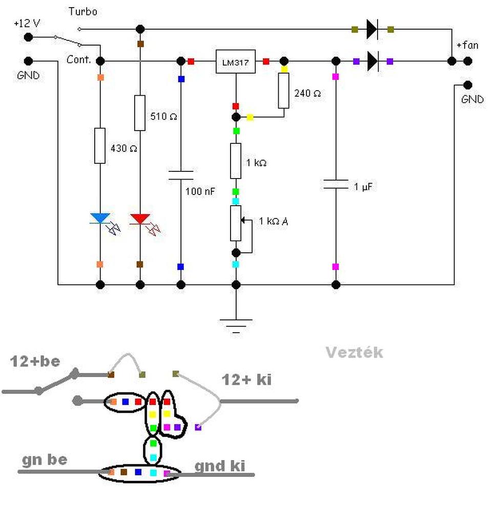
Hello! Ha a TL317 a szabályozási tartományán belül van, akkor az Out és ADJ lába között a belső 1,2V referencia feszültség mérhető. Mivel elő van írva a stabilizátornak minimálisan 5mA alapterhelés, ezért szoktak ide 240ohm-ot tenni. 1,2V/240ohm=5mA Így egyből biztosított az alapterhelés is. Ha az ellenállás nem annyi, akkor terheletlenül esetleg nem lehet leszabályozni a stabilizátort 1,2V-ig.
Köszi! Jó tudni
![]() Én a kapcsolós megoldást szeretném meg valósítani. "Raszteres" nyákra csinálnám szerintem valami hasonlóan kéne kinézni. Biztos nem jó ,mert ez az első próbálkozásom, de az ember a hibáiból tanul ezért véleményt kérek, hogy mit rontottam el. Előre is köszi.
Ha jól értem a feketével bekarikázott pontokat szeretnéd összekötni. Akkor jó, csak arra vigyázz hogy a LM317-nek a lábkiosztása nem úgy van a valóságban, mint ahogy a kapcsolási rajzon.
Tényleg jó? Húú nem gondoltam volna. Igen jól érted.
Igen tudom van itt az oldalon egy cikk a Topi-tól és abban jól látható, hogy hogyan néz ki. Még egy kérdés nekem 5db ventilátort kellene vezérelnem külön-külön, természetesen tisztában vagyok vele, hogy akkor 5 áramkörre van szükségem. Viszont ezt az 5 áramkört köthetem-e a PC-tápon 1 csatlakozóra? A hozzászólás módosítva: Jún 1, 2014
Mekkora diódára lesz szükségem? Egyébként kihagytam a két LED előtti ellenállást.
![]() http://www.hestore.hu/prod_10023064.html mondjuk ez jó? A hozzászólás módosítva: Jún 1, 2014
Köszi!
Köszi!
![]() Össze is válogattam, hogy mi kellene átnézi nekem valaki, hogy hülyeséget ne vegyek? Köszi előre is!!!!!!!!!!! ![]() ![]() http:Dióda Kapcsoló Led zöld Led kék Kerámia kondi Potenciométer Feszültségszabályzó IC 240 R 1% Fémréteg ellenállás 0,6W 1 K 1% Fémréteg ellenállás 0,4W 1 µF / 50V ELCO RADIAL 4x7 RM1,5 510 R 1% Fémréteg ellenállás 0,6W 430 R 1% Fémréteg ellenállás 0,6W A hozzászólás módosítva: Jún 1, 2014
A kék leded szándékosan olyan kicsi? 1,8mm. Ellenállásaid vannak? 1µF-os kondi?
Használd a LINK gombot, és egy felkiáltójel is azt jelenti, mint tizenegy darab.
A led az véletlen lett olyan kicsi.
![]() ![]() A hozzászólás módosítva: Jún 1, 2014
Ez így nem jó, mert ezen az oldalon mindenki a saátját látja. A kosár exportálására rákattintva egy letölthető, azt hiszem xls fájlt pedig mindenki meg tudja nézni, ha beimportálja a kosarába, de így nem.
Sziasztok.
Lenne egy olyan kérdésem és problémám. A képen egy suzuki swift első lámpa motorjának az elektronikája látható. Szét lett szedve mert nem működött,a másik oldali jó. Szétszedve láttam hogy már szedték szét ,nem a legprofibb módon. A kis-villanymotor jó benne ,mechanizmus része jó ,itt vannak gondok. Próbáltam a legjobb képet készíteni ,hogy a kis kondi(104 esm) meg egy ellenállás ,szinkód alapján kék kék zöld bordó barna 66,5komh.-ezeknél látom azt hogy feketés ,ezeken kivül mást érdemes e még kicserélni?mit vegyek még hozzá ?a nyákot összekötöm kis kábellel vagy ellenállás lábaival ,egy próbát megérne .
Szia!
Ez jól szét van törve. Egyéb hibát nem látok.
Sziasztok!
Van egy fénycső armatúrám, amiben egy elektronikus előtét van. Volt, igazából. Szétszedtem, és megvan a két hibás alkatrész, két db 1300br, to126 tokban. az egyiknek lepukkant a fele, a másik minden irányban rövidsztárlat. Google barátom azt mondta, hogy ők tranzisztorok voltak, legalábbis egy pár nappal ezelőtt. A HEStore-ban nem találtam őket. Mivel lehet helyettesíteni? Az őket hajtó - illetbe a bázisukat- ellenállásoknak is hiányzik egy részük, de a színkódot le tudtam olvasni. Mi okozhatta a tönkremenetelüket? Más alkatrész szemre éppnek tűnik.
Elvileg ez az. Légyszi válaszoljon valaki. Előre is köszi.
A hozzászólás módosítva: Jún 1, 2014
A diódákból nem 10 db kell az 5 egységhez? A kék led még mindig a kicsi. Esetleg, opcionális még a potikra forgatógombot is venni, kényelmesebb a fogása.
Szia!
Keresd MJE13003 néven.
Oh, így mindjárt más. Ezek cseréjével remélem megoldódik a gond, köszi.
Meglett a kis darabja a lámpa magasság állító motor elektronikájának ,jól raktam össze ?holnap majd veszek egy kondit bele .
Igen rosszat küldtem el. Egyébként nagyon szépen köszönöm a segítséget.
A javított így fest:*Mod: Én meg kivettem 110 db smilét, nem az oviban vagyunk, köszi! A hozzászólás módosítva: Jún 1, 2014
Hello! Tudná-e valaki ezt elmagyarázni,illetve valami kapcsolási rajzot adni róla? Úgy néz ki,hogy nem lehet túl bonyolult
Bővebben: Link A hozzászólás módosítva: Jún 1, 2014
Üdv!
Ne dőlj be neki, kamu az egész. Van róla valahol leleplező videó is. A 46. másodpercnél látszik is, amikor szétég az a nagyon vékony vezeték (ami a lényege az egésznek) a zárlat miatt. Az ilyen eszközök videói sajnos egytől-egyig mind átverések.
LM2596-nál jól értelmezem, hogy minimum 0,2A-rel kell terhelni, különben nem működőképes? Vagy mit jelent az a 0,2A a 3. oldalon?
Más: hogy kell méretezni a tekercset meg a kondenzátort hozzá? az 5V-os verziót szeretném használni, a 10. oldalon van egy leírás, hogy hogyan kell méretezni, de én ellentmondást érzek. Azt írja, hogy a 22-es ábrán a 12V 3A-es "kereszteződést" kell nézni, és ott elvileg L40-es induktivitás van. Namost én bárhogy is nézem, az az L41-es mezőbe esik.... Valaki elmagyarázná ezt nekem? Adatlap A hozzászólás módosítva: Jún 1, 2014
Ha 2 db AA elemet sorba kötök, az elemek között folyik áram fogyasztó nélkül? Tehát az A elem pozitív pólusa és a B elem negatív pólusa között? (Fogyasztó nélkül, csak szimplán 1 ponton érintkezik a 2 elem)
A hozzászólás módosítva: Jún 1, 2014
Ha nincs áramkör, áram sem folyik.
Sziasztok egy kérdésem lenne hozzátok hozzám került egy bosch dinamó ha a képen látható DF csatlakozót a D- al összekötöm forgás közben felgerjed és D+ valamint a test között 24Voltot tudok mérni de huzamosabb üzemeltetés (kb30 perc) elég érezhetően felmelegszik a dinamó ezért is kérdezem hogy jól köthettem e be? Van hozzá egy feszültség szabályozóm amiben a segítségeteket szeretném kérni, hogy hogyan kellhet rá visszakötni? Segítségetetek előre is köszönöm.
|
Bejelentkezés
Hirdetés |





















