Fórum témák
» Több friss téma |
Fórum » Csöves erősítő készítése
Ne feledd betartani a fórum viselkedési szabályait, és a topik megmaradásának feltételeit. [link]
A téma átmenetileg fagyasztva lett, hozzászólni nem tudsz!
Ha jól értem, van két darab egyforma szekundered. Lehet, de nem lesz 340V-od. Sorba kell kötni a két szekundert, menetirány helyesen. Multiméter V~ állásban. Ha szembekapcsolod, akkor 0-hoz közeli érték jön ki. Ha jól csinálod, akkor 240V körüli érték jön ki. De a csöveid ekkora áramigényt nem bírnak. Tehát a csöves egyenirányítás sajnos felejtős, hacsak nem tudsz olyat, ami 400V-nál 0,5A-t tud folyamatosan(nem csúcsban!). Nekem nem jut eszembe ilyen. Egyelőre hagyd meg diódákkal, sokan így csinálják, + késleltetővel.
Az orosz 5C8SZ tudná.
1x van 120 voltom amit kétszer egyen irányítok és a végén kötöm sorba...
Ezt a ket egyeniranyitos megoldast megneznem.
De nekem nem dióda hidas kell hanem rendes csöves...
Ez működne?
Delon feszültség kétszerezőnek hívják, működnie kell.
Próbáld meg 2 db PY88 -al. A fűtés katód feszültségre is figyelni kell, vagy külön fűtőtekercsről hajtod a két csövet
Köszönöm a válaszokat!
Akkor a Gif-en látható rajzot byugodtan beköthetem?Természetesen külön fűtés lenne...
A kapcsolást eddig én csak diódákkal, de gyakran használtam. Ha a fűtések jól vannak megoldva, nem lehet probléma.
Idézet: „Egyébiránt a hipersil hangkimenő kisebb teljesítményeknél is használható?” Persze. GU50SE-be ennek a fele is elég lesz ![]() A vágottmag hangja legalább annyira gyártófüggő, mint a trafólemezé! Többnyire tényleg nem a tipikus vintage meleg hangzás (habár ez nem csak a kimenőn múlik...), nem fedi el jótékonyan a torzításokat. Idézet: „"Nekem igazából 10-15 Watt lenne az ideális"” A lehetőségek, nagy vonalakban: SE valami brutális, legalább 60-80W-os csővel SE valami "nagyobb" csővel, duplázva (->PSE) PP kisebb csővel, duplázva (csatornánként négy egyformát kell válogatni!) PP rácsáramú üzemmel (kezdőknek felejtős..) A "kisebb cső" minimuma az EL84, az ECL/PCL már necces.
Sziasztok!
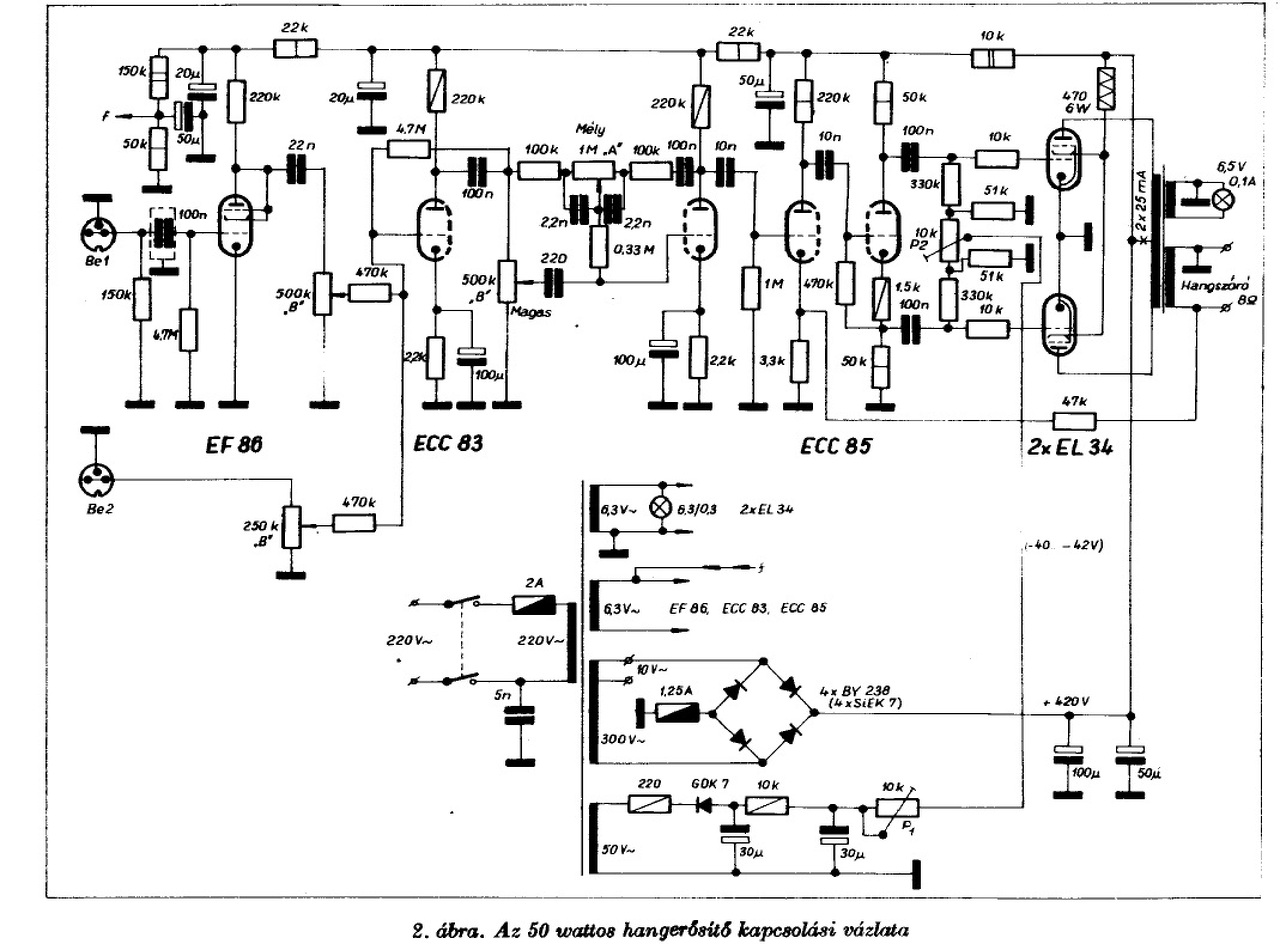
Meg szeretném ennek az 50W-os erősítőnek a hálózati transzformátorját tekercselni, csak az 50V-os résznek nem tudom hogy milyen vastagságú drótot válasszak? A transzformátor 400w-os E+I vasmagos. A 230V-os résznek 0,7mm-es drótot ajánl a rajz, a 330V-os résznek 0,6mm-es drótot. az EL34-es csöveknek a fűtő feszültséghez 1,5mm-es drótot, és az ECC83-asnak, és az ECC81(12AT7)-eseknek pedig 1mm-es vastagságú drótot. A fűtő fezültségékből 4 darab tekercset fogok fel tekerni a trafóra 2x1mm-es drótból 6,3V-ot, és 2x1,5mm-es drótból 6,3V-ot. A 330V-ot is kétszer tekerem fel a trafóra külön külön, és az 50V-os részt is ugyan így akarom fel tekerni!, Csak azt nem tudom hogy az 50V-os részt milyen dróttal tekerjem meg?, ebben ha segítene valaki az jó volna, mondjuk én 0,6-os drótra gondoltam, de majd ezt ti meg mondátok pontosabban. Még egy kérdés, a 330v-os résznek hány amperes dióda hidat válasszak?, és ugyan úgy az 50V-os résznek is kíváncsi volnék hogy hány amperes dióda híd volna elegendő?. Fel teszem a rajzot is, hogy lássátok miről is van szó. CIROKL fórumtársunk át alakított egy régi rajzot nekem hogy jobban be lehessen állítani, mivel ez lesz az első komolyabb csöves erősítőm, és szeretném hogy tökéletes legyen, és jól szóljon! A hozzászólás módosítva: Okt 7, 2014
Amúgy az eredeti rajz ez volna, lehet valaki ismeri is.
Itt 5600 ohmos Raa-val készült 6P30B-R PP. A tápfesszel sem kényeskedtek. Ha minden igaz 6 W-os.
Az csak a rácselőfesz tekercse, szinte bármilyen vékony lehet (legyen mondjuk 0,2 mm-es), diódának is jó amilyen éppen kéznál van (pl.1N4002).
Elég rendesen kicsavarják ezen a rajzon a csöveket határértéken. A max. anódnak 250-et adnak meg igaz, de 150 az ajánlott .
Nagyjából ilyen az enyémnek is a vége, és az előfok meg fázisfordító nálam is a 6n16b. A 180V-os tápfesszel 2,5W jön ki számottevő torzítás nélkül. A lenti rajz az alapja, de be kellett tennem egy neg. vcs-t, mert nagyon nagy volt az erősítés, és az átvitelt is szépen linearizálta. Egy 6x8x23 centis hasábba tuszkoltam bele az egészet, ne tudd meg mit molyoltam mire a zajokat likvidáltam, és mechanikailag összebarkácsoltam. Már azon gondolkodtam előveszem az smd készletemet ![]() A flyback táp viszont egyáltalán nem szór (már), szép csendben van tőle. Itt a kiinduló alap.
A 330 V diódahídjainál a zárófeszültségre oda kell figyelni (Ur=600 V-os típust tegyél be, lehet mondjuk 3-5 A-es, vagy amilyen sikerül pl. 35 A-es).
Csöves egyenirányításnál igencsak számít a trafó és a cső kapcsolata. Rdc-és egyebek. Egyszerűen: ha kis R-szekunderről üzemelteted a csövet, élettartama tizedére csökken. Ha nagyobb kapacitást teszel szűrésnek, ugyanez a helyzet. Olvasni kellene. Régi adatlapokat, csöves egyenirányításhoz, ha valaki ezt választja...
SOOS-nek szól A hozzászólás módosítva: Okt 7, 2014
Kedves Fórumtársak!
Lenne egy egyszerű, lehet nem idevágó kérdésem: hangminőségben, mély és magas átvitelben kb 190V anódáram mellett az ECC83 vagy az orosz 6N2P EV között nagy e a különbség? Mivel az ECC83 at arany árban mérik viszont orosz barátunkat rossz vaséban. Tehát megéri e átalakítani a csövek fűtését 6N2P EV hez számottevő minőség romlás nélkül (egyáltalán romlás nélkül), vagy kivárni és venni egy pár új ECC83 ast. Az előfok zenehallgatáshoz készült nem csupán gitárhoz. Előre is köszönöm a válaszokat. A hozzászólás módosítva: Okt 7, 2014
Leginkább gyártók közt lehet hangban különbség.
Szerintem nyugodtan át alakíthatod, mert csak a fűtést kell átkötni 6.3 voltra. Épp a napokban teszteltem össze az orosz 6n2p-ev-t a tungsram ecc83-at és a 6n2p győzött... Viszont RFT ecc 83 at már nem tudja legyőzni én úgy vélem.
Egy próbát akkor megér. Jelenleg siemens ecc83 csöveket használok, de nem fut együtt a két cső az egyik mintha lomhább lenne. Arra logikáztam, hogy kiszolgálta a magáét és mehet nyugdíjba.
Be tudok szerezni GT 12AX7M csöveket de egy vagyonba kerülnek, egynek az ötöd árán veszek egy pár oroszt. Idézet: „Épp a napokban teszteltem össze az orosz 6n2p-ev-t a tungsram ecc83-at és a 6n2p győzött... ” - aminek a hangzása rövidteszten "megfog", az később és/vagy másfajta zenén akár zavaró is lehet - a Tungi 83-as szerintem sem olyan jó, mint a híre (a régebbi 82-esek, annál inkább, habár azok sem elsőre "aztadejólszól" jellegűek) - a 6n.. csöveket 2-3 szovjet gyár termelte évtizedeken keresztül, és bizony, van köztük különbség - akár a többi alkatrész hangkaraktere is előnybe/hátrányba hozhatja egyiket vagy másikat - a csövek hangja függ a munkaponttól, minden csőnek máshol van a "jó" tartománya, ráadásul az orosz 6N2P paraméterei, karakterisztikája eltérő... ... ... Idézet: Onnét sajnos bármelyik szériás Tungsram vagy ruszki "helyettesítő típus" jól hallható visszalépés. Ha mégse, akkor tkp mindegy milyet veszel„Jelenleg siemens ecc83 csöveket használok, de nem fut együtt a két cső az egyik mintha lomhább lenne. ”
Sziasztok!
Köszönöm a segítséget!. Azért még volna egy kérdésem a dióda hidakkal kapcsolatban, az rendben hogy hány amperes diódákat rakjak be, már csak azt szeretném még meg kérdezni hogy a 330V-os résznek nem volna jobb a rapid Schottky dióda?.
Amúgy jó lenne, csak ritka a 300V-os Schottky.
Jó oda az UF is. A hozzászólás módosítva: Okt 8, 2014
Na, EZT elolvasod és még több kérdésed lesz és még csak a diódáknál tartunk...
Bocs, én meg kitöröltem a hozzászólást, mert úgy gondoltam, nem passzol.
Szia!
Én olvasnám csak meg is kéne érteni ami oda van írva! Sajnos nem tudok angolul valami jól!. Miről is van ott szó pontosan?.
Én is azért "etetem" a PC-t, hogy fordítsa le.
Az egyenirányító dióda lezáráskor, mire lezár, vezet egy kicsit a másik irányba is, ezáltal príma tüskéket visz a túloldalra. Ezek kiszűrésére, a szükséges feszültségtűrésekre világít rá. Szóval fordítás a géppel, érdekes a téma.
Le fordítottam google fordítóval, de rosszul fordítsa le, és helytelenül, valamit nem lehet érteni!, te mivel fordítottad le a szöveget?.
Szerintem ugyanazzal. Persze, valamelyest kell érteni magát az egyenirányítást, stb., és a lényeget ki lehet következtetni.
|
Bejelentkezés
Hirdetés |







SOOS-nek szól
Jó oda az UF is. 




