Fórum témák
» Több friss téma |
Hellótok! Arra gondoltam, hogy D-SUB-ból csinálnék átmenetet SCART-ra e...vannak ötletek, hogy hogyan? A válaszokat is előre köszönöm
Szia,
Csatoltam egy csomagot,.. Ismered ezt a kapcsolást? En megépítettem, de nembírtam működésre,..
Helló!
Házilag nem fogsz tudni ilyet csinálni, én majdnem az összes kapcsolást kipróbáltam. Végül vettem egy gyári átalakítót, ami házilag nem készíthető el semmiképpen. Azt mondták, a TV szervizesek hogy a szinkron jel különbözősége miatt nem lehet ezekkel a kapcsolásokkal megoldani a kapcsolást. Szóval nem érdemes vele foglalkozni. Amúgy van ilyen téma pár, az egyiket még én nyitottam.
Ezt: "házilag nem készíthető el semmiképpen" megcáfolnám,.. Láttam már működő vga konvertert,
ami házilag volt megépítve,.. Nehézkes a frekiket szinkronizálni, (arról már én-is hallottam).
Most monitort akarsz TV-nek használni?
Vegyél egy olyan külső TV tunert, ami a számítógép nélkül is tud működni. Amit Valve adott, az pont az ellentétje, a TV-t használja számítógép monitorként.
A számítógép 5voltos (TTL) színjeleket ad tudtommal, amit a tv scart 1Vpp bemenete nem biztos hogy jónéven vesz
Jólenne ez a bekötés ha a TV-t szeretném a PC-re kapcsolni...de nem ezt szeretném...én D-SUB-os monitort szeretnék használni, mint TV, hogy ne kelljen kidobnom...lgondolkodtam és lehet D-SUB---S-Video áttétel , D-SUB---SCART áttétel vagy D-SUB---RCA áttétel...a lényeg az, hogy a monitort TV-nek (nem rendes adásokra) tudjam használni.
Ha olyan tunert veszel, amin van videobemenet, akkor mást is (pl: DVD,Videó) rá tudsz kötni.
Valamelyik tesco-ban láttam ilyen olcsó dvd játékoson vga kimenetet, elkéne kapni egy darabot és megkukkolni hogy az hogy csinálja illetve mit tartalmaz a kimeneti része.
Hát akkor ez a lehetőség kilőve...és az megvalósítható, hogy a D-SUB-ra csinálhassak S-Video vagy RCA-s dugót? Mert van itthon transmitterem (gondolom tudjátok mi az, de ha nem akkor Rádión kresztül viszi át a kép/hang jelet) és úgyszeretném a géppel összekötni az öreg monitort, hogy a másik szobában nézhessem a filmeket
Vélemények?
Ez máris két gondot vet fel:
1. Kell egy VGA-RCA átalakító, pl olyasmi, amit Valve linkelt. (de van pár ezzel foglalkozó topik) Vagy olyan videókártya, amin van TV kimenet. Erre kötöd a transmitter adót. 2. Kell, az előzőekben megtárgyalt dologra egy megoldás, pl amit én javasoltam. Erre kötöd a transmitter vevőt.
Miért olyan nehéz megérteni?
Monitorból TVNem tv-n akar "PC-képet" hanem fordítva. Tehát nem "VGA-RCA" átalakítóra van szüksége, hanem "RCA-VGA"-ra. Composite to VGA Dereng már? :eek2:
Végigolvastad a topikot, mielőtt bele
?Dereng már? :eek2: Ill. tudod, hogy mit csinál a transmitter?
"úgyszeretném a géppel összekötni az öreg monitort, hogy a másik szobában nézhessem a filmeket"
Ez szerintem teljes mértékben Pc kép -> monitoron,.. Ahhoz képest Te: "Nem tv-n akar "PC-képet" hanem fordítva" Pc -n Tv képet? Akkor azthiszem őrizzük meg hidegvérünket,.. Nyugalom! Idézet: „Arra gondoltam, hogy D-SUB-ból csinálnék átmenetet SCART-ra” Idézet: by Menti „Jólenne ez a bekötés ha a TV-t szeretném a PC-re kapcsolni...de nem ezt szeretném...én D-SUB-os monitort szeretnék használni, mint TV” Jel útja, 'mit szeretne: PC -> transzmitter, (jé, tudom mi az ) vevő -> monitor.
„Arra gondoltam, hogy D-SUB-ból csinálnék átmenetet SCART-ra”
Ez volt az eredeti gondolata, de aztán itt már másról van szó. A transmitter videojelet (NEM VGA) visz át az éteren. Tehát a PC VGA kimenetét át kell alakítani videó jellé, majd a másik oldalon a videó jelet vissza VGA-ra. (Na de többet ne offoljunk, ha még mindig nem tiszta, akkor privátba.)
Nos, nem csoda hogy vitáztok, hiszen Menti témaindítója („Arra gondoltam, hogy D-SUB-ból csinálnék átmenetet SCART-ra”) PC-ből TV-SCART-ba történő jelátvitelre utal (nekem). Következő hozzászólása („Jólenne ez a bekötés ha a TV-t szeretném a PC-re kapcsolni...de nem ezt szeretném...én D-SUB-os monitort szeretnék használni, mint TV") már tisztázza az igényét.
Mindkét irányra igaz, hogy az eltérő kép és sorfrekvenciák miatt az átalakítás csakis memóriába írással (és onnan a másik frekivel történő kiolvasással) oldható meg. A VGA RGB 1V-os analóg jel, ez a része még passzolna is a SCART RGB bemenetére - csakhát ott a fránya szinkron... Tehát a jelút: VGA analóg RGB-t digitalizál, RAM-ba tesz, onnan TV szinkronnal kiolvas, és ha van a SCART-on RGB bemenet, akkor már mehet is. Ha nincs,PAL-ba kódoljuk és kész a CVBS ( kompozit video). Megéri? (csak, ha sportolni akarsz vele, a kihívás kedvéért)
Nnna, akkor egyet beszélünk, csak más irányból.
Ám ennek a "konverziónak" jelen esetben, nem sok értelme lenne, csak hogy használva legyen egy öreg monitor... Túl bonyolult-költséges. (és a hangról még szó sem esett)
Na igen, az már más kérdés, hogy nem éri meg foglalkozni a dologgal, azért nem is merültem részletesebben bele, és amúgy is van már néhány topik, ami a D-SUB -> SCART átalakítás nehézségeit tárgyalja.
Bár a Videó -> D-SUB megoldható a tuneres dologgal, de anyagilag nem hiszem, hogy megéri a projekt.
Örülök, hogy közös nevezőre jutottunk!
Egyébként az audio rész az sima ügy lenne. Hangkártya kimenete -> transmitter -> éter -> transmitter -> monitor mellé "telepített" erősítő
Na a végére csak kiderül, hogy házilag nem megoldható.
Valve meg leugatott érte
Nem ugattalak le. Csak tudom, hogy minden megoldható!!! Csak akarni kell! Nincs lehetetlen, tisztességes határok közt, csak néha nem éri meg a saját építés-fejlesztés, jobb ha az ember vesz egy kész kütyüt,.. De a hobby az hobby,.. Epíteni lehet mindig, mindent, (akarat-anyagiak-tudás kérdése).
De, hogy ne-szálljon el mit írtam, leugatlak,.. wouff,..
Lehet, hogy naív kérdés, de a VGA monitorok nem képesek több frekvenciára szinkronizálni? Ebben az esetben miért nem jó, a SCART RGB a VGA D-SUB-jának? A monitor nem tud rászinkronizálni? Vannak videókártyák, amik 60Hz - 120Hz-ig tudják hajtani a VGA-t. A SCART 50Hz. Az biztosan nem megy neki?
Az még valószínű jó is mert lehet állítani, de a függőleges eltérítés nem állítható. Ha jól tudom
A számítógép csak a függőleges és vizszintes szinkronjeleket adja ki TTL szinten!!!
A színjelek (RGB) ugyanúgy 0,7 volt analóg jelek, mint a televízióknál, vagy a Scart csatlakozóknál. Természetesen 1 voltos színjel is rendelkezésre áll a videokártyáknál, de én még nem találkoztam ilyennel. A monitorokban ez a video jelszint választható 0,7 és 1 volt között.
De, kortól függően több frekit is tudnak. Az a gond, h a legkisebb sorfreki 31,5kHz (640*480), aztán 35kHz (800*600). Ha beküldöd neki a 15,6kHz-et (amit a CGA monitoroknál használtak), akkor - ha átjut a bemeneti fokozatokon - (gagyi tervezés) biztosan tönkreteszi a sorvéget, mert baromi nagyfeszt fog előállítani!
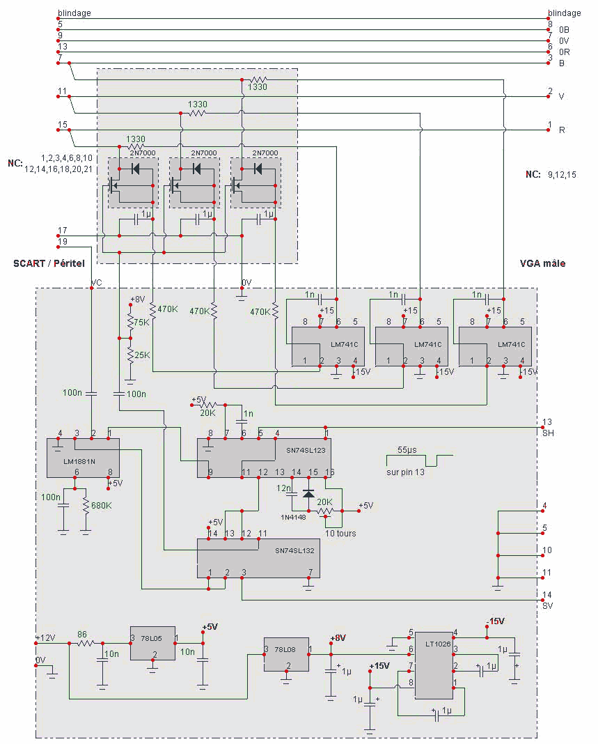
hali!Én is ilyesmiért durtam a netet.Hasonlo a http://www.hobbielektronika.hu/forum/topic_626_2_ASC.html elvégre ott is tvnek használnák a monitort.Scart-rol vga-ra ezt a megoldást hozták ösze.
Ez a fullextrás jelformálós változat de az alapgondot ez sem oldja meg. Persze én is megépítettem oda-vissza mindent ami persze nem ment azt puff a végén olcsó lett a TV-outos videokártya meg találtam 5 ezerért MAGIC VGA BOX-ot ami megoldja a DVD-m összekötését a monitorral így nem kell elindítanom a PC-t ha be akarok állítani egy felvételt.
Helló! Ezt bóbáld ki. Ez Vga TO PAL, de lehet, hogy működik visszafelé is.Kapcsolási rajz
Hali! Visszafelé ez nem megy és odafelé is csak TV-felbontású monitorjelnél.
|
Bejelentkezés
Hirdetés |




Monitorból TV
) vevő -> monitor.






