Fórum témák

» Több friss téma
Fórum » Keverőpult építése, javítása
Lapozás: OK   48 / 78
(#) bencikusz válasza reloop hozzászólására (») Ápr 22, 2014 /
 
Nah ez a nem mindegy Soha nem gondoltam volna erre a "csalásra" Köszönöm szépen!
(#) univerzum válasza reloop hozzászólására (») Ápr 23, 2014 /
 
khm, hol van 180 fokos fázisfordítás hol is van?
(#) reloop válasza univerzum hozzászólására (») Ápr 23, 2014 /
 
A fogadóállomásnál, ki is vonja szépen a hibát
(#) BBoyBen hozzászólása Ápr 25, 2014 /
 
Sziasztok!
Szakmai tanácsot várnék az alábbi keverőre. A kérdésem az lenne,hogy ezzel mennyire lehetne korrekt,nagyjából stúdiós hangot elérni? Illetve egy dinamikus mikrofont rákötve és az erősítéssel játszva meg lehetne valósítani,hogy nagyjából a beszédhangerőt is megfelelő hangerővel lehessen rögzíteni PC-n zaj,sercegés nélkül? Ebben a típusban ugye van beépített külső hangkártya? A válaszokat előre is köszönöm!
(#) bencikusz válasza BBoyBen hozzászólására (») Ápr 25, 2014 /
 
Az USB-s változatot nem ismerem, USB nélküli van nekem, nem volt panaszom. Kis (1 mikrofonos) hangosításokhoz remek!
(#) BBoyBen válasza bencikusz hozzászólására (») Ápr 25, 2014 /
 
Jelenlegi felállás szerint a dinamikus mikim egyből a gépre megy és ugye maxra fel kell húzni a hangerőt a gépen,hogy a felvételen megfelelő hangerősségű jelet tudjak felvenni,ám ekkor már hallható a zaj is, a sercegés. Ennek kiküszöbölése érdekében és valamivel stúdiósabb hangzás reményében vásárolnám meg ezt a készüléket, csak nem tudom, hogy ezeknek mekkora a zaja. Tehát ami lényeges,hogy felvételre kéne a dolog.
(#) kzolt válasza kzolt hozzászólására (») Máj 6, 2014 /
 
Sziasztok!
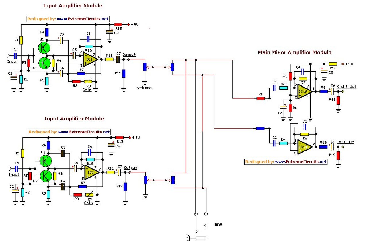
Újra kérdést szeretnék feltenni a csatolt keverővel kapcsolatban. A rajz szerint kötöttem össze, nem tudom hogy ez így szabályos-e, a másik problémám az, ha csatlakoztatom a line jelet, jelen esetben egy laptop fülhallgató kimenete, akkor nagyon lehalkul a mikrofon. Még akkor is ha a laptopot nem kapcsolom be, de ha kihúzom a jack-et, akkor visszatér a hangja.
Köszönöm a segítséget előre is!

mixer.jpg
    
(#) reloop válasza kzolt hozzászólására (») Máj 6, 2014 /
 
Szia! A jelenség természetes. Mi volna az elvárásod a Volume utáni potitól? Annak megfelelően átrajzolom.
(#) kzolt válasza reloop hozzászólására (») Máj 6, 2014 /
 
Köszönöm! Nagy segítség lenne!
(#) reloop válasza kzolt hozzászólására (») Máj 6, 2014 /
 
A válasszal még adós vagy. Mi a poti szándéka? Panoráma szabályzás esetleg?
(#) kzolt válasza reloop hozzászólására (») Máj 6, 2014 /
 
Bocsánat, igen! Panoráma potik lennének.
(#) reloop válasza kzolt hozzászólására (») Máj 6, 2014 /
 
Adtam szegénynek rendesen, le kellett pár felesleges dolgot is bontani.

Keverő.jpg
    
(#) kzolt válasza reloop hozzászólására (») Máj 6, 2014 /
 
Köszönöm, nagyon profi, csak még egy amatőr kérdést szeretnék feltenni: az ellenállások 100Kohm körüliek, vagy inkább próbálgatni kell?
(#) reloop válasza kzolt hozzászólására (») Máj 6, 2014 /
 
Milyen értékűek a potik és mekkora R7(8)?
(#) kzolt válasza reloop hozzászólására (») Máj 6, 2014 /
 
A hangerő 1Mohm, a panoráma 200Kohm. Az mikrofonerősítőn R7=22K R8=220Ohm, a mixeren R7(8)=390K.
(#) reloop válasza kzolt hozzászólására (») Máj 6, 2014 /
 
Nagyszerű, a berajzolt kék ellenállások indulhatnak egységesen 100k-ról. Ha az érzékenységet valahol módosítani kell, majd megbeszéljük
(#) kzolt válasza reloop hozzászólására (») Máj 6, 2014 /
 
Nagyon köszönök mindent, holnap kipróbálom és megírom az eredményt.
(#) kzolt válasza reloop hozzászólására (») Máj 7, 2014 /
 
Szia!

Köszönöm még egyszer, beépítettem a 100k-s ellenállásokat a rajzod szerint, így minden oké. Még tesztelgetem, dobozolom, azután majd az élőpróbán kiderül kell-e valamin módosítani.
(#) BBoyBen hozzászólása Máj 9, 2014 /
 
Sziasztok!
Nem vagyok egy nagy zseni, de akinek hangszínszabályozásra van szüksége ne törekedjen bonyolult dolgokra, én találtam egy kapcsolást, igaz, végerősítőben használom, de teljesen jól működik, nemtudom hogy mikrofonhoz használva is beválna-e a dolog, bár érdekelne engem is.
Itt a kapcsolás.

Valaki tudna nekem ajánlani egy változtatható erősítésű előerősítőt dinamikus mikrofonhoz, aminek lehetőség szerint kicsi a zaja?
(#) daninet hozzászólása Júl 31, 2014 /
 
Sziasztok!
Két esetleg három stereo jelet szeretnék a bemeneti ellenállás növelése nélkül egyesíteni egy darab stereo jellé. Tehát a két 10k ellenállásos dolgot nem szeretném, bár meggyőzhető vagyok érvekkel Nem kell potméter sem a dologba, sem mono stereo kapcsoló. Ami fontos, hogy vagy 5 vagy 12V-os feszültséggel működjön, nem szeretnék több step down vagy step up modult.
Minél egyszerűbb, olcsóbb, kevesebbet fogyasztó annál jobb.
Neten csak gitárhoz találtam ilyet, illetve 9V-os verziót potikkal.
Azt is megköszönném ha valami rajzot tudnátok szolgáltatni
(#) janikukac hozzászólása Nov 8, 2014 /
 
Sziasztok!
Amatőr keverőt kéne összedobnom, tényleg semmit se kéne szinte, hogy tudjon, csak: 2 kanális, mind a 2-n tolópoti, crossfader, meg a csatornánként magas,közép,mély meg fejhallgató kimenet amit lehet állítani, melyik csatorna jelét mutassa. Megéri (egyáltalán létezik rá kapcsolás) vagy inkább ne vesződjek vele?
(#) proli007 válasza daninet hozzászólására (») Nov 9, 2014 /
 
Hello! Feszültségeket összeadni passzívan ellenállásokkal lehet. De ez feszültség veszteséghez vezet, hiszen feszültségosztóként működik. Vagy aktív alkatrésszel vissza lehet erősíteni az eredeti szintre. Tehát messze nem az a lényeg, hogy a bementi ellenállás nő, hanem a jelszint csökkenés.
A tápfeszültség annyiban számít, hogy az korlátozza a maximális be és kimeneti jelet. Annak be kell férnie a 12V-ba, csúcstól csúcsig (áramkör veszteségeit még levonva).
De nem is írtad, mekkora bemeneti jeleket szeretnél közösíteni.
Egyébként pedig egy invertáló erősítő a célszerű megoldás, ha nem zavar, hogy fázist fordít. Ha igen, kettőt kell egymás után kötni. Ennek a keverőnek (mely szinte bármely keverőben be van építve) erősítése egyszeres. A be és kimenti jel maximuma így kb. 3V RMS lehet.
(#) reloop válasza proli007 hozzászólására (») Nov 9, 2014 /
 
Rám marad, hogy megköszönjem a választ A kérdezőnk egyetlen bejegyzéssel rendelkezik, annak is 3 hónapja, hogy erre járt.
(#) proli007 válasza reloop hozzászólására (») Nov 9, 2014 /
 
Bocs igazad van! Figyelmetlen voltam, mert közben Janikukac "igénytelenségén" mosolyogtam.
(#) janikukac válasza proli007 hozzászólására (») Nov 9, 2014 /
 
Mit is hibáztam? Mondjuk egy kicsit fáradtan írtam, de szerintem érthető...
(#) proli007 válasza janikukac hozzászólására (») Nov 9, 2014 /
 
Nem hibáztál, csak vicces. "tényleg semmit se kéne szinte, hogy tudjon" aztán felsorolsz mindent, amit egy keverőben van.. Majd megkérdezed, van-e rá egyáltalán kapcsolás és ez után hogy vesződj-e vele című költői kérdés..
(#) reloop válasza janikukac hozzászólására (») Nov 9, 2014 /
 
Szia! Fentebb jópárszor leírva, ilyen felszereltségű keverőt használati célra nem épít amatőr.
Kell venni egy használtat és igény szerint felújítani.
(#) janikukac válasza proli007 hozzászólására (») Nov 9, 2014 /
 
Nekem ha valaki azt mondja, komoly keverő, az jut róla eszembe, hogy : min 4 kanális, effektprocesszor, csomó + beállítás (merre vágjon a crossfader, hogyan), más egyebek, viszont az a helyzet áll fenn, hogy én kb. 3 éve eladtam a keverőmet (egyszerű, "szinte semmit nem tudó" 2 kanálisos, bla bla bla alsó kategóriás) és az elkövetkezendő 2 hónapban szükséges lenne hogy tudjak hetente egy keveset gyakorolni, mivel elvállaltam , hogy keverek egy buliban majd, viszont évek óta nincs gyakorlatom.

Reloop jól mondja, venni kéne egy használtat, nem is nagy pénz, 10ből meg tudnám úszni, de felesleges, mert nincs rá szükségem, csak ideiglenesen, s ezért nem láttam értelmét, hogy vegyek bármit is.
Hát, így jártam.
(#) ljusdr hozzászólása Dec 27, 2014 /
 
Sziasztok! Új témát nem akartam indítani, így itt teszem fel a kérdésemet. Vettem táp nélkül egy Souncraft Spirit Folio SX keverőt. Az eladó azt mondta, hogy működött nála, csak nincsen hozzá táp.
Megnéztem, egy 2*18,3V AC táp kell hozzá. Az még van is, de spéci csati kell hozzá. Megcsináltam floppy csatiból.
Most jön a kérdés, remélem kapok rá választ.
Mielőtt rátettem a tápot, gondoltam belenézek, a hátlapot könnyű levenni. Azt láttam, hogy a hátlap sokat tölthetett a keverőről levéve, tele volt firkálva, meg vágás nyomok. (alátétnek használhatták) Felkeltette a gyanúmat, hogy valami nincsen rendben.
Jobban megnézve, az egyik stab IC lábai forrasztva voltak. 3 láb. Mi történhetett? Nem mérték ki, hogy a táp melyik 3 pontra csatlakozik, és ide kötötték az AC tápot. Szerintetek ez okozhatott valami visszafordíthatatlan hibát?
Égésnyomok nincsenek és hát teljesen szétszedni nem kis munka, hogy az alkatrészoldalhoz hozzáférjek. A rajzot mellékelem.
KÉRDÉS: mi van, ha rákötöm a tápot? Mondjuk védőellenállásokat kötnék sorba vele.
Nem szeretném leölni, jó kis cucc ha megy.
Segítségetek előre is köszönöm!
Mértem a stabic-t, de semmi rendellenességet (zárlatot) nem mutat az ellenállás mérés.
Kössek- ne kössek?????
(#) reloop válasza ljusdr hozzászólására (») Dec 27, 2014 /
 
Szia! A PSU1 és 3 elé egy-egy 47 ohm valóban biztonságot jelentene az élesztés során. Jármű izzó is jól jöhet.
Következő: »»   48 / 78
Bejelentkezés

Belépés

Hirdetés
XDT.hu
Az oldalon sütiket használunk a helyes működéshez. Bővebb információt az adatvédelmi szabályzatban olvashatsz. Megértettem