Fórum témák
» Több friss téma |
Fórum » ICL7106/ICL7107
Látom ez az általam jobbnak vélt megoldás nem igazán tetszetős de megint mondanám EZ nekem így tetszik és ennyi !
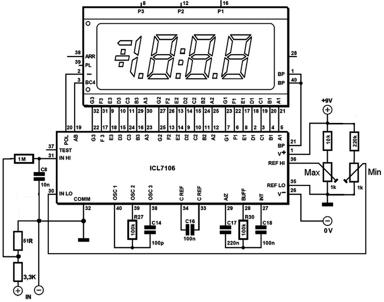
Továbbá nem vagyok már , legalább is remélem pancser aki direkt ellent mond a fizikának ezért egy két kis bizonyíték a feszültség adatokról . Na tényleg nem kerek az a 8 Volt na de kövezzen meg az aki ezt a pár tized Volt eltérést problémának véli ! Ja és a 6 darab kijelzőnek 6 darab független szekunder van a trafón : Bővebben: Link A hozzászólás módosítva: Dec 14, 2014
Sziasztok!
Van egy 0-600b-os nyomástávadóm amelynek a kimenetén 0,5-4,5V feszültséget mérhetünk a nyomás függvényében. Tehát mondjuk 210bar-nál a kijelzön 21mV-ot kellene mutasson az ehhez tartozó 1,9V-os valós feszültsék érték helyett. Ehhez szeretnék egy DVM-et készíteni 7106-al. Utólagos engedelmével proli007 korábbi hsz-t felhasználva a következőket számoltam: " - Kiindulni a lineáris egyenes képletéből kell. Amit az y=ax+b képlet határoz meg. Az "a" a meredekségi szorzó, a "b" az eltolási érték. Ezzel, minden lineáris függvény konvertálható. - A meredekségi szorzót a=Ube/Uki határozza meg, de ez nem csak "feszültségre", hanem feszültség változásra is érvényes. Vagy is a=dUbe/dUki -re is érvényes. Te 0,5..5V-ig szeretnél mérni, amire a kimenőjelnek 0..200mV feszültséget kellene adni. Így a=(4,5V-0,5V)/(0,2V-0V)=20. Mivel a feszültség osztás arányát az ellenállások aránya a=1+(R1/R2) alapján határozza meg, ha mondjuk az alsó R2 ellenállást 205ohm-ra (helitrimmer)választjuk meg, akkor a felső ellenállásnak 3,9kohm-nak kell lenni. ... - Ha a "b" eltolási értéket nézzük, akkor nyilván a bemeneti feszültségből kellene 0,5V-ot levonni. De ezt a feszültséget, levonhatjuk a már 200mV-ra leosztott feszültség értékéből is. Nyilván ez 20-szor kisebb lesz, mint a 0,5V. Vagy is b=0,5V/20=25mV. " Tehát elég lehet a referencia feszültséget 25mV-al eltolni? Jó lesz ez így nekem? Más elvileg nem lesz vele mérve... (mielőtt nyákot készítek nehogy valamit elszúrjak ....) Kifelejtek valamit? Üdv: L
Hello! Majdnem jó a számításod de van benne tévedés.
- Ha 0,5..4,5V feszültség változásra a műszered 0..200mV-ot kap, akkor a kijelzett érték, nem 600bar lesz végértéken, hanem 2000bar. Tehát a dUbe=4V feszültség változást, dUki=60mV feszültségváltozássá kel konvertálnod. Így a feszültségosztó osztási aránya 4V/60mV=66,666.. - Az eltolási értéket is ezzel az osztásaránnyal kell számolnod amire 7,5mV értéket kapsz. És az In-Lo bementet kell ezzel a feszültség szinttel megemelni, hogy ott nullát mutasson a műszer. - A bementi osztó 1:66,666.. osztási arányát nem érdemes pontosítani, azt lehet a 100mV referencia "finomhangolásával" is beállítani. Vagy is kalibrálni úgy kell, hogy az eltolási értéket nullára állítod, a bementi feszültségnek 4V-ot adsz és a kijelzést 600-ra állítod. Majd 0,5V bementi feszültség értéknél, az eltolás potival, nullára állítod a kijelzett értéket.
Köszönöm!
![]() Ezt fogom csinálni! (Az alkatrészeket már meg is rendeltem...)
Lassan felsorakoznak a végleges helyükön .
Sziasztok!
Megépítettem "topi" által közreadott voltmérőt. A kalibrálással nem boldogulok. A kijelzőn terheletlen állapotban, villogó mínuszjellel 88.0 mutat. Reszelgetek, reszelgetek de nem akar 0.0-ra beállni. Várom javaslatotokat. Köszi!
Szia,
21-es és az 1-es lábhoz képest mit mérsz ? 21-es és a 26-os láb között ? 30-as és 36-os láb között? A 27-28-29-es lábon milyen alkatrészek vannak? 220n/47k/470n ? A 38-39-40-es lábon ? 100pf/100k/40láb ? A 33-34-es lábra milyen típusú kondit raktál?
Kedves Gábor!
A 0-600bar-os (0,5-4,5V) távadó műszerét végre sikerült befejeznem. Működik, stabil a kijelzés. A 600 b (4V-nál ahogy írtad) szépen beállítható, de sajnos a nulla értékkel nem boldogulok valamiért nem áll be, sokkal magasabb értéket mutat. Mit rontok el? A 100mV ref. akárhová állítom nem befolyásolja szignifikánsan az értékeket. ![]() Üdv: Lajos
Hello! Ha lerajzoltad volna amit elkövettél, lehet okosabbak lennénk..
Szia,
21-es és az 1-es lábhoz képest mit mérsz ? 4,97V 21-es és a 26-os láb között ? -4,94V 30-as és 36-os láb között? 1,354V potm. végállásban A 27-28-29-es lábon milyen alkatrészek vannak? 220n/47k/470n ? 220nF/ 47K/470nF és közösítve A 38-39-40-es lábon ? 100pf/100k/40láb ? 100pF/100K/(és közösítve 40) A 33-34-es lábra milyen típusú kondit raktál? 100nF MKT 63V
Még szép, hogy nem jó. Nincs kivonás..
Ezt jól elbaltáztam! (Vörös fej, szem lesüt, leülök, egyes...)
![]() Köszönöm! (még ma kijavítom) Üdv: L
Hello!
A módosításokkal tökéletesen működik. Egyelőre asztalon, ha bemegyek dolgozni a valódi nyomástávadóval is tesztelem. Mégegyszer köszönöm nagyon sokat segítettél.... Üdv: L
Szevasztok!
A korábbi segítség-kérésem szerencsére már nem aktuális, sikerült megoldani a gubancot. Kakukkos volt az ICL7660. Ujabb kérdésem volna: 2db Ic7107-es mérőt kellene működtetni egy készüléken belül egy tápról. Az egyik mérő Fesz mérő, a másik viszont áram mérő. Vagy kettő táp kell?
Illik minden olyan muszert amik galvanikus kapcsolatba kerulnek a meresek soran egymassal, KULON taprol jaratni. /forras: Labortapegyseg topik/
A hozzászólás módosítva: Jan 30, 2015
Hello! Attól is függ, hogy van-e a két mérésnek közös pontja, amihez képest lehet mind kettő feszültséget mérni. (Az árammérő is feszültséget mér, csak Shunt ellenálláson..)
Köszönöm a válaszokat!
Sajnos akkor kettő tápról kell működtetni a két mérőt. Üdvözlette
Már annyiszor volt róla szó, hogy nem kell két táp, de még csak elválasztás sem a mérendőtől.
Meg kell nézni az adatlapot! Ha negatív táp előállítható a GND-hez képest, akkor lehet közösíteni az INLO bemenetet az ICL7106/7 GND-vel. Az áramot a negatív ágban elhelyezett sönttel polaritáshelyesen méri.
Köszi sebi!
Megspóroltál nekem egy tápot! MŰKÖDIK! Azért van egy észrevételem, bár túlzott jelentősége nincs (tájékoztató információt ad, és nem adatfeldolgozáshoz kell a mérés) : - Közös tápról hajtva a két műszert, akkor 0,1-0,15V ill. Amp-al többet mutat a kettő táposhoz viszonyítva (műszereket külön-külön kalibráltam). A táp mindkét esetben 5.00V volt. Mitől lehet ez? Üdv sita
Én nem vettem észre ilyet - bár régen volt... Mivel a kérdés az elválasztás (külön táp) volt, nem részleteztem.
Tehát adott egy szabályozható táp, ami egytekercses trafóról jár graetz, puffer. A +5V-ot a kijelzőknek én egy pici buck-regulatorral adtam (LM2675-5), az ICL-ek kaptak 1-1 78L05-öt. A graetz kitoldva 2 diódás feszkétszerezővel negatívnak, soros ellenállás,zener, 7905 közösen a két ICL-nek. Atomstabilnak tűnt, lehet hogy a +5V-ot is elég egy 7805-el adni, de ez nem sorozatgyártás, nem sajnáljuk...
Valószínű hogy félre értettél, már ami a sorozatgyártást illeti.
Én egy nyugdíjas barkácsoló vagyok. Ami a spórolást illeti, hát annak az az oka, hogy elég szűkös dobozkát csináltam, és a dobozon kívülre kellett volna rakni a második tápot, vagy eldobni a dobozt és újat csinálni. Üdvözlettel sita
Épp ezt mondtam: ez nem sorozatgyártás (magunknak csináljuk), tehát nem spóroljuk ki belőle az 50Ft-os alkatrészt. (Főleg úgy nem, hogy ez esetleg - kevésbé átgondolt tervezéssel/vezetékezéssel párosulva - instabillá tegye művünket.
Üdv! Esetleg valaki csinált már 4 1/2 digites panelmérőt? Esetleg az ICL7129 jó hozzá? Köszönet előre is!
Idézet: „ICL7129 jó hozzá?” Igen. Ez egymaga a műszer... Kérdés, tudsz-e hozzá triplexed LCD-t szerezni.
Válszodból úgy érzem nem egy egyszerű feladat. Szétnézek hátha valahol van.
Szia,
ICL7135-tel próbálkoztam, próbapanelen már jól működik. Most már csak egy panelt kéne hozzá tervezni...
És az hány digitet használ? Én a xx.xxx forátum miatt gondolkozom rajta. Panelmérőt csinálnék belőle a tápomhoz.
|
Bejelentkezés
Hirdetés |




















