Fórum témák
» Több friss téma |
Sziasztok!!
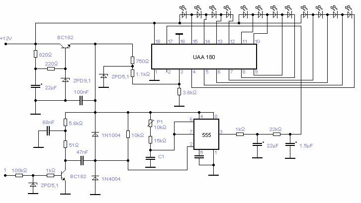
kb. 2 hónapig üzemelt a kocsiban a mellékelt fordulatszámmérő, hiba nélkül. Nos, tegnap indításkor szépen indult a kocsival együtt, de pár perc után kialudt az egész, azóta nem működik. Kicseréltem az NE555-t, de nem lett jobb semmivel. Áramot, meg jelet kap a kocsitól, ezt ellenőriztem. Megnéztem a forrasztásokat, azok is jónak tűntek nekem szemre. Amikor az egyik pólus(pl.: GND) csatlakoztatva van és megkapja a másikat is(+12V) akkor egy pillanatra megvillan az egész ledsor(, de szerintem ez normális). Szerintetek mi lehet a baja? Kérlek segítsetek a megjavításában. Köszi előre is!!! Üdv.
Szia,
Megnézted az UAA integráltat is? Nem kapott egy nagyobb feszt az autótól? Még a BC -re mérj rá,.. Más gondja nem lehet, ha az 555 és UAA is jó meg a tranyók akkor nem a kapcsolással van gond sztem,..
Az UAA180-at nem cseréltem ki, hogy nagyobb feszt kapott-e azt nem tudom. A biztosítékról kapott (+)-t negatívat, meg testből. A BC182-t megnéztem a magam módján, de nem tudom jól csinálom-e? ( a középső , és az egyik szélső lábra adtam egy igen lemerült laposelemről + feszt. , a másik szélső lábra, meg egy ledet a negatív oldallal.) Így nekem jónak tűnt, mind a kettő.
Helo. Ellenőrizd az UAA180-at, választd le az 555-öt és tégy pár voltot az 1k-ra. Néhány LED-nek fel kell gyulladnia.
Szia!
Kivettem az 555-t és annak a helyén a foglalat 3-as lábára(alulról, jobb oldalról) adtam egy + ágat az elem (-) oldalát meg a testre raktam. Így nem égett egyik led sem.
Hogy érted, hogy a biztosítékról kapott (+) -ot meg negatívot? (azon keresztül tápláltad? akkor az simmán kimehetett, sőt, a biztositék ilyen esetben nagyon precizen kell méretezni, és saját vélemény szerint nem jelent megoldást, egy fesz-áram lökésre, főleg autóban). Ha az UAA Ic -t nemtudod működésre bírni s jó a többi félvezető akkor biztos, hogy a csere megoldja a gondot,.. De nem
volt semmi zenner vagy stabkocka előtte? Csak így szimplán rákötted az akkura?
Cseréld ki az UAA 180-t. Szeret csak így meghalni. Szerintem ha kicseréled jó lesz.
Egyébként meg égett az egész sor? Hogy tiszta legyen a kép, "mozgatni" kellene a sort, egy potival. Akkora feszültséget kell előállítani, amely kb 0-a UAA 3-as lábán mért feszültégig változtatható. Tehát: poti közepe 17. láb, poti egyik széle : test, másik széle 3.láb (UAA-n)
Az IC sajnos érzékeny a túlfeszültségekre, főleg a referenciánál, egy gépjárműben pedig sajnos nagyon mostoha körülmények vannak ezen a téren. Sok a gyújtásból származó tüske a tápon, ez ellen védeni kell az IC-ket.
Szia!
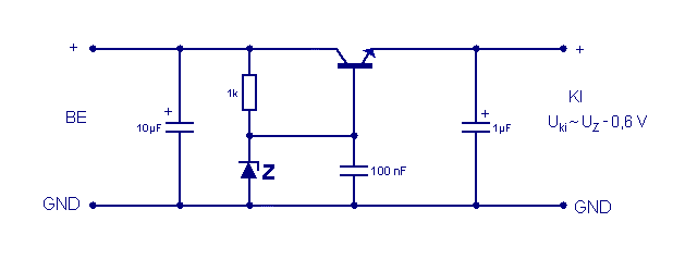
Nem volt előtte semmi. a kocsi biztosítékpaneljéről kapta a (+)-t a negatívot, meg egy szimpla test képezte. Az segíthet valamit, ha egy zéneres kapcsolást(mint pl. a csatolt) elérakok, ha majd újra működik?
Szia!
Sajnos, most itthon nincs potim, de akkor valószínű, hogy ez lehet a baja, hogy elszállt az UAA? Veszek újat és majd berakom azt. Ha majd újra működne, akkor , mint ahogy valve-nak írtam, ha teszek elé egy zéneres fesz stabilizátort, az segíthet? És hogy érted azt, hogy védjem az ilyen "mostoha körülményektől" az IC-t? Mire gondolsz?
Persze, hogy igen! Nem ajánlatos ilyen kütyüköt csak úgy rákötni az autó -ban,.. Ingadozik, mikor tölt mikor nem, mondjuk attól függ, hogy milyen autó, de akkor is én raknék egy stabilizátort vagy egy stabkockát bele,..
Az a legegyszerűbb,..
Ja hogy ehhez kell!
12 led 10mA-ével számolva ugye 120mA + az apró meg a rátartás, 5V feszültségeséssel számolva kb 1W eldisszipálandó teljesítményt jelent. Inkább legyen egy stabkocka!A védelmet a nagyfeszültségű tüskék és a generátor zaja ellen gondoltam, tehát mint Valve szerint, egy stabil, zajmentes tápfeszültség a cél. Sajnos ez csak 12V alatt lehet, szerintem megcélozhatnánk a 9-cet!
De annak nem gond, hogy a fesz, ami a kocsiban ingadozik, alig tér el a stabilizált feszültségtől?
De gond, azért nem lehet (vagy nehéz, bizonytalan) 13-14-ből 12V-ot stabilizálni. Szerencsére az 555 és a referencia 9V-ról megy , szerintem az UAA is fog menni 9V-ról.
De, gond... A korábban csatolt Zener-es stabilizátort pont ezért küldtem valami másik témába. A fesz. stabilizátorokon esik valamekkora feszültség, 12 V tartásához általában 14 ... 14.5 V bemenet kellene, ami meg kocsiban már határeset. A csatolt rajz tud kocsiban is stabilt tartani (cca. 12.6 V fölött), viszont a tranzisztort fűti, ha nagyobb teljesítményre kell.
Nem volna egyszerűbb mondjuk 8 V-ra áttervezni az egész rendszert, és akkor mehetne bele egy stabkocka is?
Én már ezt akarom megjavítani, mert ez nagyon jó volt eddig, csak most elszállt valamije gondolom. Megnéztem az UAA adatlapját 10V a min fesz amit bír.
A csatolt zéneres kapcsolás magyarán képes lenne rá? Hát szerintem, nem kell oda olyan nagy teljesítmény. Elvégre mennyi milli ampert vehet fel az egész? Sztem nem olyan sokat, de te vagy a jobb ebben, én amatőr vagyok.
Sztem egy LM78xx stabkocka sorozat bővem megfelelne a célnak, elvégre ha kicsi a fesz az nem nagy gond, legfeljebb nem működik az áramkör,.. Nálad a nagy fesz a baj, hogy ha kap egy tűskét akkor kiég a rendszer,.. (amgy remekül szuperált nálam az UAA 9v -ról is vu méterben, elvégre ez is az).
Dehogy vagyok jobb... Ilyeneket ne is gondolj
![]() Medve írta korábban az áramfelvételt, és igaza is van. Néhány W eldisszipálandó (azaz az utasteret fűtő) teljesítmény lesz a tranzisztoron. Nekem a Skodában futott egy hasonló, 2N3055-ös tranyóval, és a biztonság kedvéért a doboz teteje egy vastag alu lap volt, amibe belefúrtam / csavaroztam. Úgy már azért épp hogy langyosodott, 10 ledet és pár kapuáramkört hajtva. Szóval nem megoldhatatlan, csak pocsékolja egy kicsit az energiát. Vannak nagyon kicsi fesz. esésű stabilizátorok is, olyanokat még nem használtam, de valószínűleg nem is annyiba kerülnének.
Nekem is egy Skodába van a műszer!
szóval ha jól értem jó ez zéneres kapcsolás, csak egy erősebb tranzisztor kell hűtéssel. Az szerintem nem gond, ha bírja a tranzisztor, hogy hűteni kell és hát pazarol egy kicsit,de ezért van a generátor nem? Javíts ki ha tévednék!
Szóval ment nálad 9V-ról is szépen, de az nem lenne gond, hogy az áramkör 12V-ra lett tervezve? Gondolok itt pl.:ellenállások értékeire.....stb.
De, azért
Pár száz mA mellett ez nem számít, ha maga az elemek hűtése nem okoz gondot. Csak nagyobb teljesítményeknél kell, hogy az ember eszébe jusson: minden további áramfelvétel növeli a generátor hajtási igényét, vagyis végső soron benzinnel fizetsz érte. De ez ebben a kategóriában észrevehetetlen változás.
Sztem építesz egy fesz stabilizátort LM kockával s többet nem fogja felmondani a szolgálatot az UAA!
S egy LM nem tehető össze egy tranzisztoros stabilizátorral. (sztem a kapcsolásod menne 9V -ról is)
Csak egy megjegyzés: Az uaa max 18V-ot bír el a tápon, a jelbemenet, és a referenciák kényesek a max 6V-tal! A fogyasztásnál a LED-ek áramfelvétele a mérvadó: 10mA/db
Ám van itt egy fontos adat minimális működési fesz: 10V, igy elméletileg megbuktunk! Úgy kellene, hogy a tápfesz az nyers lenne, védve zénerrel a tranziensektől, s ahogy a rajzon is van, csak a Vref-et stabilizálni
Szóval végsősoron jó lenne a zéneres verzió. Nos akkor milyen tranzisztor kellen hozzá? A hűtést megoldom én is alumínium lemezből ha kell. A többi alkatrész jó a kapcsolásban?
"Úgy kellene, hogy a tápfesz az nyers lenne, védve zénerrel a tranziensektől, s ahogy a rajzon is van, csak a Vref-et stabilizálni" ezt hogy érted? Le tudnád írni kicsit "közérthetőbben"?
Ha nem gond a hűtés, akkor jó lehet, az említett 2N3055 elviszi.
De elviheti pl. egy 7810-es is, a GND kivezetését egy-két diódával földre kötve 10.6 ... 11.3 V lesz a kimenet, 13 V bemenetről már azért működik (annyinak lennie kell egy járó motornál), és a 11.3 már alig tér el az eredeti 12-től. Ha van még hely, akkor az IC táplába mellé lehetne egy 100 ... 470 nF-os kondit is tenni, a tranziensek vágására, hasonló kondi a stabilizátor kimenetén se árt. Na meg az említett 1N4004-es diódák cseréje gyorsabb működésűekre.
Tehát minden marad a régiben csupán a "+12V" jelű pont és a test közé egy 15 (16? 17?) Voltos zéner diódát tenni záróirányban, amely 15V felett vezet, kisöntölve a feszültségcsúcsokat. Van ennél jobb is, a tranziens védő dióda, ha gondolod, tehetsz azt is. A zéner "elé" talán kellene egy pár Ohmos ellenállás, ha melegszik a tüskéktől, igy innen ezt nem tudom....
Szóval annyi elég ha +12V és a GND közé teszek egy 15V-os zénert?
Akkor, már talán nem száll el Az UAA?
Te erről mit gondolsz?
Tehát minden marad a régiben csupán a "+12V" jelű pont és a test közé egy 15 (16? 17?) Voltos zéner diódát tenni záróirányban, amely 15V felett vezet, kisöntölve a feszültségcsúcsokat. |
Bejelentkezés
Hirdetés |






12 led 10mA-ével számolva ugye 120mA + az apró meg a rátartás, 5V feszültségeséssel számolva kb 1W eldisszipálandó teljesítményt jelent. Inkább legyen egy stabkocka!





