Fórum témák
» Több friss téma |
- Ez a felület kizárólag, az elektronikában kezdők kérdéseinek van fenntartva és nem elfelejtve, hogy hobbielektronika a fórumunk!
- Ami tehát azt jelenti, hogy a nagymama bevásárlását nem itt beszéljük meg, ill. ez nem üzenőfal! - Kerülendő az olyan kérdés, amit egy másik meglévő (több mint 17000 van), témában kellene kitárgyalni! - És végül büntetés terhe mellett kerülendő az MSN és egyéb szleng, a magyar helyesírás mellőzése, beleértve a mondateleji nagybetűket is!
Hello! Itt valami nagyon nem kerek, vagy félre értelmezed. Ha a Led nyitófeszültsége 1,6V és három van sorba, akkor az maga 4,8V. Tehát a tápfesz nem lehet ugyan ennyi, mert akkor az ellenállásra már nem jut feszültség. Így azzal az áram korlátozását sem lehet beállítani, hiszen értéke is 0ohm-ra jönne ki. Az ellenállásra jutó feszültségnek, legalább akkorának kell lenni, hogy kompenzálja a diódák hőmérséklet változására létrejött nyitófeszültség változás hatására létrejött áramváltozást. (Na, ezt jól megfogalmaztam..) Továbbá a tápfeszültség változás (ha nem stabil a táp) hatását is csökkentenie kell. Tehát értelme a dolognak így nem igazán van.. Ez ilyen "kínai zseblámpa feeling. "Majd a telep belső ellenállása korlátozza az áramot. Ha meg nem, majd vesz megint újat tőlem."
A hozzászólás módosítva: Júl 21, 2015
A táp egy számítógép illetve a telefontöltő USB kimenete ezek elég stabilak szoktak lenni. Mindkét esetben 4,80-4,86V-ot mértem. Kap egy másik csatit ami 12V lesz. Ott majd jut az ellenállásra is feszültség.
Köszönöm a választ. A hozzászólás módosítva: Júl 21, 2015
Sziasztok. Az asztali ébresztőórámnál (ami áramkimaradás esetén elemről is működik), hogy hálózati táplálás esetén pontos az óra, viazont akár egy japnyi elemes üzem után több percet téved. Van egy olyan elképzelésem, hogy elemes működés esetén kvarcról számol, hálózatinál viszont a periódusokat számolja (aminek ugye napi átlagban kerek 50 Hz-nek kell lenni). Elképzelhető, hogy ez az oka a dolognak? Ha nem, akkor vajon mi?
Helló!
Ebben a modulban lévő IC 3-5V-ig működik. A 0,8V-ról üzemeléshez step-up üzemmód kell, ott az induktivitás is hozzá a panelen. Viszont mi lehet az alternatívája ennek step-up az IC-nek mely terheletlenül gyakorlatilag 0uA fogyasztást tesz lehetővé? (50uA kb. az IC stand by áramfelvétele) Ismer valaki ilyet?
Előbbi helyett, esetleg van valakinek tapasztalata arról hogy panelre integrált LED nélkül mikroamperekkel terhelve mennyi lehet ennek a modulnak a fogyasztása?
Ez az oka.
De a hálózatról működtetve sem járnak pontosan ezek a fajta órák, mert nem pontosan 50 Hz a hálózati frekvencia, a villamos rendszer terhelésétől függ. A tapasztalatom szerint hosszú távon átlagban nagyobb (a mi ilyen óráink sietni szoktak) Bővebben: Link Az órában viszont legfeljebb egy "kvarcnak látszó valami" lehet, mert egy rendes kvarc pontosabb annál, hogy napi több perces eltérést okozzon. Szerintem inkább egy hálózatról szinkronizált RC oszcillátor lehet benne. De ez csak feltételezés, több ilyen óra is van a házban, de még egyiket sem szedtem szét.
Felénk nem gyakori a "napnyi" áramszünet. Ha mégis van véletlen, akkor úgyis be kell állitani a mikrosütőt és a villanytűzhelyet.
Ha ez számodra komoly problémát okoz a napi szinten, akkor nagy valószinűséggel kellene egy 32.768 "óra" kvarc (szinte mindenben ez van). Ha kell viszek a találkozóra...
Nem én kérdeztem, nekem nincs ezzel problémám...
Tudtommal manapság már korrigálják a hálózati frekvencia eltéréseit, így a közvetlenül hálózati frekvenciát használó órák sokkal pontosabbak, mint régebben.
Sziasztok!
Megpróbálok itt is érdeklődni...lehet nem a legjobb topic, de hátha tudtok segíteni..!? Adott egy Wayteq hd-95rf beltéri egység.. Menet közben (lehet a nagy melegtől vagy nem tudom), de megállt..most csak annyi van a kijelzőn, hogy on->ON->valami S... és kezdődik előröl.. Tudom, hogy nem nagy érték..de ha esetleg meg lehet javítani, akkor miért ne..műszerészhez nem vinném, mert annyit nem ér.. Csatoltam egy képet hátha látszik valami! Ha esetleg a melegtől lenne a gond, mi mehetett tönkre? Nem vagyok nagy műszerész zseni, de segítséggel tudok méregetni Direkt napfény természetesen nem érte! Köszi előre is! üdv
Általában az adott kérdéslánc utolsó hozzászólására szoktam válaszolni, nem akarván megzavarni a logikai sorrendet. Nem gondolnám hogy ezzel neked bármi problémád lenne. Az igazat megvallva, szerintem probléma sincsen
Sziasztok!
Hétvégi házban egy relés-öntartásos riasztót használok,és áramszünet esetére pedig 12v/7ah zselés akkut.Az lenne a kérdésem,hogy mivel töltsem az akkut,ami nem károsítja folyamatos üzem mellett?
PB137. Erre a célra lett kitalálva.
A hozzászólás módosítva: Júl 22, 2015
Esetleg ez?
Nem kellene forrasztgatni. Csak az a kérdés,hogy maradhat e folyamatosan? http://www.zselesakkumulator.hu/zseles-akkumulator-tolotok
Nem ismerem.
Ha a jelenlegi táp tud 15,7V-t akkor a PB137 eszményi megoldás. Ez itt a HE fóruma. Egy háromlábú IC bekötése nem lehet probléma. A hozzászólás módosítva: Júl 22, 2015
Van egy 16v-os riasztóközpontból származó trafóm,ezek szerint az pont megfelelne?
És,ha elérte a kellő feszt,akkor ez az ic lekapcsolja a töltést?
Az akku feszültségét 13,7 volton tartja, ami az ilyen alkalmazások ajánlott feszültsége.
Köszönöm a segítséget!
Sziasztok!
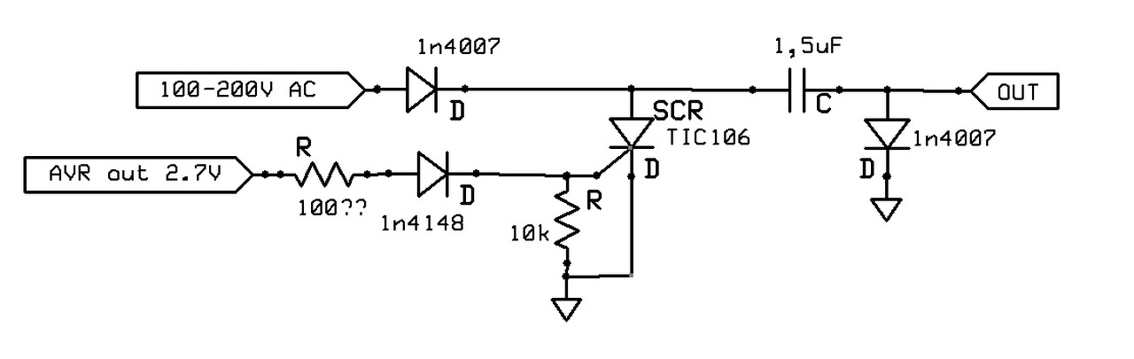
Egy impulzussal szeretnék egy kondenzátort kisütni tirisztoron keresztül. Az impulzust egy AVR adja, aminek a feszültsége 2,7V. Szeretném kiszámolni a Gate elé szükséges ellenállás értékét. Egy TIC106-os tirisztort használok. A tirisztor adatlapja alapján ehhez ((V-Vgt)/Igt) = (2,7V-0,7V)/0,0001 = 20kOhm kellene. Először kipróbáltam 20k-val, majd 10k és 5k-val is, de nem történt semmi mindaddig, amíg az ellenállást le nem vittem ~100 ohm-ra. Hogyan lehet meghatározni ezt az ellenállás értéket, hogy ne csak hasraütés-szerűen, vagy próbálkozással kelljen ellenállást választani? Mellékelem a kapcsolási rajzot is.
Tirisztoréknál azért van szórás is, ha megnézed az adatlapot...
Ezt úgy kell megállapítanod, hogy dc-ről adsz neki feszt pl. 1 kohm-on keresztül, aztán méred, hány voltnál gyújt be. Onnan vissza tudsz számolni az avr-hez is. Mérheted közben a direkt gate feszt is, hogy mennyi, mert ez nem egy sima átmenet, van egy bizonyos feszültségosztás is. A 4148-at pedig cseréld le 1N4007-re pl., mert ha azért tetted be, hogy védjen egy esetleges anód-gate zárlattól az avr felé, oda kevés lesz. A hozzászólás módosítva: Júl 23, 2015
Lehet az is, hogy egy selejtes vagy elbélyegzett példányt próbáltál, mert a 100 ohm nagyon durva...
Szerbusztok.Segitsetek mert hacolok evvel a FLEHS PLAYER-lés nemtudom feltölteni.Köszi.
Nem letölteni akarod inkább a flash playert?
Hát a 100 ohm szerintem is durva, de a házigazdától vettem a Hestoron még anno. Két példánnyal is próbáltam, és mind a kettőnél ez volt az eredmény, szóval nem hiszem, hogy elbélyegzés lenne. Nem állítom azt, hogy 100 ohm-nál vagy kevesebbnél nyit ki csak, de 1k-nál már nem az biztos. Valahogy biztos ki lehet számolni, nem csak kísérletezéssel nem?
Nem tudod kiszámolni, csak közelítőleg, mert az adatlap pl. 50...200 uA gate áramot ad meg.
Ha minden úgy van, ahogy le is írtad ( értékek ), akkor bizony tedd be a műszert a gate körbe és mérd meg, mennyi az annyi. Ne sajnáld az időt rá, mert vmi biztos átvág, nem stimmel.. Csak úgy példának egy hasonló érzékeny gate-s tirisztor tényleg bekapcsol már 10-20 uA ( mért ) áramnál. Ezt term. ne úgy nézd, ahogy ki akarod sütni a kondit, hanem kisfeszen, ohmos terheléssel. Lehet, hogy ebben a kapcsolásban nem úgy működik, ahogy szeretnéd.
Különben az a rajz meg miféle? Félhullámot akarsz rányitni a tirisztorra????
Mivelhogy csak egy dióda van az AC-n...
A félhullám tölti a kondit, és a kodit akarom kisütni a tirisztorral
Azt értem, de közben nincs semmi a rajzon, ami korlátozná a töltőáramot... azt rajzold be azért, mert sokat fogsz ezért még kapni...
![]() Legalább 50 kohm körül, mert ha nem csökken a tirisztor tartóáram alá az az áram, nem fog lezárni gate fesz nélkül sem ( lehet, hogy ez is becsapott és nem tudtad néha, miért nem történik semmi ). A DC tesztet pedig csináld meg, vmi 12 voltos izzóval, tápról, stb... A hozzászólás módosítva: Júl 23, 2015
Én azt sem látom mitől sülne ki a kondi. Mi van az out kivezetésen. Első tippem az volt, hogy negatív feszültséget szeretnél előállítani.
Hello! Ez szerintem egy CDI gyújtás lesz, bár nem tudom mit kell azon titkolni..
|
Bejelentkezés
Hirdetés |












