Fórum témák
» Több friss téma |
A téma átmenetileg fagyasztva lett, hozzászólni nem tudsz!
Tehetsz nyugodtan kisebbet,ott a beállított "teljesítmény" miatt csak 20-30V lesz
Tudom.. etronic-parts -ban voltam az előbb.. Megnéztem a híres 2500.- axialt.. Nemtetszett. Nekem ez volt itthon.
Bár 400 ohm katódelenállásnál felmegy az 50V -ra is.. (60mA) A hozzászólás módosítva: Júl 29, 2015
Gondolj bele.Kb.25mA nyugalmi áramot kell beállítani végcsövenként kb. 400V anódfesznél,EL34 PP-nél!Mivel közös a katód-komplexum ezt duplán vesszük,tehát 50mA.
PL. a katód ellenállat legyen 330R. Ohm tv. I=U/R U=R*I. 330R*0,05A=16,5V Tehát bőven elegendő a 63V fesz. tűrésű kondi.
Nem lesz az akkora,amit te mértél az terhelés nélkül volt.Nincs otthon a "fiókban" 220µF/63V-os kondér?
Nemtudom, még csak a kábeleket akarom helyükre varázsolni.
50V/400R = 0,125 /2 = 62mA A hozzászólás módosítva: Júl 29, 2015
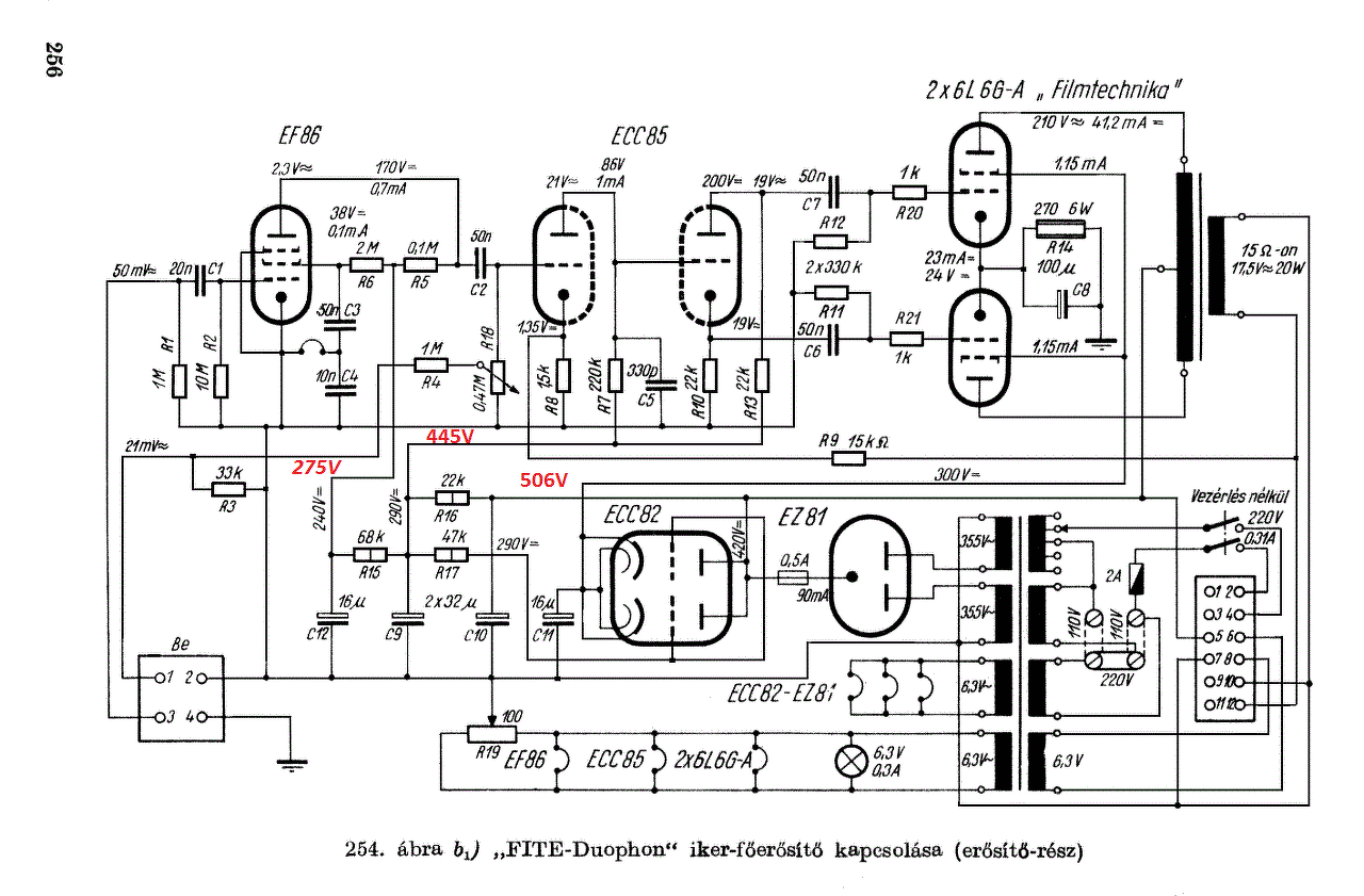
Rajzszerint katódot és a harmadik rácsot egybeköthetem? EL34!
Mint a villám. Mára végeztem. Ittraktam le a tollat.
El34 maradék segédrácsát hová kössem? Ezt stabilizálta ECC82.
Jólgondolom, hogy egyenirányító után 18k val csatlakozok a segédrácshoz?
Inkább raknék az egyenirányító után egy 5,6k-t, aztán egy 47u/500V-os kondit, majd azt kettéágaztatva egy-egy 1k-t sorba a segédrácsokra.
Akkor ugyanúgy, mint a bemenet. Csak szűrve. Értem.
Már csak egy segédrács van.. A hozzászólás módosítva: Júl 30, 2015
De két végcsöved van, PP esetén, arra gondoltam a ketté ágaztatást, hogy a szürő kondi után egy-egy 1k-s soros ellenállással mész a segédrács(ok)ra.
A hozzászólás módosítva: Júl 30, 2015
Számolni kellene igazából, az most nem megy. 18k hogy jött ki?
A hozzászólás módosítva: Júl 30, 2015
ronin75 jól mondja.Az az érték egy általános adat,majd ha már zúg az erőlködő lehet nekiállni behangolni az áramokat,kezdve a táp ezen ellenállóival.
MIndegyik 6l6 végfokból kivan hagyva a végfokcső előtt az 1k. Fényképen megvan, hogyan nézett ki. Színkód alapján az mehetett a rácsra. Rajzon ezsincs..Már benntvan amit tanácsoltál. MOst csinálom a tápfeszt.
A hozzászólás módosítva: Júl 30, 2015
Keresek gyufát, gyertyát. Ha ma este beröffented és esetleg Paks leállna, lássam a monitort
Az 1K az gerjedésgátló ellenállás,vannak főleg hangszer-erőlködők ahol elhagyják,Te ne hagyd ki!
Amúgy kár volt gyorsan szétbontani amíg egybe volt,vissza kellet volna fejteni teljesen a kapcsolást,mivelhogy a neten,csak a 6L6-os v. rajza található meg.Sok bosszúságtól megkímélted volna magad.Most olvasom,hogy fotóztál,ez jó pont
Nem,az a fázis-fordító cső anódellenállása.Megpróbálom leírni.Megy az anódfesz. az első puffer után a kimenő közepére.Innen egy korlátozó ellenálláson keresztül(az előbb említett pl. 5K6) megy a villany a végcsövek 4-es lábai felé,de előbb ide is egy puffer,utána 1-1K a 4-es lábakra,s ide jön a második puffertől a delej.Utána a következő korlátozó ellenállat (R16)......
A hozzászólás módosítva: Júl 30, 2015
22k helyett? 100mA esetén 18k-val 40V-al lesz többed.
Itt egy 2xEL34 20W-os kapcsolásban. Alapvetően nem különbözik a 6L6-tól. A segédrácsot nem igazán szükséges szűrni, de lehet, hogy javít valamit - én sosem próbáltam ki.
(Ilyen kis teljesítménynél nem hinném, hogy sokat számítana - nekem volt 60W-os Laney erősítőm 2xEL34 véggel, abban sem volt.) A hozzászólás módosítva: Júl 30, 2015
Holnap átolvasom mégegyszer. Azthiszem ígyis kötöttem. Csak a sorend más a sasszi miatt.
Ronin, keresek bele másikat. MOst csak ezt találtam. Kezdek fáradt lenni, holnap folytatom.
"Elvileg" jó az is, csak így felfele húzod az egész tápfeszt. A pufferek már így is izzadnak.
22k -ból 1W -os kell ide?
Hagyd, találtam 2W újat. Kéket. Soha nemfejezem be, már keresztbe látok.. A hozzászólás módosítva: Júl 30, 2015
Már én is keresztbe látok, bocs, szerintem benéztem. Azon csak a két kis cső árama megy át, nem rossz oda a 18k sem, bár számolva kb. igaz, hogy kb. 40V-tal lesz többed az előfok és fázisforditó csöveken. A 2W-os jó lesz.
A hozzászólás módosítva: Júl 30, 2015
Akkor megvontam tőled a pozitív értékelést... Még ilyet.. Már majdnem bedőltem...
A 40V igaz volt, egyedüli hiba a 100mA helyett csak 10mA van ott, viszont fejben meg elszámoltam és így kijött a jó végeredmény. Nekem kicsit furcsán van rajzolva az eredeti rajz...
A hozzászólás módosítva: Júl 30, 2015
Összeraktam EF -ig. Az nincs bekötve. Egyelőre az nemérdekel. C2 a bemenetem, az rövidre van zárva. Csövek nincsenek benne. A feszek beálltak, csak nemépp a helyes tartományban.
Képet csatoltam, mit mérek. Eddíg csak itt méregettem. Mérjek tovább, és neérdekeljenek ezek a feszek? Ezek majd terhelve leesnek 400V -alá? A hozzászólás módosítva: Júl 31, 2015
|
Bejelentkezés
Hirdetés |





