Fórum témák
» Több friss téma |
Nem helyettesíthető azzal a FET-tel. Háromszor akkora az RDSon értéke, füstfelhő lesz belőle!
A következő paramétereket minimum figyelembe kell venni, ha kapcsolóüzemű alkalmazásra választasz FET-et:
-UDS - Drain-Source feszültség (értelemszerűen nem baj, ha nagyobb) -UGS - Gate - Source feszültség - fontos, ha logikai meghajtás van -IDM- (Pulsed Drain Current) - Drain áram impulzus meghajtás esetén -RDSon - csatornaellenállás - ha nagyobb, jobban melegszik a fet -Total Gate Charge - Gate töltés, meghajtás miatt fontos, mert a Gate periodikus áttöltése energiaigényes (a kisebb érték a jobb) - TRR/QRR - a belső dióda sebessége (a kisebb érték a jobb) - TDP - a tokra megengedett max disszipáció A hozzászólás módosítva: Máj 24, 2014
Üdv!
Egy akkus hajvágó gép motorjának meghajtását végzi a következő feliratú SOT-223 tokozású (szerintem) fet: DG09AB 439 Ha a motort lekötöm a panelról akkor a fet kapcsolja az akkufeszt a kimenetre de ha a motort visszakötöm akkor picit mozdul és terhelésen letilt. Szerintem a fet hibás tudtok segíteni?
Én nem látok háromszoros ellenállásértéket, de biztosan másik adatlapot nézünk.
Legalább az biztos hogy az említett alkatrész fet?
A leírásom alapján lehet ez a fet hibája?
Lehetséges,h az általam fentebb megadott alkatrész FDT439 fet?
Sziasztok!
Van egy LG LCD televízió aminek elszállt a tápjában egy 2SK3868 típusú FET. Szerintetek mivel lehetne helyettesíteni amihez manapság egyszerűen hozzá lehetne jutni? Adattábla: http://www.partstat.com/datasheets/2sk3868-toshiba-3148f90f90c32e41...4c.pdf
Sziasztok !
Elektromos bicikli töltőbe a STW6NB90 nevezetű fett durrant ezt mivel lehetne helyettesíteni ??
Ne felejtsd el a szigetelőlapot betenni a FET és a hűtőlap közé (már ha van hűtő).
Hello. Egy IRFU014 kellene helyettesitsem, miszerint egy kicsit komolyabb teljesítményt kellene kicsikarni belole.
Mit tehetnek a helyére? Köszönöm hogy segitenek.
Ha pontosabban körülírnád, hogy mit szeretnél...
Miben van ez a FET? Milyen pozícióban? Mekkora a tápfeszültség?
Elnézést,pontosítom a kérdésemet.
Léptetőmotor vezérlőben van,motor kivezetésenként 4-4 db IRFU014. Egy db elfüstölt,emiatt az egyik motor kevesebb áramot kap,mint a másik 3 és lépést veszít. Szeretném kicserélni akár az összeset,olyanra,ami több kraftot tud engedni a motorok felé és jobban bírja a folyamatos terhelést. A motorok 1,45A fogyasztanak, 6kivezetéses 2fázisú léptetőmotorok. Köszönöm a segítséget előre is.
Szia! Nem mindegy, hogy mennyi feszültség marad a FET -en, mikor kapcsol. Az pedig az RDSON ellenállásától függ. Minél kisebb ez az értéke, annál kevésbé fog melegedni. Olyan FET -et keress, hogy ez az érték lehető legkisebb legyen, áramra és feszültségre pedig legalább annyit tudjon, mint az eredeti.
Sziasztok!
ZVN4206A Fetet milyen könnyebben beszerezhető típussal lehetne helyettesíteni? Egy LED mátrixot szeretnék vele meghajtani.
Sziasztok tudnátok ajánlani egy helyettesítő fettet az MS1307 N-fet helyet?
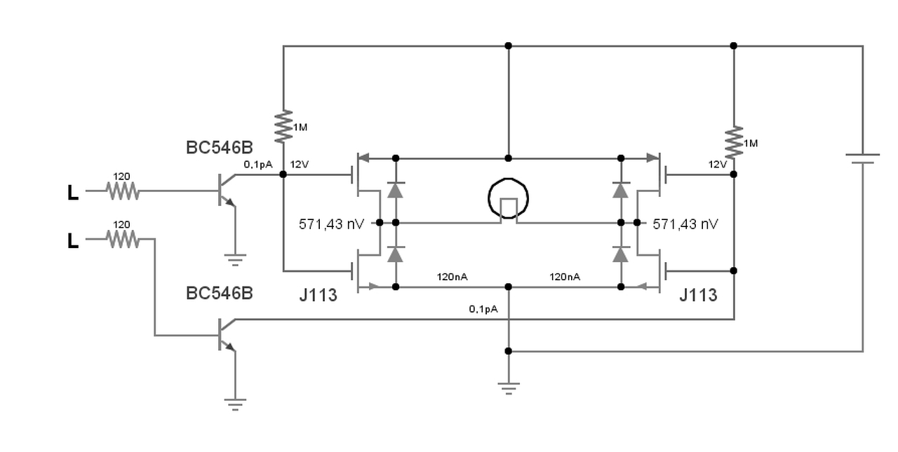
Sziasztok! Találtam a HEStore kínálatában egy nagyon jó kis N csatornás Fairchild gyártmányú MOS FET-et. A típusjele J113. Tökéletes lenne egy RC vezérlésű távirányító vevőjéhez, de szükségem lenne a P csatornás párjára is. Tud valaki információt adni? Esetleg... A motorok 12V/200mA fogyasztásúak és mindenképpen TO92 tokban lévő kivitel férne csak el. Más típus is jó - ha tudna valaki segíteni. Híd kapcsolásban szeretném használni, de csak akkor éri el a kapcsolástechnika a maximális kapocsfeszültséget, ha a híd egyik fele P a másik N csatornás. Próbáltam tranzisztorral is, de siralmas volt az eredmény, mindenképpen FET kellene.
Hello! Egy 50mA-es Fet, aminek Rds ellenállása 100ohm, mitől jó egy 200mA-es motorhoz?
Most egy 100mA-es tranzisztor kapcsolgatja a motort. Egyébként honnan az 50mA? Vagy elnéztem valamit az adatlapban?
A weboladalon is 35V 2A szerepel...
Az NXP szerint:
Idézet: „Symmetrical silicon n-channel junction FETs in plastic TO-92 envelopes.” Egy gyakorlott szemenek a TO92 tok és a 2A nem fér össze. Az IRFD110 DIP4 tokban is csak 1A -t tud. A hozzászólás módosítva: Szept 12, 2015
Nem tudom mit nézünk. De szerintem a gond valahol onnan ered, hogy Te egy növekményes MOS FET-et keresel, a J113 pedig egy kiürítéses J-FET. De a 200mA-es motorhoz, a 100mA-es tranyó, is igen gyenge választás..
A gond, hogy nincs túl sok hely TO92-esek felférnek a panelre. A kínaiak hogy csinálják? Nekik is ekkora tokok kapcsolgatják ugyanazt a motort. Mellesleg - lehet, hogy rossz választás a 100mA-es tranzisztor - de bírja.
|
Bejelentkezés
Hirdetés |











