Fórum témák
» Több friss téma |
Fórum » Keverőpult építése, javítása
Szerintem ez a legjobb, legegyszerűbb, és még házilag is elkészíthető.
Itt van egy lézer projektor, amiben kapacitív a visszacsatolás, jó, és nagyon primitív.
Tényleg nagyon finom lineáris encoder van a nyomtatóban. Talán még túl finom is. De ide is külön dekoder MCU kell a lépések követésére.
Én kitartok az analóg mellett.
Ez a kapacitív érzékelő sokkal komplikáltabbnak tűnik mint egy LED-es.
Ha jól értem akkor váltakozó feszültség is kell. Meg ez is forgó mozgásra van kitalálva.
Nem tudnád esetleg megkeresni melyik újságban volt?
Ez lenne amit keresek. Idézet: „Ék alakú maszkot mozgattak a fényforrás és a fotoérzékelő között.” Esetleg létezik-e elektronikai újság (RT,HE) tartalom jegyzék katalógus ami több évet fog át?
Igen annak tűnik, de ez a legegyszerűbb.
Azt még át kell gondolni, hogy lehet kiteríteni. Összevágtam a lényeget.
Látom a váltó feszültség 5V 8Mhz (gondolom 50%-os PWM jel).
Elég nehéznek tűnik ezt a 4 érzékelő lapot ~6cm hosszan kiteríteni, ráadásul a forgórész levan földelve.
Még egy ötlet, ha rossz is: ma selejteztek a mérőszobán, le is csaptam pár digitális mérőórára. Századra még pontosak, ezredre már nem, ezért dobták ki. Egyet szétkaptam, 0.2 ... 1.2 V lineáris jelet tudtam mérni a panel egy pontján, 0 ... 25 mm löketre (egy darab gombelem a tápja).
Ha ilyenhez hozzá tudsz jutni, gyakorlatilag készen kapod a mechanika nagy részét is, és csak a tolópotid kívánt útját kell leáttételezni, kijelzőt és készülékházat kidobni, meg az analóg jelet leszedni.
Ilyet tuti nem tudok beszerezni, de nem tudnád leírni hogy működik?
Esetleg képet küldeni ha tudsz. Köszi!
Itt egy szuper IC ami szinte mindent tartalmaz abból ami nekünk kell:
TSL260: Fotó dióda, műveleti erősítő, kimenete ~0-3V bemenő IR fény nagyságától függően. Van még benne egy fény szűrő ami csak az IR sugarakat engedi át, ez nem fontos ha zárt dobozban üzemel. Ezt simán után lehet építeni, fotó tranzisztor és pár müv.erősítővel.
Van egy alkatrész, úgy hívják: CLM 6000 ill CLM 8000
Ez egy spec opto csatoló, elsősorban hangtecnikai célokra készült LED és fotoellenállás kombináció. A LED fényerejétől függ a kimenet ellenállása. Sok helyen használták szabályzásra, stúdiótechnikában, dinamika kompresszorban, stb, igaz analóg és ez már nem divat. Adatlapja & beszerezhetősége megtalálható a neten.
$8-ért találtam CLM-t, inkább csinálok könnyen beszerezhető dolgokból.
Kipróbáltam egy fotótranzisztort és mellette egy IR LED-et (persze közte szigetelve), fotótranzisztort rákötöttem egy NPN tranzisztorra arra meg sima LED-t és R-t (csak indikátorként). Sötétben mozgatva egy világos tárgyat előttük egész szép eredményt produkál! Lineárítását nem igazán tudom tesztelni, de szemre egész jó. (indikátor LED fényereje változik a távolság függvényében) (Persze nem teljesen sötétről indul, mert kell majd neki egy offset) Fotótranzisztoron ~4.8V esett és ~480uA áram folyt az NPN tranyó báziskörében. Hogy lehet egy ilyen fotótranzisztort rákötni egy műveleti erősítő bemenetére? Mert gondolom az áramát kell figyelni. Ha felhúzó ellenállással kötöm be akkor nagyon csekély mértékben változik a rajta esett feszültség (~1uV).
A "pálcikaszámolós" megoldásoknak van egy nagy hátrányuk: mikor bekapcsolod, nem tudja hol áll. Ez egy forgatható potinál nem gond, de a tolónál már igen. Persze ez is megoldható pl. úgy hogy bekapcsolás után ide-oda tolod egyszer.
A kapacitívot átgondoltam, nem nehéz elhelyezni. Kell egy hosszú téglalap a nyákon, amit átlósan félbevágsz. A nullát pedig vagy be kell kötni vagy egy hajlékony vezetékkel v. csúszóvalamivel (itt vész el a lényege a dolognak), vagy kell a nyákon (esetleg egy másikon) egy nagy részt csinálni, ami a nullához van kötve. Így két kondenzátor lesz sorba kötve, szerencsés esetben működik. Az optikai megoldás a másik irány: szerintem nem lesz teljesen lineáris, de ha csak kicsit tér el tőle az nem hiszem hogy olyan nagy probléma.
A vevő otoellenállás (pl.Cds!) nem fototranzisztor! Ez polaritásfuggetlen változo elenállást jelent. Egy osztó egyik tagja, vagy kettő ellenfázisban vezérelve (Ez a gyakoribb) adja ki a potmétert.
Megoldható közönséges led-CdS fotoellenállás párossal zárt fénytől árnékolt mech. konstrukcióval. Mondjuk egy cső két végbe szemben egymással. Régi AKA Format 2003 porszívók triacos szabályzójában is alkalmazták.-1M potméter helyett. Már akkor is bonyolították a dolgot a látvány kedvéért!
Felmerült 1-2 kérdésem, ha nem gond, meg is osztom veletek
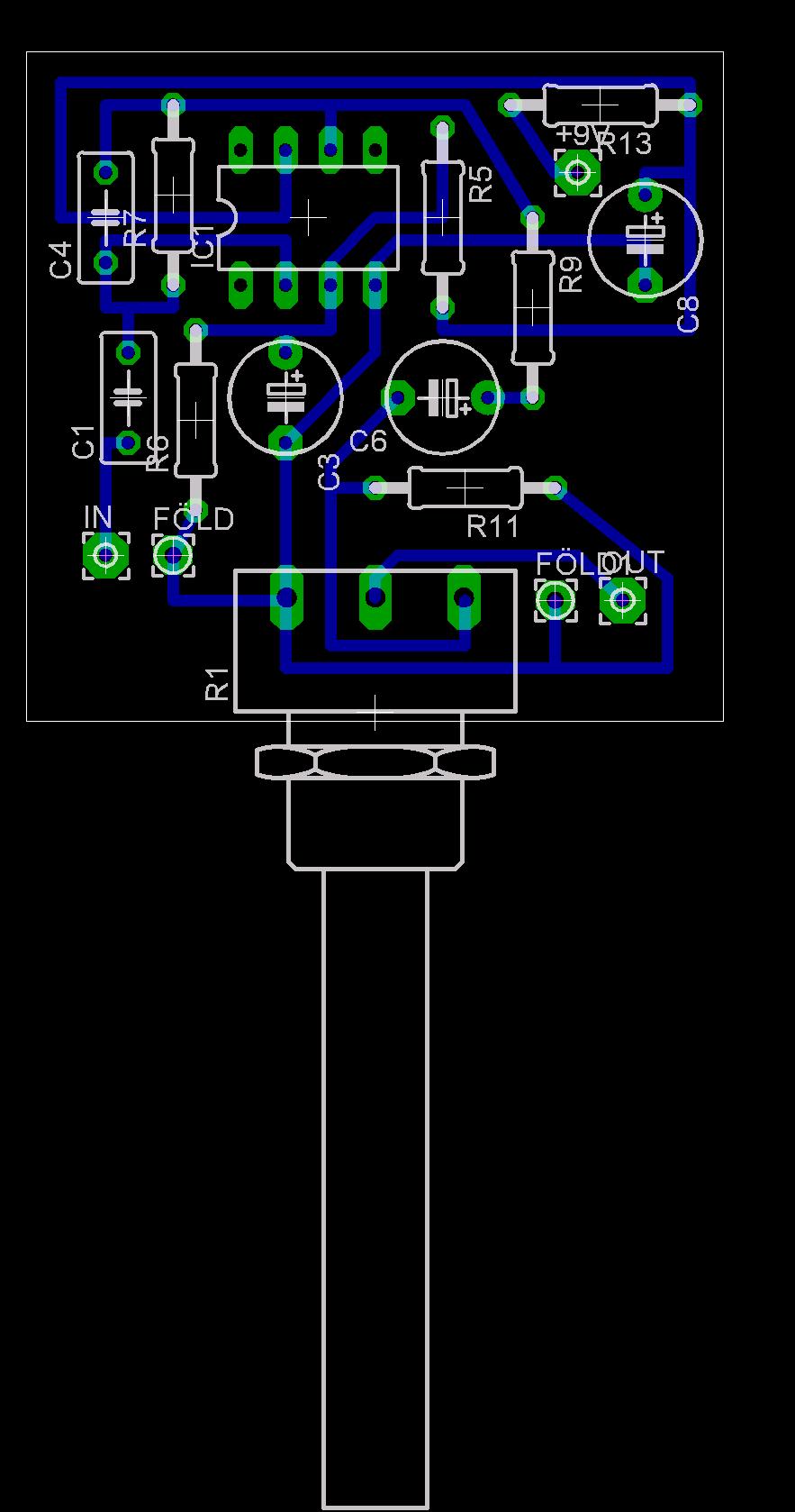
a) Ugyan az-e a 2 kapcsolási rajz (ezalatt azt értem, hogy sikerült-e normálisan eagle-ba betenni... )b) a nyákon, jó alkatrészeket használtam-e. c) a nyákon látható a piros (ezek átkötések). Ezeket valahogyan valamilyen áttervezéssel ki lehetne kerülni? (csak mert nem zavarna, hogy 6 vezetéket be kell forrasztanom, csak így ugye nő a gerjedékenységi, és a búgási tényező... - gondolom - ) Előre is köszönöm a segítséget, rajzok mellékelve .zip-ben.
Alkatrészeket rendezd el. Az első, ami szembe tűnt. Az R5 mehet a két tranzisztor közé. Ott elfér, és nem kell átkötni. De még, sokat át lehet rakni.
Az áramkör tervezőnél, mindig úgy kell megrajzolni a kapcsolást, ahogyan a panelen lesz. Értem ez alatt azt, hogy minden be-kimeneti ponthoz csatlakozik vezeték (árnyékolt) ezeknek a sematikus rajzon is kell csatlakozási pontot kialakítani, hogy a nyákon is legyen neki. A Te rajzodon pld. nincs egyetlen GND-re csatlakozó ki-bemeti pont, sőt tápnak sincsen GND csatlakozása.
Az látható, hogy áramköri összekötő lista nélkül dolgozol, mert ugyan, a piros vezetékek felső átkötések lennének, de azok nem érhetnek hozzá felül a lábakhoz, mert így zázlat lenne közöttük. Ha az egyoldalas nyákon mégis maradna felső átkötés, azt úgy kell tervezni, mintha szigeteletlen vezetőből készítenéd, tehát ne érjen hozzá semmihez. Fongab-nak teljesen igaza van, sok lehetőség van még itt a javításra az alkatrészek ügyesebb elhelyezésével. Amikor kialakul a nyák (mindenki oda van kötve ahova kell), akkor kezdődik a szépítési munka, mely néha tovább tart mint előtte. De ettől lesz szép a nyák. Magyarul "rendet rakunk". Nem igazán ismerem a sast, de biztos van gumivonalazás benne. Ez nagymértékben segíti az alkatrészek elhelyezését. (Bizttosan nem tudod mi az. A kapcsolási rajzból készül egy összekötési lista (NetList) és ezek az összekötések megjelennek a nyákrajzon. Ha mozgatod az alkatrészt, viszi magával a vonalakat, és nem téveszti el, mert az áramköri rajz szerint csinálja. Hibátlan működésének feltétele, hogy az áramköri rajz teljesen a nyáktervező szabályai szerint készüljenek el.) üdv! proli007
így csináltam. Ezt az eagle nyáktervező része ilyen érdekes sárgás-barnás színnel jelzi... :yes: <--- ennél kicsit tán sárgásab...
Elvileg minden a helyén, van 1-2 átkötés, amely nem a beültetési oldalon, hanem az alsó oldalon lesz... de én már mondtam, hogy nem nagyon tudok panel-t tervezni, így kicsit el vagyok keseredve, hogy nem tudom majd megcsinálni...>
hopp, igen, a föld-pontok... akkor én azthiszem feladom ezt a nyáktervezgetős dolgot...
:no:
Miért adnád fel?
Nem szabad kishitűnek lenni, jó úton haladsz. Gyakorlat teszi a mestert, senki nem született nyáktervezőnek. üdv! proli007
Ez se megy egyik percről a másikra. Ha 100óra után se jó a nyákod, akkor add fel. És jöhet az átkötés.
A 100 órát ne a nézegetéssel töltsd el. Egy ellenállásnál kiszedted az átkötést. De a panel most egy kicsit rosszabb lett mint volt, mert a közepébe raktad a csatlakózót. (OUT) sokkal több, a rossz kötés (Q2) Próbáld meg részekbe meg csinálni és a következőt ahhoz illeszteni. Gondolok itt arra hogy csináld meg az két tranzisztorig. Ha színpatikus meny tovább. Az alkatrészeket lehet forgatni is. pl.:C5 90° -kal elforgatód, nem kell annyi huzal a panelon. Az R5 kilóg a sorból R6, R2 höz képest. Én itt úgy látom hogy a C1, a Q2 emiter bázisát összekötötted. nem lenne jobb az elhelyezés ha a C1 a R5 és a Q2 között?
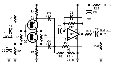
Megnéztem inkább az összegző erősítőt, az egyszerűbbnek tűnt. Megmutattam apukámnak, szerinte jó... szerintetek?
(apukám csinált már rengeteg erősítőt, meg minden más egyebet... volt egyszer fent nálunk és a műhelyt elnevezte az atomerőművel irányítóközpontjának.... )Most felmerül bennetek a kérdés, hogy mért nem csináltatok meg apummal.... mert meg akarom tanulni, és sajnos kevés szabadideje van...
hali!
Hát köszi! ,,nem lenne jobb az elhelyezés ha a C1 a R5 és a Q2 között? '' Gondolom itt arra gondolsz, hogy az R5, a C1, és a Q2 között legyen... nos ez a panel rajz, nemhiszem, hogy tovább élni fog, újra fogom valszin tervezni...
Na! Alakul ez!
A 9V tápfeszültség negatív pontjának (GND) is tegyél csatlakozási pontot, mert az is oda kell vezetni a táptól. Nem? Valahogy úgy kellene kialakítani, hogy ez "sinezhető" legyen. Ha minden panelen ugyan oda eseik, és nincsenek távol egymástól, akkor egy vastag rézvezetőt átfűzve a panelen láncolhatók a tápok. ui. Fel akartad adni, és még segítséged is van? Nahát! üdv! proli007
Mivel ennél nem adtál elvi rajzot ezért csak esztétika: C1, C! és R6, R7 mért nem tetted egy vonalba. C1 R6 a panel széle felé tennéd, nem kellene a vonallal kanyarodni.
Az IC és a C8 kőzőt a test vezeték minek? Ha a C8 berakod a C3, C6 tal egy magasságba ott a tested a R11 nél nem kellene kerülgetni. A testet futtasd körbe a panelón az legyen a legnagyobb felületed. Alkat részek közé is beviheted. Ha nem másnak árnyékolásnak is jó De ez márt kezd alakulni, csak így tovább. ( van amikor nekem is több nap egy panel, pedig pár 100 –on túlvagyok )
Ha valami nem tetszik én ugyanazon a lapon újra kezdem. van hogy 10 –nél több rajzom van a lapon. Ha másra nem legalább azt látom hogy nem szabad, vagy kell csinálnom. De te tudod hogy újra kezded vagy javítod.
olyan keverőt szeretnék építeni amit egy (számítógépből kiszerelt)cdlejátszóhoz közvetlen tudok csatlakoztatni.. egy 7szegmenses kijelzőt is be szeretnék építeni amivel tudom figyelni hogy hanyadik szám megy éppen.. 2 kivezetés kéne a sztereo hangzás miatt és tudjam állítani a mélyet, a magasat és a hangerőt(a cd lejátszómon lehet a zenét elindítani és léptetni a számok közt..jahh és lehetőleg PIC nélkül de megoldom ha nélkülözhetetlen)
OFF Pitch-controll és digitális effektek nem is kellenek bele
ON
légyszi laikus nyelven írd le mert nem értek én a lovakhoz
Amilyent elképzeltél, olyant nem fogsz tudni építeni. A CD rom-ból megfelelő hardwer+szoftwer nélkül nem tudod kiolvasni a track infókat. Ha mindenkép keverőt akarsz építeni, csinálj egy egyszerüt, és használj asztali (DVD)lejátszókat. Azon van kijelző...
|
Bejelentkezés
Hirdetés |





)


:no:


ON
