Fórum témák
» Több friss téma |
Fórum » Erősítőhöz való hangsugárzó védelem (koppanásgátló)
Témaindító: Thom, idő: Márc 14, 2006
Témakörök:
Helló! Hát igen, így lenne az igazi, de én meg általában akkor számolok utána, ha valami nem stimmel. (tudod... a lustaság nagyúr
)
Sziasztok!
A segítségeteket szeretném kérni. Van 2 db egyenként 100W-os erősítőm, beépített koppanásvédelemmel. Egy pár 70W-os 8ohmos 3 utas Videoton hangfalat, valamint egy pár 60W-os 4ohm-os házi készítésű 3 utas hangfalat hajtok meg velük. Elsősorban túlterhelés elleni védelmet szeretnék összerakni hozzájuk, de nem igazán tudom eldönteni melyik kapcsolás a megfelelő nekem a rengeteg belinkelt közül. Nagy részét elolvastam a topicnak, elnézést hogy nem mind a 421 hozzászólást. Arra gondoltam hogy áramerősség függvényében egy relét kapcsolgatni, ami a hangfallal sorosan van. Most egy bizti van a végfok kimenetén. Valamint crop jelző LED-et hogy lehetne beépetni utálag az erősítőbe? A legutóbbi bulit megúszta a felszerelés, hála a gyakori ellenőrzésnek, de biztosabb, ha automatikusan védve van a dolog. A válaszokat előre is köszönöm! Üdv: Ákos
Engem is valami ilyesmi foglalkoztat ha huzamosabb ideig világít a clip led akkor oldjon le automatikusan.
Helló!
Sajnos azt nem írtad, hogy a hangfalakat hogyan kötöd a sztereó erősítőre. Úgy gondolom, hogy talán így kötötted: 1)mindkét csatornára 1db 8 ohm-osat és 1db 4 ohm-osat kötöttél. De ha így van rákötve, akkor nagyon kicsi a terhelő impedencia, kb 2,6 ohm. Ezt a legtöbb végfok nem tolerálja, tönkremehet tőle. Kevés végfok bírja a 2 ohmos terhelést. 2) egyik végfokra a 2db 4 ohmosat sorosan, ennél az eredő impedencia 8 ohm, a másikra pedig a 2db 8 ohmosat párhuzamosan, ennél 4ohm lesz az eredő. Ez a felállítás jobb a végfoknak, de nem szép megoldás szerintem. A legjobb megoldás úgy gondolom az lenne, ha 4 külön végfokról hajtanád mind a 4 hangfalat, mindegyik felszerelve hangfalvédelemmel. Sajnos nem tudom, hogy mit értesz crop LED alatt... talán a clip ledre gondolsz? Üdv, Arpy
Hello!
Elnézést a pontatlanságért, javítom a hiányosságokat: 1. A bekötés: egyik sztereo végfokra egyik pár, másik sztereo végfokra másik pár hangfal, nincs párhuzamosítás, mindegyik csatorna egy hangfalat hajt, azt hiszem úgy értelmezted, hogy egy erősítőm van, nos nem, 2 sztereo erősítőről van szó. 2. Igen, clip LEDre gondolok, elírtam. Az erősítők kimenetén most 2.5A-es bizti van, de szerintem mire ez kiég már rég tönkremegy a hangfal, inkább csak az erősítőt védi rövidzár ellen. Várom továbbra is a válaszokat
Egy olyan áramkör, amely jelzi, hogy a végfok a képességei határán van, egy olyat nem nehéz elkészíteni. Ez olyan elven müködik, hogy ha a tápfeszhez közeli fesz van már a kimenetén (tápig van kivezérelve az erősítő) akkor világít egy led, a clip led. Itt van erre kétféle kapcsolás, amit mellékelek.
Szerintem felesleges a végfok kimenetére biztit rakni. Mindig arra mennek, hogy a hangfalkábel minél nagyobb keresztmetszetű legyen, és a biztivel ezt lecsökkented. A hangfalvédelem megvédi a hangfalakat a be- és kikapcsoláskor esetleges tranzienektől, illetve a végfok kimenetén megjelenő egyenfesztől (ha tönkremegy a végfok). Arra sajnos ritkán látni példát, hogy rövidzárvédelem is van a védelemben. Erre sajnos nem nagyon tudok ötleteket adni.
Köszi a kapcsolásokat, a clip2.jpg-t fogom megépíteni azt hiszem. +-30V tápfesz esetén változik valami? A plusz oldal és a föld közé ráteszem a kapcsolást és ennyi?
Valamint továbbgondolva a kapcsolást, a következő érdekelne még: TDA 7294 van az egyik erősítőben, ennek van mute funkciója, erre nem lehet "rákötni" a kapcsolást? Így túlvezérléskor automatikusan lekapcsolna a kimenet. Vagy ha ez így nem oké, akkor egy relét kapcsolni vele, ami a hangfallal sorban van. A relé nem rontja a hangminőséget? A nagy kábelkeresztmetszet gyanítom a hőveszteség elkerülése miatt kell, talán az a 2 cm-es bizti nem zavar be nagyon.
Az első kapcsolás az a Reflex RX500-as védelmében lévő clippes rész, én azt építtem meg, annak -37 volt kell.
Szerintem egyik kapcsolás sem jó jelen helyzetében, hogy müködtetni tudja a 7294 mute funkcióját, mivel ahhoz ha jól emlékszek GND-re kell húzni azt a lábat, és ennél pont fordítva van, tehát ahhoz, hogy jó legyen, módosítani kell a kapcsolást. De azért se lenne jó, mert ha nagy a kivezérlés, akkor az áramkör átkapcsolja az IC-t mute-ba, de aztán mivel nincs semmi a kimenetén, akkor az áramkör rögtön vissza is kapcsolja, tehát ki-be kapcsolgatná az IC-t. Maximum csak úgy lenne jó, ha lenne egy időzítés, hogy pl 5 mp múlva kapcsoljon vissza. Ha relével akarod a hangszóró kimenetét megszakítani, akkor valamivel nagyobb BC kell, mint a BC547-es... valamilyen fémkupakos jó lenne. A relé nem ront a hangminőségen, mivel mechanikusan kapcsolja csak az érintkezőkat, maximum csak az a kis mágneses tér, ami a tekercs körül van, de az nem számottevő. Azért használnak vastagabb hangszórókábelt, mert annak kisebb a méterenkénti ellenállása és nagyobb áram is tud rajta folyni. SZerintem szükségtelen a TDA7294-t mute-ba kapcsolni, vagy relével megszakítani a kimenetet ezzel a móddal, hiszen így semmit se értünk el: rövidzár ellen továbbra sem véd, maximum csak bosszankodni fogsz, ha hangosabban akarsz egy kicsit zenét hallgatni, és aztán az erősítő pedig folyton ki-be kapcsolgat... Üdv, Arpy
Köszönöm a gyors választ!
Ezek szerint marad a beépített koppanásvédelem és az IC rövidzárvédelme, mást nem lehet elkövetni. A clip LEDet kipróbálom. Ákos
Egy kérdés.
Az csatolt kapcs rajzon a clip led bármilyen végfoknál csak a túlterhelés határát megközelítve fog villogni? Honnan tudja, hogy hol van ez a határ?
Szia!
A clip áramkör a végfok tápjáról üzemel. Az R10-R15/R13 egy feszültségosztót képez, a tápból. Ha az R10 felől érkező bemenőjel az osztásfeszültségnél magasabb, a tranyó lezár és a led világít. Ezért jó szinte minden végfoknál. Ha érdelkel hol kapcsol be számítsad ki, vagy nézz vissza Sword-nak valahol leírtam. A relé természetesen a végfok teljesítménytől (fesz. áram) függ, de minél nagyobb annál jobb. Olyan relét célszerű alkalmazni aminek nagy kontaktusai vannak. kb. 16A-es. üdv! proli007
Én úgytudom, hogy ha a kivezérlési fesz 10%-ra megközelíti a tápfeszt, akkor ad áramot a Clip Led-re.
Most már nekem is a végfok tápjáról megy, egyszerűbb így, elvetettem a külön tápot, amúgyis csak plusszos volt, stb. Viszont elég nagy a késleltetése (7-8sec) és kikapcsolásnál ugyanúgy koppan a hangszóró. Lehet, hogy túl nagy a 470µF-os kondi, és túl sokáig kap még róla feszt a relé, mielőtt ejtene?
Nekem is 470µF-os kondival kb7mp volt a meghúzásig eltelt idő, de amint kicseréltem 100µF-osra, akkor lecsökkent vagy 2mp-re
Nem kéne koppania, ha a hangfalvédelem rajta van.... én még nem próbáltam hangszóróval, még nem ment élesben végfokról, csak próbaüzemben.
Hát a koppanásgátló az maga a relé lenne.
Csak akkor húz meg ha feltöltődött a kondi, ez idő alatt a bekapcsoláskori áramlökés eltűnik és nem jelenik meg a hangfalon. Kikapcsolásnál ugyanez, a relének hamarabb kell oldania, minthogy megszűnik a végfok tápfesze. Más: Vettem egy új potit hozzá, mert a régi csak az egyik csatornát vitte, vmi szétolvadt benne, sokáig forraszthattam. Vettem egy ugyanolyan műanyagot, mondván, h jó lesz egy darabig. Erre ugyanúgy bekötöm és fordítva hangosít Dettó ugyanoda kötöttem a bemenetet, a kimenetet meg a GND-t és mégis. Más a típusszáma, de elméletileg B-s ezis, tehát logaritmikus, hangerőhöz való. Mégis olyan, mintha lineáris lenne, és félig feltekerve, már ordít. A régi típusszáma: 10KB645M Az újé: 10KB705M (egyébként Piher mind a kettő, ugyanúgy is néz ki) Kezdek meghülyülni. Ráadásul az eddig működő kivezérlésjelzőm most alig mozdul meg, holott hozzá sem nyúltam. Annyit csináltam, hogy bekötöttem a másik csatornát is. Lehet ez attól, hogy az RCA csatik hidegpontja közös a fém dobozon?
Kimaradt: 10K-s mind a kettő, és az újnak mégsem tudom teljesen levenni a hangját az egyik csatornának...
Ki érti ezt?
Használd már a válasz gombot légyszíves, mert az embernek fogalma sincs kinek címzed a válaszod.
Idézet: „Ki érti ezt?” Hát az ohm mérő! Egyébként az RCA csatinak illene elszigetelve lenni a doboztól. Azt külön kis szigetelő lapra szokták tenni, és a panel GND pontjára bekötni. különben igen fenn áll a földhurok veszélye! üdv! proli007
Bocsi, igazad van.
Megpróbálok rámérni, de fogalmam nincs mi lehet a baja. Külön érdekesség, hogy a közvetlenül a bementre kötött VU meter a poti állásástól függően jelzi ki a szintet, holott előtte van bekötve, mert a bemeneti jelszintet mutataja (eddig működött is teljesen korrektül) Ha csak ez az egy csatorna van bekötve, akkor kb 40%-os hangerő poti állásnál bekapcsol a védelem. Ha mind a 2 be van kötve, akkor nincs ilyen.
Én is csak azt tudom tanácsolni, hoyg mérd ki a potit, hogy jó-e.
Arra tudnék gondolni, hogy amikor csak az egyik panel volt bekötve, akkor a másiknak a bemenete valszeg csak lógott, és lehet, hogy gerjedt, emiatt lépett müködésbe a védelem. VU-val nekem is volt olyan régebben UAA180 IC-vel, hogy a két IC-nek a tápja volt közös csak, semmi más, mégis ha állítottam az egyiknek a bemeneti jelét trimmerrel, akkor a másikat is elhúzta kicsit.
Hát..a multiméter is beadta a kulcsot, úgyhogy jó napom van.
Visszaraktam a régi potméter most meg mindkét csatornán azt csinálja, hogy függetlenül a potiállástól nagyon halkan szól a zene... Be van forrasztva minden. Ez mitől lehet?
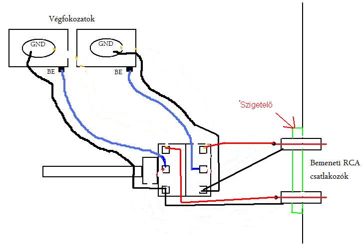
Így néz ki, kicsit kusza lett, de remélem kivehető.
Cseréld fel a kéket, a pirossal. Az erősítő bemenete legyen a csuszkán, ne a bejövő.
Hát ha így néz ki, kapásból nem jó!
- A poti fordítva szabályoz - A közepének kell az erősítőfelé menni - Az poti ellenállás "tetjére és aljára" kell hogy bejöjjön a jel. Ez egy feszültségosztó kapcsolás nem egy shunt! üdv! proli007
Aha értem, így már világos. Még jó h beraktam a képet.
Átkötöm akkor. Csak azért furcsállom, mert erdetileg így volt és működött, ez van. Mindjárt átforrasztom. Köszönöm a javítást!
Most meg full kakaón szól az egész
Lehet rövid úton a falhoz lesz vágva.
Te jó ég! Hogy lehet ezt még ragozni?
Az még előfordulhat, hogy a poti nem így van bekötve. De vedd már elő az ohm mérőt légyszives, és akkor felszáll a füst. A poti két vége, az, ahol hiába tekergeted, a végellenállást adja. A maradék lába a csúszka (v. leszedő) Ha középre állítod és a csúszkát megméred a két végéhez képest, akkor az egyik oldalon nagyobb ellenállást fogsz mérni (a "B" karakterisztika miatt). Amelyik oldalon a nagyobbat méred, oda kell az RCA-ról bekötni a jelet, ahol meg a kisebbet, oda a GND-t. Hát ennyi. üdv! proli007
Hát ez a gáz, hogy értem én, hogy egyszerű lenne, a rajzod tök világos is, úgy is kötöttem be, még a drótok is szyín szerint vannak kötve a dugaljhoz, nehogy később el legyen keverve és v.mi mégis szar. Olcsóbb meg egyszerűbb lesz, ha építek egy ic-s előfokot.
Azért kössz a segítséget, valszeg negatív a kisugárzásom vagy nemtom..rossz karma. Tönkremennek körülöttem a dolgok.
A poti volt a hibás... kettőből kettő...f@sza arány.
Sz@r műanyag piher hulladék... Mindenki kerülje messziről!! Igaz, harmadjára is ilyet kellett vennem, normális áron egyszerűen nem lehet mást kapni, hq-nál is a fémházas piher potik mind kifutottak. Csak ezek a hulladékok vannak, meg a nyákosok. Mind1, ez úgy, ahogy működik, bár két csatorna együttfutása nem a legjobb. A bal csati picit halkabb. Ha megadja magát vagy veszek egy Alps potit vagy kiiktatom és kap egy előfokot.
Sziasztok, a kapcsolások rovatban talált koppanásgátlóval kapcsolatban volna egy-két kérdésem.
1/ Először is, nekem 24V-os tápom van és 24V-os relét vettem bele, kell-e valamelyik alkatrész értékén változtatnom emiatt? 2/ Ki lehet-e hagyni R8-at és a LED-et? van-e ezeknek valami működésbeli szerepe? 3/ Működik-e a kapcsolás (ki lehet-e próbálni) csak ha tápot adok neki? vagy rá kell köni az erősítőre is!? Fontos lenne, hogy segítsetek mert megépítettem és nem műödik (rögtön kapcsol hiába cserélem nagyobbra C3-at) Emlékeztetőül a kapcsolás képe ...előre is köszönöm! |
Bejelentkezés
Hirdetés |




) 










