Fórum témák
» Több friss téma |
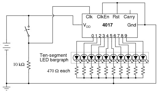
A színkeverő áramkör egy egyszerű 555-ös oszcillátorból és a 7490-es bináris ( BCD ) számlálóból áll. S az RC időzítők adják a szép sima átmenetet az egyes lépések között. Ha neked csak az egyes lépések ( Piros. Zöld. Kék. S a kevert színek lépései. ) akkor nem kell a 7490-es számláló. egyszerűen diódázd ki a 4017-es kimeneteit. ( Az nem túl szerencsés ha csak simán párhuzamosan kötöd a 4017-es kimeneteit. ) Bár ha jobban belegondolsz a 7490-es is 10 lépést tud és a 4017-es is csak 10 lépéses. Így csak annyi előnyöd lesz a 4017-es alkalmazásával, hogy a színek kombinációit magad tudod tudod beállítani. ( A 7490-esnél ez egy kötött BCD-kód. )
Egy vázlat az elgondolásodról sokat segítene. Mellékelek egy képet az én elgondolásomról.
Időközben gondolkodtam a feladat megoldásán, hogy hogyan lehetne minnél egyszerűbben megoldani és ki is gondoltam egy megoldást. Mellékeltem egy adott kapcsolást a 4017-ről, feltételezem, hogy működik. A másik rajz az én verzióm. Mind a két kapcsolás 5-6V-ról megy. Ahogy ráadom a tápfeszt, a relé NC érintkezőjén alapesetben az 555-ös és a 74LS90 IC köre megy színkeveréssel. Ha megnyomom a BE gombot, akkor a relé NO érintkezője zár, NC pedig bont, így már a 4017-es köre megy színváltással. A BE gomb után az 1N4148 szerepe az, hogy a relé zárt érintkezőjén ne juthasson folytonos pozitív tápfesz a CLK órajel bemenetre. Mivel BE 1-es pontja mindig tápfeszen van, így a 2-es vége mehet a CLK kivezetésre. Elvileg, ha megnyomom, ugrik a következő színre.
Színek: 0-1-2 kimeneten a 3 szín van, ezután egy LED ellenállás. 3-4-5-6 esetben ugye már nem kell ellenállást betennem, hisz a 0-1-2 kimenetre kapcsolt RGB LED-et használom, csak épp a megfelelő párhuzamosítással. Itt akadtam el ismét. Ugyanis mindig fehér színt fogok kapni, mert a 6-os kivezetésen az összes össze van kötve, így teljesen mindegy, melyik kimenet aktív ugye. Ehhez kérnék egy utolsó segítséget, hogy hogy oldhatnám meg? Remélem az eddigi elmélkedésem a gyakorlatban is működőképes, ha valahol tévedtem, kérlek javítsatok ki. Ui.: nem 4-4 db LED-ről van szó, hanem 1db RGB LED-ről, azt kellene a megadottak alapján vezérelni.
Szia! Ha "egy" RGB LED-del meg tudom oldani a színkeverést akkor fölösleges külön RGB LED-eket alkalmazni az egyes színekhez. ( Kivéve ha az egyes színekre különböző helyen van szükség. )
A relés történetet még át kellene gondolni. Elegánsabb megoldás logikai kapukkal felépíteni az áramkört. De ha úgy könnyebb akár relékkel is lemodellezhető a kapcsolás. Csak a relék "logikáját" kell lefordítani logikai kapukra! A lényeg a logikai kapcsolatokban van... A színek!: Ha mégis az egyes kimenetekhez rendeled az egyes színeket, és feltételezzük, hogy közös katódosak az RGB LED-jeid, akkor az anódokhoz kell tenni színenként egy egy ellenállást! Mert az egyes színek nyitófeszültsége különböző és ezért érdemes külön ellenállásokkal beállítani a megfelelő áramot és azzal párhuzamosan színkeverés arányát. UI: Gondold át a diódás kapcsolást amit mellékeltem... A hozzászólás módosítva: Dec 13, 2013
Nos,így a téli szünet első napján felvettem a táblázatokat egy logikai áramkör megtervezéséhez. Jól gondolom,hogy 3 változó elég /Qa,Qb,Qc/ és ebből meg tudok tervezni egy 7 lépéses léptetést. Ha igen,akkor holnap fel is teszek egy tervet erről az egészről.
Hello! A 2^3=8 Vagyis nyolc állapot, hiszen a nulla is szám. üdv!
A hozzászólás módosítva: Dec 21, 2013
Igen,ez így van, de úgy értettem, hogy RGB LED-ból 3 színt tudok kikeverni, meg az alap színek,ez összesen 7,a 8. lépés az lesz, hogy újra az elejére ugrik a JK tároló.
Ilyesmi rajz már volt itt. Nézd meg, hátha találsz benne ötletet. RGB-4060 üdv!
Sziasztok!
Olyan kapcsolást keresek, ami 10 ledet képes lenne gombnyomásra léptetni egymás után. Az elképzelés az lenne, hogy két nyomógomb lenne. Az egyikkel az egyik irányba léptetném a ledeket, a másikkal visszafelé. Egyszerre csak egy led világít. Arra nincs szükség, hogy ha elérte a 10. ledet a léptetés, akkor visszatérjen az elsőre és így tovább. Persze ha csak így megy az se baj. Tudnátok valami ilyesmi kapcsolást ajánlani? Ja és az fontos lenne, hogy PIC vagy AVR nélkül. Köszi!
Hello! Tessék! De arra ügyelj, hogy a kimenet alacsony szintű, mikor egy-egy Led világít. üdv!
74 HCT 192( Bővebben: Link ) is jó lehet a 74 HC 192 helyett?
A hozzászólás módosítva: Márc 15, 2014
Hello! Természetesen. A HCT-nek a jelszintjei alkalmazkodnak a TTL áramkörökhöz. De itt különösebben nincs jelentősége. üdv!
Sziasztok!
Találtam egy érdekes cikket de nem tudok angolul. Valaki leírná röviden a tartalmát és hogy milyen alkatrészek kellenek hozzá?
Sziasztok!
Van egy olyan problémám hogy adott egy PWM es LED vezérlő, amiben van egy cél IC (fekete pötty...) ami direktben vezérel tirisztoron keresztül LED eket összesen 8 féle, nyomógombbal választható program szerint. A gond az vele hogy hidegben a LED ek fényereje az 1/10 ére csökken. A cél IC direktben vezérli a tirisztorok (2db) gate lábát, semmilyen gyújtó áramkör nincs a két alkatrész között. Az alkalmazott tirisztor ( X0405MF) egy 50uA e es gate árammal vezérelhető alkatrész. Létezik hogy a hideg hatására eltolódik ez az áramküszöb és nem képes az IC normálisan kihajtani a tirisztort? A tirisztor gate jén 0 - 600 mV körüli feszültség változik a programok függvényében tehát a tranzisztoros hajtás nem jöhet szóba. Tudnátok javasolni valami alternatív megoldást? Biztos hogy a tirisztor a bűnös mert ha a -20 fokos fagyasztóba teszem a kütyüt, majd a tirisztort pákával megmelegítem egyből megjavul a helyzet... A hozzászólás módosítva: Dec 6, 2014
Üdv mindenkinek!
Olyan kérdésem lenne, hogy miként valósítható meg, olyan dolog,hogy Led szalagból feliratot készítsünk? Pl.: "Nyitva" felirat esetleg még köré Ledek .., és ezek valamilyen formában vezérelve legyenek ...,Pl.: Betűnként villogjon, vagy az egész felirat ... Valami ilyesmit szeretnék készíteni ... Köszönöm előre is az ötleteket, és a segítséget !!
Hello! A szalagok feszültségtől függően általában bonthatók (tagolhatók). A mellékelt 24V-os láthatóan 6 Led-enként, a 12V-osok általában 3 Led-enként. Hogy a betűket fizikailag hogyan alakítod ki, az a Te dolgod. Vezérelni pedig sokféle képen lehetséges. Néhány példát erre itt is találhtasz. De mikrokontrollerrel is lehet mindenféle vezérlést-villogást programozni, ha értesz hozzá..
Szia! Köszönöm segítségedet...
Valamennyire érték hozzá... Hol tudok vezérlő kapcsolási rajzot szerezni? ... Mert akkor építenék hozzá
Talán olvass bele a témába , csak 14 oldal , de itt ezen a "lapon" is van vagy 5 rajz ..
A hozzászólás módosítva: Dec 19, 2015
És mit építené ahhoz, amiről még nem tudod mi? Először talán ki kellene találni, mit is szeretnél készíteni és hogyan működne. Aztán lehet rajzot keresni, vagy készíteni hozzá. De ha előző hozzászólásomban az aláhúzott "itt"-re rákattintasz találsz példákat ilyesmi reklám vezérlésére.
Szia!
NYITVA "táblát" készítenék,valamilyen hasonlót mint a képen csatolva..., de úgy szeretném elkészíteni,hogy a betűk egymás után világítanának,majd együtt az egész ... Körülötte a ledek pl.: villognának,vagy egyfolytában világítanának ... Led szallagból, vagy különálló ledekből készíteném a feliratot ...
Hello! Ez a kapcsolás tulajdonképpen pont ezt teszi. Az U1 lépteti a kimeneteket, az U3 kimenetei az ütem szerint sorba kapcsolgatja be a kimeneteket.
N NY NYI NYIT NYITV NYITVA Az U2 pedig a várakozási időt képzi, míg mind a hat betű együtt tovább ég. Majd kikapcsolja a Led-eket és kezdődik elölről. A "nyitva" hat karakter, az U3-nak 8 kimenete van. Ezekre már csak egy-egy pld. Fet kell, ami kapcsolja a betűket. Meg az áramkörnek egy stabilizátor ami az 5V-ot állítja elő a 12V-ból. És kész.
Köszönöm ...
A hozzászólás módosítva: Dec 26, 2015
Sziasztok
Modellvasúthoz szeretnék egy áramkört amit egy gomb segítségével lehetne üzemeltetni. A lényeg az lenne, ha a váltó olyan állásban van, amikor a vonat nem tud áthaladni rajta, akkor pirosat mutasson és amikor a gombot megnyomom, akkor a piros LED kialszik és a zöld LED kezd el világítani. Az nem számít, hogy bekapcsoláskor mit mutat, mert azt egy párhuzamosan rákötött kiegészítő gomb segítségével tudnám váltani a megfelelő színre. A digitális megoldás lenne az igazi de az nagyon drága. A lényeg összefoglalva: - mindig mutassa valamelyik színt, - 2 LED lenne rajta, - bemeneti feszültség az vagy 7V vagy 12V legyen, ami stab IC-vel lenne megoldva (ehhez van kapcsolásom) Köszönöm Üdv Laci
Hello!
A kulcsszó, a "bistabil" áramkör. Ez számtalan formában létre lehet hozni. Gondolom a "digitális megoldás" alatt a mikroprocesszort érted, mert egyszerű logikai áramkörök is "digitálisan működnek", sőt ez az egyszerű kapcsolás is amit rajzoltam számodra gondolatébresztőnek. - Mint láthatod, a Led rövidre zárásával lehet átbillenteni az áramkört. Ez lehetséges mind két oldalon, de az egyik oldalra tranyót tettem. Ha annak 7V-ot adsz, akkor az ugyan úgy rövidre zárja a Led-et és átbillen. Vagy mint az ábrán látható nyomógombot megnyomva. - Egyszerre csak az egyik Led éghet, de ha mind két gombot megnyomod, akkor sötét mind kettő. Tehát ha az egyik nyomógomb fixen nyomva van, nem lehet átváltani a másik jelzésre. - A bekapcsoláskori alapállapotról a kondi gondoskodik. Jelenleg ez zöld lesz. De ha pirosat szeretnél, akkor csak át kel tenni a kondit a másik bázisba. - A működési logikát azért gondold végig, hogy tényleg ezt szeretted volna. Vagy építsd ,eg és próbáld ki. Szinte bármilyen NPN tranyóval működni fog.
Szia
Köszönöm, hogy segítesz. Ez a rajz tökéletes arra amit szeretnék. Két kapcsoló, ami úgyis kell a váltó átbillentéséhez. Gondolom, ha ugyanazt a gombot nyomom meg egymás után többször, akkor ugyanaz a LED fog világítani.
Egy kis kiegészítés.
Digitális alatt azt értettem, hogy maga a terepasztal nem lesz digitális kivezérlésű, mert a mindenféle controller, decoder stb iszonyatosan megnövelné az árát. Ezért döntöttem úgy, hogy amolyan házi megoldással teszem majd élethűbbé.
Egyetlen 7474-es IC-vel is megoldható a dolog. A tápfesz tűrés miatt CMOS változatot érdemes beszerezni. Egy tokban 2 flip-flop van. A bekötés a következő csak az egyik felhasználásával:
1.-4.-14. + tápfesz 2.-6. összeköt, egyik led ide jön 3. bemenet 5. másik led Nem elfelejteni a ledekhez a megfelelő áramkorlátozó ellenállásokat.
Szia
Köszönöm Neked is a segítségedet. Megnéztem az IC lábkiosztását és a kérdéseim a következőek lennének. 1,4,14 ezeket a lábakat össze kell kötnöm és ide fog menni a + tápfesz? 2,6 összeköt - ide fog menni a led pozitív lába? 3 ide köthetem a kapcsoló egyik lábát? 5 ide jön a másik led pozitív lába? Az IC leírásában a 7-es láb a test. Ide kell majd kötnöm gondolom minden led negatív lábát, a kapcsoló másik lábát és a negatív tápfeszt. Vagy rosszul gondolom? Ehhez a megoldáshoz csak két áramkorlátozó ellenállásra lenne szükségem? Tudnál segíteni, hogy mekkorára, ha a bemeneti feszültség 7V lesz? Köszi A hozzászólás módosítva: Dec 7, 2016
|
Bejelentkezés
Hirdetés |


















